|
标准容器支座 |
||||||||||||||||||||||||||
|
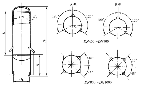
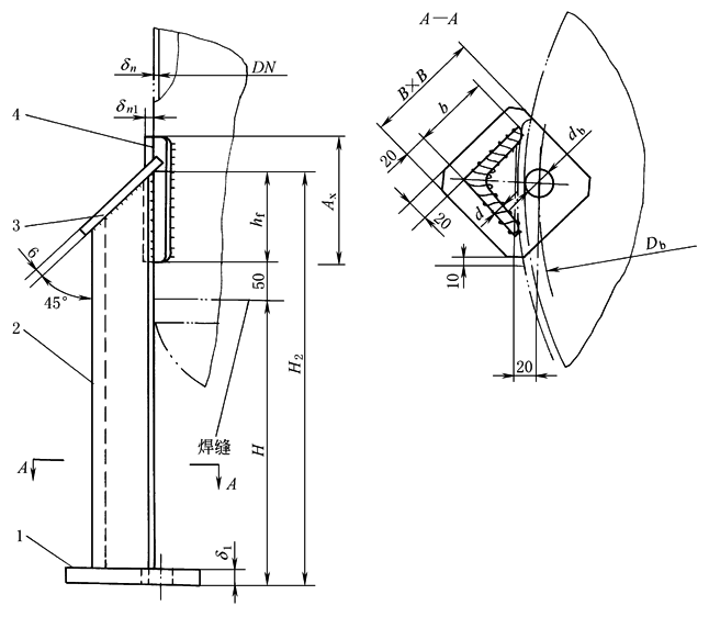
容器支座已有标准,包括鞍式、腿式、支承式和耳式 图1为腿式支座的布置型式,有角钢支柱(A型)和钢管支柱(B型);带垫板和不带垫板等四种 图2为上述立式容器的A型腿式支座。表1为其系列系数,可供参考 |
||||||||||||||||||||||||||
|
图1 腿式支座布置型式 |
||||||||||||||||||||||||||
|
表1 A、AN型腿式支座系列参数(AN为无垫板) |
||||||||||||||||||||||||||
|
支座号 |
每根支腿允许载荷 (在H高时)/kN |
适用公称直径 DN/mm |
支腿数量 |
容器最大总高度 /mm |
支承最大高度 /mm |
角钢规格 /mm |
||||||||||||||||||||
|
1 |
8 |
500 |
3 |
3400 |
800 |
63×63×8 |
||||||||||||||||||||
|
2 |
13 |
700 |
3 |
4450 |
800 |
80×80×10 |
||||||||||||||||||||
|
3 |
14 |
900 |
4 |
5000 |
1000 |
90×90×10 |
||||||||||||||||||||
|
4 |
19 |
1100 |
4 |
5000 |
1000 |
100×100×12 |
||||||||||||||||||||
|
5 |
24 |
1300 |
4 |
5000 |
1100 |
110×110×12 |
||||||||||||||||||||
|
6 |
28 |
1400 |
4 |
5000 |
1100 |
125×125×12 |
||||||||||||||||||||
|
7 |
35 |
1600 |
4 |
5000 |
1200 |
140×140×12 |
||||||||||||||||||||
|
取垫板厚度δn1等于圆筒厚度δn 图2 A型腿式支座 1—底板;2—支柱;3—盖板;4—垫板 |
||||||||||||||||||||||||||
|
图3为卧式容器的鞍式支座之一,用于公称直径DN2100~DN4000的容器。其结构尺寸见表2
图3 DN2100~DN4000、120°包角重型带垫板鞍式支座结构 |
||||||||||||||||||||||||||
|
表2 DN2100~DN4000、120°包角重型带垫板鞍式支座结构尺寸 mm |
||||||||||||||||||||||||||
|
公称 直径 DN |
允许 载荷 Q/kN |
鞍座 高度 h |
底 板 |
腹板 |
筋 板 |
垫 板 |
螺栓连接尺寸 |
鞍座 重量 /kg |
每增加100mm 高度所增加 的重量/kg |
|||||||||||||||||
|
l1 |
b1 |
δ1 |
δ2 |
l3 |
b2 |
b3 |
δ3 |
弧长 |
b4 |
δ4 |
e |
间距 l2 |
螺孔 d |
螺纹 M |
孔长 l |
|||||||||||
|
2100 |
1217 |
250 |
1500 |
240 |
16 |
14 |
230 |
208 |
288 |
12 |
2450 |
400 |
12 |
50 |
1300 |
24 |
M20 |
40 |
274 |
30 |
||||||
|
2200 |
1232 |
1580 |
243 |
2570 |
1380 |
287 |
31 |
|||||||||||||||||||
|
2300 |
1829 |
1660 |
240 |
16 |
16 |
256 |
208 |
288 |
14 |
2680 |
400 |
12 |
50 |
1460 |
24 |
M20 |
40 |
324 |
37 |
|||||||
|
2400 |
1845 |
1720 |
266 |
2800 |
1520 |
336 |
38 |
|||||||||||||||||||
|
3000 |
2803 |
2180 |
360 |
20 |
20 |
341 |
316 |
406 |
16 |
3490 |
550 |
14 |
65 |
1940 |
28 |
M24 |
60 |
636 |
65 |
|||||||
|
3200 |
2853 |
2340 |
368 |
3720 |
2100 |
682 |
67 |
|||||||||||||||||||
|
3400 |
2979 |
2480 |
380 |
22 |
22 |
391 |
335 |
425 |
3950 |
600 |
80 |
2200 |
28 |
M24 |
60 |
795 |
75 |
|||||||||
|
3600 |
3024 |
2640 |
418 |
4180 |
2360 |
847 |
78 |
|||||||||||||||||||
|
3800 |
4128 |
2780 |
380 |
25 |
25 |
440 |
335 |
425 |
18 |
4410 |
600 |
80 |
2500 |
28 |
M24 |
60 |
977 |
90 |
||||||||
|
4000 |
4186 |
2940 |
467 |
4640 |
2660 |
1036 |
94 |
|||||||||||||||||||



