|
大型容器支架 |
|
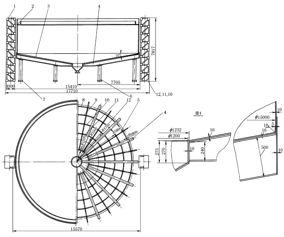
下图为直径15m浓密机的支座和立架。立架1支承浓密机全部机器的重量,共21.5t。用100×100的角钢作立杆,用80×80的角钢作斜杆。储矿槽约贮存矿浆1200t,槽壁厚10mm,用16根主梁和16根辅梁及5个圈梁托于立柱4上。立柱用两36号工字钢制造。这是属于通常的设计方法,即把底盘看作是平板来设计计算。底板厚度至少要16mm。如果按柔性设计方法考虑,底板厚度只要4mm,并且可以取消辅梁和圈梁。详细计算方法见表浓密机机座柔性底板(托盘)的设计 其他圆形容器支架请参看表圆形容器支承桁架
浓密机支座和立架 1—立架;2—壁;3—底;4—梁(有立柱);5—梁(无立柱);6,7—立柱;8~12—圈梁 |

