|
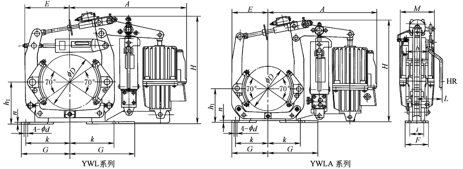
YWL系列两步式和YWLA延时式电力液压块式制动器 |
||||||||||||||||||||||||||||||||||
|
|
||||||||||||||||||||||||||||||||||
|
|
使用条件: 1.环境温度:-25~50℃。 2.环境相对湿度:≤90%。 3.电源:三相交流380V 50Hz。 4.适用工作制:连续(S1)和断续(S3)(载荷持续率为60%,操作频率≤1200次/h)。 |
|||||||||||||||||||||||||||||||||
|
技术参数与尺寸 |
||||||||||||||||||||||||||||||||||
|
|
制动器型号 |
推动器 型号 |
制动转矩/N·m |
安装及外形尺寸 /mm |
质量 /kg |
|||||||||||||||||||||||||||||
|
第一步 |
第二步 |
总转矩 (最大) |
D |
h1 |
k |
i |
b |
d |
n |
F |
G |
E |
A |
H |
L |
M |
||||||||||||||||||
|
YWL 系 列 两 步 式 |
YWL200-300 |
Ed300-50 |
80~160 |
80~155 |
315 |
200 |
160 |
145 |
55 |
70 |
14 |
8 |
90 |
165 |
170 |
495 |
490 |
115 |
160 |
49 |
||||||||||||||
|
YWL200-300A |
Ed300-50 |
170 |
175 |
60 |
90 |
17 |
195 |
|||||||||||||||||||||||||||
|
YWL200-500 |
Ed500-60 |
125~250 |
125~250 |
500 |
200 |
160 |
145 |
55 |
70 |
14 |
8 |
90 |
165 |
170 |
495 |
535 |
135 |
195 |
51 |
|||||||||||||||
|
YWL200-500A |
Ed500-60 |
170 |
175 |
60 |
90 |
17 |
195 |
52 |
||||||||||||||||||||||||||
|
YWL250-500 |
Ed500-60 |
160~315 |
160~315 |
630 |
250 |
190 |
180 |
65 |
90 |
18 |
10 |
100 |
200 |
210 |
660 |
550 |
135 |
195 |
75 |
|||||||||||||||
|
YWL315-500 |
Ed500-60 |
200~400 |
200~400 |
800 |
315 |
230 |
220 |
80 |
110 |
18 |
10 |
115 |
245 |
260 |
660 |
580 |
135 |
195 |
95 |
|||||||||||||||
|
YWL300-500A |
Ed500-60 |
300 |
240 |
250 |
80 |
140 |
22 |
130 |
275 |
96 |
||||||||||||||||||||||||
|
YWL315-800 |
Ed800-60 |
315~630 |
315~630 |
1260 |
315 |
230 |
220 |
80 |
110 |
18 |
10 |
115 |
245 |
260 |
660 |
580 |
135 |
195 |
101 |
|||||||||||||||
|
YWL300-800A |
Ed800-60 |
300 |
240 |
250 |
80 |
140 |
22 |
130 |
275 |
102 |
||||||||||||||||||||||||
|
YWLA系 列 延 时 式 |
制动器型号 |
推动器 型号 |
制动转矩 /N·m |
安装及外形尺寸 /mm |
质量 /kg |
|||||||||||||||||||||||||||||
|
D |
h1 |
k |
i |
b |
d |
n |
F |
G |
E |
A |
H |
L |
M |
|||||||||||||||||||||
|
YWLA200-300 |
Ed300-50 |
160~315 |
200 |
160 |
145 |
55 |
70 |
14 |
8 |
90 |
165 |
170 |
495 |
490 |
115 |
160 |
48 |
|||||||||||||||||
|
YWLA200-300A |
Ed300-50 |
170 |
175 |
60 |
90 |
17 |
195 |
|||||||||||||||||||||||||||
|
YWLA200-500 |
Ed500-60 |
250~500 |
200 |
160 |
145 |
55 |
70 |
14 |
8 |
90 |
165 |
170 |
495 |
535 |
135 |
195 |
51 |
|||||||||||||||||
|
YWLA200-500A |
Ed500-60 |
170 |
175 |
60 |
90 |
17 |
195 |
52 |
||||||||||||||||||||||||||
|
YWLA250-500 |
Ed500-60 |
315~630 |
250 |
190 |
180 |
65 |
90 |
18 |
10 |
100 |
200 |
210 |
660 |
550 |
135 |
195 |
75 |
|||||||||||||||||
|
YWLA315-500 |
Ed500-60 |
400~800 |
315 |
230 |
220 |
80 |
110 |
18 |
10 |
115 |
245 |
260 |
660 |
580 |
135 |
195 |
86 |
|||||||||||||||||
|
YWLA300-500 |
Ed500-60 |
400~800 |
300 |
225 |
220 |
80 |
125 |
18 |
10 |
115 |
245 |
260 |
660 |
580 |
135 |
195 |
87 |
|||||||||||||||||
|
YWLA315-800 |
Ed800-60 |
630~1250 |
315 |
230 |
220 |
80 |
110 |
18 |
10 |
115 |
245 |
260 |
660 |
580 |
135 |
195 |
92 |
|||||||||||||||||
|
YWLA300-800 |
Ed800-60 |
630~1250 |
300 |
225 |
220 |
80 |
125 |
18 |
10 |
115 |
245 |
260 |
660 |
580 |
135 |
195 |
93 |
|||||||||||||||||
|
注:1.符合JB/T 6406.1—1992、JB/T6406.2—1992、JB/ZQ 4388(带A型号)及德国DIN 15435标准。 2.YWL系列两步制动式的第一步制动时施加一个较小的制动转矩,实现平稳减速制动,机器停止运动后,第二步制动开始,增加一个制动转矩,使机器牢固停稳或防风。多用于室外起重机或胶带输送机。 3.YWLA系列为延时式,制动转矩较大,用于有变频调速或其他电气调速的运行机构的牢固停稳或防风,也用于胶带输送机。可设置应急制动电磁阀,实现不延时闭合,以应付突遇大风袭击时需要立即制动的情况。 4.生产厂家为江西华伍起重电器有限公司(地址为江西丰城市第三工业小区)。 |
||||||||||||||||||||||||||||||||||


