|
YWZ6、YWZF系列电力液压块式制动器 |
||||||||||||||||
|
使用条件: 1.环境温度:-25~+50℃。 2.相对湿度:≤90%。 3.电源:三相交流50(60)Hz。 4.电压等级:380(440)V 50Hz.460(440)V 60Hz。 5.适应的工作制:连续(S1)和断续(S3-60%,操作频率小于等于1200/h)工作制。 |
||||||||||||||||
|
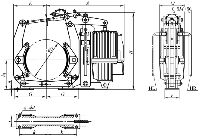
制动器型号 |
推动器型号 |
制动转矩 /N·m |
安装及外形尺寸/mm |
|
||||||||||||
|
D |
h1 |
k |
i |
d |
n |
b |
F |
G |
E |
H |
A |
M |
质量 /kg |
|||
|
YWZ6(F)-200/30 |
YTD(Ed)300-50 |
140~280 |
200 |
170 |
175 |
60 |
17 |
8 |
90 |
100 |
195 |
170 |
480 |
450 |
160 |
38 |
|
YWZ6(F)-300/30 |
YTD(Ed)300-50 |
160~320 |
300 |
240 |
250 |
80 |
22 |
10 |
140 |
130 |
275 |
252 |
630 |
570 |
160 |
68 |
|
YWZ6(F)-300/50 |
YTD(Ed)500-60 |
315~630 |
595 |
194 |
||||||||||||
|
YWZ6(F)-400/50 |
YTD(Ed)500-60 |
500~1000 |
400 |
320 |
325 |
130 |
22 |
12 |
180 |
180 |
350 |
305 |
750 |
655 |
194 |
108 |
|
YWZ6(F)-400/80 |
YTD(Ed)800-60 |
625~1250 |
110 |
|||||||||||||
|
YWZ6(F)-400/125 |
YTD(Ed)1250-60 |
1000~2000 |
820 |
700 |
240 |
120 |
||||||||||
|
YWZ6(F)-500/125 |
YTD(Ed)1250-60 |
1250~2500 |
500 |
400 |
380 |
150 |
22 |
16 |
200 |
200 |
405 |
370 |
925 |
770 |
240 |
208 |
|
YWZ6(F)-600/200 |
YTD(Ed)2000-120(60) |
2500~5000 |
600 |
475 |
475 |
170 |
26 |
18 |
240 |
220 |
500 |
460 |
1023 |
860 |
240 |
281 |
|
YWZ6(F)-700/200 |
YTD(Ed)2000-120(60) |
4000~8000 |
700 |
550 |
540 |
200 |
34 |
25 |
280 |
270 |
575 |
520 |
1120 |
935 |
240 |
470 |
|
YWZ6(F)-800/200 |
YTD(Ed)2000-120(60) |
5000~10000 |
800 |
600 |
620 |
240 |
34 |
25 |
320 |
310 |
655 |
598 |
1260 |
980 |
240 |
650 |
|
YWZ6(F)-800/300 |
YTD(Ed)3000-120(60) |
6300~12500 |
650 |
|||||||||||||
|
注:1.制动器符合JB/ZQ 4388—1997和JB 6406.2—1992标准,可取代YWZ系列老产品。Ed推动器符合DIN 15430标准。600以上规格制动器带WC功能时使用短行程推动器。 2.生产厂家为江西华伍起重电器有限公司。 |
||||||||||||||||

