|
YWZ2、YWZB系列电力液压块式制动器 |
||||||||||||||||||
|
使用条件: 1.环境温度:-25~+50℃。 2.相对湿度:<90%。 3.电源:三相交流50(60)Hz。 4.电压等级:380.440(440.460)V。 5.适应的工作制:连续(S1)和断续(S3-60%,操作频率<1200/h)工作制。 |
||||||||||||||||||
|
|
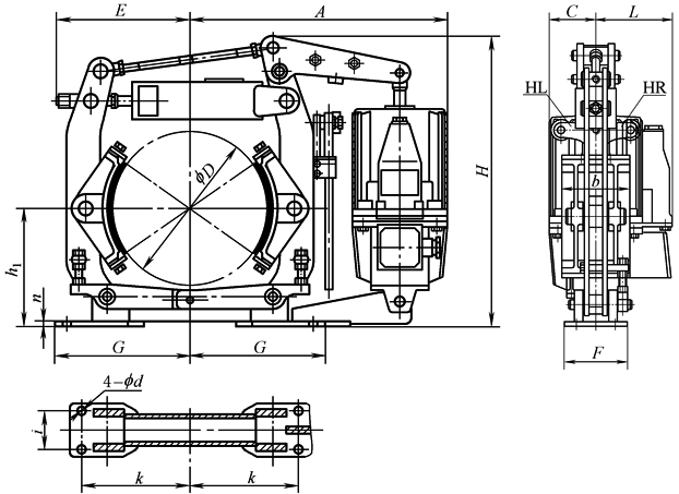
制动器型号 |
推动器型号 |
制动转矩 /N·m |
安装及外形尺寸/mm |
质量 /kg |
|||||||||||||
|
D |
h1 |
k |
i |
d |
n |
b |
F |
G |
E |
H |
A |
L |
C |
|||||
|
YWZ2 系列 |
YWZ2-100/10 |
MYT2-10/2.5 |
20~40 |
100 |
100 |
110 |
40 |
13 |
8 |
70 |
70 |
125 |
130 |
335 |
290 |
89 |
65 |
22 |
|
YWZ2-200/25 |
MYT2-25/4 |
100~200 |
200 |
170 |
175 |
60 |
17 |
8 |
90 |
100 |
195 |
170 |
470 |
420 |
117 |
80 |
33 |
|
|
YWZ2-300/25 |
MYT2-25/4 |
160~320 |
300 |
240 |
250 |
80 |
22 |
10 |
140 |
130 |
275 |
275 |
590 |
525 |
117 |
80 |
65 |
|
|
YWZ2-300/50 |
MYT2-50/6 |
315~630 |
580 |
157 |
97 |
86 |
||||||||||||
|
YWZ2-400/50 |
MYT2-50/6 |
500~1000 |
400 |
320 |
325 |
130 |
22 |
12 |
180 |
180 |
350 |
350 |
745 |
660 |
157 |
97 |
111 |
|
|
YWZ2-400/100 |
MYT2-100/6 |
800~1600 |
800 |
115 |
||||||||||||||
|
YWZ2-400/125 |
MYT2-125/6 |
1000~2000 |
810 |
620 |
148 |
112 |
133 |
|||||||||||
|
YWZ2-500/125 |
MYT2-125/10 |
1250~2500 |
500 |
400 |
380 |
150 |
22 |
16 |
200 |
200 |
405 |
410 |
915 |
730 |
148 |
112 |
212 |
|
|
YWZ2-600/200 |
MYT2-200/12 |
2500~5000 |
600 |
475 |
475 |
170 |
26 |
18 |
240 |
220 |
500 |
455 |
1070 |
840 |
148 |
112 |
309 |
|
|
YWZ2-700/200 |
MYT2-200/12 |
4000~8000 |
700 |
550 |
540 |
200 |
34 |
25 |
280 |
270 |
575 |
550 |
1255 |
960 |
148 |
112 |
430 |
|
|
YWZ2-800/200 |
MYT2-200/12 |
5000~10000 |
800 |
600 |
620 |
240 |
34 |
25 |
320 |
310 |
655 |
655 |
1370 |
930 |
148 |
112 |
590 |
|
|
YWZ2-800/300 |
MYT2-300/12 |
6300~12500 |
595 |
|||||||||||||||
|
YWZB 系列 |
YWZB-200/30 |
YTD300-50 |
100~200 |
200 |
170 |
175 |
60 |
17 |
8 |
90 |
100 |
195 |
170 |
470 |
420 |
117 |
80 |
33 |
|
YWZB-300/30 |
YTD300-50 |
160~320 |
300 |
240 |
250 |
80 |
22 |
10 |
140 |
130 |
275 |
275 |
590 |
525 |
117 |
80 |
65 |
|
|
YWZB-300/50 |
YTD500-60 |
315~630 |
580 |
157 |
97 |
86 |
||||||||||||
|
YWZB-400/50 |
YTD500-60 |
500~1000 |
400 |
320 |
325 |
130 |
22 |
12 |
180 |
180 |
350 |
350 |
745 |
660 |
157 |
97 |
111 |
|
|
YWZB-400/80 |
YTD800-60 |
800~1600 |
800 |
115 |
||||||||||||||
|
YWZB-400/125 |
YTD1250-60 |
1000~2000 |
810 |
620 |
148 |
112 |
133 |
|||||||||||
|
YWZB-500/125 |
YTD1250-60 |
1250~2500 |
500 |
400 |
380 |
150 |
22 |
16 |
200 |
200 |
405 |
410 |
915 |
730 |
148 |
112 |
212 |
|
|
YWZB-600/200 |
YTD2000-120 |
2500~5000 |
600 |
475 |
475 |
170 |
26 |
18 |
240 |
220 |
500 |
455 |
1070 |
840 |
148 |
112 |
309 |
|
|
YWZB-700/200 |
YTD2000-120 |
4000~8000 |
700 |
550 |
540 |
200 |
34 |
25 |
280 |
270 |
575 |
550 |
1255 |
960 |
148 |
112 |
430 |
|
|
YWZB-800/200 |
YTD2000-120 |
5000~10000 |
800 |
600 |
620 |
240 |
34 |
25 |
320 |
310 |
655 |
655 |
1370 |
930 |
148 |
112 |
590 |
|
|
YWZB-800/300 |
YTD3000-120 |
6300~12500 |
595 |
|||||||||||||||
|
注:1.制动器符合JB/ZQ 4388—1997和JB 6406.2—1992标准,可取代YWZ系列老产品;推动器符合DIN15430。 2.生产厂家为江西华伍起重电器有限公司。 |
||||||||||||||||||

