|
侧向分型抽芯注射成型模具 |
|
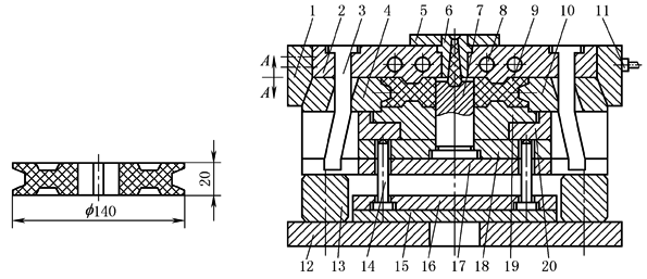
下图所示为线轮侧向分型抽芯注射成型模具。此模具采用环形浇口,为单分型面。在定模两侧都装有弯板机构,弯板3的斜度和两侧活动型芯滑块4及10的斜度一致。锁紧块1的斜度应大于弯板3的斜度。活动型芯滑块4和10与推料板20用T形槽配合 当塑料注射成型后,动模首先移动,然后定模板2上的弯板3迫使活动型芯滑块4及10向外移动。这时注射机推出系统推动推板15、推杆14、推料板20,塑件从型芯上脱出
线轮侧向分型抽芯注射成型模具 1—锁紧块;2—定模板;3—弯板;4,10—活动型芯滑块;5—定位块;6—浇口套;7—型芯; 8—冷却水道;9—塑件;11—水嘴;12—动模板;13—支块;14—推杆;15—推板; 16—推杆固定板;17—垫板;18—型芯固定板;19—型芯;20—推料板 |

