|
楔紧块的设计 |
||
|
楔紧 块的 设计 |
结 构 示 意 图 |
说 明 |
|
1. 楔 紧 块 的 形 式 |
|
注射成型过程中,侧型芯在抽芯方向受到熔体较大的推力作用,并通过滑块传递给斜导柱,而一般斜导柱为细长杆,受力后容易变形。因此,必须设置楔紧块,以压紧滑块,使滑块不致产生位移,从而保护斜导柱和保证滑块在成型时的位置精度。楔紧块的型式视滑块的受力大小、磨损情况及塑件精度要求而定。图示为常用楔紧块形式。图a所示为楔紧块与定模板制成整体,特点是材料耗量大,加工不便,磨损后修复困难,但牢固可靠,刚性好,适用于楔紧力要求很大的模具;图b所示为用螺钉、销钉固定形式,便于制造、装配和调整,适用于楔紧力不大的场合;图c所示为用T形槽固定并用销钉定位,能承受较大的侧向力,但加工不方便,尤其是装拆困难,所以不常用;图d所示为整体镶入式,刚性较好,修配方便,适用于模板尺寸较大的模具;图e与图f都是对楔紧块起加强作用的结构,适用于锁紧力较大的场合 |
|
2. 楔 紧 块 楔 角 |
|
要求楔紧块的楔角α' 必须大于斜导柱的斜角,这样,模具一开模,楔紧块就让开,否则斜导柱将无法带动滑块作抽芯动作。一般α' =α+(2°~3°) |
|
3. 抽 芯 时 的 干 涉 现 象 及 其 解 决 办 法 |
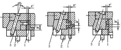
滑块与推杆干涉示意图 |
在一般注射成型中,推出塑件后,推杆复位通常采用复位杆(在合模时,复位杆先碰到定模,使推杆固定板复位)来完成。但在斜导柱抽芯结构中,侧型芯的水平投影面积与推杆相重合或推杆推出距离大于侧型芯的底面时,如果仍采用复位杆复位,则可能会产生图示的推杆与侧型芯互相干涉的现象。因为这种复位方式往往是滑块先于推杆复位,致使侧型芯与推杆损坏 判别出现干涉现象的准则是,当推杆端面到侧型芯最近距离(底面)h' 和tanα的乘积,小于侧型芯与推杆(或推管)间在水平方向的重合距离s',即h' tanα≤s' 时,就会产生干涉现象 当h' tanα>s' (一般大于0.5mm)时,则不会产生干涉。模具不允许发生干涉,因此,在模具结构允许的情况下,应尽量避免推杆位置与侧型芯的水平投影重合;或使推杆推出距离H小于侧型芯底面到推杆端面的距离h'。若模具结构不允许,推杆位置无法移开或推出距离H>h',则推杆的复位必须采用推杆先复位机构以消除干涉现象 |
|
推杆先于活动型芯复位示意图 1—推杆(推块);2—复位杆;3—滑块 |
||



