|
浇注系统的设计 |
|||||||||
|
(1)主流道的设计 主流道是熔融塑料进入模具型腔最先经过的部位,按主流道的轴线与分型面的关系分,浇注系统有直浇注系统和横浇注系统。在卧式和立式注射机中,主流道轴线垂直于分型面,属于直浇注系统,如图1a所示;在直角式注射机中,主流道轴线平行于分型面,属于横浇注系统,如图1b所示
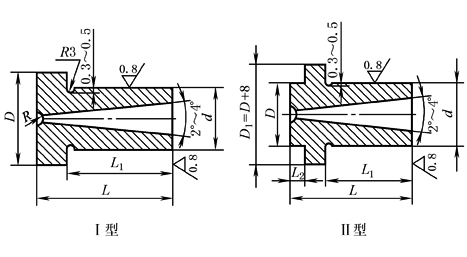
(a)卧式注射机的浇注系统 (b)直角式注射机的浇注系统 图1 浇注系统的组成 1—主流道;2—分流道;3—浇口;4—冷料穴 主流道一般位于模具中心线上,它与注射机喷嘴的轴线重合,以利于浇注系统的对称布置。主流道一般设计得比较粗大,以利于熔体顺利地向分流道流动,但不能太大,以避免造成塑料消耗增多。反之,主流道也不宜过小,以避免引起熔体流动阻力增大,压力损失加大,对充模不利。因此,主流道尺寸必须恰当。对于黏度大的塑料或尺寸较大的塑件,主流道截面尺寸应设计得大一些;对于黏度小的塑料或尺寸较小的塑件,主流道截面尺寸设计得小一些 直浇注系统主流道结构及尺寸参数见图2。主流道横截面通常采用圆形。为便于流道凝料的脱出,主流道设计成圆锥形,其锥度α=2°~6°,内壁粗糙度Ra小于0.4μm;小端直径d一般取4~8mm,且大于注射机喷嘴直径约0.5~1mm。主流道的长度L由定模座板的厚度确定,如前所述在能够实现成型的条件下尽量短,以减少压力损失和塑料耗量,通常L不能超过60mm 主流道大端与分流道相接处应有过渡圆角(通常r取1~3mm)以减少料流转向时的阻力。由于结构的需要主流道需穿过两块模板时,为防止在模板结合面处溢料造成主流道凝料脱出困难,应尽量采用浇口套。当不宜采用浇口套时,应在模板结合面处做出0.2~0.5mm阶梯,如图3所示 |
|||||||||
|
图2 主流道的形状 |
图3 穿过两块模块的主流道 |
||||||||
|
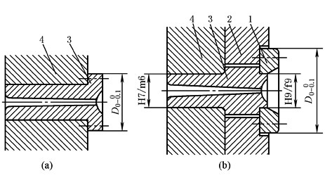
由于主流道需要与高温塑料和喷嘴频繁接触与相碰,设置主流道衬套是很有必要的,尤其是当主流道需要穿过几块模板时,否则在模板接触面可能溢料,致使主流道凝料难以取出。常用主流道衬套有Ⅰ型、Ⅱ型两种,如图4所示
图4 主流道衬套形式 为保证模具安装在注射机上后,其主流道与喷嘴对中,通常须采用定位环定位。对于小型注射模具,直接利用主流道衬套的台肩作为模具定位环;对于大中型模具,常常将模具的定位环与主流道衬套分开设计,如图5所示。定位环与注射机定位配合直径,设计时应按选用注射机的定位孔直径和考虑塑模的拆装方便进行确定 主流道衬套与定位环配合的结构形式如图6、图7所示,定位环直径D1与注射模上固定孔的配合直径,定位环的固定螺钉一般取M6~M8,螺钉通常选用2个以上
|
|||||||||
|
图5 主流道衬套与定位环 1—定位环;2—定位垫板;3—主流道衬套;4—定模板
图6 定位环压紧主流道衬套
图7 定位环与主流道衬套配合 主流道衬套与注射机喷嘴的配合见表注射机有关工艺参数的校核。应该注意的是主流道衬套常因受到型腔或分流道塑料的反压力而脱出,因而衬套与定模座板连接必须可靠,反压力过大时,可设计成图7d所示的结构。 (2)分流道的设计 小型塑件的单型腔模不设分流道,而塑件尺寸较大采用多浇口进料或多型腔模时,需设分流道。分流道应使熔体较快地充满整个型腔,流动阻力小,流动过程中温降尽可能低,同时应能将塑料熔体均衡地分配到各个型腔。 1)分流道截面形状和尺寸。常见的分流道的截面形状和尺寸如下表1所示。根据流体力学和传热学原理可知,在同等的过流横截面面积A的条件下,横截面为正方形的流动阻力最大,传热最快,热量损失最大,因此对热塑性塑料注射模而言,不宜采用正方形的分流道。而圆形横截面流动阻力最小,热量损失最小,熔体降温也最慢,因而,对热塑性塑料注射模而言,分流道截面形状宜采用圆形。但就加工来说,圆截面需要同时在动模和定模上开设半圆截面,要使两者完全吻合,制造较困难。梯形截面、U形截面的分流道,加工容易,且热量散失和流动阻力也不大。半圆形和矩形截面的分流道比表面积较大,较少采用。究竟采用哪一种横截面的分流道,既要考虑各种塑料注射成型的需要,又要考虑制造难易程度。从传热面积考虑,热固性塑料注射模宜用矩形截面分流道,而热塑性塑料宜用圆形截面分流道。从压力损失考虑,圆形截面分流道最好,从加工方便考虑,宜采用梯形、矩形截面分流道。 表1 分流道截面形状和尺寸 |
|||||||||
|
图形截面 |
分流道截面特点 |
图形截面 |
分流道截面特点 |
||||||
|
Smax——塑件最大壁厚 |
优点:表面积/体积比最小,冷却速度最低,热量及摩擦损失小。进料流道中心冷凝慢,有利于保压 缺点:同时在两半模上加工圆形凹槽,难度大,费用高 |
|
可用来替代抛物线截面 缺点:比抛物线截面流道的热损失及冷凝料都多 |
||||||
|
|
优点:截面近似于圆弧,在单边加工较容易(由于推出的原因,通常放在动模上) 缺点:与圆形截面流道相比,热损失大,冷凝料多 |
|
表面积/体积比较大,一般不常用 |
||||||
|
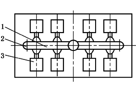
2)分流道的布置。分流道的布置形式,取决于型腔的布局,其遵循的原则应是:排列紧凑,能缩小模板尺寸,减少流程,力求锁模力平衡。在多型腔注射模具中,要求由各型腔成型的制品表面质量和内部性能差异小,这就必须保证各型腔在成型塑件时工艺条件相同。为此,分流道的布置形式应能达到如下要求:从主流道来的熔体能均衡到达各浇口并同时充满各型腔。型腔与分流道的排列有平衡式和非平衡式两种。 平衡式布置如表2所示。主要特征是:分流道的长度、截面形状和尺寸都相同,各个型腔同时均衡进料,同时充满型腔。显然,对成型同一种塑件的多型腔模,分流道以平衡式为佳。 非平衡式布置如表3所示。主要特征是:分流道截面形状和尺寸相同,但分流道长度不同,成型过程中充满型腔有先后,难以实现均衡进料。当然,也可以通过调节各浇口的截面尺寸来实现均衡进料,但这种方法比较麻烦,需要多次试模和修整才能实现,故不适用模塑精度较高的塑件。非平衡式布局的分流道的优点是能缩短分流道的长度。 3)分流道设计基本要点 ①在保证正常的注射成型工艺条件下,分流道与型腔排列要紧凑,以减小模具尺寸和缩短流程,使熔体到达浇口时,温度和压力降低最少 |
|||||||||
|
表2 分流道平衡式布置形式 |
|||||||||
|
分型面为圆形时的环形排列 |
分型面为矩形时的排列 |
||||||||
|
布局简单,加工方便,但只能布置有限的型腔 |
好于图a形式,分浇道末端有冷料穴 |
与图a、b形式不同之处在于同样型腔数目时流道冷料少 |
与环形排列相比,在同样型腔数目时,模板尺寸可减小。但流道转弯较多,压力损失大,加工也较困难,同时冷料多 |
||||||
|
表3 分流道非平衡布置形式 |
|||||||||
|
|
|
||||||||
|
② 较长的分流道应该在末端开设冷料穴(图8),其作用是,容纳注射开始时产生的冷料和空气,以避免其进入模具型腔内,开设冷料穴形式,如图8所示 ③ 在多型腔注射模具中,设计分流道应能保证各型腔均衡进料,为此,同一模具成型同一塑件时,各分流道截面积和长度应相等;当同一模具成型不同塑件时,应调整各分流道的截面积和长度,使之与塑件相适应,以保证各型腔成型条件相同 ④ 分流道表面粗糙度Ra一般为1.6μm。实践经验证明,流道内料流的外层流速较低,容易冷却而形成固定表皮层,有利于流道保温(相当于外层塑料起绝热层作用) ⑤ 分流道可开设在动模或定模上,也可以在动模和定模上同时开设,这主要根据塑料特性、加工性和模具结构确定。当分流道开设在定模一侧,并浇口处延伸很长时,要加设分流道拉杆,便于开模时冷料脱模 ⑥ 在考虑型腔与分流道布置时,最好使塑件和流道在分型面上总投影面积的几何中心和锁模力的中心相重合。这对于锁模的可靠性和锁模机构受力的均匀性都有利,而且还可以防止发生溢料现象。图9中,图a流道布置不合理,图b流道布置合理 |
|||||||||
|
图8 分流道的冷料穴 1—分流道;2—冷料穴;3—塑件 |
图9 分流道布置形式与锁模力的关系 |
||||||||



















