|
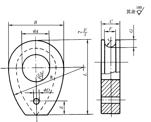
钢丝绳用重型套环(GB/T 5974.2—2006) |
||||||||||||||||||||
|
|
标记示例: 规格为16(钢丝绳公称直径d>14~16mm),由可锻铸铁制成的重型套环,标记为: 套环GB/T 5974.2—16KTH |
|||||||||||||||||||
|
套环规格 (钢丝绳 公称直径) d/mm |
尺 寸 /mm |
单件 质量 /kg |
材 料 |
|||||||||||||||||
|
F |
C |
A |
B |
L |
R |
G min |
D |
E |
可锻 铸铁 |
球墨 铸铁 |
铸钢 |
|||||||||
|
基本 尺寸 |
极限 偏差 |
基本 尺寸 |
极限 偏差 |
基本 尺寸 |
极限 偏差 |
基本 尺寸 |
极限 偏差 |
基本 尺寸 |
极限 偏差 |
|||||||||||
|
不低于 |
||||||||||||||||||||
|
8 |
8.9±0.3 |
14.0 |
|
20 |
+0.149 +0.065 |
40 |
±2 |
56 |
±3 |
59 |
+3 0 |
6.0 |
5 |
20 |
0.08 |
KTH 370-12 |
— |
— |
||
|
10 |
11.2±0.3 |
17.5 |
25 |
50 |
70 |
74 |
7.5 |
0.17 |
||||||||||||
|
12 |
13.4±0.4 |
21.0 |
30 |
60 |
84 |
89 |
9.0 |
0.32 |
||||||||||||
|
14 |
15.6±0.5 |
24.5 |
35 |
+0.180 +0.080 |
70 |
98 |
104 |
10.5 |
0.50 |
|||||||||||
|
16 |
17.8±0.6 |
28.0 |
|
40 |
80 |
±4 |
112 |
±6 |
118 |
+6 0 |
12.0 |
0.78 |
||||||||
|
18 |
20.1±0.6 |
31.5 |
45 |
90 |
126 |
133 |
13.5 |
1.14 |
||||||||||||
|
20 |
22.3±0.7 |
35.0 |
50 |
100 |
140 |
148 |
15.0 |
10 |
30 |
1.41 |
||||||||||
|
22 |
24.5±0.8 |
38.5 |
55 |
+0.220 +0.100 |
110 |
154 |
163 |
16.5 |
1.96 |
|||||||||||
|
24 |
26.7±0.9 |
42.0 |
|
60 |
120 |
±6 |
168 |
±9 |
178 |
+9 0 |
18.0 |
2.41 |
||||||||
|
26 |
29.0±0.9 |
45.5 |
65 |
130 |
182 |
193 |
19.5 |
3.46 |
||||||||||||
|
28 |
31.2±1.0 |
49.0 |
70 |
140 |
196 |
207 |
21.0 |
4.30 |
||||||||||||
|
32 |
35.6±1.2 |
56.0 |
80 |
160 |
224 |
237 |
24.0 |
6.46 |
||||||||||||
|
36 |
40.1±1.3 |
63.0 |
|
90 |
+0.260 +0.120 |
180 |
±9 |
252 |
±13 |
267 |
+13 0 |
27.0 |
9.77 |
— |
QT 450-10 |
ZG 270-500 |
||||
|
40 |
44.5±1.5 |
70.0 |
100 |
200 |
280 |
296 |
30.0 |
12.94 |
||||||||||||
|
44 |
49.0±1.6 |
77.0 |
110 |
220 |
308 |
326 |
33.0 |
15 |
45 |
17.02 |
||||||||||
|
48 |
53.4±1.8 |
84.0 |
120 |
240 |
336 |
356 |
36.0 |
22.75 |
||||||||||||
|
52 |
57.9±1.9 |
91.0 |
|
130 |
+0.305 +0.145 |
260 |
±13 |
364 |
±18 |
385 |
+19 0 |
39.0 |
28.41 |
|||||||
|
56 |
62.3±2.1 |
98.0 |
140 |
280 |
392 |
415 |
42.0 |
35.56 |
||||||||||||
|
60 |
66.8±2.2 |
105.0 |
150 |
300 |
420 |
445 |
45.0 |
48.35 |
||||||||||||
|
注:1.适用于GB 8918—2006、GB/T 20118—2006中规定的圆股钢丝绳。 2.套环的最大承载能力应不低于公称抗拉强度为1870MPa圆股钢丝绳的最小破断拉力。 |
||||||||||||||||||||
|
||||||||||||||||||||

