|
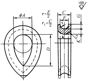
钢丝绳用普通套环(GB/T 5974.1—2006) |
|||||||||||
|
|
推荐材料:Q235-B,15,35;抗拉强度不低于375~530N/mm2,伸长率不小于20% 标记示例: 规格为16mm(钢丝绳公称直径d>14~16mm)的普通套环,标记为: 套环 GB/T 5974.1—16 |
||||||||||
|
套环规格 (钢丝绳 公称直径) d/mm |
尺 寸 /mm |
单件质量 /kg |
|||||||||
|
F |
C |
A |
D |
G min |
K |
||||||
|
基本 尺寸 |
极限 偏差 |
基本 尺寸 |
极限 偏差 |
基本 尺寸 |
极限 偏差 |
基本 尺寸 |
极限 偏差 |
||||
|
6 |
6.7±0.2 |
10.5 |
0 -1.0 |
15 |
+1.5 0 |
27 |
+2.7 0 |
3.3 |
4.2 |
0 -0.1 |
0.032 |
|
8 10 12 14 |
8.9±0.3 11.2±0.3 13.4±0.4 15.6±0.5 |
14.0 17.5 21.0 24.5 |
0 -1.4 |
20 25 30 35 |
+2.0 0 |
36 45 54 63 |
+3.6 0 |
4.4 5.5 6.6 7.7 |
5.6 7.0 8.4 9.8 |
0 -0.2 |
0.075 0.150 0.250 0.393 |
|
16 18 20 22 |
17.8±0.6 20.1±0.6 22.3±0.7 24.5±0.8 |
28.0 31.5 35.0 38.5 |
0 -2.8 |
40 45 50 55 |
+4.0 0 |
72 81 90 99 |
+7.2 0 |
8.8 9.9 11.0 12.1 |
11.2 12.6 14.0 15.4 |
0 -0.4 |
0.605 0.867 1.205 1.563 |
|
24 26 28 32 |
26.7±0.9 29.0±0.9 31.2±1.0 35.6±1.2 |
42.0 45.5 49.0 56.0 |
0 -3.4 |
60 65 70 80 |
+4.8 0 |
108 117 126 144 |
+8.6 0 |
13.2 14.3 15.4 17.6 |
16.8 18.2 19.6 22.4 |
0 -0.6 |
2.045 2.620 3.290 4.854 |
|
36 40 44 48 |
40.1±1.3 44.5±1.5 49.0±1.6 53.4±1.8 |
63.0 70.0 77.0 84.0 |
0 -4.4 |
90 100 110 120 |
+6.0 0 |
162 180 198 216 |
+11.3 0 |
19.8 22.0 24.2 26.4 |
25.2 28.0 30.8 33.6 |
0 -0.8 |
6.972 9.624 12.808 16.595 |
|
52 56 60 |
57.9±1.9 62.3±2.1 66.8±2.2 |
91.0 98.0 105.0 |
0 -5.5 |
130 140 150 |
+7.8 0 |
234 252 270 |
+14.0 0 |
28.6 30.8 33.0 |
36.4 39.2 42.0 |
0 -1.1 |
20.945 26.310 31.396 |
|
注:1.适用于GB 8918—2006、GB/T 20118—2006规定的圆股钢丝绳。 2.套环的最大承载能力应不低于公称抗拉强度为1770MPa的圆股钢丝绳最小破断拉力的32%。 3.套环所采用的销轴直径不得小于钢丝绳直径的2倍。 |
|||||||||||

