|
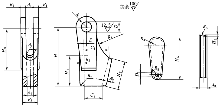
钢丝绳用楔形接头(GB/T 5973—2006) |
|||||||||||||||||||||||||||||
|
材料:楔套 不低于ZG270-500 楔 不低于HT200 标记示例 规格为20mm(钢丝绳公称直径d>18~20mm)的楔形接头,标记为:楔形接头 GB/T 5973—20; 楔套,标记为:楔套 GB/T 5973—20;楔,标记为:楔 GB/T 5973—20 |
|||||||||||||||||||||||||||||
|
规格(钢丝绳 公称直径d) /mm |
适用钢丝绳 公称直径 d/mm |
楔 套 /mm |
|||||||||||||||||||||||||||
|
A1 |
A2 |
B |
B1 |
B2 |
B3 |
C1 |
D (H10) |
||||||||||||||||||||||
|
基本 尺寸 |
极限 偏差 |
基本 尺寸 |
极限 偏差 |
基本 尺寸 |
极限 偏差 |
||||||||||||||||||||||||
|
6 |
6 |
13 |
+1.0 0 |
11 |
+1.0 0 |
29 |
8 |
7 |
25 |
30 |
+1.0 0 |
16 |
|||||||||||||||||
|
8 |
>6~8 |
15 |
13 |
31 |
8 |
7 |
27 |
39 |
18 |
||||||||||||||||||||
|
10 |
>8~10 |
18 |
16 |
38 |
10 |
8 |
30 |
49 |
20 |
||||||||||||||||||||
|
12 |
>10~12 |
20 |
18 |
44 |
12 |
10 |
36 |
58 |
25 |
||||||||||||||||||||
|
14 |
>12~14 |
23 |
21 |
51 |
14 |
13 |
41 |
69 |
30 |
||||||||||||||||||||
|
16 |
>14~16 |
26 |
+1.5 0 |
24 |
+1.5 0 |
60 |
17 |
15 |
48 |
77 |
+1.5 0 |
34 |
|||||||||||||||||
|
18 |
>16~18 |
28 |
26 |
64 |
18 |
17 |
52 |
87 |
36 |
||||||||||||||||||||
|
20 |
>18~20 |
30 |
28 |
72 |
21 |
18 |
58 |
93 |
38 |
||||||||||||||||||||
|
22 |
>20~22 |
32 |
29 |
76 |
22 |
22 |
64 |
104 |
40 |
||||||||||||||||||||
|
24 |
>22~24 |
35 |
32 |
83 |
24 |
24 |
71 |
112 |
50 |
||||||||||||||||||||
|
26 |
>24~26 |
38 |
35 |
92 |
27 |
25 |
76 |
120 |
55 |
||||||||||||||||||||
|
28 |
>26~28 |
40 |
36 |
94 |
27 |
25 |
78 |
119 |
55 |
||||||||||||||||||||
|
32 |
>28~32 |
44 |
+2.0 0 |
40 |
+2.0 0 |
110 |
33 |
27 |
84 |
146 |
+2.0 0 |
65 |
|||||||||||||||||
|
36 |
>32~36 |
48 |
44 |
122 |
37 |
32 |
96 |
166 |
70 |
||||||||||||||||||||
|
40 |
>36~40 |
55 |
51 |
145 |
45 |
32 |
103 |
184 |
75 |
||||||||||||||||||||
|
规格(钢丝绳 公称直径d) /mm |
适用钢丝绳 公称直径 d/mm |
楔 套 /mm |
|||||||||||||||||||||||||||
|
C2 |
E |
H |
H1 |
H2 |
H3 |
R |
R1 |
R2 |
单件 质量 /kg |
||||||||||||||||||||
|
基本 尺寸 |
极限 偏差 |
||||||||||||||||||||||||||||
|
6 |
6 |
20.5 |
+1.0 0 |
3.0 |
105 |
45 |
43.0 |
60 |
16 |
40 |
2 |
0.452 |
|||||||||||||||||
|
8 |
>6~8 |
27.0 |
3.5 |
125 |
55 |
51.0 |
80 |
25 |
50 |
2 |
0.623 |
||||||||||||||||||
|
10 |
>8~10 |
32.5 |
4.5 |
150 |
75 |
71.0 |
100 |
25 |
60 |
3 |
0.802 |
||||||||||||||||||
|
12 |
>10~12 |
40.5 |
5.5 |
180 |
80 |
75.0 |
110 |
30 |
70 |
3 |
1.309 |
||||||||||||||||||
|
14 |
>12~14 |
50.5 |
6.5 |
185 |
85 |
79.0 |
140 |
35 |
80 |
3 |
1.708 |
||||||||||||||||||
|
16 |
>14~16 |
56.5 |
+1.5 0 |
7.5 |
195 |
95 |
88.0 |
140 |
42 |
90 |
4 |
2.379 |
|||||||||||||||||
|
18 |
>16~18 |
65.5 |
8.5 |
195 |
100 |
92.0 |
150 |
44 |
100 |
4 |
2.948 |
||||||||||||||||||
|
20 |
>18~20 |
68.0 |
9.5 |
220 |
115 |
107.0 |
160 |
50 |
110 |
4 |
3.939 |
||||||||||||||||||
|
22 |
>20~22 |
80.0 |
10.5 |
240 |
115 |
107.0 |
180 |
52 |
120 |
5 |
4.571 |
||||||||||||||||||
|
24 |
>22~24 |
86.5 |
11.5 |
260 |
120 |
109.0 |
200 |
60 |
130 |
5 |
5.928 |
||||||||||||||||||
|
26 |
>24~26 |
92.5 |
12.5 |
280 |
130 |
118.0 |
210 |
65 |
140 |
6 |
7.153 |
||||||||||||||||||
|
28 |
>26~28 |
83.0 |
13.5 |
305 |
165 |
154.0 |
230 |
70 |
155 |
6 |
9.906 |
||||||||||||||||||
|
32 |
>28~32 |
104.0 |
+2.0 0 |
15.0 |
360 |
190 |
180.0 |
270 |
77 |
175 |
7 |
12.948 |
|||||||||||||||||
|
36 |
>32~36 |
120.5 |
17.0 |
390 |
210 |
195.0 |
280 |
85 |
195 |
7 |
16.848 |
||||||||||||||||||
|
40 |
>36~40 |
125.5 |
19.0 |
470 |
260 |
246.0 |
340 |
90 |
210 |
8 |
23.665 |
||||||||||||||||||
|
规格(钢丝绳 公称直径d) /mm |
适用钢丝绳 公称直径 d/mm |
楔 /mm |
断裂载荷 /kN |
许用载荷 /kN |
组件质量 /kg |
||||||||||||||||||||||||
|
A3 |
H4 |
H5 |
R4 |
R5 |
R6 |
D1 |
单件质量/kg |
||||||||||||||||||||||
|
6 |
6 |
9 |
2 |
65 |
12 |
6.5 |
3.5 |
2 |
0.133 |
12 |
4 |
0.59 |
|||||||||||||||||
|
8 |
>6~8 |
11 |
79 |
15 |
8.0 |
4.5 |
0.179 |
21 |
7 |
0.80 |
|||||||||||||||||||
|
10 |
>8~10 |
12 |
3 |
98 |
18 |
9.5 |
5.5 |
0.242 |
32 |
11 |
1.04 |
||||||||||||||||||
|
12 |
>10~12 |
14 |
111 |
21 |
11.5 |
6.5 |
0.421 |
48 |
16 |
1.73 |
|||||||||||||||||||
|
14 |
>12~14 |
15 |
4 |
120 |
24 |
14.0 |
7.5 |
3.2 |
0.632 |
66 |
22 |
2.34 |
|||||||||||||||||
|
16 |
>14~16 |
17 |
136 |
26 |
14.5 |
9.0 |
0.889 |
85 |
28 |
3.27 |
|||||||||||||||||||
|
18 |
>16~18 |
19 |
5 |
142 |
30 |
18.5 |
10.0 |
1.045 |
108 |
36 |
4.00 |
||||||||||||||||||
|
20 |
>18~20 |
21 |
161 |
31 |
17.0 |
11.0 |
1.513 |
135 |
45 |
5.45 |
|||||||||||||||||||
|
22 |
>20~22 |
23 |
166 |
35 |
22.0 |
12.0 |
4 |
1.794 |
168 |
56 |
6.37 |
||||||||||||||||||
|
24 |
>22~24 |
25 |
6 |
180 |
37 |
22.0 |
13.0 |
2.387 |
190 |
63 |
8.32 |
||||||||||||||||||
|
26 |
>24~26 |
28 |
192 |
39 |
23.0 |
14.0 |
3.011 |
215 |
75 |
10.16 |
|||||||||||||||||||
|
28 |
>26~28 |
30 |
7 |
229 |
42 |
21.5 |
15.0 |
4.064 |
270 |
90 |
13.97 |
||||||||||||||||||
|
32 |
>28~32 |
34 |
259 |
47 |
24.5 |
17.5 |
5 |
4.992 |
336 |
112 |
17.94 |
||||||||||||||||||
|
36 |
>32~36 |
38 |
8 |
286 |
54 |
29.5 |
19.5 |
6.178 |
450 |
150 |
23.03 |
||||||||||||||||||
|
40 |
>36~40 |
42 |
341 |
58 |
26.5 |
21.5 |
8.689 |
540 |
180 |
32.35 |
|||||||||||||||||||
|
注:1.本标准适用于各类起重机上使用的符合GB 8918—2006、GB/T 20118—2006的圆股钢丝绳的绳端固定或连接。 2.表中许用载荷和断裂载荷是楔套材料采用GB/T 11352—1989中规定的ZG270-500铸钢件、楔的材料采用GB/T 9439—1988中规定的HT200灰铸铁件确定的。 3.楔形接头与钢丝绳的连接方法如表头图所示。 |
|||||||||||||||||||||||||||||


