|
链条及附件(GB/T 5269—2008) |
|||||||||||||||||||
|
表1 链条主要尺寸、测量力和抗拉载荷 |
|||||||||||||||||||
|
链号① |
节距
p |
滚子直 径(小) d1 max |
滚子直 径(大) d7 max |
内链节 内宽 b1 min |
销轴 直径 d2 max |
套筒 内径 d3 min |
链条通 道高度 h1 min |
链板 高度 h2 max |
过渡 链节 l1 min |
内链节 外宽 b2 max |
外链节 内宽 b3 min |
销轴 全宽 b4 max |
止锁件附 加宽度② b7 max |
测 量 力 |
抗拉 强度 min |
||||
|
mm |
N |
kN |
|||||||||||||||||
|
C208A |
25.4 |
7.92 |
15.88 |
7.85 |
3.98 |
4 |
12.33 |
12.07 |
6.9 |
11.17 |
11.31 |
17.8 |
3.9 |
120 |
13.9 |
||||
|
C208B |
25.4 |
8.51 |
15.88 |
7.75 |
4.45 |
4.5 |
12.07 |
11.81 |
6.9 |
11.3 |
11.43 |
17 |
3.9 |
120 |
17.8 |
||||
|
C210A |
31.75 |
10.16 |
19.05 |
9.4 |
5.09 |
5.12 |
15.35 |
15.09 |
8.4 |
13.84 |
13.97 |
21.8 |
4.1 |
200 |
21.8 |
||||
|
C210B |
31.75 |
10.16 |
19.05 |
9.65 |
5.08 |
5.13 |
14.99 |
14.73 |
8.4 |
13.28 |
13.41 |
19.6 |
4.1 |
200 |
22.2 |
||||
|
C212A |
38.1 |
11.91 |
22.23 |
12.57 |
5.96 |
5.98 |
18.34 |
18.10 |
9.9 |
17.75 |
17.88 |
26.9 |
4.6 |
280 |
31.3 |
||||
|
C212A-H |
38.1 |
11.91 |
22.23 |
12.57 |
5.96 |
5.98 |
18.34 |
18.10 |
9.9 |
19.43 |
19.56 |
30.2 |
4.6 |
280 |
31.3 |
||||
|
C212B |
38.1 |
12.07 |
22.23 |
11.68 |
5.72 |
5.77 |
16.39 |
16.13 |
9.9 |
15.62 |
15.75 |
22.7 |
4.6 |
280 |
28.9 |
||||
|
C216A |
50.8 |
15.88 |
28.58 |
15.75 |
7.94 |
7.96 |
24.39 |
24.13 |
13 |
22.60 |
22.74 |
33.5 |
5.4 |
500 |
55.6 |
||||
|
C216A-H |
50.8 |
15.88 |
28.58 |
15.75 |
7.94 |
7.96 |
24.39 |
24.13 |
13 |
24.28 |
24.41 |
37.4 |
5.4 |
500 |
55.6 |
||||
|
C216B |
50.8 |
15.88 |
28.58 |
17.02 |
8.28 |
8.33 |
21.34 |
21.08 |
13 |
25.45 |
25.58 |
36.1 |
5.4 |
500 |
60 |
||||
|
C220A |
63.5 |
19.05 |
39.67 |
18.9 |
9.54 |
9.56 |
30.48 |
30.17 |
16 |
27.46 |
27.59 |
41.1 |
6.1 |
780 |
87 |
||||
|
C220A-H |
63.5 |
19.05 |
39.67 |
18.9 |
9.54 |
9.56 |
30.48 |
30.17 |
16 |
29.11 |
29.24 |
44.5 |
6.1 |
780 |
87 |
||||
|
C220B |
63.5 |
19.05 |
39.67 |
19.56 |
10.19 |
10.24 |
26.68 |
26.42 |
16 |
29.01 |
29.14 |
43.2 |
6.1 |
780 |
95 |
||||
|
C224A |
76.2 |
22.23 |
44.45 |
25.22 |
11.11 |
11.14 |
36.55 |
36.2 |
19.1 |
35.45 |
35.59 |
50.8 |
6.6 |
1110 |
125 |
||||
|
C244A-H |
76.2 |
22.23 |
44.45 |
25.22 |
11.11 |
11.14 |
36.55 |
36.2 |
19.1 |
37.18 |
37.31 |
55.0 |
6.6 |
1110 |
125 |
||||
|
C224B |
76.2 |
25.4 |
44.45 |
25.4 |
14.63 |
14.68 |
33.73 |
33.4 |
19.1 |
37.92 |
38.05 |
53.4 |
6.6 |
1110 |
160 |
||||
|
C232A-H |
101.6 |
28.58 |
57.15 |
31.55 |
14.29 |
14.31 |
48.63 |
48.26 |
25.2 |
46.88 |
47.02 |
69.4 |
7.9 |
2000 |
222.4 |
||||
|
① 链号字头 C 表示输送链,并根据情况加字尾 S (小滚子链)或者加 L(大滚子链),字尾加 H 表示为重载链条。 ② 实际尺寸取决于止锁件的型式,但不得超过所给尺寸。详细资料应向制造厂索取。 注:大滚子链除了滚子直径之外,其余尺寸与传动链中相应值相同。通常,输送链(包括大滚子链)的链板为直边链板(无腰部)。 |
|||||||||||||||||||
|
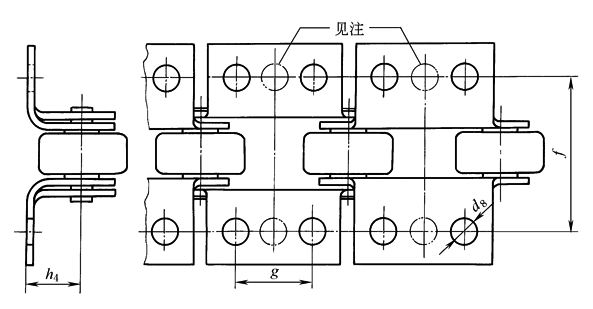
K型附件 K型附件板的实际形状由制造厂确定,但通常附件为整体式结构,即用加大的链板弯出平台,如下图所示 附件板的长度也由制造厂确定,但尺寸应足可容纳K2附件的两孔,并且工作时不能与相邻链节发生干涉。K1型和K2型附件一般采用相同长度
注:K1型附件板只有中间一个孔,K2型附件板则对中有两个孔,其余相同 表2 K型附件板尺寸 mm |
|||||||||||||||||||
|
链 号① |
平台高度 h4 ±0.4 |
横向孔中心距 f ±0.5 |
孔径 d8 min |
纵向孔中心距 g ±0.2 |
|||||||||||||||
|
C208A C208B |
9.1 9.1 |
25.4 25.4 |
3.3 4.3 |
9.5 12.7 |
|||||||||||||||
|
C210A C210B |
11.1 11.1 |
31.8 31.8 |
5.1 5.3 |
11.9 15.9 |
|||||||||||||||
|
C212A C212A-H C212B |
14.7 14.7 14.7 |
42.9 42.9 38.1 |
5.1 5.1 6.4 |
14.3 14.3 19.1 |
|||||||||||||||
|
C216A C216A-H C216B |
19.1 19.1 19.1 |
55.6 55.6 50.8 |
6.6 6.6 6.4 |
19.1 19.1 25.4 |
|||||||||||||||
|
C220A C220A-H C220B |
23.4 23.4 23.4 |
66.6 66.6 63.5 |
8.2 8.2 8.4 |
23.8 23.8 31.8 |
|||||||||||||||
|
C224A C224A-H C224B |
27.8 27.8 27.8 |
79.3 79.3 76.2 |
9.8 9.8 10.5 |
28.6 28.6 38.1 |
|||||||||||||||
|
C232A-H |
36.5 |
104.7 |
13.1 |
38.1 |
|||||||||||||||
|
① 链号后缀 H 表示为重载或高强度链条。 |
|||||||||||||||||||


