|
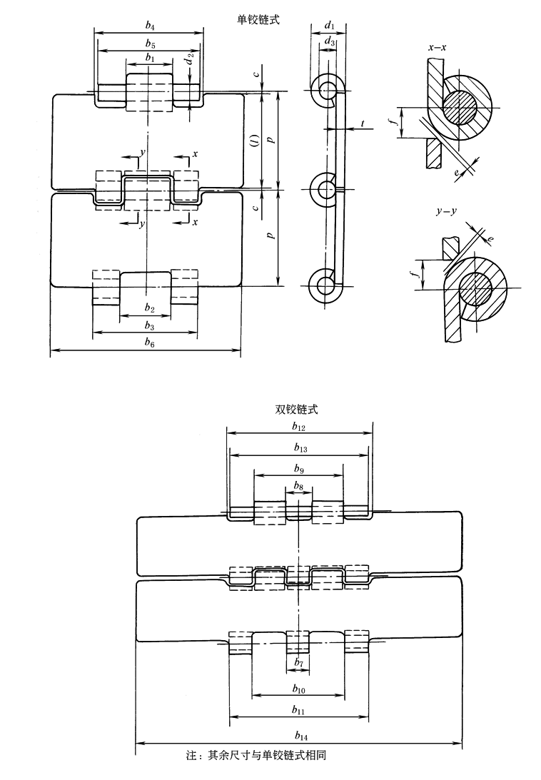
输送用平顶链(GB/T 4140—2003) |
||||||||||||||||||||||
|
标准输送用平顶链基本参数
标记示例: 节距38.10mm,链板宽度公称尺寸190.50mm,100节的单铰链式平顶链,标记为: C30S×100 GB/T 4140—2003 mm |
||||||||||||||||||||||
|
型式 |
链号 |
节距 |
铰卷 外径 |
销轴 直径 |
活动铰 卷孔径 |
链板 厚度 |
活动铰 卷宽度 |
固定铰 卷内宽 |
固定铰 卷外宽 |
链板凹 槽总宽 |
销轴 长度 |
链板 长度 |
||||||||||
|
p |
d1 |
d2 |
d3 |
t |
b1 |
b2 |
b3 |
b4,b12 |
b5,b13 |
b6,b14 |
||||||||||||
|
|
max |
min |
max |
min |
max |
min |
max |
max |
||||||||||||||
|
单铰链 |
C12S C13S C14S C16S C18S C24S C30S |
38.10 |
13.13 |
6.38 |
6.40 |
3.35 |
20.00 |
20.10 |
42.05 |
42.10 |
42.60 |
77.20 83.60 89.90 102.60 115.30 153.40 191.50 |
||||||||||
|
双铰链 |
C30D |
38.10 |
13.13 |
6.38 |
6.40 |
3.35 |
— |
— |
— |
80.60 |
81.00 |
191.50 |
||||||||||
|
型式 |
链号 |
链板 宽度 |
中央固 定铰卷 宽度 |
活动 铰卷 间宽 |
活动 铰卷 跨宽 |
外侧固 定铰卷 间宽 |
外侧固 定铰卷 跨宽 |
链板 长度 |
铰卷轴心 线与链板 外缘间距 |
铰链间隙 |
测量 载荷 |
抗拉 强度 Q |
||||||||||
|
b6,b14 |
b7 |
b8 |
b9 |
b10 |
b11 |
(l) |
c |
e |
f |
/N |
||||||||||||
|
公称尺寸 |
max |
min |
max |
min |
max |
|
min |
|
min |
|||||||||||||
|
单铰链 |
C12S |
76.20 |
— |
— |
— |
— |
— |
37.28 |
0.41 |
0.41 |
5.90 |
碳 钢 |
||||||||||
|
C13S |
82.60 |
|
|
|||||||||||||||||||
|
C14S |
88.90 |
200 |
10000 |
|||||||||||||||||||
|
C16S |
101.60 |
一级耐蚀钢 |
||||||||||||||||||||
|
C18S |
114.39 |
160 |
8000 |
|||||||||||||||||||
|
C24S |
152.40 |
二级耐蚀钢 |
||||||||||||||||||||
|
C30S |
190.50 |
120 |
6250 |
|||||||||||||||||||
|
双铰链 |
C30D |
190.50 |
13.50 |
13.70 |
53.50 |
53.60 |
80.50 |
37.28 |
0.41 |
0.14 |
5.90 |
碳 钢 |
||||||||||
|
400 |
20000 |
|||||||||||||||||||||
|
一级耐蚀钢 |
||||||||||||||||||||||
|
320 |
16000 |
|||||||||||||||||||||
|
二级耐蚀钢 |
||||||||||||||||||||||
|
250 |
12500 |
|||||||||||||||||||||
|
注:1.平顶链链号中C后面的数字是表示链板宽度的代号,它乘以25.4/4mm等于链板宽度的公称尺寸。字母S表示单铰链,D表示双铰链。 2.节距p是一个理论计算尺寸,不适用于检验链节的尺寸。 3.链板长(l)为参考值。 4.一级耐蚀钢和二级耐蚀钢的划分,仅与耐蚀钢相应的抗拉强度有关,有关钢的耐腐蚀性能详情,请向制造厂咨询。 |
||||||||||||||||||||||

