|
铸造吊耳 mm |
||||||||||||
|
A型铸造钩形吊耳
材料:ZG 270-500、HT200 |
序 号 |
1 |
2 |
3 |
4 |
5 |
6 |
7 |
8 |
9 |
10 |
11 |
|
每个铸铁吊耳 允许起重量/t |
0.3 |
0.8 |
1.8 |
3.1 |
5.0 |
7.0 |
10.0 |
20.0 |
30.0 |
40.0 |
50.0 |
|
|
每个铸钢吊耳 允许起重量/t |
0.6 |
1.1 |
2.3 |
3.9 |
6.3 |
8.8 |
12.5 |
25.0 |
37.5 |
50.0 |
63.5 |
|
|
h |
35 |
66 |
100 |
128 |
160 |
190 |
210 |
240 |
270 |
300 |
330 |
|
|
l1 |
20 |
36 |
52 |
68 |
84 |
100 |
120 |
135 |
155 |
170 |
185 |
|
|
s |
16 |
28 |
40 |
54 |
66 |
80 |
92 |
104 |
116 |
128 |
140 |
|
|
r1 |
6 |
10 |
16 |
20 |
25 |
30 |
35 |
40 |
45 |
50 |
55 |
|
|
r2 |
4 |
6 |
12 |
16 |
20 |
20 |
25 |
30 |
32 |
36 |
40 |
|
|
r3 |
30 |
56 |
82 |
108 |
134 |
160 |
185 |
210 |
235 |
260 |
285 |
|
|
r4 |
16 |
25 |
32 |
40 |
50 |
60 |
70 |
80 |
85 |
95 |
100 |
|
|
r5 |
8 |
14 |
20 |
27 |
33 |
40 |
46 |
52 |
58 |
64 |
70 |
|
|
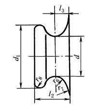
B型铸造圆柱形吊耳
材料:ZG 270-500、HT200 |
每个铸铁吊耳 允许起重量/t |
0.6 |
1.5 |
3.1 |
6.3 |
9.1 |
15.5 |
19.2 |
34.2 |
56.1 |
— |
— |
|
每个铸钢吊耳 允许起重量/t |
0.7 |
1.9 |
3.9 |
7.9 |
11.4 |
19.4 |
24.0 |
42.7 |
70.1 |
— |
— |
|
|
d |
22 |
36 |
50 |
70 |
85 |
110 |
125 |
160 |
200 |
— |
— |
|
|
d1 |
35 |
60 |
85 |
120 |
145 |
185 |
215 |
260 |
320 |
— |
— |
|
|
l2 |
20 |
32 |
49 |
64 |
79 |
100 |
120 |
143 |
168 |
— |
— |
|
|
l3 |
8 |
12 |
18 |
24 |
30 |
38 |
45 |
53 |
63 |
— |
— |
|
|
r6 |
6 |
10 |
15 |
20 |
25 |
80 |
35 |
40 |
45 |
— |
— |
|
|
r7 |
3 |
4 |
5 |
6 |
8 |
10 |
12 |
16 |
20 |
— |
— |
|
|
r8 |
3 |
5 |
8 |
10 |
12 |
16 |
20 |
25 |
30 |
— |
— |
|
|
注:1.每个吊耳的允许起重量按8倍安全系数计算。 2.钩形吊耳适用于起吊重物的场合;圆柱形吊耳适用于需要倾翻的场合。 3.本表摘自原JB/ZQ 4629—1997,供参考。 |
||||||||||||


