|
焊接吊耳 |
|
||||||||||||||||||||||
|
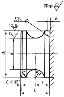
表1 圆柱形焊接吊耳 mm |
|
||||||||||||||||||||||
|
材料:25 |
|
||||||||||||||||||||||
|
每个吊耳的 允许起重量 /t |
d |
d1 |
L |
l |
R |
r |
C |
K |
每个吊耳 质量/kg |
|
|||||||||||||
|
0.7 |
26 |
|
20 |
10 |
6 |
1.6 |
1 |
5 |
0.09 |
|
|||||||||||||
|
1.7 |
40 |
|
33 |
16 |
10 |
3 |
2 |
6 |
0.4 |
|
|||||||||||||
|
3.9 |
55 |
|
48 |
23 |
16 |
4 |
2 |
9 |
1.28 |
|
|||||||||||||
|
7.4 |
70 |
|
62 |
30 |
20 |
5 |
3 |
12 |
3.04 |
|
|||||||||||||
|
11.2 |
80 |
|
80 |
38 |
25 |
6 |
4 |
15 |
5.64 |
|
|||||||||||||
|
17.9 |
110 |
|
98 |
48 |
32 |
6 |
5 |
17 |
11.43 |
|
|||||||||||||
|
19.6 |
125 |
180 |
115 |
56 |
36 |
15 |
6 |
17 |
16.4 |
|
|||||||||||||
|
26.2 |
160 |
225 |
140 |
68 |
40 |
20 |
6 |
17 |
36.4 |
|
|||||||||||||
|
32.8 |
200 |
275 |
160 |
77 |
40 |
25 |
7 |
17 |
60.8 |
|
|||||||||||||
|
注:1.焊接质量应符合 JB/T 5000.3 的规定。2.适用于工作需要倾翻的场合。3.摘自原JB/ZQ 4628—1997,供参考。 |
|
||||||||||||||||||||||
|
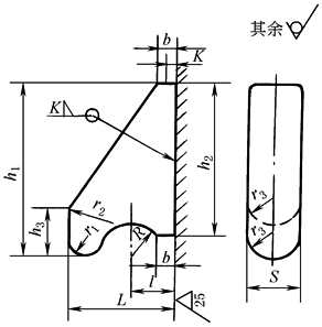
表2 钩形焊接吊耳 mm |
|||||||||||||||||||||||
|
材料:25 |
|||||||||||||||||||||||
|
每个吊耳允 许起重量 /t |
b |
h1 |
h2 |
h3 |
L |
l |
S |
R |
r1 |
r2 |
r3 |
K |
每个吊 耳质量 /kg |
|
|||||||||
|
1.6 |
8 |
80 |
70 |
20 |
50 |
20 |
20 |
15 |
8 |
20 |
10 |
4 |
0.35 |
|
|||||||||
|
3.3 |
10 |
112 |
100 |
25 |
60 |
25 |
26 |
20 |
8 |
25 |
13 |
5 |
0.64 |
|
|||||||||
|
5.4 |
12 |
145 |
130 |
30 |
75 |
32 |
30 |
25 |
9 |
30 |
15 |
7 |
1.54 |
|
|||||||||
|
7.8 |
14 |
178 |
160 |
35 |
90 |
38 |
36 |
30 |
12 |
35 |
18 |
8 |
2.7 |
|
|||||||||
|
10.3 |
16 |
210 |
190 |
40 |
105 |
45 |
40 |
35 |
14 |
40 |
20 |
9 |
3.85 |
|
|||||||||
|
注:1.焊接质量应符合 JB/T 5000.3 的规定。2.适用于起吊重物的场合。3.摘自原JB/ZQ 4628—1997,供参考。 |
|
||||||||||||||||||||||


