|
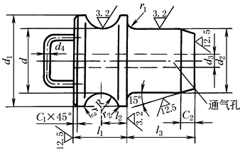
插入式圆柱形吊耳 |
||||||||||||||||||||||
|
材料:35(手柄材料为20) mm |
||||||||||||||||||||||
|
每个吊耳 允许起重量 /t |
d |
d1 |
|
d3 |
d4 |
l1 |
l2 |
R |
r1 |
r2 |
C1 |
C2 |
每个吊 耳质量 /kg |
|||||||||
|
1.0 |
25 |
35 |
25 |
5.5 |
— |
20 |
10 |
6 |
1.6 |
2 |
1 |
5 |
0.20 |
|||||||||
|
1.4 |
32 |
50 |
32 |
5.5 |
— |
30 |
15 |
10 |
1.6 |
2 |
1 |
0.40 |
||||||||||
|
2.3 |
40 |
60 |
40 |
5.5 |
— |
36 |
18 |
12 |
1.6 |
2 |
1 |
1.10 |
||||||||||
|
3.5 |
50 |
80 |
50 |
11 |
— |
46 |
23 |
18 |
2.5 |
2 |
1.5 |
10 |
1.50 |
|||||||||
|
6.2 |
65 |
100 |
65 |
11 |
— |
56 |
28 |
20 |
2.5 |
3 |
2 |
3.35 |
||||||||||
|
9.0 |
80 |
124 |
80 |
11 |
— |
72 |
36 |
25 |
4 |
3 |
3 |
8.30 |
||||||||||
|
15 |
100 |
150 |
100 |
22 |
10 |
84 |
42 |
30 |
6 |
5 |
3 |
15 |
17.30 |
|||||||||
|
24 |
125 |
185 |
125 |
22 |
10 |
104 |
52 |
35 |
6 |
6 |
5 |
24.80 |
||||||||||
|
38 |
160 |
230 |
160 |
22 |
16 |
136 |
68 |
40 |
6 |
8 |
8 |
54.80 |
||||||||||
|
66 |
200 |
280 |
200 |
22 |
16 |
154 |
77 |
45 |
10 |
8 |
10 |
101.00 |
||||||||||
|
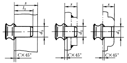
注:1.仅 d1≥100mm 的吊耳带有手柄。吊耳质量是按 l3=d2 计算的近似值。 2.插入长度 l3 由结构选定。其取值范围为(1~1.5)d2,插入孔处的壁厚 s 应大于或等于 l3,C 值见下表。 3.适于机器箱体由于位置限制不允许保留吊耳的场合。 4.本表摘自原JB/ZQ 4630—1997,供参考。 |
||||||||||||||||||||||
|
应用示例:
mm |
||||||||||||||||||||||
|
d5(H8) |
25 |
32 |
40 |
50 |
65 |
80 |
100 |
125 |
160 |
200 |
||||||||||||
|
C |
2.5 |
2.5 |
2.5 |
4 |
4 |
6 |
10 |
10 |
10 |
16 |
||||||||||||


