|
端接头 |
|||||||||||||||||
|
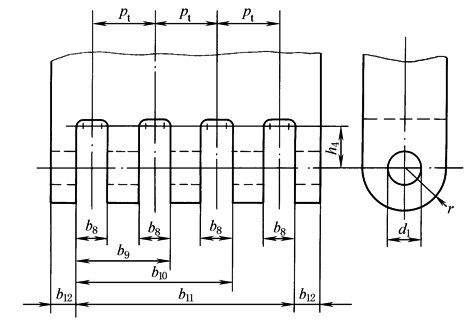
1)形状和尺寸:与板式链配用的端接头的形状和尺寸见表1、表2及图 2)端接头和销轴的强度:端接头和用以连接板式链的销轴应具有不低于板式链的极限拉伸载荷的强度 3)长度调整:多挂板式链并列使用时,端接头连接装置的调整长度不小于一个链节距
表1 mm |
|||||||||||||||||
|
链 号 |
b8 H11① |
b9 H11① |
b10 H11① |
b11 H11① |
b12 min |
pt (公称尺寸) |
d1 min |
h4 min |
r max |
||||||||
|
LH 0822 |
4.34 |
— |
— |
— |
3.12 |
— |
5.12 |
6.35 |
6.35 |
||||||||
|
LH 0823 |
6.55 |
— |
— |
— |
— |
||||||||||||
|
LH 0834 |
4.34 |
10.69 |
— |
— |
6.35 |
||||||||||||
|
LH 0844 |
4.34 |
12.9 |
— |
— |
8.48 |
||||||||||||
|
LH 0846 |
6.55 |
17.17 |
— |
— |
10.62 |
||||||||||||
|
LH 0866 |
4.34 |
12.9 |
21.39 |
— |
8.48 |
||||||||||||
|
LH 0888 |
4.34 |
12.9 |
21.39 |
29.87 |
8.48 |
||||||||||||
|
LH 1022 |
5.16 |
— |
— |
— |
3.66 |
— |
5.98 |
7.92 |
7.92 |
||||||||
|
LH 1023 |
7.65 |
— |
— |
— |
— |
||||||||||||
|
LH 1034 |
5.05 |
12.5 |
— |
— |
7.44 |
||||||||||||
|
LH 1044 |
5.16 |
15.06 |
— |
— |
9.91 |
||||||||||||
|
LH 1046 |
7.65 |
20.04 |
— |
— |
12.4 |
||||||||||||
|
LH 1066 |
5.16 |
15.06 |
24.97 |
— |
9.91 |
||||||||||||
|
LH 1088 |
5.16 |
15.06 |
24.97 |
34.87 |
9.91 |
||||||||||||
|
LH 1222 |
6.96 |
— |
— |
— |
4.95 |
— |
7.96 |
9.53 |
9.53 |
||||||||
|
LH 1223 |
10.31 |
— |
— |
— |
— |
||||||||||||
|
LH 1234 |
6.83 |
16.89 |
— |
— |
10.06 |
||||||||||||
|
LH 1244 |
6.96 |
20.37 |
— |
— |
13.41 |
||||||||||||
|
LH 1246 |
10.31 |
27.08 |
— |
— |
16.76 |
||||||||||||
|
LH 1266 |
6.96 |
20.37 |
33.78 |
— |
13.41 |
||||||||||||
|
LH 1288 |
6.96 |
20.37 |
33.78 |
47.19 |
13.41 |
||||||||||||
|
LH 1622 |
8.59 |
— |
— |
— |
6.13 |
— |
9.56 |
12.7 |
12.7 |
||||||||
|
LH 1623 |
12.73 |
— |
— |
— |
— |
||||||||||||
|
LH 1634 |
8.43 |
20.85 |
— |
— |
12.42 |
||||||||||||
|
LH 1644 |
8.59 |
25.15 |
— |
— |
16.56 |
||||||||||||
|
LH 1646 |
12.73 |
33.43 |
— |
— |
20.7 |
||||||||||||
|
LH 1666 |
8.59 |
25.15 |
41.71 |
— |
16.56 |
||||||||||||
|
LH 1688 |
8.59 |
25.15 |
41.71 |
58.27 |
16.56 |
||||||||||||
|
LH 2022 |
10.26 |
— |
— |
— |
7.35 |
— |
11.14 |
15.88 |
15.88 |
||||||||
|
LH 2023 |
15.21 |
— |
— |
— |
— |
||||||||||||
|
LH 2034 |
10.08 |
24.94 |
— |
— |
14.86 |
||||||||||||
|
LH 2044 |
10.26 |
30.07 |
— |
— |
19.81 |
||||||||||||
|
LH 2046 |
15.21 |
39.98 |
— |
— |
24.77 |
||||||||||||
|
LH 2066 |
10.26 |
30.07 |
49.89 |
— |
19.81 |
||||||||||||
|
LH 2088 |
10.26 |
30.07 |
49.89 |
69.7 |
19.81 |
||||||||||||
|
LH 2422 |
12.04 |
— |
— |
— |
8.66 |
— |
12.74 |
19.05 |
19.05 |
||||||||
|
LH 2423 |
17.86 |
— |
— |
— |
— |
||||||||||||
|
LH 2434 |
11.84 |
29.29 |
— |
— |
17.45 |
||||||||||||
|
LH 2444 |
12.04 |
35.31 |
— |
— |
23.27 |
||||||||||||
|
LH 2446 |
17.86 |
46.94 |
— |
— |
29.08 |
||||||||||||
|
LH 2466 |
12.04 |
35.31 |
58.58 |
— |
23.27 |
||||||||||||
|
LH 2488 |
12.04 |
35.31 |
58.58 |
81.85 |
23.27 |
||||||||||||
|
LH 2822 |
13.67 |
— |
— |
— |
9.82 |
— |
14.31 |
22.23 |
22.23 |
||||||||
|
LH 2823 |
20.27 |
— |
— |
— |
— |
||||||||||||
|
LH 2834 |
13.44 |
33.25 |
— |
— |
19.81 |
||||||||||||
|
LH 2844 |
13.67 |
40.08 |
— |
— |
26.42 |
||||||||||||
|
LH 2846 |
20.27 |
53.29 |
— |
— |
33.09 |
||||||||||||
|
LH 2866 |
13.67 |
40.08 |
66.5 |
— |
26.42 |
||||||||||||
|
LH 2888 |
13.67 |
40.08 |
66.5 |
92.91 |
26.42 |
||||||||||||
|
LH 3222 |
15.65 |
— |
— |
— |
11.28 |
— |
17.49 |
25.4 |
25.4 |
||||||||
|
LH 3223 |
23.22 |
— |
— |
— |
— |
||||||||||||
|
LH 3234 |
15.39 |
38.1 |
— |
— |
22.71 |
||||||||||||
|
LH 3244 |
15.65 |
45.92 |
— |
— |
30.28 |
||||||||||||
|
LH 3246 |
23.22 |
61.06 |
— |
— |
37.85 |
||||||||||||
|
LH 3266 |
15.65 |
45.92 |
76.2 |
— |
30.28 |
||||||||||||
|
LH 3288 |
15.65 |
45.92 |
76.2 |
106.48 |
30.28 |
||||||||||||
|
LH 4022 |
20.52 |
— |
— |
— |
14.86 |
— |
23.84 |
31.75 |
31.75 |
||||||||
|
LH 4023 |
30.48 |
— |
— |
— |
— |
||||||||||||
|
LH 4034 |
20.22 |
50.09 |
— |
— |
29.87 |
||||||||||||
|
LH 4044 |
20.52 |
60.35 |
— |
— |
39.83 |
||||||||||||
|
LH 4046 |
30.48 |
80.26 |
— |
— |
49.78 |
||||||||||||
|
LH 4066 |
20.52 |
60.35 |
100.18 |
— |
39.83 |
||||||||||||
|
LH 4088 |
20.52 |
60.35 |
100.18 |
140.01 |
39.83 |
||||||||||||
|
①公差 H11 与 GB/T 1801一致。 |
|||||||||||||||||
|
表2 mm |
|||||||||||||||||
|
链 号 |
b8 H11① |
b9 H11① |
b10 H11① |
b12 min |
pt (公称尺寸) |
d1 min |
h4 min |
r max |
|||||||||
|
LL 0822 |
2.7 |
8.06 |
13.42 |
1.95 |
5.36 |
4.46 |
6 |
6.35 |
|||||||||
|
LL 0844 |
|||||||||||||||||
|
LL 0866 |
|||||||||||||||||
|
LL 1022 |
3.4 |
10.16 |
16.92 |
2.48 |
6.76 |
5.09 |
8 |
7.92 |
|||||||||
|
LL 1044 |
|||||||||||||||||
|
LL 1066 |
|||||||||||||||||
|
LL 1222 |
3.9 |
11.66 |
19.42 |
2.85 |
7.76 |
5.73 |
9 |
9.52 |
|||||||||
|
LL 1244 |
|||||||||||||||||
|
LL 1266 |
|||||||||||||||||
|
LL 1622 |
6.5 |
19.5 |
32.5 |
4.8 |
13 |
8.3 |
12 |
12.7 |
|||||||||
|
LL 1644 |
|||||||||||||||||
|
LL 1666 |
|||||||||||||||||
|
LL 2022 |
7.5 |
22.5 |
37.5 |
5.55 |
15 |
10.21 |
14 |
15.88 |
|||||||||
|
LL 2044 |
|||||||||||||||||
|
LL 2066 |
|||||||||||||||||
|
LL 2422 |
10.5 |
31.5 |
52.5 |
7.8 |
21 |
14.65 |
18 |
19.05 |
|||||||||
|
LL 2444 |
|||||||||||||||||
|
LL 2466 |
|||||||||||||||||
|
LL 2822 |
13 |
39 |
65 |
9.68 |
26 |
15.92 |
20 |
22.2 |
|||||||||
|
LL 2844 |
|||||||||||||||||
|
LL 2866 |
|||||||||||||||||
|
LL 3222 |
13 |
39 |
65 |
9.68 |
26 |
17.83 |
23 |
25.4 |
|||||||||
|
LL 3244 |
|||||||||||||||||
|
LL 3266 |
|||||||||||||||||
|
LL 4022 |
16.6 |
49.8 |
83 |
12.38 |
33.2 |
22.91 |
28 |
31.75 |
|||||||||
|
LL 4044 |
|||||||||||||||||
|
LL 4066 |
|||||||||||||||||
|
LL 4822 |
20.7 |
62.1 |
103.5 |
15.45 |
41.4 |
29.26 |
34 |
38.1 |
|||||||||
|
LL 4844 |
|||||||||||||||||
|
LL 4866 |
|||||||||||||||||
|
①公差H11 与 GB/T 1801一致。 |
|||||||||||||||||

