|
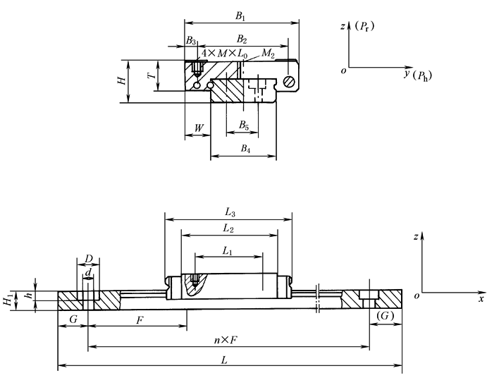
两滚道(微型)滚动直线导轨副结构尺寸及载荷特性 /mm |
||||||||||||||||||||
|
PE=︱xPr︱+︱yPh︱ GGC7及GGC9型x=y=1 GGC12及GGC15型 x=1,y=0.83符号意义同表四滚道型滚动直线导轨副结构尺寸及载荷特性 |
||||||||||||||||||||
|
型 号 |
结 构 尺 寸 |
|||||||||||||||||||
|
B1 |
B2 |
B3 |
B4 |
B5 |
H1 |
T |
L1 |
L2 |
L3 |
4×M×L0 |
d×D×h |
|||||||||
|
GGC 7BA |
17 |
12 |
2.5 |
7 |
0 |
4.7 |
6.5 |
8 |
14 |
25 |
4×M2×2.5 |
2.5×4.2×2.3 |
||||||||
|
GGC 7BAK |
25 |
— |
— |
14 |
0 |
5.2 |
7 |
12 |
20.5 |
30 |
— |
3.5×6×3.2 |
||||||||
|
GGC 9BA |
20 |
15 |
2.5 |
9 |
0 |
5.5 |
7.8 |
13 |
18 |
32 |
4×M2×2.5 |
2.6×4.5×3 |
||||||||
|
GGC 9BAK |
30 |
21 |
4.5 |
18 |
0 |
7.5 |
7.8 |
12 |
27 |
41 |
4×M3×3 |
3.6×6×4.5 |
||||||||
|
GGC 12BA |
27 |
20 |
3.5 |
12 |
0 |
7.5 |
10 |
15 |
23 |
37 |
4×M3×3.5 |
3.5×6×4.5 |
||||||||
|
GGC 12BAK |
40 |
28 |
6 |
24 |
0 |
8.5 |
10 |
15 |
32.4 |
46.4 |
4×M3×3.5 |
4.5×8×4.5 |
||||||||
|
GGC 15BA |
32 |
25 |
3.5 |
15 |
0 |
9.5 |
12 |
2 |
25.7 |
43 |
4×M3×4 |
3.5×6×4.5 |
||||||||
|
GGC 15BAK |
60 |
45 |
7.5 |
42 |
23 |
9.5 |
12 |
2 |
41.3 |
55.3 |
4×M4×4.5 |
4.5×8×4.5 |
||||||||
|
型 号 |
结 构 尺 寸 |
载 荷 特 性 |
||||||||||||||||||
|
F |
W |
G min |
H |
M2 |
C /kN |
C0 /kN |
My (MA) /N·m |
Mz (MB) /N·m |
Mx (MC) /N·m |
|||||||||||
|
GGC 7BA |
15 |
5 |
10 |
8 |
— |
1.26 |
1.07 |
2.62 |
2.62 |
4.51 |
||||||||||
|
GGC 7BAK |
30 |
5.5 |
10 |
9 |
2×M4 |
1.62 |
1.61 |
5.54 |
5.54 |
13.52 |
||||||||||
|
GGC 9BA |
20 |
5.5 |
10 |
10 |
M3 |
1.71 |
1.8 |
6.58 |
6.58 |
10.8 |
||||||||||
|
GGC 9BAK |
25 |
6 |
10 |
12 |
M3 |
2.56 |
2.7 |
14.8 |
14.8 |
32.4 |
||||||||||
|
GGC 12BA |
25 |
7.5 |
10 |
13 |
M3 |
3.48 |
3.5 |
13.6 |
13.6 |
24.3 |
||||||||||
|
GGC 12BAK |
40 |
8 |
10 |
14 |
M4 |
4.45 |
4.6 |
28.8 |
28.8 |
73 |
||||||||||
|
GGC 15BA |
40 |
8.5 |
10 |
16 |
M4 |
5.4 |
5.5 |
25.4 |
25.4 |
47.3 |
||||||||||
|
GGC 15BAK |
40 |
9 |
10 |
16 |
M5 |
7.5 |
8.5 |
68.6 |
68.6 |
70.3 |
||||||||||
|
注:1.GGC为南京厂产品。上海厂有SGC9V/W、SGC12V/W及SGC15V/W(V为标准型,W为加长型),尺寸性能相近。 2.My(MA)、Mz(MB)、Mx(MC)(如下图)指的是一个滑块的额定力矩值。
|
||||||||||||||||||||


