|
GGF分离型滚动直线导轨副 mm |
||||||||||||||||||||||
|
|
||||||||||||||||||||||
|
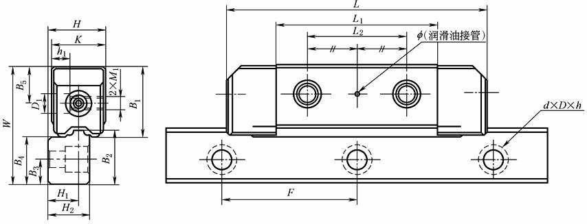
型号 |
导轨副 尺寸 |
滑块尺寸 |
油孔 尺寸 |
导轨尺寸 |
额定 动载 |
额定 静载 |
||||||||||||||||
|
H |
W |
B1 |
B5 |
K |
h1 |
D1 |
M1 |
L |
L1 |
L2 |
f |
B2 |
B3 |
B4 |
H1 |
H2 |
d×D×h |
F |
单根最大 长度Lmax |
C /kN |
C0 /kN |
|
|
GGF15 |
15 |
30 |
18.7 |
10 |
14 |
3.5 |
6.5 |
M4 |
69 |
40 |
20 |
f 2 |
13.5 |
6 |
10.7 |
8 |
11 |
3.5×6×4.5 |
60 |
600 |
3.7 |
3.9 |
|
GGF20 |
20 |
42 |
25.5 |
13 |
19 |
5.5 |
10 |
M6 |
92 |
5.6 |
35 |
f 3 |
19.5 |
8 |
15.6 |
10.5 |
4 |
6×9.5×8.5 |
60 |
600 |
7.57 |
8.16 |
|
GGF25 |
25 |
55 |
28 |
16 |
24 |
7 |
11 |
M8 |
122 |
80 |
45 |
f 3 |
27 |
10 |
21.8 |
13 |
17 |
10×14×11 |
80 |
600 |
13.05 |
18.4 |
|
SGB 20V/W |
20 |
42 |
25.5 |
13 |
19 |
5.5 |
10 |
M6 |
93/112 |
— |
35/50 |
f 3 |
19.5 |
8 |
— |
— |
15 |
6×9.5×8.5 |
60 |
— |
8.9/12.2 |
15.4/20.6 |
|
HJG- D35T |
35 |
75 |
43.5 |
21.5 |
34 |
12 |
18 |
M12 |
155 |
103.8 |
60 |
f 4 |
37 |
14.5 |
30.5 |
18 |
26 |
11×17.5×14 |
105 |
1510 |
30.20 |
46.97 |
|
注:GGF为南京厂产生。SGB为上海厂产品(V为标准型,W为加长型),HJG为汉中汉口机床厂产品。 |
||||||||||||||||||||||

