|
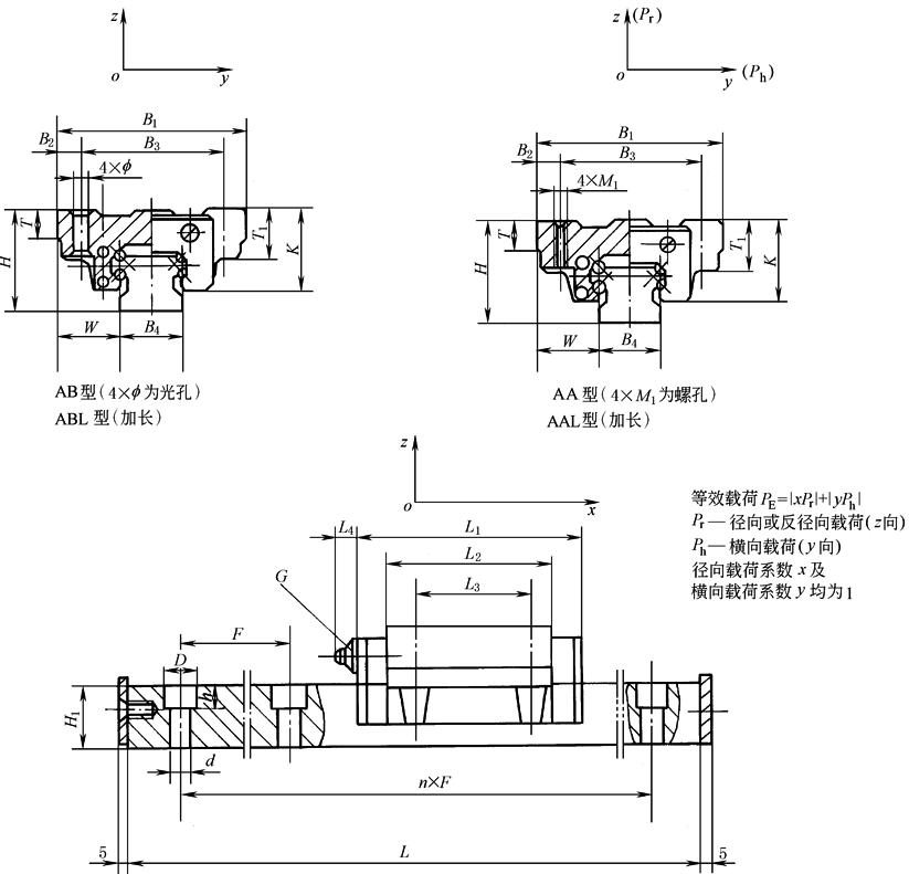
四滚道型滚动直线导轨副结构尺寸及载荷特性 /mm |
|||||||||||||||||||||||||
|
|
|||||||||||||||||||||||||
|
规 格 |
结 构 尺 寸 |
||||||||||||||||||||||||
|
B1 |
B2 |
B3 |
B4 |
W |
M1 (AA) |
f (AB) |
H |
K |
T |
T1 |
H1 |
d×D×h |
|||||||||||||
|
16 |
AA,AB |
47 |
4.5 |
38 |
16 |
15.5 |
M5 |
4.5 |
24 |
19.4 |
7 |
11 |
15 |
4.5×7.5×5.3 |
|||||||||||
|
20 |
AA,AB |
63 |
5 |
53 |
20 |
21.5 |
M6 |
6 |
30 |
25 |
10 |
10 |
18 |
6×9.5×8.5 |
|||||||||||
|
AAL,ABL |
|||||||||||||||||||||||||
|
25 |
AA,AB |
70 |
6.5 |
57 |
23 |
23.5 |
M8 |
7 |
37 (36) |
30.5 |
12 (10) |
16 |
22 |
7×11×9 |
|||||||||||
|
AAL,ABL |
|||||||||||||||||||||||||
|
30 |
AA,AB |
90 |
9 |
72 |
28 |
31 |
M10 |
9 |
42 |
35 |
10 |
18 |
26 |
9×14×12 |
|||||||||||
|
AAL,ABL |
|||||||||||||||||||||||||
|
35 |
AA,AB |
100 |
9 |
82 |
34 |
33 |
M10 |
11 |
48 |
38 |
13 |
21 |
29 |
9×14×12 |
|||||||||||
|
AAL,ABL |
|||||||||||||||||||||||||
|
45 |
AA,AB |
120 |
10 |
100 |
45 |
37.5 |
M12 |
13 |
(60) 62 |
51 |
15 |
25 |
38 |
14×20×17 |
|||||||||||
|
AAL,ABL |
|||||||||||||||||||||||||
|
55 |
AA,AB |
140 |
12 |
116 |
53 |
43.5 |
M14 |
14 |
70 |
57 |
20 |
29 |
44 |
16×23×20 |
|||||||||||
|
AAL,ABL |
|||||||||||||||||||||||||
|
65 |
AA,AB |
170 |
14 |
142 |
63 |
53.5 |
M16 |
16 |
90 |
76 |
23 |
37 |
53 |
18×26×22 |
|||||||||||
|
AAL,ABL |
|||||||||||||||||||||||||
|
85 |
AA,AB |
215 |
15 |
185 |
85 |
65 |
M20 |
18 |
110 |
94 |
30 |
55 |
65 |
24×35×28 |
|||||||||||
|
AAL,ABL |
|||||||||||||||||||||||||
|
规 格 |
结 构 尺 寸 |
载 荷 特 性 |
|||||||||||||||||||||||
|
L1 |
L2 |
L3 |
L4 |
F |
Lmax |
G (油杯) |
C /kN |
C0 /kN |
My (MA) /N·m |
Mz (MB) /N·m |
Mx (MC) /N·m |
||||||||||||||
|
16 |
AA,AB |
58 |
40.5 |
30 |
2.5 |
60 |
1200 |
f 4 |
6.07 |
6.8 |
55.5 |
55.5 |
88.8 |
||||||||||||
|
20 |
AA,AB |
70 |
50 |
40 |
11 |
60 |
2000 |
M6 |
11.5 |
14.5 |
92.4 |
92.4 |
154 |
||||||||||||
|
AAL,ABL |
86 |
66 |
13.6 |
20.3 |
121.8 |
121.8 |
203 |
||||||||||||||||||
|
25 |
AA,AB |
79.5 |
59 |
45 |
11 |
60 |
3000 |
M6 |
17.7 |
22.6 |
149.8 |
149.8 |
246 |
||||||||||||
|
AAL,ABL |
98.5 |
78 |
20.7 |
34.97 |
244.8 |
244.8 |
402 |
||||||||||||||||||
|
30 |
AA,AB |
95.2 |
70 |
52 |
11 |
80 |
3000 |
M6 |
27.6 |
34.4 |
311.3 |
311.3 |
546 |
||||||||||||
|
AAL,ABL |
117.2 |
92 |
33.4 |
45.8 |
560 |
560 |
745.2 |
||||||||||||||||||
|
35 |
AA,AB |
107.8 |
81 |
62 |
11 |
80 |
3000 |
M6 |
35.1 |
47.2 |
488 |
488 |
790 |
||||||||||||
|
AAL,ABL |
131.8 |
105 |
39.96 |
64.85 |
681 |
681 |
1102.45 |
||||||||||||||||||
|
45 |
AA,AB |
135 |
102 |
80 |
11 |
100 (105) |
3000 |
M6 |
42.5 |
71 |
848 |
848 |
1448 |
||||||||||||
|
AAL,ABL |
163 |
130 |
64.4 |
102.1 |
1345.4 |
1345.4 |
2247.25 |
||||||||||||||||||
|
55 |
AA,AB |
161 |
118 |
95 |
14 |
120 |
3000 |
M8×1 |
79.4 |
101 |
1547 |
1547 |
2580 |
||||||||||||
|
AAL,ABL |
199 |
156 |
92.2 |
142.5 |
2264.3 |
2264.3 |
3776.25 |
||||||||||||||||||
|
65 |
AA,AB |
195 |
147 |
110 |
14 |
150 |
3000 |
M8×1 |
115 |
163 |
3237 |
3237 |
4860 |
||||||||||||
|
AAL,ABL |
255 |
207 |
148 |
224.5 |
4627.5 |
4627.5 |
6945.95 |
||||||||||||||||||
|
85 |
AA,AB |
243.4 |
179 |
140 |
14 |
180 |
3000 |
M8×1 |
172.2 |
257.4 |
6076.4 |
6076.4 |
12842 |
||||||||||||
|
AAL,ABL |
300.4 |
236 |
202.3 |
327.64 |
9946.3 |
9946.3 |
15410 |
||||||||||||||||||
|
注:1.如选用上表中括号内数字,订购时请特别注明。本表为南京工艺装备厂 GGB 系列。 2.表中 MA、MB、MC (如下图)指的是一个滑块的额定力矩值。
3.表中 Lmax 为导轨单根最大长度,如需接长另行协商。 4.上海厂生产型号为:V15、20V/W、25V/W、30V/W、35V/W(V为标准型,W为加长型);济宁厂生产型号为JSA:LG15、 |
|||||||||||||||||||||||||


