|
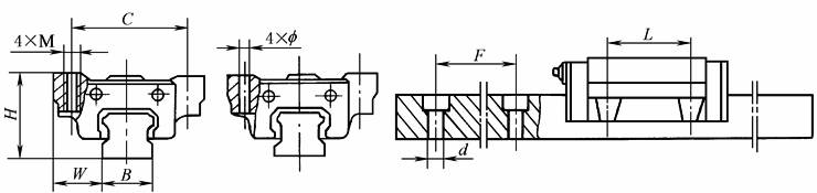
四滚道型滚动直线导轨副的安装连接尺寸(JB/T 7175.3—1996) /mm |
|||||||||
|
|
|||||||||
|
型 号 |
装配组合后 |
滑 块 |
导 轨 |
||||||
|
H |
W |
C |
L |
M |
f |
B |
F |
d |
|
|
20 |
30 |
21.50 |
53 |
40 |
M6 |
6 |
20 |
60 |
6 |
|
25 |
36 |
23.50 |
57 |
45 |
M8 |
7 |
23 |
60 |
7 |
|
30 |
42 |
31 |
72 |
52 |
M10 |
9 |
28 |
80 |
9 |
|
35 |
48 |
33 |
82 |
62 |
M10 |
9 |
34 |
80 |
9 |
|
45 |
60 |
37.50 |
100 |
80 |
M12 |
11 |
45 |
105 |
14 |
|
55 |
70 |
43.50 |
116 |
95 |
M14 |
14 |
53 |
120 |
16 |
|
65 |
90 |
53.50 |
142 |
110 |
M16 |
16 |
63 |
150 |
18 |
|
注:1.滑块有螺纹孔及光孔两种结构供用户选择,订货时向厂家说明。 2.二滚道型滚动直线导轨副安装连接尺寸暂未标准化。 3.型号代码中数值表示图中B的公称尺寸。 |
|||||||||

