带冲压菱形座外球面球轴承(带顶丝、带偏心套)(GB/T 7810—2017) | ||||||||||||||||||||||
允许轴向载荷小于允许径向载荷的50%。
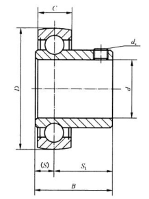
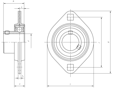
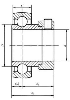
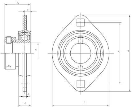
一端平头带顶丝外球面球轴承(UB型) 带冲压菱形座顶丝外球面球轴承(UBPFL型)
轻型带偏心套外球面球轴承(UE型) 带冲压菱形座偏心套外球面球轴承(UEPFL型) 符号含义与应用: UB— 一端平头带顶丝外球面球轴承 UE— 一端平头带偏心套外球面球轴承 PFL—冲压菱形座 具有与深沟球轴承相同的载荷能力,调心性能较好,有密封装置,结构紧凑,使用方便。 | ||||||||||||||||||||||
轴 承 尺 寸 /mm | 基本额定 载荷/kN | 配用偏 心套 | 座 尺 寸 /mm | 轴承座允 许 径 向 载荷/kN max | 带座轴承 代 号 | 轴承 代号 | 座代号 | |||||||||||||||
d | D | B | S | C | ds | G | d1 max | Cr | C0r | 代号 | A max | A1 max | H max | H2 max | J | L max | N | UBPFL 型 UEPFL 型 | UB 型 UE 型 | PFL 型 | ||
min | max | |||||||||||||||||||||
12 | 40 | 22 | 6 | 12 | M5×0.8 | 4.5 | — | 7.35 | 4.78 | — | 15 | 4.5 | 82 | 49 | 63.5 | 60 | 7.1 | 2.45 | UBPFL 201 | UB 201 | PFL203 | |
| 40 | 28.6 | 6.5 | 12 | 13 | — | — | 28.6 | 7.35 | 4.78 | E 201 | 15 | 4.5 | 82 | 49 | 63.5 | 60 | 7.1 | 2.45 | UEPFL 201 | UE 201 | PFL203 |
| | | | | | | | | | | | | | | | | | | | | | |
15 | 40 | 22 | 6 | 12 | M5×0.8 | 4.5 | — | 7.35 | 4.78 | — | 15 | 4.5 | 82 | 49 | 63.5 | 60 | 7.1 | 2.45 | UBPFL 202 | UB 202 | PFL203 | |
| 40 | 28.6 | 6.5 | 12 | 13 | — | — | 28.6 | 7.35 | 4.78 | E 202 | 15 | 4.5 | 82 | 49 | 63.5 | 60 | 7.1 | 2.45 | UEPFL 202 | UE 202 | PFL203 |
| | | | | | | | | | | | | | | | | | | | | | |
17 | 40 | 22 | 6 | 12 | M5×0.8 | 4.5 | — | 7.35 | 4.78 | — | 15 | 4.5 | 82 | 49 | 63.5 | 60 | 7.1 | 2.45 | UBPFL 203 | UB 203 | PFL203 | |
| 40 | 28.6 | 6.5 | 12 | 13 | — | — | 28.6 | 7.35 | 4.78 | E 203 | 15 | 4.5 | 82 | 49 | 63.5 | 60 | 7.1 | 2.45 | UEPFL 203 | UE 203 | PFL203 |
| | | | | | | | | | | | | | | | | | | | | | |
20 | 47 | 25 | 7 | 14 | M6×1 | 5 | — | 9.88 | 6.65 | — | 17 | 4.5 | 91 | 56 | 71.5 | 68 | 9 | 3.29 | UBPFL 204 | UB 204 | PFL204 | |
| 47 | 31.0 | 7.5 | 14 | 15 | — | — | 33.3 | 9.88 | 6.65 | E 204 | 17 | 4.5 | 91 | 56 | 71.5 | 68 | 9 | 3.29 | UEPFL 204 | UE 204 | PFL204 |
| | | | | | | | | | | | | | | | | | | | | | |
25 | 52 | 27 | 7.5 | 15 | M6×1 | 5.5 | — | 10.8 | 7.88 | — | 19 | 4.5 | 96 | 61 | 76 | 72 | 9 | 3.60 | UBPFL 205 | UB 205 | PFL205 | |
| 52 | 31.5 | 7.5 | 15 | — | — | 38.1 | 10.8 | 7.88 | E 205 | 19 | 4.5 | 96 | 61 | 76 | 72 | 9 | 3.60 | UEPFL 205 | UE 205 | PFL205 | |
| | | | | | | | | | | | | | | | | | | | | | |
30 | 62 | 30 | 8 | 16 | M6×1 | 6 | — | 15.0 | 11.2 | — | 20 | 5.5 | 114 | 72 | 90.5 | 85 | 11 | 5.00 | UBPFL 206 | UB 206 | PFL206 | |
| 62 | 35.7 | 9 | 16 | 18 | — | — | 44.5 | 15.0 | 11.2 | E 206 | 20 | 5.5 | 114 | 72 | 90.5 | 85 | 11 | 5.00 | UEPFL 206 | UE 206 | PFL206 |
| | | | | | | | | | | | | | | | | | | | | | |
35 | 72 | 32 | 8.5 | 17 | M8×1 | 6 | — | 19.8 | 15.2 | — | 23 | 5.5 | 127 | 81 | 100 | 95 | 11 | 6.56 | UBPFL 207 | UB 207 | PFL207 | |
| 72 | 38.9 | 9.5 | 17 | 19 | — | — | 55.6 | 19.8 | 15.2 | E 207 | 23 | 5.5 | 127 | 81 | 100 | 95 | 11 | 6.56 | UEPFL 207 | UE 207 | PFL207 |




