|
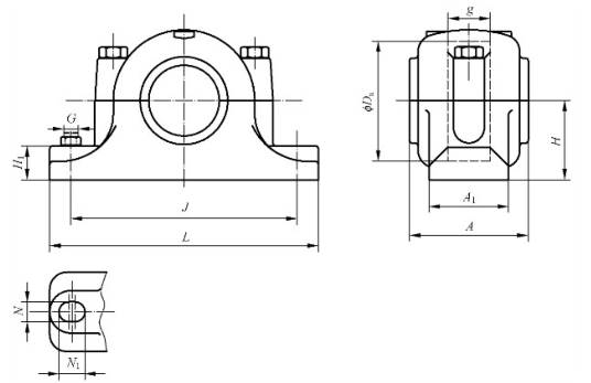
适用于圆锥孔带紧定套的调心轴承的等径孔型滚动轴承座(GB/T 7813—2018) |
||||||||||||||||
|
双螺柱轴承(SN型) SN 5系列和SN 6系列 注:等径孔型为轴承座两端孔径相同。 mm |
||||||||||||||||
|
外 形 尺 寸 |
轴承座 型 号 |
适用轴承及附件 |
||||||||||||||
|
d1 |
d |
Da |
g |
A max |
A1 |
H |
H1 max |
L max |
J |
G |
N |
N1 min |
调心球 轴 承 |
调心滚子 轴 承 |
紧定套 |
|
|
20 |
25 |
52 |
25 |
72 |
46 |
40 |
22 |
170 |
130 |
M12 |
15 |
15 |
SN 505 |
1205 K 2205 K |
— — |
H 205 H 305 |
|
20 |
25 |
62 |
34 |
82 |
52 |
50 |
22 |
190 |
150 |
M12 |
15 |
15 |
SN 605 |
1305 K 2305 K |
— — |
H 305 H 2305 |
|
25 |
30 |
62 |
30 |
82 |
52 |
50 |
22 |
190 |
150 |
M12 |
15 |
15 |
SN 506 |
1206 K 2206 K |
— — |
H 206 H 306 |
|
25 |
30 |
72 |
37 |
85 |
52 |
50 |
22 |
190 |
150 |
M12 |
15 |
15 |
SN 606 |
1306 K 2306 K |
— — |
H 306 H 2306 |
|
30 |
35 |
72 |
33 |
85 |
52 |
50 |
22 |
190 |
150 |
M12 |
15 |
15 |
SN 507 |
1207 K 2207 K |
— — |
H 207 H 307 |
|
30 |
35 |
80 |
41 |
92 |
60 |
60 |
25 |
210 |
170 |
M12 |
15 |
15 |
SN 607 |
1307 K 2307 K |
— — |
H 307 H 2307 |
|
35 |
40 |
80 |
33 |
92 |
60 |
60 |
25 |
210 |
170 |
M12 |
15 |
15 |
SN 508 |
1208 K 2208 K |
— 22208 K |
H 208 H 308 |
|
35 |
40 |
90 |
43 |
100 |
60 |
60 |
25 |
210 |
170 |
M12 |
15 |
15 |
SN 608 |
1308 K 2308 K |
— 22308 K |
H 308 H 2308 |
|
40 |
45 |
85 |
31 |
92 |
60 |
60 |
25 |
210 |
170 |
M12 |
15 |
15 |
SN 509 |
1209 K 2209 K |
— 22209 K |
H 209 H 309 |
|
40 |
45 |
100 |
46 |
105 |
70 |
70 |
28 |
270 |
210 |
M16 |
18 |
18 |
SN 609 |
1309 K 2309 K |
— 22309 K |
H 309 H 2309 |
|
45 |
50 |
90 |
33 |
100 |
60 |
60 |
25 |
210 |
170 |
M12 |
15 |
15 |
SN 510 |
1210 K 2210 K |
— 22210 K |
H 210 H 310 |
|
45 |
50 |
110 |
50 |
115 |
70 |
70 |
30 |
270 |
210 |
M16 |
18 |
18 |
SN 610 |
1310 K 2310 K |
— 22310 CK |
H 310 H 2310 |
|
50 |
55 |
100 |
33 |
105 |
70 |
70 |
28 |
270 |
210 |
M16 |
18 |
18 |
SN 511 |
1211 K 2211 K |
— 22211 CK |
H 211 H 311 |
|
50 |
55 |
120 |
53 |
120 |
80 |
80 |
30 |
290 |
230 |
M16 |
18 |
18 |
SN 611 |
1311 K 2311 K |
— 22311 K |
H 311 H 2311 |
|
55 |
60 |
110 |
38 |
115 |
70 |
70 |
30 |
270 |
210 |
M16 |
18 |
18 |
SN 512 |
1212 K 2212 K |
— 22212 CK |
H 212 H 312 |
|
55 |
60 |
130 |
56 |
125 |
80 |
80 |
30 |
290 |
230 |
M16 |
18 |
18 |
SN 612 |
1312 K 2312 K |
— 22312 CK |
H 312 H 2312 |
|
60 |
65 |
120 |
43 |
120 |
80 |
80 |
30 |
290 |
230 |
M16 |
18 |
18 |
SN 513 |
1213 K 2213 K |
— 22213 K |
H 213 H 313 |
|
60 |
65 |
140 |
58 |
135 |
90 |
95 |
32 |
330 |
260 |
M20 |
22 |
22 |
SN 613 |
1313 K 2313 K |
— 22313 K |
H 313 H 2313 |
|
65 |
75 |
130 |
41 |
125 |
80 |
80 |
30 |
290 |
230 |
M16 |
18 |
18 |
SN 515 |
1215 K 2215 K |
— 22215 K |
H 215 H 315 |
|
65 |
75 |
160 |
65 |
145 |
100 |
100 |
35 |
360 |
290 |
M20 |
22 |
22 |
SN 615 |
1315 K 2315 K |
— 22315K |
H 315 H 2315 |
|
70 |
80 |
140 |
43 |
135 |
90 |
95 |
32 |
330 |
260 |
M20 |
22 |
22 |
SN 516 |
1216 K 2216 K |
— 22216 K |
H 216 H 316 |
|
70 |
80 |
170 |
68 |
150 |
100 |
112 |
35 |
360 |
290 |
M20 |
22 |
22 |
SN 616 |
1316 K 2316 K |
— 22316 K |
H 316 H 2316 |
|
75 |
85 |
150 |
46 |
140 |
90 |
95 |
32 |
330 |
260 |
M20 |
22 |
22 |
SN 517 |
1217 K 2217 K |
— 22217 CK |
H 217 H 317 |
|
75 |
85 |
180 |
70 |
165 |
110 |
112 |
40 |
400 |
320 |
M24 |
26 |
26 |
SN 617 |
1317 K 2317 K |
— 22317 CK |
H 317 H 2317 |
|
80 |
90 |
160 |
62.4 |
145 |
100 |
100 |
35 |
360 |
290 |
M20 |
22 |
22 |
SN 518 |
1218 K 2218 K — |
— 22218 K 23218 K |
H 218 H 318 H 2318 |
|
80 |
90 |
190 |
74 |
165 |
110 |
112 |
40 |
405 |
320 |
M24 |
26 |
26 |
SN 618 |
1318 K 2318 K |
— 22318 K |
H 318 H 2318 |
|
85 |
95 |
170 |
53 |
150 |
100 |
112 |
35 |
360 |
290 |
M24 |
22 |
22 |
SN 519 |
1219K 2219K 1319 K 2319 K |
- 22219
K |
H219 H319 H 319 H 2319 |
|
85 |
95 |
200 |
77 |
177 |
120 |
125 |
45 |
420 |
350 |
M24 |
26 |
26 |
SN 619 |
— 22319 K |
||
|
90 |
100 |
180 |
70.3 |
165 |
110 |
112 |
40 |
400 |
320 |
M24 |
26 |
26 |
SN 520 |
1220 K 2220 K — |
— 22220 K 23220 K |
H 220 H 320 H 2320 |
|
90 |
100 |
215 |
83 |
187 |
120 |
140 |
45 |
420 |
350 |
M24 |
26 |
26 |
SN 620 |
1320 K 2320 K |
— 22320CK |
H 320 H 2320 |
|
100 |
110 |
200 |
80 |
177 |
120 |
125 |
45 |
420 |
350 |
M24 |
26 |
26 |
SN 522 |
1222 K 2222 K — |
— 22222 K 23222 K |
H 222 H 322 H 2322 |
|
100 |
110 |
240 |
90 |
195 |
130 |
150 |
50 |
475 |
390 |
M24 |
28 |
28 |
SN 622 |
1322 K 2322 K |
— 22322 K |
H 322 H 2322 |
|
110 |
120 |
215 |
86 |
187 |
120 |
140 |
45 |
420 |
350 |
M24 |
26 |
26 |
SN 524 |
— |
22224 K 23224 K |
H 3124 H 2324 |
|
110 |
120 |
260 |
96 |
210 |
160 |
160 |
60 |
545 |
450 |
M30 |
35 |
35 |
SN 624 |
— |
22324 K |
H 2324 |
|
115 |
130 |
230 |
90 |
192 |
130 |
150 |
50 |
450 |
380 |
M24 |
28 |
28 |
SN 526 |
— |
22226 K 23226 K |
H 3126 H 2326 |
|
115 |
130 |
280 |
103 |
225 |
160 |
170 |
60 |
565 |
470 |
M30 |
35 |
35 |
SN 626 |
— |
22326 K |
H 2326 |
|
125 |
140 |
250 |
98 |
207 |
150 |
150 |
50 |
510 |
420 |
M30 |
35 |
35 |
SN 528 |
— |
22228 K 23228 K |
H 3128 H 2328 |
|
125 |
140 |
300 |
112 |
237 |
170 |
180 |
65 |
630 |
520 |
M30 |
35 |
35 |
SN 628 |
— |
22328 K |
H 2328 |
|
135 |
150 |
270 |
106 |
224 |
160 |
160 |
60 |
540 |
450 |
M30 |
35 |
35 |
SN 530 |
— |
22230 K 23230 K |
H 3130 H 2330 |
|
135 |
150 |
320 |
118 |
245 |
180 |
190 |
65 |
680 |
560 |
M30 |
35 |
35 |
SN 630 |
— |
22330 K |
H 2330 |
|
140 |
160 |
290 |
114 |
237 |
160 |
170 |
60 |
560 |
470 |
M30 |
35 |
35 |
SN 532 |
— |
22232 K 23232 K |
H 3132 H 2332 |
|
140 |
160 |
340 |
124 |
260 |
190 |
200 |
70 |
710 |
580 |
M36 |
42 |
42 |
SN 632 |
— |
22332 K |
H 2332 |
|
注:SN 524~SN 532、SN 624~SN 632应装有吊环螺钉。 |
||||||||||||||||

