|
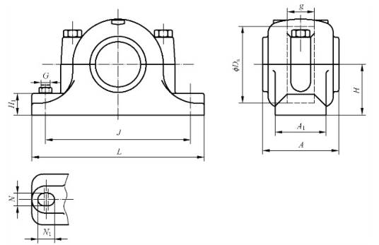
适用于圆柱孔的调心轴承的等径孔型滚动轴承座(GB/T 7813—2018) |
|||||||||||||||||
|
双螺柱轴承(SN型) SN 2系列、SN 3系列 注:等径孔型为轴承座两端孔径相同。 mm |
|||||||||||||||||
|
外 形 尺 寸 |
轴承座 型 号 |
适用轴承 |
|||||||||||||||
|
d |
Da |
g |
A max |
A1 |
H |
H1 max |
L max |
J |
G |
N |
N1 min |
d1 |
调心球轴承 |
调心滚子轴承 |
|||
|
25 |
52 |
25 |
72 |
46 |
40 |
22 |
170 |
130 |
M12 |
15 |
15 |
30 |
SN 205 |
1205 |
2205 |
22205 |
— |
|
25 |
62 |
34 |
82 |
52 |
50 |
22 |
185 |
150 |
M12 |
15 |
20 |
30 |
SN 305 |
1305 |
2305 |
— |
|
|
30 |
62 |
30 |
82 |
52 |
50 |
22 |
190 |
150 |
M12 |
15 |
15 |
35 |
SN 206 |
1206 |
2206 |
22206 |
— |
|
30 |
72 |
37 |
85 |
52 |
50 |
22 |
185 |
150 |
M12 |
15 |
20 |
35 |
SN 306 |
1306 |
2306 |
— |
|
|
35 |
72 |
33 |
85 |
52 |
50 |
22 |
190 |
150 |
M12 |
15 |
15 |
45 |
SN 207 |
1207 |
2207 |
22207 |
— |
|
35 |
80 |
41 |
92 |
60 |
60 |
25 |
205 |
170 |
M12 |
15 |
20 |
45 |
SN 307 |
1307 |
2307 |
— |
|
|
40 |
80 |
33 |
92 |
60 |
60 |
25 |
210 |
170 |
M12 |
15 |
15 |
50 |
SN 208 |
1208 |
2208 |
22208 |
— |
|
40 |
90 |
43 |
100 |
60 |
60 |
25 |
205 |
170 |
M12 |
15 |
20 |
50 |
SN 308 |
1308 |
2308 |
22308 |
21308 |
|
45 |
85 |
31 |
92 |
60 |
60 |
25 |
210 |
170 |
M12 |
15 |
15 |
55 |
SN 209 |
1209 |
2209 |
22209 |
— |
|
45 |
100 |
46 |
105 |
70 |
70 |
28 |
255 |
210 |
M16 |
18 |
23 |
55 |
SN 309 |
1309 |
2309 |
22309 |
21309 |
|
50 |
90 |
33 |
100 |
60 |
60 |
25 |
210 |
170 |
M12 |
15 |
15 |
60 |
SN 210 |
1210 |
2210 |
22210 |
— |
|
50 |
110 |
50 |
115 |
70 |
70 |
30 |
255 |
210 |
M16 |
18 |
23 |
60 |
SN 310 |
1310 |
2310 |
22310 |
21310 |
|
55 |
100 |
33 |
105 |
70 |
70 |
28 |
270 |
210 |
M16 |
18 |
18 |
65 |
SN 211 |
1211 |
2211 |
22211 |
— |
|
55 |
120 |
53 |
120 |
80 |
80 |
30 |
275 |
230 |
M16 |
18 |
23 |
65 |
SN 311 |
1311 |
2311 |
22311 |
21311 |
|
60 |
110 |
38 |
115 |
70 |
70 |
30 |
270 |
210 |
M16 |
18 |
18 |
70 |
SN 212 |
1212 |
2212 |
22212 |
— |
|
60 |
130 |
56 |
125 |
80 |
80 |
30 |
280 |
230 |
M16 |
18 |
23 |
70 |
SN 312 |
1312 |
2312 |
22312 |
21312 |
|
65 |
120 |
43 |
120 |
80 |
80 |
30 |
290 |
230 |
M16 |
18 |
18 |
75 |
SN 213 |
1213 |
2213 |
22213 |
— |
|
65 |
140 |
58 |
135 |
90 |
95 |
32 |
315 |
260 |
M20 |
22 |
27 |
75 |
SN 313 |
1313 |
2313 |
22313 |
21313 |
|
70 |
125 |
44 |
120 |
80 |
80 |
30 |
290 |
230 |
M16 |
18 |
18 |
80 |
SN 214 |
1214 |
2214 |
22214 |
— |
|
70 |
150 |
61 |
140 |
90 |
95 |
32 |
320 |
260 |
M20 |
22 |
27 |
80 |
SN 314 |
1314 |
2314 |
22314 |
21314 |
|
75 |
130 |
41 |
125 |
80 |
80 |
30 |
290 |
230 |
M16 |
18 |
18 |
85 |
SN 215 |
1215 |
2215 |
22215 |
— |
|
75 |
160 |
65 |
145 |
100 |
100 |
35 |
345 |
290 |
M20 |
22 |
27 |
85 |
SN 315 |
1315 |
2315 |
22315 |
21315 |
|
80 |
140 |
43 |
135 |
90 |
95 |
32 |
330 |
260 |
M20 |
22 |
22 |
90 |
SN 216 |
1216 |
2216 |
22216 |
— |
|
80 |
170 |
68 |
150 |
100 |
112 |
35 |
345 |
290 |
M20 |
22 |
27 |
90 |
SN 316 |
1316 |
2316 |
22316 |
21316 |
|
85 |
150 |
46 |
140 |
90 |
95 |
32 |
330 |
260 |
M20 |
22 |
22 |
95 |
SN 217 |
1217 |
2217 |
22217 |
— |
|
85 |
180 |
70 |
165 |
110 |
112 |
40 |
380 |
320 |
M24 |
26 |
32 |
95 |
SN 317 |
1317 |
2317 |
22317 |
21317 |
|
90 |
160 |
62.4 |
145 |
100 |
100 |
35 |
360 |
290 |
M20 |
22 |
22 |
100 |
SN 218 |
1218 |
2218 |
22218 |
— |
|
100 |
180 |
70.3 |
165 |
110 |
112 |
40 |
400 |
320 |
M24 |
26 |
26 |
115 |
SN 220 |
1220 |
2220 |
22220 |
23220 |
|
110 |
200 |
80 |
177 |
120 |
125 |
45 |
420 |
350 |
M24 |
26 |
26 |
125 |
SN 222 |
1222 |
2222 |
22222 |
23222 |
|
120 |
215 |
86 |
187 |
120 |
140 |
45 |
420 |
350 |
M24 |
26 |
26 |
135 |
SN 224 |
— |
22224 |
23224 |
|
|
130 |
230 |
90 |
192 |
130 |
150 |
50 |
450 |
380 |
M24 |
26 |
26 |
145 |
SN 226 |
— |
22226 |
23226 |
|
|
140 |
250 |
98 |
207 |
150 |
150 |
50 |
510 |
420 |
M30 |
35 |
35 |
155 |
SN 228 |
— |
22228 |
23228 |
|
|
150 |
270 |
106 |
224 |
160 |
160 |
60 |
540 |
450 |
M30 |
35 |
35 |
165 |
SN 230 |
— |
22230 |
23230 |
|
|
160 |
290 |
114 |
237 |
160 |
170 |
60 |
560 |
470 |
M30 |
35 |
35 |
175 |
SN 232 |
— |
22232 |
23232 |
|
|
① SN 224~SN 232 应装有吊环螺钉。 |
|||||||||||||||||

