|
圆柱滚子轴承(GB/T 283—2007) |
||||||||||||||||||||
|
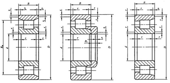
N型 NH型(NJ+HJ) NF型 符号含义与应用 N—外圈无挡边 NF—外圈有单挡边 NH—内圈有单挡边(NJ)并带斜挡圈(HJ) 应用基本同前。N型不能承受轴向载荷,不能限制轴或外壳的轴向位移,常用作游动支承。NF型在有挡边一侧能承受较小轴向载荷,并能限制单向轴向位移,常成对使用。NH型能承受较小的双向轴向载荷,并能限制双向轴向位移。 |
||||||||||||||||||||
|
基本尺寸/mm |
基本额定 载荷/kN |
极限转速 /r·min-1 |
重量 /kg |
轴承代号 |
其他尺寸/mm |
安装尺寸/mm |
||||||||||||||
|
d |
D |
B |
Cr |
C0r |
脂 |
油 |
W≈ |
N型 |
NF型 |
NH(NJ+HJ)型 |
EW |
d2 |
D2 |
B1 |
r min |
r1 min |
da min |
Da max |
ra max |
rb max |
|
105 |
160 |
26 |
91.5 |
122 |
3200 |
4200 |
1.9 |
N 1021 |
— |
— |
145.5 |
125.5 |
— |
— |
2 |
1.1 |
114 |
— |
2 |
1.1 |
|
|
190 |
36 |
185 |
235 |
2800 |
3600 |
4 |
N 221 |
NF 221 |
NJ 221+HJ 221 |
168.8 |
135 |
159 |
10 |
2.1 |
2.1 |
117 |
173 |
2.1 |
2.1 |
|
|
190 |
36 |
173 |
|
|
|
|
N 221 E |
— |
NJ 221 E+HJ 221 E |
173 |
|
|
|
2.1 |
2.1 |
|
|
2.1 |
2.1 |
|
|
225 |
49 |
322 |
392 |
2200 |
3000 |
— |
N 321 |
NF 321 |
NJ 321+HJ 321 |
196 |
147 |
181 |
13 |
3 |
3 |
119 |
199 |
3 |
3 |
|
|
225 |
49 |
|
|
|
|
|
N 321 |
NF 321 |
NJ 321 E+HJ 321 E |
201 |
|
|
|
3 |
3 |
|
|
3 |
3 |
|
|
260 |
60 |
508 |
602 |
1900 |
2600 |
— |
N 421 |
— |
NJ 421+HJ 421 |
220.5 |
159 |
202 |
16 |
4 |
4 |
123 |
— |
4 |
4 |
|
|
|
|
|
|
|
|
|
|
|
|
|
|
|
|
|
|
|
|
|
|
|
110 |
170 |
28 |
115 |
155 |
3000 |
3800 |
2.3 |
N 1022 |
— |
— |
155 |
131 |
— |
— |
2 |
1.1 |
119 |
— |
2 |
1.1 |
|
|
200 |
38 |
220 |
285 |
2600 |
3400 |
5 |
N 222 |
NF 222 |
NJ 222+HJ 222 |
178.5 |
141 |
167 |
11 |
2.1 |
2.1 |
122 |
182 |
2.1 |
2.1 |
|
|
200 |
38 |
278 |
360 |
2600 |
3400 |
5.02 |
N 222 E |
— |
NJ 222 E+HJ 222 E |
180.5 |
141.3 |
— |
— |
2.1 |
2.1 |
122 |
182 |
2.1 |
2.1 |
|
|
200 |
53 |
312 |
445 |
2600 |
3400 |
7.5 |
N 2222 |
NF 2222 |
NJ 2222+HJ 2222 |
178.5 |
141 |
167 |
11 |
2.1 |
2.1 |
122 |
— |
2.1 |
2.1 |
|
|
200 |
53 |
|
|
|
|
|
N 2222 E |
— |
NJ 2222 E+HJ 2222 E |
180.5 |
|
|
|
2.1 |
2.1 |
|
|
2.1 |
2.1 |
|
|
240 |
50 |
352 |
428 |
2000 |
2800 |
11 |
N 322 |
NF 322 |
NJ 322+HJ 322 |
207 |
155 |
192 |
14 |
3 |
3 |
124 |
211 |
3 |
3 |
|
|
240 |
50 |
|
|
|
|
|
N 332 E |
— |
NJ 332 E+HJ 322 E |
211 |
|
|
|
3 |
3 |
|
|
3 |
3 |
|
|
240 |
80 |
535 |
740 |
2000 |
2800 |
7.5 |
N 2322 |
NF 2322 |
NJ 2322+HJ 2322 |
207 |
155 |
201 |
14 |
3 |
3 |
124 |
211 |
3 |
3 |
|
|
240 |
80 |
|
|
|
|
|
N 2322 E |
— |
NJ 2322 E+HJ 2322 E |
211 |
|
|
|
3 |
3 |
|
|
3 |
3 |
|
|
280 |
65 |
515 |
602 |
1800 |
2400 |
22 |
N 422 |
— |
NJ 422+HJ 422 |
235 |
171 |
216 |
17 |
4 |
4 |
128 |
— |
4 |
4 |
|
|
|
|
|
|
|
|
|
|
|
|
|
|
|
|
|
|
|
|
|
|
|
120 |
180 |
28 |
130 |
168 |
2600 |
3400 |
2.96 |
N 1024 |
— |
— |
165 |
156 |
— |
— |
2 |
1.1 |
129 |
— |
2 |
1.1 |
|
|
215 |
40 |
230 |
332 |
2200 |
3000 |
6.4 |
N 224 |
NF 224 |
NJ 224+HJ 224 |
191.5 |
153 |
180 |
11 |
2.1 |
2.1 |
132 |
196 |
2.1 |
2.1 |
|
|
215 |
40 |
322 |
422 |
2200 |
3000 |
6.11 |
N 224 E |
— |
NJ 224 E+HJ 224 E |
195.5 |
153 |
— |
— |
2.1 |
2.1 |
132 |
196 |
2.1 |
2.1 |
|
|
215 |
58 |
345 |
522 |
2200 |
3000 |
9.5 |
N 2224 |
— |
NJ 2224+HJ 2224 |
191.5 |
153 |
180 |
11 |
2.1 |
2.1 |
132 |
— |
2.1 |
2.1 |
|
|
215 |
58 |
|
|
|
|
|
N 2224 E |
— |
NJ 2224 E+HJ 2224 E |
195.5 |
|
|
|
2.1 |
2.1 |
|
|
2.1 |
2.1 |
|
|
260 |
55 |
440 |
552 |
1900 |
2600 |
14 |
N 324 |
NF 324 |
NJ 324+HJ 324 |
226 |
168 |
209 |
14 |
3 |
3 |
134 |
230 |
3 |
3 |
|
|
260 |
55 |
|
|
|
|
|
N 324 |
NF 324 |
NJ 324 E+HJ 324 E |
230 |
|
|
|
3 |
3 |
|
|
3 |
3 |
|
|
260 |
86 |
632 |
868 |
1900 |
2600 |
22.5 |
N 2324 |
NF 2324 |
NJ 2324+HJ 2324 |
226 |
168 |
219 |
14 |
3 |
3 |
134 |
230 |
3 |
3 |
|
|
260 |
86 |
|
|
|
|
|
N 2324 E |
— |
NJ 2324 E+HJ 2324 E |
230 |
|
|
|
3 |
3 |
|
|
3 |
3 |
|
|
310 |
72 |
642 |
772 |
1700 |
2200 |
30 |
N 424 |
— |
NJ 424+HJ 424 |
260 |
188 |
238 |
17 |
5 |
5 |
142 |
— |
5 |
5 |
|
|
|
|
|
|
|
|
|
|
|
|
|
|
|
|
|
|
|
|
|
|
|
130 |
200 |
33 |
152 |
212 |
2400 |
3200 |
3.7 |
N 1026 |
— |
— |
182 |
156 |
— |
— |
2 |
1.1 |
139 |
— |
2 |
1.1 |
|
|
230 |
40 |
258 |
352 |
2000 |
2800 |
7 |
N 226 |
NF 226 |
NJ 226+HJ 226 |
204 |
165 |
192 |
11 |
3 |
3 |
144 |
208 |
3 |
3 |
|
|
230 |
40 |
|
|
|
|
|
N 226E |
— |
NJ 226 E+HJ 226 E |
209.5 |
|
|
|
3 |
3 |
|
|
3 |
3 |
|
|
230 |
64 |
368 |
552 |
2000 |
2800 |
11.5 |
N 2226 |
NF 2226 |
NJ 2226+HJ 2226 |
204 |
167 |
195 |
11 |
3 |
3 |
144 |
— |
3 |
3 |
|
|
230 |
64 |
|
|
|
|
|
N 2226 E |
— |
NJ 2226 E+HJ 2226 E |
205 |
|
|
|
3 |
3 |
|
|
3 |
3 |
|
|
280 |
58 |
492 |
620 |
1700 |
2200 |
18 |
N 326 |
NF 326 |
NJ 326+HJ 326 |
243 |
182 |
225 |
14 |
4 |
4 |
148 |
247 |
4 |
4 |
|
|
280 |
58 |
|
|
|
|
|
N 326 E |
— |
NJ 326 E+HJ 326 E |
247 |
|
|
|
4 |
4 |
|
|
4 |
4 |
|
|
280 |
93 |
748 |
1060 |
1700 |
2200 |
28.5 |
N 2326 |
N F2326 |
NJ 2326+HJ 2326 |
243 |
182 |
236 |
14 |
4 |
4 |
148 |
247 |
4 |
4 |
|
|
280 |
93 |
|
|
|
|
|
N 2326 E |
— |
NJ 2326 E+HJ 2326 E |
247 |
|
|
|
4 |
4 |
|
|
4 |
4 |
|
|
340 |
78 |
782 |
942 |
1500 |
1900 |
39 |
N 426 |
— |
NJ 426+HJ 426 |
285 |
— |
— |
18 |
5 |
5 |
152 |
— |
5 |
5 |
|
|
|
|
|
|
|
|
|
|
|
|
|
|
|
|
|
|
|
|
|
|
|
140 |
210 |
33 |
158 |
220 |
2000 |
2800 |
4 |
N 1028 |
— |
— |
192 |
— |
— |
— |
2 |
1.1 |
149 |
— |
2 |
1.1 |
|
|
250 |
42 |
302 |
415 |
1800 |
2400 |
9.1 |
N 228 |
NF 228 |
NJ 228+HJ 228 |
221 |
179 |
208 |
11 |
3 |
3 |
154 |
— |
3 |
3 |
|
|
250 |
42 |
|
|
|
|
|
N 228 E |
— |
NJ 228 E+HJ 228 E |
225 |
|
|
|
3 |
3 |
|
|
3 |
3 |
|
|
250 |
68 |
438 |
700 |
1800 |
2400 |
15 |
N 2228 |
— |
NJ 2228+HJ 2228 |
221 |
179 |
208 |
11 |
3 |
3 |
154 |
— |
3 |
3 |
|
|
250 |
68 |
|
|
|
|
|
N 2228 E |
— |
NJ 2228 E+HJ 2228 E |
228 |
|
|
|
3 |
3 |
|
|
3 |
3 |
|
|
300 |
62 |
545 |
690 |
1600 |
2000 |
22 |
N 328 |
NF 328 |
NJ 328+HJ 328 |
260 |
196 |
241 |
15 |
4 |
4 |
158 |
— |
4 |
4 |
|
|
300 |
62 |
|
|
|
|
|
N 328 E |
— |
NJ 328 E+HJ 328 E |
260 |
|
|
|
4 |
4 |
|
|
4 |
4 |
|
|
300 |
102 |
825 |
1180 |
1600 |
2000 |
37 |
N 2328 |
NF 2328 |
NJ 2328+HJ 2328 |
260 |
192 |
252 |
15 |
4 |
4 |
158 |
— |
4 |
4 |
|
|
30 |
102 |
|
|
|
|
|
N 2328 E |
— |
NJ 2328 E+HJ 2328 E |
260 |
|
|
|
4 |
4 |
|
|
4 |
4 |
|
|
360 |
82 |
845 |
1020 |
1400 |
1800 |
— |
N 428 |
— |
NJ 428+HJ 428 |
302 |
— |
— |
18 |
5 |
5 |
162 |
— |
5 |
5 |
|
|
|
|
|
|
|
|
|
|
|
|
|
|
|
|
|
|
|
|
|
|
|
150 |
225 |
35 |
188 |
268 |
1900 |
2600 |
4.8 |
N 1030 |
— |
— |
206.5 |
177 |
— |
— |
2.1 |
1.5 |
161 |
— |
2.1 |
1.5 |
|
|
270 |
45 |
360 |
490 |
1700 |
2200 |
11 |
N 230 |
NF 230 |
NJ 230+HJ 230 |
238 |
193 |
225 |
12 |
3 |
3 |
164 |
— |
3 |
3 |
|
|
270 |
45 |
|
|
|
|
|
N 230 E |
— |
NJ 230 E+HJ 230 E |
242 |
|
|
|
3 |
3 |
|
|
3 |
3 |
|
|
270 |
73 |
530 |
772 |
1700 |
2200 |
17 |
N 2230 |
NF 2230 |
NJ 2230+HJ 2230 |
238 |
193 |
225 |
12 |
3 |
3 |
164 |
— |
3 |
3 |
|
|
270 |
73 |
|
|
|
|
|
N 2230 E |
— |
NJ 2230 E+HJ 2230 E |
241 |
|
|
|
3 |
3 |
|
|
3 |
3 |
|
|
320 |
65 |
595 |
765 |
1500 |
1900 |
26 |
N 330 |
NF330 |
NJ 330+HJ 330 |
277 |
209 |
270 |
15 |
4 |
4 |
168 |
— |
4 |
4 |
|
|
320 |
65 |
|
|
|
|
|
N 330 |
— |
NJ 330 E+HJ 330 E |
283 |
|
|
|
4 |
4 |
|
|
4 |
4 |
|
|
320 |
108 |
930 |
1340 |
1500 |
1900 |
45 |
N 2330 |
NF 2330 |
NJ 2330+HJ 2330 |
277 |
209 |
270 |
15 |
4 |
4 |
168 |
— |
4 |
4 |
|
|
320 |
108 |
|
|
|
|
|
N 2330 E |
— |
NJ 2330 E+HJ 2330 E |
283 |
|
|
|
|
|
|
|
|
|
|
|
380 |
85 |
912 |
1100 |
1300 |
1700 |
53 |
N 430 |
— |
NJ 430+HJ 430 |
317 |
— |
— |
20 |
5 |
5 |
172 |
— |
5 |
5 |
|
|
|
|
|
|
|
|
|
|
|
|
|
|
|
|
|
|
|
|
|
|
|
160 |
240 |
38 |
212 |
302 |
1800 |
2400 |
6 |
N 1032 |
— |
— |
220 |
— |
— |
— |
2.1 |
1.5 |
171 |
— |
2.1 |
1.5 |
|
|
290 |
48 |
405 |
552 |
1600 |
2000 |
14 |
N 232 |
NF 232 |
NJ 232+HJ 232 |
257 |
206 |
250 |
12 |
3 |
3 |
174 |
— |
3 |
3 |
|
|
290 |
48 |
|
|
|
|
|
N 232 E |
— |
NJ 232 E+HJ 232 E |
259 |
|
|
|
3 |
3 |
|
|
3 |
3 |
|
|
290 |
80 |
590 |
898 |
1600 |
2000 |
25 |
N 2232 |
— |
NJ 2232+HJ 2232 |
257 |
205 |
252 |
12 |
3 |
3 |
174 |
— |
3 |
3 |
|
|
340 |
68 |
628 |
825 |
1400 |
1800 |
31.6 |
N 332 |
NF332 |
NJ 332+HJ 332 |
292 |
— |
— |
— |
4 |
4 |
178 |
— |
4 |
4 |
|
|
340 |
68 |
|
|
|
|
|
N 332 E |
— |
NJ 332 E+HJ 332 E |
300 |
|
|
|
4 |
4 |
|
|
4 |
4 |
|
|
340 |
114 |
972 |
1430 |
1400 |
1800 |
55.8 |
N 2332 |
NF 2332 |
— |
— |
— |
— |
— |
4 |
4 |
178 |
— |
4 |
4 |
|
|
340 |
114 |
|
|
|
|
|
N 2332 E |
— |
NJ 2332 E+HJ 2332 E |
300 |
|
|
|
4 |
4 |
|
|
4 |
4 |
|
|
|
|
|
|
|
|
|
|
|
|
|
|
|
|
|
|
|
|
|
|
|
170 |
260 |
42 |
255 |
365 |
1700 |
2200 |
8.14 |
N 1034 |
— |
— |
238 |
201 |
— |
— |
2.1 |
2.1 |
181 |
— |
2.1 |
2.1 |
|
|
310 |
52 |
425 |
650 |
1500 |
1900 |
17.1 |
N 234 |
NF 234 |
NJ 234+HJ 234 |
272 |
220 |
269 |
12 |
4 |
4 |
188 |
— |
4 |
4 |
|
|
310 |
52 |
|
|
|
|
|
N 234 E |
— |
NJ 234 E+HJ 234 E |
279 |
|
|
|
4 |
4 |
|
|
4 |
4 |
|
|
310 |
86 |
|
|
|
|
|
N 2234 |
— |
NJ 2234 E+HJ 2234 E |
279 |
|
|
|
4 |
4 |
|
|
4 |
4 |
|
|
360 |
72 |
715 |
952 |
1300 |
1700 |
36 |
N 334 |
NF 334 |
NJ 334+HJ 334 |
310 |
— |
— |
— |
4 |
4 |
188 |
— |
4 |
4 |
|
|
360 |
72 |
|
|
|
|
|
N 334 E |
— |
NJ 334 E+HJ 334 E |
318 |
|
|
|
4 |
4 |
|
|
4 |
4 |
|
|
360 |
120 |
1110 |
1650 |
1300 |
1700 |
63 |
N 2334 |
NF 2334 |
— |
310 |
— |
290 |
— |
4 |
4 |
188 |
— |
4 |
4 |
|
|
|
|
|
|
|
|
|
|
|
|
|
|
|
|
|
|
|
|
|
|
|
180 |
280 |
46 |
300 |
438 |
1600 |
2000 |
10.1 |
N 1036 |
— |
— |
255 |
215 |
— |
— |
2.1 |
2.1 |
191 |
— |
2.1 |
2.1 |
|
|
320 |
52 |
425 |
650 |
1400 |
1800 |
18 |
N 236 |
NF 236 |
NJ 236+HJ 236 |
282 |
230 |
279 |
12 |
4 |
4 |
198 |
— |
4 |
4 |
|
|
320 |
52 |
|
|
|
|
|
N 236 E |
— |
NJ 236 E+HJ 236 E |
289 |
|
|
|
4 |
4 |
|
|
4 |
4 |
|
|
320 |
86 |
|
|
|
|
|
N 2236 |
— |
NJ 2236 E+HJ 2236 E |
289 |
|
|
|
4 |
4 |
|
|
4 |
4 |
|
|
380 |
75 |
835 |
1100 |
1200 |
1600 |
42 |
N 336 |
NF 336 |
NJ 336+HJ 336 |
328 |
252 |
— |
— |
4 |
4 |
198 |
— |
4 |
4 |
|
|
380 |
75 |
|
|
|
|
|
— |
— |
NJ 336 E+HJ 336 E |
|
|
|
|
4 |
4 |
|
|
4 |
4 |
|
|
380 |
126 |
1210 |
1780 |
1200 |
1600 |
71.2 |
N 2336 |
NF 2336 |
— |
328 |
— |
306 |
— |
4 |
4 |
198 |
— |
4 |
4 |
|
|
|
|
|
|
|
|
|
|
|
|
|
|
|
|
|
|
|
|
|
|
|
190 |
290 |
46 |
335 |
495 |
1500 |
1900 |
10.0 |
N 1038 |
— |
— |
— |
225 |
— |
— |
2.1 |
2.1 |
201 |
— |
2.1 |
2.1 |
|
|
340 |
55 |
512 |
745 |
1300 |
1700 |
23 |
N 238 |
NF 238 |
NJ 238+HJ 238 |
299 |
244 |
295 |
13 |
4 |
4 |
208 |
— |
4 |
4 |
|
|
340 |
55 |
|
|
|
|
|
N 238 E |
— |
NJ 238 E+HJ 238 E |
306 |
|
|
|
4 |
4 |
|
|
4 |
4 |
|
|
340 |
92 |
975 |
1570 |
1300 |
1700 |
38.5 |
N 2238 |
— |
NJ 2238+HJ 2238 |
299 |
— |
295 |
13 |
4 |
4 |
208 |
— |
4 |
4 |
|
|
340 |
92 |
|
|
|
|
|
N 2238 E |
— |
NJ 2238 E+HJ 2238 E |
306 |
|
|
|
4 |
4 |
|
|
4 |
4 |
|
|
400 |
78 |
882 |
1190 |
1100 |
1500 |
50 |
N 338 |
NF 338 |
NJ 338+HJ 338 |
345 |
264 |
— |
— |
5 |
5 |
212 |
— |
5 |
5 |
|
|
400 |
132 |
|
|
|
|
|
N 2338 |
— |
— |
345 |
|
|
|
|
|
|
|
|
|
|
|
|
|
|
|
|
|
|
|
|
|
|
|
|
|
|
|
|
|
|
|
|
200 |
310 |
51 |
408 |
615 |
1400 |
1800 |
14.3 |
N 1040 |
— |
— |
283 |
239 |
— |
— |
2.4 |
2.4 |
211 |
— |
2.4 |
2.4 |
|
|
360 |
58 |
570 |
842 |
1200 |
1600 |
26 |
N 240 |
NF 240 |
NJ 240+HJ 240 |
316 |
258 |
312 |
14 |
4 |
4 |
218 |
— |
4 |
4 |
|
|
360 |
58 |
|
|
|
|
|
N 240 |
— |
NJ 240 E+HJ 240 E |
323 |
|
|
|
4 |
4 |
|
|
4 |
4 |
|
|
360 |
98 |
1120 |
1725 |
1200 |
1600 |
— |
N 2240 |
— |
NJ 2240+HJ 2240 |
316 |
256 |
313 |
14 |
4 |
4 |
218 |
— |
4 |
4 |
|
|
360 |
98 |
|
|
|
|
|
N 2240 E |
— |
NJ 2240 E+HJ 2240 E |
323 |
|
|
|
4 |
4 |
|
|
4 |
4 |
|
|
420 |
80 |
972 |
1290 |
1000 |
1400 |
— |
N 340 |
NF 340 |
NJ 340+HJ 340 |
360 |
280 |
— |
— |
5 |
5 |
222 |
— |
5 |
5 |
|
|
420 |
138 |
|
|
|
|
|
N 2340 |
NF 2340 |
NJ 2340+HJ 2340 |
360 |
|
|
|
5 |
5 |
|
|
5 |
5 |
|
|
|
|
|
|
|
|
|
|
|
|
|
|
|
|
|
|
|
|
|
|
|
220 |
340 |
56 |
448 |
685 |
1200 |
1600 |
— |
N 1044 |
— |
— |
— |
— |
— |
— |
3 |
3 |
233 |
— |
3 |
3 |
|
|
400 |
65 |
702 |
1050 |
1000 |
1400 |
36 |
N 244 |
NF 244 |
NJ 244+HJ 244 |
350 |
286 |
332 |
15 |
4 |
4 |
238 |
— |
4 |
4 |
|
|
400 |
65 |
|
|
|
|
|
N 244 E |
— |
NJ 244 E+HJ 244 E |
358 |
|
|
|
4 |
4 |
|
|
4 |
4 |
|
|
400 |
108 |
1360 |
2330 |
1000 |
1400 |
62 |
N 2244 |
— |
— |
350 |
— |
— |
— |
4 |
4 |
238 |
— |
4 |
4 |
|
|
460 |
88 |
|
|
|
|
|
N 344 |
NF 344 |
NJ 344+HJ 344 |
396 |
|
|
|
5 |
5 |
|
|
5 |
5 |
|
|
|
|
|
|
|
|
|
|
|
|
|
|
|
|
|
|
|
|
|
|
|
240 |
360 |
56 |
470 |
745 |
1000 |
1400 |
21 |
N 1048 |
— |
— |
330 |
282 |
— |
— |
3 |
3 |
253 |
— |
3 |
3 |
|
|
440 |
72 |
880 |
1345 |
900 |
1200 |
48.2 |
N 248 |
NF 248 |
NJ 248+HJ 248 |
385 |
313 |
365 |
16 |
4 |
4 |
258 |
— |
4 |
4 |
|
|
440 |
72 |
|
|
|
|
|
N 248 E |
— |
NJ 248 E+HJ 248 E |
393 |
|
|
|
4 |
4 |
|
|
4 |
4 |
|
|
500 |
95 |
1290 |
1810 |
800 |
1000 |
97.1 |
N 348 |
NF 348 |
NJ 348+HJ 348 |
430 |
— |
— |
— |
5 |
5 |
262 |
— |
5 |
5 |
|
|
|
|
|
|
|
|
|
|
|
|
|
|
|
|
|
|
|
|
|
|
|
260 |
400 |
65 |
592 |
932 |
950 |
1300 |
31 |
N 1052 |
— |
— |
369.6 |
309 |
— |
— |
4 |
4 |
276 |
— |
4 |
4 |
|
|
480 |
80 |
|
|
|
|
|
N 252 |
NF 252 |
NJ 252+HJ 252 |
464 |
|
|
|
5 |
5 |
|
|
5 |
5 |
|
|
480 |
80 |
|
|
|
|
|
N 252 E |
— |
NJ 252 E+HJ 252 E |
— |
|
|
|
5 |
5 |
|
|
5 |
5 |
|
|
|
|
|
|
|
|
|
|
|
|
|
|
|
|
|
|
|
|
|
|
|
280 |
420 |
65 |
600 |
965 |
850 |
1100 |
33 |
N 1056 |
— |
— |
384 |
329 |
— |
— |
4 |
4 |
296 |
— |
4 |
4 |
|
|
500 |
80 |
|
|
|
|
|
N 256 E |
— |
NJ 256 E+HJ 256 E |
— |
|
|
|
5 |
5 |
|
|
5 |
5 |
|
|
|
|
|
|
|
|
|
|
|
|
|
|
|
|
|
|
|
|
|
|
|
300 |
460 |
74 |
880 |
1470 |
800 |
1000 |
44.4 |
N 1060 |
— |
— |
420 |
356 |
— |
— |
4 |
4 |
316 |
— |
4 |
4 |
|
|
540 |
85 |
1360 |
2190 |
700 |
900 |
87.2 |
N 260 |
— |
— |
475 |
— |
— |
— |
5 |
5 |
322 |
487 |
5 |
5 |
|
|
540 |
85 |
|
|
|
|
|
N 260 E |
— |
NJ 260 E+HJ 260 E |
— |
|
|
|
5 |
5 |
|
|
5 |
5 |
|
|
|
|
|
|
|
|
|
|
|
|
|
|
|
|
|
|
|
|
|
|
|
320 |
480 |
74 |
890 |
1520 |
750 |
950 |
47 |
N 1064 |
— |
— |
440 |
376 |
— |
— |
4 |
4 |
336 |
— |
4 |
4 |
|
|
580 |
92 |
|
|
|
|
|
N 264 E |
— |
NJ 264 E+HJ 264 E |
— |
|
|
|
5 |
5 |
|
|
5 |
5 |
|
340 |
520 |
82 |
|
|
|
|
|
N 1068 |
— |
— |
475 |
|
|
|
5 |
5 |
|
|
5 |
5 |
|
|
|
|
|
|
|
|
|
|
|
|
|
|
|
|
|
|
|
|
|
|
|
360 |
540 |
82 |
|
|
|
|
|
N 1072 |
— |
— |
495 |
|
|
|
5 |
5 |
|
|
5 |
5 |
|
|
|
|
|
|
|
|
|
|
|
|
|
|
|
|
|
|
|
|
|
|
|
380 |
560 |
82 |
|
|
|
|
|
N 1076 |
— |
— |
515 |
|
|
|
5 |
5 |
|
|
5 |
5 |
|
|
|
|
|
|
|
|
|
|
|
|
|
|
|
|
|
|
|
|
|
|
|
400 |
600 |
90 |
1420 |
2480 |
560 |
700 |
88.8 |
N 1080 |
— |
— |
552 |
470 |
— |
— |
5 |
5 |
420 |
— |
5 |
5 |

