|
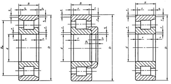
圆柱滚子轴承(GB/T 283—2007) |
||||||||||||||||||||
|
N型 NH型(NJ+HJ) NF型 符号含义与应用 N—外圈无挡边 NF—外圈有单挡边 NH—内圈有单挡边(NJ)并带斜挡圈(HJ) 应用基本同前。N型不能承受轴向载荷,不能限制轴或外壳的轴向位移,常用作游动支承。NF型在有挡边一侧能承受较小轴向载荷,并能限制单向轴向位移,常成对使用。NH型能承受较小的双向轴向载荷,并能限制双向轴向位移。 |
||||||||||||||||||||
|
基本尺寸/mm |
基本额定 载荷/kN |
极限转速 /r·min-1 |
重量 /kg |
轴承代号 |
其他尺寸/mm |
安装尺寸/mm |
||||||||||||||
|
d |
D |
B |
Cr |
C0r |
脂 |
油 |
W≈ |
N型 |
NF型 |
NH(NJ+HJ)型 |
EW |
d2 |
D2 |
B1 |
r min |
r1 min |
da min |
Da max |
ra max |
rb max |
|
60 |
95 |
18 |
38.5 |
45.0 |
5300 |
6700 |
0.48 |
N 1012 |
— |
— |
86.5 |
72.9 |
— |
— |
1.1 |
1 |
66.5 |
— |
1.1 |
1 |
|
|
110 |
22 |
62.8 |
73.5 |
5000 |
6300 |
0.9 |
N 212 |
NF 212 |
NJ 212+HJ 212 |
97 |
— |
— |
6 |
1.5 |
1.5 |
69 |
100 |
1.5 |
1.5 |
|
|
110 |
22 |
89.8 |
102 |
5000 |
6300 |
0.86 |
N 212 E |
— |
NJ 212 E+HJ 212 E |
100 |
77.7 |
— |
— |
1.5 |
1.5 |
69 |
100 |
1.5 |
1.5 |
|
|
110 |
28 |
91.2 |
118 |
5000 |
6300 |
1.25 |
— |
— |
NJ 2212+HJ 2212 |
— |
— |
— |
6 |
1.5 |
1.5 |
69 |
— |
1.5 |
1.5 |
|
|
110 |
28 |
112 |
152 |
5000 |
6300 |
1.12 |
N 2212 E |
— |
NJ 2212 E+HJ 2212 E |
100 |
77.7 |
— |
— |
1.5 |
1.5 |
69 |
100 |
1.5 |
1.5 |
|
|
130 |
31 |
118 |
128 |
4500 |
5600 |
2 |
N 312 |
NF 312 |
NJ 312+HJ 312 |
113 |
84.2 |
104 |
9 |
2.1 |
2.1 |
72 |
116 |
2.1 |
2.1 |
|
|
130 |
31 |
142 |
155 |
4500 |
5600 |
1.87 |
N 312 E |
— |
NJ 312 E+HJ 312 E |
115 |
84.3 |
— |
— |
2.1 |
2.1 |
72 |
116 |
2.1 |
2.1 |
|
|
130 |
46 |
155 |
195 |
4500 |
5600 |
2 |
N 2312 |
NF 2312 |
NJ 2312+HJ 2312 |
113 |
84.2 |
104 |
9 |
2.1 |
2.1 |
72 |
116 |
2.1 |
2.1 |
|
|
130 |
46 |
212 |
260 |
4500 |
5600 |
2.81 |
N 2312 E |
— |
NJ 2312 E+HJ 2312 E |
115 |
84.3 |
— |
— |
2.1 |
2.1 |
72 |
116 |
2.1 |
2.1 |
|
|
150 |
35 |
155 |
162 |
4000 |
5000 |
3.4 |
N 412 |
— |
NJ 412+HJ 412 |
127 |
91.8 |
116 |
10 |
2.1 |
2.1 |
72 |
— |
2.1 |
2.1 |
|
|
|
|
|
|
|
|
|
|
|
|
|
|
|
|
|
|
|
|
|
|
|
65 |
100 |
18 |
|
|
|
|
|
N 1013 |
— |
— |
90.5 |
|
|
|
1.1 |
1 |
|
|
1.1 |
1 |
|
120 |
23 |
73.2 |
87.5 |
4500 |
5600 |
1.1 |
N 213 |
NF 213 |
NJ 213+HJ 213 |
105.5 |
84.8 |
98.9 |
6 |
1.5 |
1.5 |
74 |
108 |
1.5 |
1.5 |
|
|
|
120 |
23 |
102 |
118 |
4500 |
5600 |
1.08 |
N 213 E |
— |
NJ 213 E+HJ 213 E |
108.5 |
84.6 |
— |
— |
1.5 |
1.5 |
74 |
108 |
1.5 |
1.5 |
|
|
120 |
31 |
108 |
145 |
4500 |
5600 |
— |
— |
— |
NJ 2213+HJ 2213 |
— |
84.8 |
98.6 |
6 |
1.5 |
1.5 |
74 |
— |
1.5 |
1.5 |
|
|
120 |
31 |
142 |
180 |
4500 |
5600 |
1.48 |
N 2213 E |
— |
NJ 2213 E+HJ 2213 E |
108.5 |
84.6 |
— |
— |
1.5 |
1.5 |
74 |
108 |
1.5 |
1.5 |
|
|
140 |
33 |
125 |
135 |
4000 |
5000 |
2.5 |
N 313 |
NF 313 |
NJ 313+HJ 313 |
121.5 |
91 |
112 |
10 |
2.1 |
2.1 |
77 |
125 |
2.1 |
2.1 |
|
|
140 |
33 |
170 |
188 |
4000 |
5000 |
2.31 |
N 313 E |
— |
NJ 313 E+HJ 313 E |
124.5 |
90.6 |
— |
— |
2.1 |
2.1 |
77 |
125 |
2.1 |
2.1 |
|
|
140 |
48 |
175 |
210 |
4000 |
5000 |
4 |
N 2313 |
NF 2313 |
NJ 2313+HJ 2313 |
121.5 |
91 |
112 |
10 |
2.1 |
2.1 |
77 |
125 |
2.1 |
2.1 |
|
|
140 |
48 |
235 |
285 |
4000 |
5000 |
3.34 |
N 2313 E |
— |
NJ 2313 E+HJ 2313E |
124.5 |
90.6 |
— |
— |
2.1 |
2.1 |
77 |
125 |
2.1 |
2.1 |
|
|
160 |
37 |
170 |
178 |
3800 |
4800 |
4 |
N 413 |
— |
NJ 413+ HJ 413 |
135.3 |
98.5 |
124 |
11 |
2.1 |
2.1 |
77 |
— |
2.1 |
2.1 |
|
|
|
|
|
|
|
|
|
|
|
|
|
|
|
|
|
|
|
|
|
|
|
70 |
110 |
20 |
47.5 |
57.0 |
4800 |
6000 |
0.71 |
N 1014 |
— |
— |
100 |
84.5 |
— |
— |
1.1 |
1 |
76.5 |
— |
1.1 |
1 |
|
|
125 |
24 |
73.2 |
87.5 |
4300 |
5300 |
1.3 |
N 214 |
NF 214 |
NJ 214+HJ 214 |
110.5 |
89.6 |
104 |
7 |
1.5 |
1.5 |
79 |
114 |
1.5 |
1.5 |
|
|
125 |
24 |
112 |
135 |
4300 |
5300 |
1.2 |
N 214 E |
— |
NJ 214 E+HJ 214 E |
113.5 |
89.6 |
— |
— |
1.5 |
1.5 |
79 |
114 |
1.5 |
1.5 |
|
|
125 |
31 |
108 |
145 |
4300 |
5300 |
1.7 |
— |
— |
NJ 2214+HJ 2214 |
— |
89.6 |
104 |
7 |
1.5 |
1.5 |
79 |
— |
1.5 |
1.5 |
|
|
125 |
31 |
148 |
192 |
4300 |
5300 |
1.56 |
N 2214 E |
— |
NJ 2214 E+HJ 2214 E |
113.5 |
89.6 |
— |
— |
1.5 |
1.5 |
79 |
114 |
1.5 |
1.5 |
|
|
150 |
35 |
145 |
162 |
3800 |
4800 |
3.1 |
N 314 |
NF 314 |
NJ 314+HJ 314 |
130 |
98 |
120 |
10 |
2.1 |
2.1 |
82 |
134 |
2.1 |
2.1 |
|
|
150 |
35 |
195 |
220 |
3800 |
4800 |
2.86 |
N 314 E |
— |
NJ 314 E+HJ 314 E |
133 |
97.5 |
— |
— |
2.1 |
2.1 |
82 |
134 |
2.1 |
2.1 |
|
|
150 |
51 |
212 |
260 |
3800 |
4800 |
4.4 |
N 2314 |
NF 2314 |
NJ 2314+HJ 2314 |
130 |
98 |
120 |
10 |
2.1 |
2.1 |
82 |
134 |
2.1 |
2.1 |
|
|
150 |
51 |
260 |
320 |
3800 |
4800 |
4.1 |
N 2314 E |
— |
NJ 2314 E+HJ 2314 E |
133 |
97.5 |
— |
— |
2.1 |
2.1 |
82 |
134 |
2.1 |
2.1 |
|
|
180 |
42 |
215 |
232 |
3400 |
4300 |
5.9 |
N 414 |
— |
NJ 414+HJ 414 |
152 |
110 |
139 |
12 |
3 |
3 |
84 |
— |
3 |
3 |
|
|
|
|
|
|
|
|
|
|
|
|
|
|
|
|
|
|
|
|
|
|
|
75 |
115 |
20 |
|
|
|
|
|
N 1014 |
— |
— |
105 |
|
|
|
1.1 |
1 |
|
|
1.1 |
1 |
|
130 |
25 |
89.0 |
110 |
4000 |
5000 |
1.4 |
N 215 |
N 215 |
NJ 215+HJ 215 |
118.3 |
94 |
110 |
7 |
1.5 |
1.5 |
84 |
120 |
1.5 |
1.5 |
|
|
|
130 |
25 |
125 |
155 |
4000 |
5000 |
1.32 |
N 215 E |
— |
NJ 215 E+HJ 215 E |
118.5 |
94.6 |
— |
— |
1.5 |
1.5 |
84 |
120 |
1.5 |
1.5 |
|
|
130 |
31 |
125 |
165 |
4000 |
5000 |
1.8 |
— |
— |
NJ 2215+HJ 2215 |
— |
94 |
110 |
7 |
1.5 |
1.5 |
84 |
— |
1.5 |
1.5 |
|
|
130 |
31 |
155 |
205 |
4000 |
5000 |
1.64 |
N 2215 E |
— |
NJ 2215 E+HJ 2215 E |
118.5 |
94.6 |
— |
— |
1.5 |
1.5 |
84 |
120 |
1.5 |
1.5 |
|
|
160 |
37 |
165 |
188 |
3600 |
4500 |
3.7 |
N 315 |
NF 315 |
NJ 315+HJ 315 |
139.5 |
104 |
129 |
11 |
2.1 |
2.1 |
87 |
143 |
2.1 |
2.1 |
|
|
160 |
37 |
228 |
260 |
3600 |
4500 |
3.43 |
N 315 E |
— |
NJ 315 E+HJ 315 E |
143 |
104.2 |
— |
— |
2.1 |
2.1 |
87 |
143 |
2.1 |
2.1 |
|
|
160 |
55 |
245 |
308 |
3600 |
4500 |
5.4 |
N 2315 |
NF 2315 |
NJ 2315+HJ 2315 |
139.5 |
104 |
129 |
11 |
2.1 |
2.1 |
87 |
143 |
2.1 |
2.1 |
|
|
160 |
55 |
|
|
|
|
|
N 2315 E |
NF 2315 |
NJ 2315 E+HJ 2315 E |
143 |
|
|
|
2.1 |
2.1 |
|
|
2.1 |
2.1 |
|
|
190 |
45 |
250 |
272 |
3200 |
4000 |
7.1 |
N 415 |
— |
NJ 415+HJ 415 |
160.5 |
116 |
147 |
13 |
3 |
3 |
89 |
— |
3 |
3 |
|
|
|
|
|
|
|
|
|
|
|
|
|
|
|
|
|
|
|
|
|
|
|
80 |
125 |
22 |
59.2 |
77.8 |
4300 |
5300 |
1 |
N 1016 |
— |
— |
113.5 |
— |
— |
— |
1.1 |
1 |
86.5 |
— |
1.1 |
1 |
|
|
140 |
26 |
102 |
125 |
3800 |
4800 |
1.7 |
N 216 |
NF 216 |
NJ 216+HJ 216 |
125 |
101 |
118 |
8 |
2 |
2 |
90 |
128 |
2 |
2 |
|
|
140 |
26 |
132 |
165 |
3800 |
4800 |
1.58 |
N 216 E |
— |
NJ 216 E+HJ 216 E |
127.3 |
101.1 |
— |
— |
2 |
2 |
90 |
128 |
2 |
2 |
|
|
140 |
33 |
145 |
195 |
3800 |
4800 |
2.2 |
— |
— |
NJ 2216+HJ 2216 |
— |
101 |
118 |
8 |
2 |
2 |
90 |
— |
2 |
2 |
|
|
140 |
33 |
178 |
242 |
3800 |
4800 |
2.05 |
N 2216 E |
— |
NJ 2216 E+HJ 2216 E |
127.3 |
101.1 |
— |
— |
2 |
2 |
90 |
128 |
2 |
2 |
|
|
170 |
39 |
175 |
200 |
3400 |
4300 |
4.4 |
N 316 |
NF 316 |
NJ 316+HJ 316 |
147 |
111 |
136 |
11 |
2.1 |
2.1 |
92 |
151 |
2.1 |
2.1 |
|
|
170 |
39 |
245 |
282 |
3400 |
4300 |
4.05 |
N 316 E |
— |
NJ 316 E+HJ 316 E |
151 |
110.1 |
— |
— |
2.1 |
2.1 |
92 |
151 |
2.1 |
2.1 |
|
|
170 |
58 |
258 |
328 |
3400 |
4300 |
6.4 |
N 2316 |
NF 2316 |
NJ 2316+HJ 2316 |
147 |
111 |
136 |
11 |
2.1 |
2.1 |
92 |
151 |
2.1 |
2.1 |
|
|
170 |
58 |
|
|
|
|
|
N 2316 E |
— |
NJ 2316 E+HJ 2316 E |
151 |
|
|
|
2.1 |
2.1 |
|
|
2.1 |
2.1 |
|
|
200 |
48 |
285 |
315 |
3000 |
3800 |
8.3 |
N 416 |
— |
NJ416+HJ 416 |
170 |
122 |
156 |
13 |
3 |
3 |
94 |
— |
3 |
3 |
|
|
|
|
|
|
|
|
|
|
|
|
|
|
|
|
|
|
|
|
|
|
|
85 |
130 |
22 |
|
|
|
|
|
N 1017 |
— |
— |
118.5 |
|
|
|
1.1 |
1 |
|
|
1.1 |
1 |
|
150 |
28 |
115 |
145 |
3600 |
4500 |
2.1 |
N 217 |
NF 217 |
NJ 217+HJ 217 |
135.5 |
108 |
126 |
8 |
2 |
2 |
95 |
137 |
2 |
2 |
|
|
|
150 |
28 |
158 |
192 |
3600 |
4500 |
2 |
N 217 E |
— |
NJ 217 E+HJ 217 E |
136.5 |
107.1 |
— |
— |
2 |
2 |
95 |
137 |
2 |
2 |
|
|
150 |
36 |
165 |
230 |
3600 |
4500 |
2.8 |
— |
— |
N 2217+HJ 2217 |
— |
108 |
126 |
8 |
2 |
2 |
95 |
— |
2 |
2 |
|
|
150 |
36 |
205 |
272 |
3600 |
4500 |
2.58 |
N 2217 E |
— |
NJ 2217 E+HJ 2217 E |
136.5 |
107.1 |
— |
— |
2 |
2 |
95 |
137 |
2 |
2 |
|
|
180 |
41 |
212 |
242 |
3200 |
4000 |
5.2 |
N 317 |
NF 317 |
NJ 317+HJ 317 |
156 |
117 |
144 |
12 |
3 |
3 |
99 |
160 |
3 |
3 |
|
|
180 |
41 |
280 |
332 |
3200 |
4000 |
4.82 |
N 317 E |
— |
— |
160 |
117.4 |
— |
— |
3 |
3 |
99 |
160 |
3 |
3 |
|
|
180 |
60 |
295 |
380 |
3200 |
4000 |
7.4 |
N 2317 |
NF 2317 |
NJ 2317+HJ 2317 |
156 |
117 |
144 |
12 |
3 |
3 |
99 |
160 |
3 |
3 |
|
|
180 |
60 |
|
|
|
|
|
N 2317 E |
— |
NJ 2317 E+HJ 2317 E |
160 |
|
|
|
3 |
3 |
|
|
3 |
3 |
|
|
210 |
52 |
312 |
345 |
2800 |
3600 |
9.8 |
N 417 |
— |
NJ 417+HJ 417 |
177 |
126 |
162 |
14 |
4 |
4 |
103 |
— |
4 |
4 |
|
|
|
|
|
|
|
|
|
|
|
|
|
|
|
|
|
|
|
|
|
|
|
90 |
140 |
24 |
74.0 |
94.8 |
3800 |
4800 |
1.36 |
N 1018 |
— |
— |
127 |
— |
— |
— |
1.5 |
1.1 |
98 |
— |
1.5 |
1.1 |
|
|
160 |
30 |
142 |
178 |
3400 |
4300 |
2.5 |
N 218 |
NF 218 |
NJ 218+HJ 218 |
143 |
114 |
134 |
9 |
2 |
2 |
100 |
146 |
2 |
2 |
|
|
160 |
30 |
172 |
215 |
3400 |
4300 |
2.44 |
N 218 E |
— |
NJ 218 E+HJ 218 E |
145 |
113.9 |
— |
— |
2 |
2 |
100 |
146 |
2 |
2 |
|
|
160 |
40 |
192 |
268 |
3400 |
4300 |
3.5 |
— |
— |
NJ 2218+HJ 2218 |
— |
114 |
134 |
9 |
2 |
2 |
100 |
— |
2 |
2 |
|
|
160 |
40 |
230 |
312 |
3400 |
4300 |
3.26 |
N 2218 E |
— |
NJ 2218 E+HJ 2218 E |
145 |
113.9 |
— |
— |
2 |
2 |
100 |
146 |
2 |
2 |
|
|
190 |
43 |
228 |
265 |
3000 |
3800 |
6.1 |
N 318 |
NF 318 |
NJ 318+HJ 318 |
165 |
125 |
153 |
12 |
3 |
3 |
104 |
169 |
3 |
3 |
|
|
190 |
43 |
298 |
348 |
3000 |
3800 |
5.59 |
N 318 E |
— |
NJ 318 E+HJ 318 E |
169.5 |
123.7 |
— |
— |
3 |
3 |
104 |
169 |
3 |
3 |
|
|
190 |
64 |
310 |
395 |
3000 |
3800 |
8.4 |
N 2318 |
NF 2138 |
NJ 2318+HJ 2318 |
165 |
125 |
153 |
12 |
3 |
3 |
104 |
169 |
3 |
3 |
|
|
190 |
64 |
|
|
|
|
|
N 2318 E |
— |
NJ 2318 E+HJ 2318 E |
169.5 |
|
|
|
3 |
3 |
|
|
3 |
3 |
|
|
225 |
54 |
352 |
392 |
2400 |
3200 |
11 |
N 418 |
— |
NJ 418+HJ 418 |
191.5 |
137 |
175 |
14 |
4 |
4 |
108 |
— |
4 |
4 |
|
|
|
|
|
|
|
|
|
|
|
|
|
|
|
|
|
|
|
|
|
|
|
95 |
145 |
24 |
|
|
|
|
|
N 1019 |
— |
— |
132 |
|
|
|
1.5 |
1.1 |
|
|
1.5 |
1.1 |
|
170 |
32 |
152 |
190 |
3200 |
4000 |
3.2 |
N 219 |
NF 219 |
NJ 219+HJ 219 |
151.5 |
121 |
142 |
9 |
2.1 |
2.1 |
107 |
155 |
2.1 |
2.1 |
|
|
|
170 |
32 |
208 |
262 |
3200 |
4000 |
2.96 |
N 219 E |
— |
NJ 219 E+HJ 219 E |
154.5 |
120.2 |
— |
— |
2.1 |
2.1 |
107 |
155 |
2.1 |
2.1 |
|
|
170 |
43 |
215 |
298 |
3200 |
4000 |
4.5 |
— |
— |
NJ 2219+HJ 2219 |
— |
121 |
142 |
9 |
2.1 |
2.1 |
107 |
— |
2.1 |
2.1 |
|
|
170 |
43 |
275 |
368 |
3200 |
4000 |
3.97 |
N 2219 E |
— |
NJ 2219 E+HJ 2219 E |
154.5 |
120.2 |
— |
— |
2.1 |
2.1 |
107 |
155 |
2.1 |
2.1 |
|
|
200 |
45 |
245 |
288 |
2800 |
3600 |
7 |
N 319 |
NF 319 |
NJ 319+HJ 319 |
173.5 |
132 |
163 |
13 |
3 |
3 |
109 |
178 |
3 |
3 |
|
|
200 |
45 |
315 |
380 |
2800 |
3600 |
6.52 |
N 319 E |
— |
NJ 319 E+HJ 319 E |
177.5 |
131.7 |
— |
— |
3 |
3 |
109 |
178 |
3 |
3 |
|
|
200 |
67 |
370 |
500 |
2800 |
3600 |
10.4 |
N 2319 |
NF 2319 |
NJ 2319+HJ 2319 |
173.5 |
132 |
161 |
13 |
3 |
3 |
190 |
178 |
3 |
3 |
|
|
200 |
67 |
|
|
|
|
|
N 2319 E |
— |
NJ 2319 E+HJ 2319 E |
177.5 |
|
|
|
3 |
3 |
|
|
3 |
3 |
|
|
240 |
55 |
378 |
428 |
2200 |
3000 |
14 |
N 419 |
— |
NJ 419+HJ 419 |
201.5 |
147 |
185 |
15 |
4 |
4 |
113 |
— |
4 |
4 |
|
|
|
|
|
|
|
|
|
|
|
|
|
|
|
|
|
|
|
|
|
|
|
100 |
150 |
24 |
78.0 |
102 |
3400 |
4300 |
1.5 |
N 1020 |
— |
— |
137 |
— |
— |
— |
1.5 |
1.1 |
108 |
— |
1.5 |
1.1 |
|
|
180 |
34 |
168 |
212 |
3000 |
3800 |
3.5 |
N 220 |
NF 220 |
NJ 220+HJ 220 |
160 |
128 |
150 |
10 |
2.1 |
2.1 |
112 |
164 |
2.1 |
2.1 |
|
|
180 |
34 |
235 |
302 |
3000 |
3800 |
3.58 |
N 220 E |
— |
NJ 219 E+HJ 219 E |
163 |
127 |
— |
— |
2.1 |
2.1 |
112 |
164 |
2.1 |
2.1 |
|
|
180 |
46 |
240 |
335 |
3000 |
3800 |
5.2 |
— |
— |
NJ 2220+HJ 2220 |
— |
128 |
150 |
10 |
2.1 |
2.1 |
112 |
— |
2.1 |
2.1 |
|
|
180 |
46 |
318 |
440 |
3000 |
3800 |
4.86 |
N 2220 E |
— |
NJ 2220 E+HJ 2220 E |
163 |
127 |
— |
— |
2.1 |
2.1 |
112 |
164 |
2.1 |
2.1 |
|
|
215 |
47 |
282 |
340 |
2600 |
3200 |
8.6 |
N 320 |
NF 320 |
NJ 320+HJ 320 |
185.5 |
140 |
172 |
13 |
3 |
3 |
114 |
190 |
3 |
3 |
|
|
215 |
47 |
365 |
425 |
2600 |
3200 |
7.89 |
N 320 E |
— |
NJ 320 E+HJ 320 E |
191.5 |
139.1 |
— |
— |
3 |
3 |
114 |
190 |
3 |
3 |
|
|
215 |
73 |
415 |
558 |
2600 |
3200 |
13.5 |
N 2320 |
NF 2320 |
NJ 2320+HJ 2320 |
185.5 |
140 |
172 |
13 |
3 |
3 |
114 |
190 |
3 |
3 |
|
|
2115 |
73 |
|
|
|
|
|
N 2320 E |
— |
NJ 2320 E+HJ 2320 E |
191.5 |
|
|
|
3 |
3 |
|
|
3 |
3 |
|
|
250 |
58 |
418 |
480 |
2000 |
2800 |
16 |
N 420 |
— |
NJ 420+HJ 420 |
211 |
153 |
194 |
16 |
4 |
4 |
118 |
— |
4 |
4 |

