|
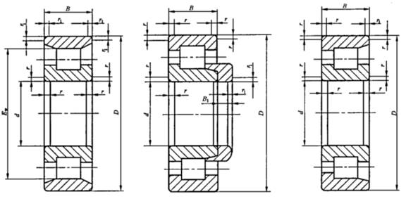
圆柱滚子轴承(GB/T 283—2007) |
||||||||||||||||||||
|
N型 NH型(NJ+HJ) NF型 符号含义与应用 N—外圈无挡边 NF—外圈有单挡边 NH—内圈有单挡边(NJ)并带斜挡圈(HJ) 应用基本同前。N型不能承受轴向载荷,不能限制轴或外壳的轴向位移,常用作游动支承。NF型在有挡边一侧能承受较小轴向载荷,并能限制单向轴向位移,常成对使用。NH型能承受较小的双向轴向载荷,并能限制双向轴向位移。 |
||||||||||||||||||||
|
基本尺寸/mm |
基本额定 载荷/kN |
极限转速 /r·min-1 |
重量 /kg |
轴承代号 |
其他尺寸/mm |
安装尺寸/mm |
||||||||||||||
|
d |
D |
B |
Cr |
C0r |
脂 |
油 |
W≈ |
N型 |
NF型 |
NH(NJ+HJ)型 |
EW |
d2 |
D2 |
B1 |
r min |
r1 min |
da min |
Da max |
ra max |
rb max |
|
15 |
35 |
11 |
7.98 |
5.5 |
15000 |
19000 |
— |
N 202 |
NF 202 |
— |
29.3 |
22 |
26.4 |
— |
0.6 |
0.3 |
19 |
— |
0.6 |
0.3 |
|
|
35 |
11 |
|
|
|
|
|
N 202 E |
— |
NJ 202 E+HJ 202 E |
30.3 |
|
|
|
0.6 |
0.3 |
|
|
0.6 |
0.3 |
|
|
|
|
|
|
|
|
|
|
|
|
|
|
|
|
|
|
|
|
|
|
|
17 |
40 |
12 |
9.12 |
7.0 |
14000 |
18000 |
— |
N 203 |
NF 203 |
— |
33.9 |
25.5 |
30.9 |
— |
0.6 |
0.3 |
21 |
— |
0.6 |
0.3 |
|
|
40 |
12 |
|
|
|
|
|
N 203 |
— |
NJ 203 E+HJ 203 E |
35.1 |
|
|
|
0.6 |
0.3 |
|
|
0.6 |
0.3 |
|
|
40 |
14 |
|
|
|
|
|
N 303 E |
— |
NJ 303 E+HJ 303 E |
40.2 |
|
|
|
1 |
0.6 |
|
|
1 |
0.6 |
|
|
40 |
16 |
|
|
|
|
|
N 2203 E |
— |
NJ 2203 E+HJ 2203 E |
35.1 |
|
|
|
0.6 |
0.6 |
|
|
0.6 |
0.6 |
|
|
|
|
|
|
|
|
|
|
|
|
|
|
|
|
|
|
|
|
|
|
|
20 |
42 |
12 |
10.5 |
8.0 |
13000 |
17000 |
0.09 |
N 1004 |
— |
— |
36.5 |
28.3 |
— |
— |
0.6 |
0.3 |
24 |
— |
0.6 |
0.3 |
|
|
47 |
14 |
12.5 |
11.0 |
12000 |
16000 |
0.11 |
N 204 |
NF 204 |
NJ 204+HJ 204 |
40 |
29.9 |
36.7 |
3 |
1 |
0.6 |
25 |
42 |
1 |
0.6 |
|
|
47 |
14 |
25.8 |
24.0 |
12000 |
16000 |
0.117 |
N 204 E |
— |
NJ 204 E+HJ 204 E |
41.5 |
29.7 |
— |
— |
1 |
0.6 |
25 |
42 |
1 |
0.6 |
|
|
47 |
18 |
|
|
|
|
|
N 2204 |
— |
NJ 2204+HJ 2204 |
40 |
|
|
|
|
|
|
|
|
|
|
|
47 |
18 |
30.8 |
30.0 |
12000 |
16000 |
0.149 |
N 2204 E |
— |
NJ 2204 E+HJ 2204 E |
41.5 |
29.7 |
— |
— |
1 |
0.6 |
25 |
42 |
1 |
0.6 |
|
|
52 |
15 |
18.0 |
15.0 |
11000 |
15000 |
0.17 |
N 304 |
NF 304 |
NJ 304+HJ 304 |
44.5 |
31.8 |
39.8 |
4 |
1.1 |
0.6 |
26.5 |
47 |
1.1 |
0.6 |
|
|
52 |
15 |
29.0 |
25.5 |
11000 |
15000 |
0.155 |
N 304 E |
— |
NJ 304 E+HJ 304 E |
45.5 |
31.2 |
— |
— |
1.1 |
0.6 |
26.5 |
47 |
1.1 |
0.6 |
|
|
52 |
21 |
|
|
|
|
|
N 2304 |
— |
NJ 2304+HJ 2304 |
44.5 |
|
|
|
1.1 |
0.6 |
|
|
1.1 |
0.6 |
|
|
52 |
21 |
39.2 |
37.5 |
10000 |
14000 |
0.216 |
N 2304 E |
— |
NJ 2304 E+HJ 2304 E |
45.5 |
31.2 |
— |
— |
1.1 |
0.6 |
26.5 |
47 |
1.1 |
0.6 |
|
|
|
|
|
|
|
|
|
|
|
|
|
|
|
|
|
|
|
|
|
|
|
25 |
47 |
12 |
11.0 |
10.2 |
11000 |
15000 |
0.1 |
N 1005 E |
— |
— |
41.5 |
— |
— |
— |
0.6 |
0.3 |
29 |
— |
0.6 |
0.3 |
|
|
52 |
15 |
14.2 |
12.8 |
11000 |
14000 |
0.16 |
N 205 |
NF 205 |
NJ 205+HJ 205 |
45 |
34.9 |
41.6 |
3 |
1 |
0.6 |
30 |
47 |
1 |
0.6 |
|
|
52 |
15 |
27.5 |
26.8 |
11000 |
14000 |
0.14 |
N 205 E |
— |
NJ 205 E+HJ 205 E |
46.5 |
34.7 |
— |
— |
1 |
0.6 |
30 |
47 |
1 |
0.6 |
|
|
52 |
18 |
21.2 |
19.8 |
11000 |
14000 |
— |
N 2205 |
— |
NJ 2205+HJ 2205 |
— |
34.9 |
41.6 |
3 |
1 |
0.6 |
30 |
— |
1 |
0.6 |
|
|
52 |
18 |
32.8 |
33.8 |
11000 |
14000 |
0.168 |
N 2205 E |
— |
— |
46.5 |
34.7 |
— |
— |
1 |
0.6 |
30 |
47 |
1 |
0.6 |
|
|
62 |
17 |
25.5 |
22.5 |
9000 |
12000 |
0.2 |
N 305 |
NF 305 |
NJ 305+HJ 305 |
53 |
39 |
48 |
4 |
1.1 |
1.1 |
31.5 |
55 |
1.1 |
1.1 |
|
|
62 |
17 |
38.5 |
35.8 |
9000 |
12000 |
0.251 |
N 305 E |
— |
NJ 305 E+HJ 305 E |
54 |
38.1 |
— |
— |
1.1 |
1.1 |
31.5 |
55 |
1.1 |
1.1 |
|
|
62 |
24 |
38.5 |
39.2 |
9000 |
12000 |
— |
N 2305 |
NF 2305 |
NJ 2305+HJ 2305 |
53 |
39 |
48 |
— |
1.1 |
1.1 |
31.5 |
55 |
1.1 |
1.1 |
|
|
62 |
24 |
53.2 |
54.5 |
9000 |
12000 |
0.355 |
N 2305 E |
— |
NJ 2305 E+HJ 2305 E |
54 |
38.1 |
|
— |
1.1 |
1.1 |
31.5 |
55 |
1.1 |
1.1 |
|
|
|
|
|
|
|
|
|
|
|
|
|
|
|
|
|
|
|
|
|
|
|
30 |
55 |
13 |
|
|
|
|
|
N 1006 E |
— |
— |
41.5 |
|
|
|
1 |
0.3 |
|
|
1 |
0.3 |
|
62 |
16 |
19.5 |
18.2 |
8500 |
11000 |
0.2 |
N 206 |
NF 206 |
NJ 206+HJ 206 |
53.5 |
41.8 |
49.1 |
4 |
1 |
0.6 |
36 |
56 |
1 |
0.6 |
|
|
|
62 |
16 |
36.0 |
35.5 |
8500 |
11000 |
0.214 |
N 206 E |
— |
NJ 206 E+HJ 206 E |
55.5 |
41.3 |
— |
— |
1 |
0.6 |
36 |
56 |
1 |
0.6 |
|
|
62 |
20 |
28.8 |
30.2 |
8500 |
11000 |
0.29 |
— |
— |
HJ 2206+HJ 2206 |
— |
41.8 |
49.1 |
4 |
1 |
0.6 |
36 |
— |
1 |
0.6 |
|
|
62 |
20 |
45.5 |
48.0 |
8500 |
11000 |
0.268 |
N 2206 E |
— |
HJ 2206 E+HJ 2206 E |
55.5 |
41.3 |
— |
— |
1 |
0.6 |
36 |
56 |
1 |
0.6 |
|
|
72 |
19 |
33.5 |
31.5 |
8000 |
10000 |
0.3 |
N 306 |
NF 306 |
NJ 306+HJ 306 |
62 |
45.9 |
56.7 |
5 |
1.1 |
1.1 |
37 |
64 |
1.1 |
1.1 |
|
|
72 |
19 |
49.2 |
48.2 |
8000 |
10000 |
0.377 |
N 306 E |
— |
NJ 306 E+HJ 306 E |
62.5 |
45 |
— |
— |
1.1 |
1.1 |
37 |
64 |
1.1 |
1.1 |
|
|
72 |
27 |
46.5 |
47.5 |
8000 |
10000 |
0.6 |
N 2306 |
NF 2306 |
NJ 2306+HJ 2306 |
62 |
45.9 |
56.7 |
— |
1.1 |
1.1 |
37 |
64 |
1.1 |
1.1 |
|
|
72 |
27 |
70.0 |
75.5 |
8000 |
10000 |
0.538 |
N 2306 E |
— |
NJ 2306 E+HJ 2306 E |
62.5 |
45 |
— |
— |
1.1 |
1.1 |
37 |
64 |
1.1 |
1.1 |
|
|
90 |
23 |
57.2 |
53.0 |
7000 |
9000 |
0.73 |
N 406 |
— |
NJ 406+HJ 406 |
73 |
50.5 |
65.8 |
7 |
1.5 |
1.5 |
39 |
— |
1.5 |
1.5 |
|
|
|
|
|
|
|
|
|
|
|
|
|
|
|
|
|
|
|
|
|
|
|
35 |
62 |
14 |
|
|
|
|
|
N 1007 |
— |
— |
55 |
|
|
|
1 |
0.6 |
|
|
1 |
0.6 |
|
72 |
17 |
28.5 |
28.0 |
7500 |
9500 |
0.3 |
N 207 |
NF 207 |
NJ 207+HJ 207 |
61.8 |
47.6 |
56.8 |
4 |
1.1 |
0.6 |
42 |
64 |
1.1 |
0.6 |
|
|
|
72 |
17 |
46.5 |
48.0 |
7500 |
9500 |
0.311 |
N 207 E |
— |
NJ 207 E+HJ 207 E |
64 |
48.3 |
— |
— |
1.1 |
0.6 |
42 |
64 |
1.1 |
0.6 |
|
|
72 |
23 |
43.8 |
48.5 |
7500 |
9500 |
0.45 |
— |
— |
HJ 2207+HJ 2207 |
— |
47.6 |
56.8 |
4 |
1.1 |
0.6 |
42 |
— |
1.1 |
0.6 |
|
|
72 |
23 |
57.5 |
63.0 |
7500 |
9500 |
0.414 |
N 2207 E |
— |
NJ 2207 E+HJ 2207 E |
64 |
48.3 |
— |
— |
1.1 |
0.6 |
42 |
64 |
1.1 |
0.6 |
|
|
80 |
21 |
41.0 |
39.2 |
7000 |
9000 |
0.56 |
N 307 |
NF 307 |
NJ 307+HJ 307 |
68.2 |
50.8 |
62.4 |
6 |
1.5 |
1.1 |
44 |
71 |
1.5 |
1.1 |
|
|
80 |
21 |
62.0 |
63.2 |
7000 |
9000 |
0.501 |
N 307 E |
— |
NJ 307 E+HJ 307 E |
70.2 |
51.1 |
— |
— |
1.5 |
1.1 |
44 |
71 |
1.5 |
1.1 |
|
|
80 |
31 |
54.8 |
57.0 |
7000 |
9000 |
0.85 |
N 2307 |
NF 2307 |
NJ 2307+HJ 2307 |
68.2 |
50.8 |
62.4 |
— |
1.5 |
1.1 |
44 |
71 |
1.5 |
1.1 |
|
|
80 |
31 |
87.5 |
98.2 |
7000 |
9000 |
0.738 |
N 2307 E |
— |
NJ 2307 E+HJ 2307 E |
70.2 |
51.5 |
— |
— |
1.5 |
1.1 |
44 |
71 |
1.5 |
1.1 |
|
|
100 |
25 |
70.8 |
68.2 |
6000 |
7500 |
0.94 |
N 407 |
— |
NJ 407+HJ 407 |
83 |
59 |
75.3 |
8 |
1.5 |
1.5 |
44 |
— |
1.5 |
1.5 |
|
|
|
|
|
|
|
|
|
|
|
|
|
|
|
|
|
|
|
|
|
|
|
40 |
68 |
15 |
21.2 |
22.0 |
7500 |
9500 |
0.22 |
N 1008 |
— |
— |
61 |
50.3 |
— |
— |
1 |
0.6 |
45 |
— |
1 |
0.6 |
|
|
80 |
18 |
37.5 |
38.2 |
7000 |
9000 |
0.4 |
N 208 |
NF 208 |
NJ 208+HJ 208 |
70 |
54.2 |
64.7 |
5 |
1.1 |
1.1 |
47 |
72 |
1.1 |
1.1 |
|
|
80 |
18 |
51.5 |
53.0 |
7000 |
9000 |
0.394 |
N 208 E |
— |
NJ 208 E+HJ 208 E |
71.5 |
54.2 |
— |
— |
1.1 |
1.1 |
47 |
72 |
1.1 |
1.1 |
|
|
80 |
23 |
52.0 |
57.8 |
7000 |
9000 |
0.53 |
— |
— |
NJ 2208+HJ 2208 |
— |
54.2 |
64.7 |
5 |
1.1 |
1.1 |
47 |
— |
1.1 |
1.1 |
|
|
80 |
23 |
67.5 |
75.2 |
7000 |
9000 |
0.507 |
N 2208 E |
— |
NJ 2208 E+HJ 2208 E |
71.5 |
54.2 |
— |
— |
1.1 |
1.1 |
47 |
72 |
1.1 |
1.1 |
|
|
90 |
23 |
48.8 |
47.5 |
6300 |
8000 |
0.7 |
N 308 |
NF 308 |
NJ 308+HJ 308 |
77.5 |
58.4 |
71.2 |
7 |
1.5 |
1.5 |
49 |
80 |
1.5 |
1.5 |
|
|
90 |
23 |
76.8 |
77.8 |
6300 |
8000 |
0.68 |
N 308 E |
— |
NJ 308 E+HJ 308 E |
80 |
57.7 |
— |
— |
1.5 |
1.5 |
49 |
80 |
1.5 |
1.5 |
|
|
90 |
33 |
70.8 |
76.8 |
6300 |
8000 |
1.1 |
N 2308 |
NF 2308 |
NJ 2308+HJ 2308 |
77.5 |
58.4 |
71.2 |
— |
1.5 |
1.5 |
49 |
80 |
1.5 |
1.5 |
|
|
90 |
33 |
105 |
118 |
6300 |
8000 |
0.974 |
N 2308 E |
— |
NJ 2308 E+HJ 2308 E |
80 |
57.7 |
— |
— |
1.5 |
1.5 |
49 |
80 |
1.5 |
1.5 |
|
|
110 |
27 |
90.5 |
89.8 |
5600 |
7000 |
1.25 |
N 408 |
— |
NJ 408+HJ 408 |
92 |
64.8 |
83.3 |
8 |
2 |
2 |
50 |
— |
2 |
2 |
|
|
|
|
|
|
|
|
|
|
|
|
|
|
|
|
|
|
|
|
|
|
|
45 |
75 |
16 |
|
|
|
|
|
N 1009 |
— |
— |
67.5 |
|
|
|
1 |
0.6 |
|
|
1 |
0.6 |
|
85 |
19 |
39.8 |
41.0 |
6300 |
8000 |
0.5 |
N 209 |
NF 209 |
NJ 209+HJ 209 |
75 |
59 |
69.7 |
5 |
1.1 |
1.1 |
52 |
77 |
1.1 |
1.1 |
|
|
|
85 |
19 |
58.5 |
63.8 |
6300 |
8000 |
0.45 |
N 209 E |
— |
NJ 209 E+HJ 209 E |
76.5 |
59.2 |
— |
— |
1.1 |
1.1 |
52 |
77 |
1.1 |
1.1 |
|
|
85 |
23 |
54.8 |
62.2 |
6300 |
8000 |
0.59 |
— |
— |
NJ 2209+HJ 2209 |
— |
59 |
69.7 |
5 |
1.1 |
1.1 |
52 |
— |
1.1 |
1.1 |
|
|
85 |
23 |
71.0 |
82.0 |
6300 |
8000 |
0.55 |
N 2209 E |
— |
NJ 2209 E+HJ 2209 E |
76.5 |
59.2 |
— |
— |
1.1 |
1.1 |
52 |
77 |
1.1 |
1.1 |
|
|
100 |
25 |
66.8 |
66.8 |
5600 |
7000 |
0.9 |
N 309 |
NF 309 |
NJ 309+HJ 309 |
86.5 |
64 |
79.3 |
7 |
1.5 |
1.5 |
54 |
89 |
1.5 |
1.5 |
|
|
100 |
25 |
93.0 |
98.0 |
5600 |
7000 |
0.93 |
N 309 E |
— |
NJ 309 E+HJ 309 E |
88.5 |
64.7 |
— |
— |
1.5 |
1.5 |
54 |
89 |
1.5 |
1.5 |
|
|
100 |
36 |
91.5 |
100 |
5600 |
7000 |
1.5 |
N 2309 |
NF 2309 |
NJ 2309+HJ 2309 |
86.5 |
64 |
79.6 |
— |
1.5 |
1.5 |
54 |
89 |
1.5 |
1.5 |
|
|
100 |
36 |
130 |
152 |
5600 |
7000 |
1.34 |
N 2309 E |
— |
NJ 2309 E+HHJ 2309 E |
88.5 |
64.7 |
— |
— |
1.5 |
1.5 |
54 |
89 |
1.5 |
1.5 |
|
|
120 |
29 |
102 |
100 |
5000 |
6300 |
1.8 |
N 409 |
— |
NJ 409+HJ 409 |
100.5 |
71.8 |
91.4 |
8 |
2 |
2 |
55 |
— |
2 |
2 |
|
|
|
|
|
|
|
|
|
|
|
|
|
|
|
|
|
|
|
|
|
|
|
50 |
80 |
16 |
25.0 |
27.5 |
6300 |
8000 |
— |
N1010 |
— |
— |
72.5 |
— |
— |
— |
1 |
0.6 |
55 |
— |
1 |
0.6 |
|
|
90 |
20 |
43.2 |
48.5 |
6000 |
7500 |
0.6 |
N 210 |
NF 210 |
NJ 210+HJ 210 |
80.4 |
64.6 |
75.1 |
5 |
1.1 |
1.1 |
57 |
83 |
1.1 |
1.1 |
|
|
90 |
20 |
61.2 |
69.2 |
6000 |
7500 |
0.505 |
N 210 E |
— |
NJ 210 E+HJ 210 E |
81.5 |
64.2 |
— |
— |
1.1 |
1.1 |
57 |
83 |
1.1 |
1.1 |
|
|
90 |
23 |
57.2 |
69.2 |
6000 |
7500 |
0.65 |
— |
— |
NJ 2210+HJ 2210 |
— |
64.6 |
75.1 |
5 |
1.1 |
1.1 |
57 |
— |
1.1 |
1.1 |
|
|
90 |
23 |
74.2 |
88.8 |
6000 |
7500 |
0.59 |
N 2210 E |
— |
NJ 2210 E+HJ 2210 E |
81.5 |
64.2 |
— |
— |
1.1 |
1.1 |
57 |
83 |
1.1 |
1.1 |
|
|
110 |
27 |
76.0 |
79.5 |
5300 |
6700 |
1.2 |
N 310 |
NF 310 |
NJ 310+HJ 310 |
95 |
71 |
87.3 |
8 |
2 |
2 |
60 |
98 |
2 |
2 |
|
|
110 |
27 |
105 |
112 |
5300 |
6700 |
1.2 |
N 310 E |
— |
NJ 310 E+HJ 310 E |
97 |
71.2 |
— |
— |
2 |
2 |
60 |
98 |
2 |
2 |
|
|
110 |
40 |
112 |
132 |
5300 |
6700 |
1.85 |
N 2310 |
NF 2310 |
NJ 2310+H J2310 |
95 |
71 |
87.3 |
8 |
2 |
2 |
60 |
98 |
2 |
2 |
|
|
110 |
40 |
155 |
185 |
5300 |
6700 |
1.79 |
N 2310 E |
— |
NJ 2310 E+HJ 2310 E |
97 |
71.2 |
— |
— |
2 |
2 |
60 |
98 |
2 |
2 |
|
|
130 |
31 |
120 |
120 |
4800 |
6000 |
2.3 |
N 410 |
— |
NJ 410+HJ 410 |
110.8 |
78.8 |
101 |
9 |
2.1 |
2.1 |
62 |
— |
2.1 |
2.1 |
|
|
|
|
|
|
|
|
|
|
|
|
|
|
|
|
|
|
|
|
|
|
|
55 |
90 |
18 |
35.8 |
40.0 |
5600 |
7000 |
0.45 |
N 1011 |
— |
— |
81.5 |
— |
— |
— |
1.1 |
1 |
61.5 |
— |
1.1 |
1 |
|
|
100 |
21 |
52.8 |
60.2 |
5300 |
6700 |
0.7 |
N 211 |
NF 211 |
NJ 211+HJ 211 |
88.5 |
70.8 |
82.7 |
6 |
1.5 |
1.1 |
64 |
91 |
1.5 |
1.1 |
|
|
100 |
21 |
80.2 |
95.5 |
5300 |
6700 |
0.68 |
N 211 E |
— |
NJ 211 E+HJ 211 E |
90.0 |
70.2 |
— |
— |
1.5 |
1.1 |
64 |
91 |
1.5 |
1.1 |
|
|
100 |
25 |
70.8 |
87.5 |
5300 |
6700 |
0.86 |
— |
— |
NJ 2211+HJ 2211 |
— |
70.8 |
82.7 |
6 |
1.5 |
1.1 |
64 |
— |
1.5 |
1.1 |
|
|
100 |
25 |
94.8 |
118 |
5300 |
6700 |
0.81 |
N 2211 E |
— |
NJ 2211 E+HJ 2211 E |
90 |
70.9 |
— |
— |
1.5 |
1.1 |
64 |
91 |
1.5 |
1.1 |
|
|
120 |
29 |
97.8 |
105 |
4800 |
6000 |
1.7 |
N 311 |
NF 311 |
NJ 311+HJ 311 |
104.5 |
77.2 |
95.8 |
9 |
2 |
2 |
65 |
107 |
2 |
2 |
|
|
120 |
29 |
128 |
138 |
4800 |
6000 |
1.53 |
N 311 E |
— |
NJ 311 E+HJ 311 E |
106.5 |
77.4 |
— |
— |
2 |
2 |
65 |
107 |
2 |
2 |
|
|
120 |
43 |
130 |
148 |
4800 |
6000 |
2.4 |
N 2311 |
NF 2311 |
NJ 2311+HJ 2311 |
104.5 |
77.2 |
95.8 |
9 |
2 |
2 |
65 |
107 |
2 |
2 |
|
|
120 |
43 |
190 |
228 |
4800 |
6000 |
2.28 |
N 2311 E |
— |
NJ 2311 E+HJ 2311 E |
106.5 |
77.4 |
— |
— |
2 |
2 |
65 |
107 |
2 |
2 |
|
|
140 |
33 |
128 |
132 |
4300 |
5300 |
2.8 |
N 411 |
— |
NJ 411+HJ 411 |
117.2 |
85.2 |
108 |
10 |
2.1 |
2.1 |
67 |
— |
2.1 |
2.1 |

