|
调心球轴承(GB/T 281—2013) |
|||||||||||||||||||
|
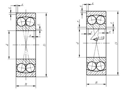
圆柱孔调心球轴承10000型 圆锥孔调心球轴承10000K型 径向当量动载荷: 当Fa/Fr≤e,Pr=Fr+Y1Fa 当Fa/Fr>e,Pr=0.65Fr+Y2Fa 径向当量静载荷:P0r=Fr+Y0Fa 符号含义与应用 K—圆锥孔(锥度1∶12) TN—尼龙保持架 M—黄铜实体保持架 这类轴承有自动调心性能,但内、外套圈轴线斜度不得大于3°。主要承受径向载荷,也可同时承受少量轴向载荷,不用于纯轴向载荷。 |
|||||||||||||||||||
|
基本尺寸 /mm |
基本额定 载荷/kN |
极限转速 /r·min-1 |
重量 /kg |
轴承代号 |
其他尺寸 /mm |
安装尺寸/mm |
计 算 系 数 |
||||||||||||
|
d |
D |
B |
Cr |
C0r |
脂 |
油 |
W ≈ |
圆柱孔 10000 (TN、M)型 |
圆锥孔 10000 K (KTN、KM)型 |
d2 |
D2 |
r min |
da max |
Da max |
ra max |
e |
Y1 |
Y2 |
Y0 |
|
5 |
19 |
6 |
|
|
|
|
|
135 |
— |
|
|
0.3 |
|
|
|
|
|
|
|
|
|
|
|
|
|
|
|
|
|
|
|
|
|
|
|
|
|
|
|
|
|
6 |
19 |
6 |
|
|
|
|
|
126 |
— |
|
|
0.3 |
|
|
|
|
|
|
|
|
|
|
|
|
|
|
|
|
|
|
|
|
|
|
|
|
|
|
|
|
|
7 |
22 |
7 |
|
|
|
|
|
127 |
— |
|
|
|
|
|
|
|
|
|
|
|
|
|
|
|
|
|
|
|
|
|
|
|
|
|
|
|
|
|
|
|
|
9 |
26 |
8 |
|
|
|
|
|
129 |
— |
|
|
|
|
|
|
|
|
|
|
|
|
|
|
|
|
|
|
|
|
|
|
|
|
|
|
|
|
|
|
|
|
10 |
30 |
9 |
5.48 |
1.20 |
24000 |
28000 |
0.035 |
1200 |
1200 K |
16.7 |
24.4 |
0.6 |
15 |
25 |
0.6 |
0.32 |
2.0 |
3.0 |
2.0 |
|
|
30 |
9 |
5.40 |
1.20 |
24000 |
28000 |
0.035 |
1200 TN |
1200 KTN |
16.7 |
23.5 |
0.6 |
15 |
25 |
0.6 |
0.31 |
2.1 |
3.17 |
2.1 |
|
|
30 |
14 |
7.12 |
1.58 |
24000 |
28000 |
0.050 |
2200 |
— |
15.3 |
23.32 |
0.6 |
15 |
25 |
0.6 |
0.62 |
1.0 |
1.6 |
1.1 |
|
|
30 |
14 |
8.00 |
1.70 |
24000 |
28000 |
0.054 |
2200 TN |
— |
15.6 |
23.3 |
0.6 |
15 |
25 |
0.6 |
0.48 |
1.3 |
2.0 |
1.4 |
|
|
35 |
11 |
7.22 |
1.62 |
20000 |
24000 |
0.06 |
1300 |
1300 K |
— |
— |
0.6 |
15 |
30 |
0.6 |
0.33 |
1.9 |
3.0 |
2.0 |
|
|
35 |
11 |
7.30 |
1.60 |
20000 |
24000 |
0.062 |
1300 TN |
— |
18.5 |
26.4 |
0.6 |
15 |
30 |
0.6 |
0.33 |
1.9 |
3.0 |
2.0 |
|
|
35 |
17 |
11.0 |
2.45 |
18000 |
22000 |
0.09 |
2300 |
2300 K |
— |
— |
0.6 |
15 |
30 |
0.6 |
0.66 |
0.95 |
1.5 |
1.0 |
|
|
35 |
17 |
10.8 |
2.40 |
18000 |
22000 |
0.097 |
2300 TN |
— |
17.1 |
25.4 |
0.6 |
15 |
30 |
0.6 |
0.56 |
1.1 |
1.7 |
1.1 |
|
|
|
|
|
|
|
|
|
|
|
|
|
|
|
|
|
|
|
|
|
|
12 |
32 |
10 |
5.55 |
1.25 |
22000 |
26000 |
0.042 |
1201 |
1201 K |
18.5 |
26.2 |
0.6 |
17 |
27 |
0.6 |
0.33 |
1.9 |
2.9 |
2.0 |
|
|
32 |
10 |
6.20 |
1.40 |
22000 |
26000 |
0.042 |
1201 TN |
1201 KTN |
18.4 |
25.5 |
0.6 |
17 |
27 |
0.6 |
0.32 |
1.9 |
3.0 |
2.1 |
|
|
32 |
14 |
8.80 |
1.80 |
22000 |
26000 |
— |
2201 |
— |
— |
— |
0.6 |
17 |
27 |
0.6 |
— |
— |
— |
— |
|
|
32 |
14 |
8.50 |
1.90 |
22000 |
26000 |
0.059 |
2201 TN |
— |
17.6 |
25.6 |
0.6 |
17 |
27 |
0.6 |
0.45 |
1.4 |
2.2 |
1.5 |
|
|
37 |
12 |
9.42 |
2.12 |
18000 |
22000 |
0.07 |
1301 |
1301 K |
20.0 |
30.8 |
1 |
18 |
31 |
1 |
0.35 |
1.8 |
2.8 |
1.9 |
|
|
37 |
12 |
9.40 |
2.10 |
18000 |
22000 |
0.071 |
1301 TN |
— |
20.0 |
29.2 |
1 |
18 |
31 |
1 |
0.34 |
1.8 |
2.8 |
1.9 |
|
|
37 |
17 |
12.5 |
2.72 |
17000 |
22000 |
— |
2301 |
2301 K |
— |
— |
1 |
18 |
31 |
1 |
— |
— |
— |
— |
|
|
37 |
17 |
11.5 |
2.60 |
17000 |
22000 |
0.105 |
2301 TN |
— |
18.8 |
27.5 |
1 |
18 |
31 |
1 |
0.53 |
1.1 |
1.9 |
1.3 |
|
|
|
|
|
|
|
|
|
|
|
|
|
|
|
|
|
|
|
|
|
|
15 |
35 |
11 |
7.48 |
1.75 |
18000 |
22000 |
0.051 |
1202 |
1202 K |
20.9 |
29.9 |
0.6 |
20 |
30 |
0.6 |
0.33 |
1.9 |
3.0 |
2.0 |
|
|
35 |
11 |
7.40 |
1.70 |
18000 |
22000 |
0.051 |
1202 TN |
1202 KTN |
21.0 |
29.0 |
0.6 |
20 |
30 |
0.6 |
0.30 |
2.1 |
3.2 |
2.2 |
|
|
35 |
14 |
7.65 |
1.80 |
18000 |
22000 |
0.06 |
2202 |
2202 K |
20.8 |
30.4 |
0.6 |
20 |
30 |
0.6 |
0.50 |
1.3 |
2.0 |
1.3 |
|
|
35 |
14 |
8.70 |
2.00 |
18000 |
22000 |
0.066 |
2202 TN |
— |
20.5 |
28.6 |
0.6 |
20 |
30 |
0.6 |
0.39 |
1.6 |
2.5 |
1.7 |
|
|
42 |
13 |
9.50 |
2.28 |
16000 |
20000 |
0.1 |
1302 |
1302 K |
23.6 |
34.1 |
1 |
21 |
36 |
1 |
0.33 |
1.9 |
2.9 |
2.0 |
|
|
42 |
13 |
10.8 |
2.60 |
16000 |
20000 |
0.097 |
1302 TN |
— |
23.9 |
33.7 |
1 |
21 |
36 |
1 |
0.31 |
2.0 |
3.1 |
2.1 |
|
|
42 |
17 |
12.0 |
2.88 |
14000 |
18000 |
0.11 |
2302 |
2302 K |
23.2 |
35.2 |
1 |
21 |
36 |
1 |
0.51 |
1.2 |
1.9 |
1.3 |
|
|
42 |
17 |
11.8 |
2.90 |
14000 |
18000 |
0.126 |
2302 TN |
— |
23.9 |
33.5 |
1 |
21 |
36 |
1 |
0.46 |
1.4 |
2.1 |
1.4 |
|
|
|
|
|
|
|
|
|
|
|
|
|
|
|
|
|
|
|
|
|
|
17 |
40 |
12 |
7.90 |
2.02 |
16000 |
20000 |
0.076 |
1203 |
1203 K |
24.2 |
33.7 |
0.6 |
22 |
35 |
0.6 |
0.31 |
2.0 |
3.2 |
2.1 |
|
|
40 |
12 |
8.90 |
2.20 |
16000 |
20000 |
0.075 |
1203 TN |
1203 KTN |
24.1 |
32.8 |
0.6 |
22 |
35 |
0.6 |
0.30 |
2.1 |
3.2 |
2.2 |
|
|
40 |
16 |
9.00 |
2.45 |
16000 |
20000 |
0.09 |
2203 |
2203 K |
23.5 |
34.3 |
0.6 |
22 |
35 |
0.6 |
0.50 |
1.2 |
1.9 |
1.3 |
|
|
40 |
16 |
10.5 |
2.50 |
16000 |
20000 |
0.098 |
2203 TN |
— |
23.6 |
33.1 |
0.6 |
22 |
35 |
0.6 |
0.40 |
1.6 |
2.4 |
1.6 |
|
|
47 |
14 |
12.5 |
3.18 |
14000 |
17000 |
0.14 |
1303 |
1303 K |
26.4 |
38.3 |
1 |
23 |
41 |
1 |
0.33 |
1.9 |
3.0 |
2.0 |
|
|
47 |
14 |
12.8 |
3.40 |
14000 |
17000 |
0.131 |
1303 TN |
— |
28.9 |
39.5 |
1 |
23 |
41 |
1 |
0.30 |
2.1 |
3.2 |
2.2 |
|
|
47 |
19 |
14.5 |
3.58 |
13000 |
16000 |
0.17 |
2303 |
2303 K |
25.8 |
39.4 |
1 |
23 |
41 |
1 |
0.52 |
1.2 |
1.9 |
1.3 |
|
|
47 |
19 |
14.5 |
3.60 |
13000 |
16000 |
0.175 |
2303 TN |
— |
26.5 |
37.5 |
1 |
23 |
41 |
1 |
0.50 |
1.3 |
1.9 |
1.3 |
|
|
|
|
|
|
|
|
|
|
|
|
|
|
|
|
|
|
|
|
|
|
20 |
47 |
14 |
9.95 |
2.65 |
14000 |
17000 |
0.12 |
1204 |
1204 K |
28.9 |
39.1 |
1 |
26 |
41 |
1 |
0.27 |
2.3 |
3.6 |
2.4 |
|
|
47 |
14 |
12.8 |
3.40 |
14000 |
17000 |
0.12 |
1204 TN |
1204 KTN |
29.2 |
39.6 |
1 |
26 |
41 |
1 |
0.30 |
2.1 |
3.2 |
2.2 |
|
|
47 |
18 |
12.5 |
3.28 |
14000 |
17000 |
0.15 |
2204 |
2204 K |
28.0 |
40.4 |
1 |
26 |
41 |
1 |
0.48 |
1.3 |
2.0 |
1.4 |
|
|
47 |
18 |
16.8 |
4.20 |
14000 |
17000 |
0.152 |
2204 TN |
2204 KTN |
27.4 |
39.3 |
1 |
26 |
41 |
1 |
0.40 |
1.6 |
2.4 |
1.6 |
|
|
52 |
15 |
12.5 |
3.38 |
12000 |
15000 |
0.17 |
1304 |
1304 K |
31.3 |
43.6 |
1.1 |
27 |
45 |
1 |
0.29 |
2.2 |
3.4 |
2.3 |
|
|
52 |
15 |
14.2 |
4.00 |
12000 |
15000 |
0.169 |
1304 TN |
1304 KTN |
32.4 |
43.4 |
1.1 |
27 |
45 |
1 |
0.28 |
2.2 |
3.4 |
2.3 |
|
|
52 |
21 |
17.8 |
4.75 |
11000 |
14000 |
0.22 |
2304 |
2304 K |
28.8 |
43.7 |
1.1 |
27 |
45 |
1 |
0.51 |
1.2 |
1.9 |
1.3 |
|
|
52 |
21 |
18.2 |
4.70 |
11000 |
14000 |
0.238 |
2304 TN |
2304 KTN |
29.5 |
40.9 |
1.1 |
27 |
45 |
1 |
0.44 |
1.4 |
2.2 |
1.5 |
|
|
|
|
|
|
|
|
|
|
|
|
|
|
|
|
|
|
|
|
|
|
25 |
52 |
15 |
12.0 |
3.30 |
12000 |
14000 |
0.14 |
1205 |
1205 K |
33.1 |
44.9 |
1 |
31 |
46 |
1 |
0.27 |
2.3 |
3.6 |
2.4 |
|
|
52 |
15 |
14.2 |
4.00 |
12000 |
14000 |
0.148 |
1205 TN |
1205 KTN |
33.3 |
44.2 |
1 |
31 |
46 |
1 |
0.28 |
2.3 |
3.5 |
2.4 |
|
|
52 |
18 |
12.5 |
3.40 |
12000 |
14000 |
0.19 |
2205 |
2205 K |
33.0 |
44.7 |
1 |
31 |
46 |
1 |
0.41 |
1.5 |
2.3 |
1.5 |
|
|
52 |
18 |
16.8 |
4.40 |
12000 |
14000 |
0.17 |
2205 TN |
2205 KTN |
32.6 |
44.6 |
1 |
31 |
46 |
1 |
0.33 |
1.9 |
3.0 |
2.0 |
|
|
62 |
17 |
17.8 |
5.05 |
10000 |
13000 |
0.26 |
1305 |
1305 K |
37.8 |
52.5 |
1.1 |
32 |
55 |
1 |
0.27 |
2.3 |
3.5 |
2.4 |
|
|
62 |
17 |
18.8 |
5.50 |
10000 |
13000 |
0.272 |
1305 TN |
1305 KTN |
37.3 |
50.3 |
1.1 |
32 |
55 |
1 |
0.28 |
2.2 |
3.5 |
2.3 |
|
|
62 |
24 |
24.5 |
6.48 |
9500 |
12000 |
0.35 |
2305 |
2305 K |
35.2 |
52.5 |
1.1 |
32 |
55 |
1 |
0.47 |
1.3 |
2.1 |
1.4 |
|
|
62 |
24 |
24.5 |
6.50 |
9500 |
12000 |
0.375 |
2305 TN |
2305 KTN |
36.1 |
50.0 |
1.1 |
32 |
55 |
1 |
0.41 |
1.5 |
2.3 |
1.6 |
|
|
|
|
|
|
|
|
|
|
|
|
|
|
|
|
|
|
|
|
|
|
30 |
62 |
16 |
15.8 |
4.70 |
10000 |
12000 |
0.23 |
1206 |
1206 K |
40.1 |
53.2 |
1 |
36 |
56 |
1 |
0.24 |
2.6 |
4.0 |
2.7 |
|
|
62 |
16 |
15.5 |
4.70 |
10000 |
12000 |
0.228 |
1206 TN |
1206 KTN |
40.0 |
51.7 |
1 |
36 |
56 |
1 |
0.25 |
2.5 |
3.9 |
2.7 |
|
|
62 |
20 |
15.2 |
4.60 |
10000 |
12000 |
0.26 |
2206 |
2206 K |
40.0 |
53.0 |
1 |
36 |
56 |
1 |
0.39 |
1.6 |
2.4 |
1.7 |
|
|
62 |
20 |
23.8 |
6.60 |
10000 |
12000 |
0.275 |
2206 TN |
2206 KTN |
38.8 |
53.4 |
1 |
36 |
56 |
1 |
0.33 |
1.9 |
3.0 |
2.0 |
|
|
72 |
19 |
21.5 |
6.28 |
8500 |
11000 |
0.4 |
1306 |
1306 K |
44.9 |
60.9 |
1.1 |
37 |
65 |
1 |
0.26 |
2.4 |
3.8 |
2.6 |
|
|
72 |
19 |
21.2 |
6.30 |
8500 |
11000 |
0.399 |
1306 TN |
1306 KTN |
44.9 |
59.0 |
1.1 |
37 |
65 |
1 |
0.25 |
2.5 |
3.9 |
2.6 |
|
|
72 |
27 |
31.5 |
8.68 |
8000 |
10000 |
0.5 |
2306 |
2306 K |
41.7 |
60.9 |
1.1 |
37 |
65 |
1 |
0.44 |
1.4 |
2.2 |
1.5 |
|
|
72 |
27 |
31.5 |
8.70 |
8000 |
10000 |
0.556 |
2306 TN |
2306 KTN |
41.9 |
58.5 |
1.1 |
37 |
65 |
1 |
0.43 |
1.5 |
2.3 |
1.5 |
|
|
|
|
|
|
|
|
|
|
|
|
|
|
|
|
|
|
|
|
|
|
35 |
72 |
17 |
15.8 |
5.08 |
8500 |
10000 |
0.32 |
1207 |
1207 K |
47.5 |
60.7 |
1.1 |
42 |
65 |
1 |
0.23 |
2.7 |
4.2 |
2.9 |
|
|
72 |
17 |
18.8 |
5.90 |
8500 |
10000 |
0.328 |
1207 TN |
1207 KTN |
47.1 |
60.2 |
1.1 |
42 |
65 |
1 |
0.23 |
2.7 |
4.2 |
2.9 |
|
|
72 |
23 |
21.8 |
6.65 |
8500 |
10000 |
0.44 |
2207 |
2207 K |
46.0 |
62.2 |
1.1 |
42 |
65 |
1 |
0.38 |
1.7 |
2.6 |
1.8 |
|
|
72 |
23 |
30.5 |
8.70 |
8500 |
10000 |
0.425 |
2207 TN |
2207 KTN |
45.1 |
61.9 |
1.1 |
42 |
65 |
1 |
0.31 |
2.0 |
3.1 |
2.1 |
|
|
80 |
21 |
25.0 |
7.95 |
7500 |
9500 |
0.54 |
1307 |
1307 K |
51.5 |
69.5 |
1.5 |
44 |
71 |
1.5 |
0.25 |
2.6 |
4.0 |
2.7 |
|
|
80 |
21 |
26.2 |
8.50 |
7500 |
9500 |
0.534 |
1307 TN |
1307 KTN |
51.7 |
67.1 |
1.5 |
44 |
71 |
1.5 |
0.25 |
2.5 |
3.9 |
2.6 |
|
|
80 |
31 |
39.2 |
11.0 |
7100 |
9000 |
0.68 |
2307 |
2307 K |
46.5 |
68.4 |
1.5 |
44 |
71 |
1.5 |
0.46 |
1.4 |
2.1 |
1.4 |
|
|
80 |
31 |
39.5 |
11.2 |
7100 |
9000 |
0.763 |
2307 TN |
2307 KTN |
47.7 |
66.6 |
1.5 |
44 |
71 |
1.5 |
0.39 |
1.6 |
2.5 |
1.7 |

