|
调心球轴承(GB/T 281—2013) |
|||||||||||||||||||
|
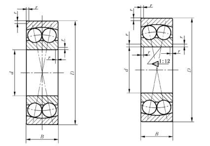
圆柱孔调心球轴承10000型
圆锥孔调心球轴承10000K型 径向当量动载荷: 当Fa/Fr≤e,Pr=Fr+Y1Fa 当Fa/Fr>e,Pr=0.65Fr+Y2Fa 径向当量静载荷:P0r=Fr+Y0Fa 符号含义与应用 K—圆锥孔(锥度1∶12) TN—尼龙保持架 M—黄铜实体保持架 这类轴承有自动调心性能,但内、外套圈轴线斜度不得大于3°。主要承受径向载荷,也可同时承受少量轴向载荷,不用于纯轴向载荷。 |
|||||||||||||||||||
|
基本尺寸 /mm |
基本额定 载荷/kN |
极限转速 /r·min-1 |
重量 /kg |
轴承代号 |
其他尺寸 /mm |
安装尺寸/mm |
计 算 系 数 |
||||||||||||
|
d |
D |
B |
Cr |
C0r |
脂 |
油 |
W ≈ |
圆柱孔 10000 (TN、M)型 |
圆锥孔 10000 K (KTN、KM)型 |
d2 |
D2 |
r min |
da max |
Da max |
ra max |
e |
Y1 |
Y2 |
Y0 |
|
40 |
80 |
18 |
19.2 |
6.40 |
7500 |
9000 |
0.41 |
1208 |
1208 K |
53.6 |
68.8 |
1.1 |
47 |
73 |
1 |
0.22 |
2.9 |
4.4 |
3.0 |
|
|
80 |
18 |
20.0 |
6.90 |
7500 |
9000 |
0.43 |
1208 TN |
1208 KTN |
53.6 |
66.7 |
1.1 |
47 |
73 |
1 |
0.22 |
2.9 |
4.5 |
3.0 |
|
|
80 |
23 |
22.5 |
7.38 |
7500 |
9000 |
0.53 |
2208 |
2208 K |
52.4 |
68.8 |
1.1 |
47 |
73 |
1 |
0.24 |
1.9 |
2.9 |
2.0 |
|
|
80 |
23 |
31.8 |
10.2 |
7500 |
9000 |
0.523 |
2208 TN |
2208 KTN |
52.1 |
69.3 |
1.1 |
47 |
73 |
1 |
0.29 |
2.2 |
3.4 |
2.3 |
|
|
90 |
23 |
29.5 |
9.50 |
6700 |
8500 |
0.71 |
1308 |
1308 K |
57.5 |
76.8 |
1.5 |
49 |
81 |
1.5 |
0.24 |
2.6 |
4.0 |
2.7 |
|
|
90 |
23 |
33.7 |
11.3 |
6700 |
8500 |
0.723 |
1308 TN |
1308 KTN |
60.6 |
78.7 |
1.5 |
49 |
81 |
1.5 |
0.24 |
2.6 |
4.1 |
2.8 |
|
|
90 |
33 |
44.8 |
13.2 |
6300 |
8000 |
0.93 |
2308 |
2308 K |
53.5 |
76.8 |
1.5 |
49 |
81 |
1.5 |
0.43 |
1.5 |
2.3 |
1.5 |
|
|
90 |
33 |
54.0 |
15.8 |
6300 |
8000 |
1.013 |
2308 TN |
2308 KTN |
53.4 |
76.2 |
1.5 |
49 |
81 |
1.5 |
0.40 |
1.6 |
2.5 |
1.7 |
|
|
|
|
|
|
|
|
|
|
|
|
|
|
|
|
|
|
|
|
|
|
45 |
85 |
19 |
21.8 |
7.32 |
7100 |
8500 |
0.49 |
1209 |
1209 K |
57.3 |
73.7 |
1.1 |
52 |
78 |
1 |
0.21 |
2.9 |
4.6 |
3.1 |
|
|
85 |
19 |
23.5 |
8.30 |
7100 |
8500 |
0.489 |
1209 TN |
1209 KTN |
57.4 |
71.7 |
1.1 |
52 |
78 |
1 |
0.22 |
2.9 |
4.5 |
3.0 |
|
|
85 |
23 |
23.2 |
8.00 |
7100 |
8500 |
0.55 |
2209 |
2209 K |
57.5 |
74.1 |
1.1 |
52 |
78 |
1 |
0.31 |
2.1 |
3.2 |
2.2 |
|
|
85 |
23 |
32.5 |
10.5 |
7100 |
8500 |
0.574 |
2209 TN |
2209 KTN |
55.3 |
72.4 |
1.1 |
52 |
78 |
1 |
0.26 |
2.4 |
3.8 |
2.5 |
|
|
100 |
25 |
38.0 |
12.8 |
6000 |
7500 |
0.96 |
1309 |
1309 K |
63.7 |
85.7 |
1.5 |
54 |
91 |
1.5 |
0.25 |
2.5 |
3.9 |
2.6 |
|
|
100 |
25 |
38.8 |
13.5 |
6000 |
7500 |
0.978 |
1309 TN |
1309 KTN |
67.7 |
87.0 |
1.5 |
54 |
91 |
1.5 |
0.23 |
2.7 |
4.2 |
2.8 |
|
|
100 |
36 |
55.0 |
16.2 |
5600 |
7100 |
1.25 |
2309 |
2309 K |
60.2 |
86.0 |
1.5 |
54 |
91 |
1.5 |
0.42 |
1.5 |
2.3 |
1.6 |
|
|
100 |
36 |
63.8 |
19.2 |
5600 |
7100 |
1.351 |
2309 TN |
2309 KTN |
60.0 |
85.0 |
1.5 |
54 |
91 |
1.5 |
0.37 |
1.7 |
2.6 |
1.8 |
|
|
|
|
|
|
|
|
|
|
|
|
|
|
|
|
|
|
|
|
|
|
50 |
90 |
20 |
22.8 |
8.08 |
6300 |
8000 |
0.54 |
1210 |
1210 K |
62.3 |
78.7 |
1.1 |
57 |
83 |
1 |
0.20 |
3.1 |
4.8 |
3.3 |
|
|
90 |
20 |
26.5 |
9.50 |
6300 |
8000 |
0.55 |
1210 TN |
1210 KTN |
62.3 |
77.5 |
1.1 |
57 |
83 |
1 |
0.21 |
3.0 |
4.6 |
3.1 |
|
|
90 |
23 |
23.2 |
8.45 |
6300 |
8000 |
0.68 |
2210 |
2210 K |
62.5 |
79.3 |
1.1 |
57 |
83 |
1 |
0.29 |
2.2 |
3.4 |
2.3 |
|
|
90 |
23 |
33.5 |
11.2 |
6300 |
8000 |
0.596 |
2210 TN |
2210 KTN |
61.3 |
79.3 |
1.1 |
57 |
83 |
1 |
0.24 |
2.7 |
4.1 |
2.8 |
|
|
110 |
27 |
43.2 |
14.2 |
5600 |
6700 |
1.21 |
1310 |
1310 K |
70.1 |
95.0 |
2 |
60 |
100 |
2 |
0.24 |
2.7 |
4.1 |
2.8 |
|
|
110 |
27 |
43.8 |
15.2 |
5600 |
6700 |
1.301 |
1310 TN |
1310 KTN |
70.3 |
90.6 |
2 |
60 |
100 |
2 |
0.24 |
2.7 |
4.1 |
2.8 |
|
|
110 |
40 |
64.5 |
19.8 |
5000 |
6300 |
1.64 |
2310 |
2310 K |
65.8 |
94.4 |
2 |
60 |
100 |
2 |
0.43 |
1.5 |
2.3 |
1.6 |
|
|
110 |
40 |
64.8 |
20.2 |
5000 |
6300 |
1.839 |
2310 TN |
2310 KTN |
67.7 |
91.4 |
2 |
60 |
100 |
2 |
0.34 |
1.9 |
2.9 |
2.0 |
|
|
|
|
|
|
|
|
|
|
|
|
|
|
|
|
|
|
|
|
|
|
55 |
100 |
21 |
26.8 |
10.0 |
6000 |
7100 |
0.72 |
1211 |
1211 K |
70.1 |
88.4 |
1.5 |
64 |
91 |
1.5 |
0.20 |
3.2 |
5.0 |
3.4 |
|
|
100 |
21 |
27.8 |
10.5 |
6000 |
7100 |
0.717 |
1211 TN |
1211 KTN |
70.7 |
86.4 |
1.5 |
64 |
91 |
1.5 |
0.19 |
3.3 |
5.1 |
3.4 |
|
|
100 |
25 |
26.8 |
9.95 |
6000 |
7100 |
0.81 |
2211 |
2211 K |
69.7 |
87.8 |
1.5 |
64 |
91 |
1.5 |
0.28 |
2.3 |
3.5 |
2.4 |
|
|
100 |
25 |
39.2 |
13.5 |
6000 |
7100 |
0.81 |
2211 TN |
2211 KTN |
67.6 |
87.4 |
1.5 |
64 |
91 |
1.5 |
0.23 |
2.7 |
4.2 |
2.8 |
|
|
120 |
29 |
51.5 |
18.2 |
5000 |
6300 |
1.58 |
1311 |
1311 K |
77.7 |
104 |
2 |
65 |
110 |
2 |
0.23 |
2.7 |
4.2 |
2.8 |
|
|
120 |
29 |
52.8 |
18.8 |
5000 |
6300 |
1.641 |
1311 TN |
1311 KTN |
78.7 |
101.5 |
2 |
65 |
110 |
2 |
0.23 |
2.7 |
4.2 |
2.8 |
|
|
120 |
43 |
75.2 |
23.5 |
4800 |
6000 |
2.1 |
2311 |
2311 K |
72 |
103 |
2 |
65 |
110 |
2 |
0.41 |
1.5 |
2.4 |
1.6 |
|
|
120 |
43 |
75.2 |
24.0 |
4800 |
6000 |
2.345 |
2311 TN |
2311 KTN |
73.9 |
99.7 |
2 |
65 |
110 |
2 |
0.33 |
1.9 |
3.0 |
2.0 |
|
|
|
|
|
|
|
|
|
|
|
|
|
|
|
|
|
|
|
|
|
|
60 |
110 |
22 |
30.2 |
11.5 |
5300 |
6300 |
0.9 |
1212 |
1212 K |
77.8 |
97.5 |
1.5 |
69 |
101 |
1.5 |
0.19 |
3.4 |
5.3 |
3.6 |
|
|
110 |
22 |
31.2 |
12.2 |
5300 |
6300 |
0.917 |
1212 TN |
1212 KTN |
78.6 |
95.7 |
1.5 |
69 |
101 |
1.5 |
0.18 |
3.4 |
5.3 |
3.6 |
|
|
110 |
28 |
34.0 |
12.5 |
5300 |
6300 |
1.1 |
2212 |
2212 K |
75.5 |
96.1 |
1.5 |
69 |
101 |
1.5 |
0.28 |
2.3 |
3.5 |
2.4 |
|
|
110 |
28 |
46.5 |
16.2 |
5300 |
6300 |
1.109 |
2212 TN |
2212 KTN |
74.8 |
96.0 |
1.5 |
69 |
101 |
1.5 |
0.24 |
2.6 |
4.0 |
2.7 |
|
|
130 |
31 |
57.2 |
20.8 |
4500 |
5600 |
1.96 |
1312 |
1312 K |
87 |
115 |
2.1 |
72 |
118 |
2.1 |
0.23 |
2.8 |
4.3 |
2.9 |
|
|
130 |
31 |
58.2 |
21.2 |
4500 |
5600 |
2.023 |
1312 TN |
1312 KTN |
87.1 |
111.5 |
2.1 |
72 |
118 |
2.1 |
0.23 |
2.8 |
4.3 |
2.9 |
|
|
130 |
46 |
86.8 |
27.5 |
4300 |
5300 |
2.6 |
2312 |
2312 K |
76.9 |
112 |
2.1 |
72 |
118 |
2.1 |
0.41 |
1.6 |
2.5 |
1.6 |
|
|
130 |
46 |
87.5 |
28.2 |
4300 |
5300 |
2.912 |
2312 TN |
2312 KTN |
80.0 |
108.5 |
2.1 |
72 |
118 |
2.1 |
0.33 |
1.9 |
3.0 |
2.0 |
|
|
|
|
|
|
|
|
|
|
|
|
|
|
|
|
|
|
|
|
|
|
65 |
120 |
23 |
31.0 |
12.5 |
4800 |
6000 |
0.92 |
1213 |
1213 K |
85.3 |
105 |
1.5 |
74 |
111 |
1.5 |
0.17 |
3.7 |
5.7 |
3.9 |
|
|
120 |
23 |
35.0 |
13.8 |
4800 |
6000 |
1.155 |
1213 TN |
1213 KTN |
85.7 |
104.0 |
1.5 |
74 |
111 |
1.5 |
0.18 |
3.6 |
5.6 |
3.8 |
|
|
120 |
31 |
43.5 |
16.2 |
4800 |
6000 |
1.5 |
2213 |
2213 K |
81.9 |
105 |
1.5 |
74 |
111 |
1.5 |
0.28 |
2.3 |
3.5 |
2.4 |
|
|
120 |
31 |
56.8 |
20.2 |
4800 |
6000 |
1.504 |
2213 TN |
2213 KTN |
80.9 |
104.5 |
1.5 |
74 |
111 |
1.5 |
0.24 |
2.6 |
4.0 |
2.7 |
|
|
140 |
33 |
61.8 |
22.8 |
4300 |
5300 |
2.39 |
1313 |
1313 K |
92.5 |
122 |
2.1 |
77 |
128 |
2.1 |
0.23 |
2.8 |
4.3 |
2.9 |
|
|
140 |
33 |
62.8 |
22.8 |
4300 |
5300 |
2.528 |
1313 TN |
1313 KTN |
90.4 |
115.7 |
2.1 |
77 |
128 |
2.1 |
0.23 |
2.7 |
4.2 |
2.9 |
|
|
140 |
48 |
96.0 |
32.5 |
3800 |
4800 |
3.2 |
2313 |
2313 K |
85.5 |
122 |
2.1 |
77 |
128 |
2.1 |
0.38 |
1.6 |
2.6 |
1.7 |
|
|
140 |
48 |
97.2 |
31.8 |
3800 |
4800 |
3.477 |
2313 TN |
2313 KTN |
87.6 |
118.4 |
2.1 |
77 |
128 |
2.1 |
0.32 |
2.0 |
3.1 |
2.1 |
|
|
|
|
|
|
|
|
|
|
|
|
|
|
|
|
|
|
|
|
|
|
70 |
125 |
24 |
34.5 |
13.5 |
4800 |
5600 |
1.29 |
1214 |
1214 K |
87.4 |
109 |
1.5 |
79 |
116 |
1.5 |
0.18 |
3.5 |
5.4 |
3.7 |
|
|
125 |
24 |
34.5 |
13.5 |
4800 |
5600 |
1.345 |
1214 M |
1214 KM |
88.7 |
106.9 |
1.5 |
79 |
116 |
1.5 |
0.18 |
3.5 |
5.4 |
3.7 |
|
|
125 |
31 |
44.0 |
17.0 |
4500 |
5600 |
1.62 |
2214 |
2214 K |
87.5 |
111 |
1.5 |
79 |
116 |
1.5 |
0.27 |
2.4 |
3.7 |
2.5 |
|
|
125 |
31 |
55.2 |
19.5 |
4500 |
5600 |
1.575 |
2214 TN |
2214 KTN |
88.1 |
109.3 |
1.5 |
79 |
116 |
1.5 |
0.23 |
2.7 |
4.2 |
2.9 |
|
|
150 |
35 |
74.5 |
27.5 |
4000 |
5000 |
3.0 |
1314 |
1314 K |
97.7 |
129 |
2.1 |
82 |
138 |
2.1 |
0.22 |
2.8 |
4.4 |
2.9 |
|
|
150 |
35 |
75.0 |
28.5 |
4000 |
5000 |
3.267 |
1314 M |
1314 KM |
97.2 |
125.1 |
2.1 |
82 |
138 |
2.1 |
0.23 |
2.8 |
4.3 |
2.9 |
|
|
150 |
51 |
110 |
37.5 |
3600 |
4500 |
3.9 |
2314 |
2314 K |
91.6 |
130 |
2.1 |
82 |
138 |
2.1 |
0.38 |
1.7 |
2.6 |
1.8 |
|
|
150 |
51 |
113 |
37.2 |
3600 |
4500 |
5.358 |
2314 M |
2314 KM |
91.7 |
126.1 |
2.1 |
82 |
138 |
2.1 |
0.37 |
1.7 |
2.6 |
1.8 |
|
|
|
|
|
|
|
|
|
|
|
|
|
|
|
|
|
|
|
|
|
|
75 |
130 |
25 |
38.8 |
15.2 |
4300 |
5300 |
1.35 |
1215 |
1215 K |
93 |
116 |
1.5 |
84 |
121 |
1.5 |
0.17 |
3.6 |
5.6 |
3.8 |
|
|
130 |
25 |
38.8 |
15.5 |
4300 |
5300 |
1.461 |
1215 M |
1215 KM |
93.9 |
113.3 |
1.5 |
84 |
121 |
1.5 |
0.17 |
3.7 |
5.7 |
3.8 |
|
|
130 |
31 |
44.2 |
18.0 |
4300 |
5300 |
1.72 |
2215 |
2215 K |
93.1 |
117 |
1.5 |
84 |
121 |
1.5 |
0.25 |
2.5 |
3.9 |
2.6 |
|
|
130 |
31 |
56.5 |
20.8 |
4300 |
5300 |
1.619 |
2215 TN |
2215 KTN |
93.2 |
113.9 |
1.5 |
84 |
121 |
1.5 |
0.22 |
2.9 |
4.4 |
3.0 |
|
|
160 |
37 |
79.0 |
29.8 |
3800 |
4500 |
3.6 |
1315 |
1315 K |
104 |
138 |
2.1 |
87 |
148 |
2.1 |
0.22 |
2.8 |
4.4 |
3.0 |
|
|
160 |
37 |
78.8 |
30.0 |
3800 |
4500 |
3.898 |
1315 M |
1315 KM |
106.0 |
135.0 |
2.1 |
87 |
148 |
2.1 |
0.22 |
2.8 |
4.4 |
3.0 |
|
|
160 |
55 |
122 |
42.8 |
3400 |
4300 |
4.7 |
2315 |
2315 K |
97.8 |
139 |
2.1 |
87 |
148 |
2.1 |
0.38 |
1.7 |
2.6 |
1.7 |
|
|
160 |
55 |
126 |
42.2 |
3400 |
4300 |
6.535 |
2315 M |
2315 KM |
98.8 |
135.2 |
2.1 |
87 |
148 |
2.1 |
0.37 |
1.7 |
2.7 |
1.8 |

