|
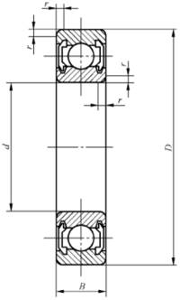
带密封圈的深沟球轴承 (GB/T 276—2013) |
|||||||||||||||||
|
一面带密封圈(接触式)的深沟球轴承60000-RS
两面带密封圈(接触式)的深沟球轴承60000-RS
一面带密封圈(非接触式)的深沟球轴承60000-RS
两面带密封圈(非接触式)的深沟球轴承60000-RS 符号含义与应用 RZ—轴承一面带骨架橡胶密封圈(非接触式) 2RZ—轴承两面带骨架橡胶密封圈(非接触式) RS—轴承一面带骨架橡胶密封圈(接触式) 2RS—轴承两面带骨架橡胶密封圈(接触式) 带密封圈的轴承的性能、填脂和用途与带防尘盖的轴承相同。不同的是防尘盖与内圈之间有较大间隙,而非接触式密封圈间隙很小,接触式密封圈没有间隙,各型密封效果不同,无间隙密封效果较好,但摩擦和噪声增加,极限转速较低。 |
|||||||||||||||||
|
基本尺寸 /mm |
基本额定 载荷/kN |
极限转速 /r·min-1 |
重量 /kg |
轴承代号 |
其他尺寸 /mm |
安装尺寸 /mm |
球径/mm |
球数 |
|||||||||
|
d |
D |
B |
Cr |
C0r |
脂 |
油 |
≈ |
60000-RZ型 60000-RS型 |
60000-2RZ型 60000-2RS型 |
d2 |
D3 |
r min |
da min |
Da max |
ra max |
Dw |
Z |
|
70 |
90 |
10 |
12.1 |
11.9 |
4700 |
|
0.138 |
61814-RS |
61814-2RS |
76.1 |
85.6 |
0.6 |
74 |
86 |
0.6 |
5.556 |
24 |
|
|
90 |
10 |
12.1 |
11.9 |
6300 |
7500 |
0.138 |
61814-RZ |
61814-2RZ |
76.1 |
85.6 |
0.6 |
74 |
86 |
0.6 |
5.556 |
24 |
|
|
100 |
16 |
23.7 |
21.1 |
4500 |
|
0.336 |
61914-RS |
61914-2RS |
79.3 |
92.6 |
1 |
76 |
95 |
1 |
8.731 |
17 |
|
|
100 |
16 |
23.7 |
21.1 |
6000 |
7000 |
0.336 |
61914-RZ |
61914-2RZ |
79.3 |
92.6 |
1 |
76 |
95 |
1 |
8.731 |
17 |
|
|
110 |
20 |
38.5 |
30.5 |
3800 |
|
0.60 |
6014-RS |
6014-2RS |
82.0 |
100.5 |
1.1 |
77 |
103 |
1 |
12.303 |
13 |
|
|
110 |
20 |
38.5 |
30.5 |
5600 |
6700 |
0.60 |
6014-RZ |
6014-2RZ |
82.0 |
100.5 |
1.1 |
77 |
103 |
1 |
12.303 |
13 |
|
|
125 |
24 |
60.8 |
45.0 |
3300 |
|
1.04 |
6214-RS |
6214-2RS |
89.0 |
111.8 |
1.5 |
79 |
116 |
1.5 |
16.669 |
11 |
|
|
125 |
24 |
60.8 |
45.0 |
4800 |
6000 |
1.04 |
6214-RZ |
6214-2RZ |
89.0 |
111.8 |
1.5 |
79 |
116 |
1.5 |
16.669 |
11 |
|
|
150 |
35 |
105 |
68.0 |
2900 |
|
2.60 |
6314-RS |
6314-2RS |
94.8 |
128.0 |
2.1 |
82 |
138 |
2.1 |
25.4 |
8 |
|
|
150 |
35 |
105 |
68.0 |
4300 |
5000 |
2.60 |
6314-RZ |
6314-2RZ |
94.8 |
128.0 |
2.1 |
82 |
138 |
2.1 |
25.4 |
8 |
|
|
180 |
42 |
|
|
|
|
|
6414-RS |
|
|
|
3 |
|
|
|
|
|
|
|
180 |
42 |
|
|
|
|
|
6414-RZ |
|
|
|
3 |
|
|
|
|
|
|
|
|
|
|
|
|
|
|
|
|
|
|
|
|
|
|
|
|
|
75 |
95 |
10 |
12.5 |
12.8 |
4500 |
|
0.147 |
61815-RS |
61815-2RS |
81.1 |
90.6 |
0.6 |
79 |
91 |
0.6 |
5.556 |
26 |
|
|
95 |
10 |
12.5 |
12.8 |
6000 |
7000 |
0.147 |
61815-RZ |
61815-2RZ |
81.1 |
90.6 |
0.6 |
79 |
91 |
0.6 |
5.556 |
26 |
|
|
105 |
16 |
24.3 |
22.5 |
4200 |
|
0.355 |
61915-RS |
61915-2RS |
84.3 |
97.6 |
1 |
81 |
100 |
1 |
8.731 |
18 |
|
|
105 |
16 |
24.3 |
22.5 |
5600 |
6700 |
0.355 |
61915-RZ |
61915-2RZ |
84.3 |
97.6 |
1 |
81 |
100 |
1 |
8.731 |
18 |
|
|
115 |
20 |
40.2 |
33.2 |
3600 |
|
0.64 |
6015-RS |
6015-2RS |
88.0 |
106.5 |
1.1 |
82 |
108 |
1 |
12.303 |
14 |
|
|
115 |
20 |
40.2 |
33.2 |
5300 |
6300 |
0.64 |
6015-RZ |
6015-2RZ |
88.0 |
106.5 |
1.1 |
82 |
108 |
1 |
12.303 |
14 |
|
|
130 |
25 |
66.0 |
49.5 |
3000 |
|
1.18 |
6215-RS |
6215-2RS |
94.0 |
117.8 |
1.5 |
84 |
121 |
1.5 |
17.462 |
11 |
|
|
130 |
25 |
66.0 |
49.5 |
4500 |
5600 |
1.18 |
6215-RZ |
6215-2RZ |
94.0 |
117.8 |
1.5 |
84 |
121 |
1.5 |
17.462 |
11 |
|
|
160 |
37 |
113 |
76.8 |
2800 |
|
3 |
6315-RS |
6315-2RS |
101.3 |
136.5 |
2.1 |
87 |
148 |
2.1 |
26.988 |
8 |
|
|
160 |
37 |
113 |
76.8 |
4000 |
4800 |
3 |
6315-RZ |
6315-2RZ |
101.3 |
136.5 |
2.1 |
87 |
148 |
2.1 |
26.988 |
8 |
|
|
190 |
45 |
|
|
|
|
|
6415-RS |
6415-2RS |
|
|
3 |
|
|
|
|
|
|
|
190 |
45 |
|
|
|
|
|
6415-RZ |
6415-2RZ |
|
|
3 |
|
|
|
|
|
|
|
|
|
|
|
|
|
|
|
|
|
|
|
|
|
|
|
|
|
80 |
100 |
10 |
12.7 |
13.3 |
4200 |
|
0.155 |
61816-RS |
61816-2RS |
86.1 |
95.6 |
0.6 |
84 |
96 |
0.6 |
5.556 |
27 |
|
|
100 |
10 |
12.7 |
13.3 |
5600 |
6700 |
0.155 |
61816-RZ |
61816-2RZ |
86.1 |
95.6 |
0.6 |
84 |
96 |
0.6 |
5.556 |
27 |
|
|
110 |
16 |
24.9 |
23.9 |
4000 |
|
0.375 |
61916-RS |
61916-2RS |
89.3 |
102.6 |
1 |
86 |
105 |
1 |
8.731 |
19 |
|
|
110 |
16 |
24.9 |
23.9 |
5300 |
6300 |
0.375 |
61916-RZ |
61916-2RZ |
89.3 |
102.6 |
1 |
86 |
105 |
1 |
8.731 |
19 |
|
|
125 |
22 |
47.5 |
39.8 |
3400 |
|
1.05 |
6016-RS |
6016-2RS |
95.2 |
115.6 |
1.1 |
87 |
118 |
1 |
13.494 |
14 |
|
|
125 |
22 |
47.5 |
39.8 |
5000 |
6000 |
1.05 |
6016-RZ |
6016-2RZ |
95.2 |
115.6 |
1.1 |
87 |
118 |
1 |
13.494 |
14 |
|
|
140 |
26 |
71.5 |
54.2 |
2900 |
|
1.38 |
6216-RS |
6216-2RS |
100.0 |
124.8 |
2 |
90 |
130 |
2 |
18.256 |
11 |
|
|
140 |
26 |
71.5 |
54.2 |
4300 |
5300 |
1.38 |
6216-RZ |
6216-2RZ |
100.0 |
124.8 |
2 |
90 |
130 |
2 |
18.256 |
11 |
|
|
170 |
39 |
123 |
86.5 |
2600 |
|
3.62 |
6316-RS |
6316-2RS |
107.9 |
144.9 |
2.1 |
92 |
158 |
2.1 |
28.575 |
8 |
|
|
170 |
39 |
123 |
86.5 |
3800 |
4500 |
3.62 |
6316-RZ |
6316-2RZ |
107.9 |
144.9 |
2.1 |
92 |
158 |
2.1 |
28.575 |
8 |
|
|
200 |
48 |
|
|
|
|
|
6416-RS |
6416-2RS |
|
|
3 |
|
|
|
|
|
|
|
200 |
48 |
|
|
|
|
|
6416-RZ |
6416-2RS |
|
|
3 |
|
|
|
|
|
|
|
|
|
|
|
|
|
|
|
|
|
|
|
|
|
|
|
|
|
85 |
110 |
13 |
19.2 |
19.8 |
3800 |
|
0.245 |
61817-RS |
61817-2RS |
92.5 |
104.4 |
1 |
90 |
105 |
1 |
7.144 |
24 |
|
|
110 |
13 |
19.2 |
19.8 |
5000 |
6300 |
0.245 |
61817-RZ |
61817-2RZ |
92.5 |
104.4 |
1 |
90 |
105 |
1 |
7.144 |
24 |
|
|
120 |
18 |
31.9 |
29.7 |
3600 |
|
0.507 |
61917-RS |
61917-2RS |
95.8 |
111.1 |
1.1 |
92 |
113.5 |
1 |
10.319 |
17 |
|
|
120 |
18 |
31.9 |
29.7 |
4800 |
6000 |
0.507 |
61917-RZ |
61917-2RZ |
95.8 |
111.1 |
1.1 |
92 |
113.5 |
1 |
10.319 |
17 |
|
|
130 |
22 |
50.8 |
42.8 |
3200 |
|
1.10 |
6017-RS |
6017-2RS |
99.4 |
120.4 |
1.1 |
92 |
123 |
1 |
14 |
14 |
|
|
130 |
22 |
50.8 |
42.8 |
4500 |
5600 |
1.10 |
6017-RZ |
6017-2RZ |
99.4 |
120.4 |
1.1 |
92 |
123 |
1 |
14 |
14 |
|
|
150 |
28 |
83.2 |
63.8 |
2800 |
|
1.75 |
6217-RS |
6217-2RS |
107.1 |
133.7 |
2 |
95 |
140 |
2 |
19.844 |
11 |
|
|
150 |
28 |
83.2 |
63.8 |
4000 |
5000 |
1.75 |
6217-RZ |
6217-2RZ |
107.1 |
133.7 |
2 |
95 |
140 |
2 |
19.844 |
11 |
|
|
180 |
41 |
132 |
96.5 |
2400 |
|
4.27 |
6317-RS |
6317-2RS |
114.4 |
153.4 |
3 |
99 |
166 |
2.5 |
30.162 |
8 |
|
|
180 |
41 |
132 |
96.5 |
3600 |
4300 |
4.27 |
6317-RZ |
6317-2RZ |
114.4 |
153.4 |
3 |
99 |
166 |
2.5 |
30.162 |
8 |
|
|
210 |
52 |
|
|
|
|
|
6417-RS |
6417-2RS |
|
|
4 |
|
|
|
|
|
|
|
210 |
52 |
|
|
|
|
|
6417-RZ |
6417-2RZ |
|
|
4 |
|
|
|
|
|
|
|
|
|
|
|
|
|
|
|
|
|
|
|
|
|
|
|
|
|
90 |
115 |
13 |
19.5 |
20.5 |
3600 |
|
0.258 |
61818-RS |
61818-2RS |
97.5 |
109.4 |
1 |
95 |
110 |
1 |
7.144 |
25 |
|
|
115 |
13 |
19.5 |
20.5 |
4800 |
6000 |
0.258 |
61818-RZ |
61818-2RZ |
97.5 |
109.4 |
1 |
95 |
110 |
1 |
7.144 |
25 |
|
|
125 |
18 |
32.8 |
31.5 |
3400 |
|
0.533 |
61918-RS |
61918-2RS |
100.8 |
116.1 |
1.1 |
97 |
118.5 |
1 |
10.319 |
18 |
|
|
125 |
18 |
32.8 |
31.5 |
4500 |
5600 |
0.533 |
61918-RZ |
61918-2RZ |
100.8 |
116.1 |
1.1 |
97 |
118.5 |
1 |
10.319 |
18 |
|
|
140 |
24 |
58.0 |
49.8 |
3000 |
|
1.16 |
6018-RS |
6018-2RS |
107.2 |
129.6 |
1.5 |
99 |
131 |
1.5 |
15.081 |
14 |
|
|
140 |
24 |
58.0 |
49.8 |
4300 |
5300 |
1.16 |
6018-RZ |
6018-2RZ |
107.2 |
129.6 |
1.5 |
99 |
131 |
1.5 |
15.081 |
14 |
|
|
160 |
30 |
95.8 |
71.5 |
2600 |
|
2.18 |
6218-RS |
6218-2RS |
111.7 |
141.1 |
2.0 |
100 |
150 |
2 |
22.225 |
10 |
|
|
160 |
30 |
95.8 |
71.5 |
3800 |
4800 |
2.18 |
6218-RZ |
6218-2RZ |
111.7 |
141.1 |
2.0 |
100 |
150 |
2 |
22.225 |
10 |
|
|
190 |
43 |
145 |
108 |
2200 |
|
4.96 |
6318-RS |
6318-2RS |
120.8 |
164.0 |
3 |
104 |
176 |
2.5 |
32 |
8 |
|
|
190 |
43 |
145 |
108 |
3400 |
4000 |
4.96 |
6318-RZ |
6318-2RZ |
120.8 |
164.0 |
3 |
104 |
176 |
2.5 |
32 |
8 |
|
|
225 |
54 |
|
|
|
|
|
6418-RS |
6418-2RS |
|
|
4 |
|
|
|
|
|
|
|
225 |
54 |
|
|
|
|
|
6418-RZ |
6418-2RZ |
|
|
4 |
|
|
|
|
|
|
|
|
|
|
|
|
|
|
|
|
|
|
|
|
|
|
|
|
|
95 |
120 |
13 |
19.8 |
21.3 |
3400 |
|
0.27 |
61819-RS |
61819-2RS |
102.5 |
114.4 |
1 |
100 |
115 |
1 |
7.144 |
26 |
|
|
120 |
13 |
19.8 |
21.3 |
4500 |
5600 |
0.27 |
61819-RZ |
61819-2RZ |
102.5 |
114.4 |
1 |
100 |
115 |
1 |
7.144 |
26 |
|
|
130 |
18 |
33.7 |
33.3 |
3200 |
|
0.558 |
61919-RS |
61919-2RS |
105.8 |
121.1 |
1.1 |
102 |
124 |
1 |
10.319 |
19 |
|
|
130 |
18 |
33.7 |
33.3 |
4300 |
5300 |
0.558 |
61919-RZ |
61919-2RZ |
105.8 |
121.1 |
1.1 |
102 |
124 |
1 |
10.319 |
19 |
|
|
145 |
24 |
57.8 |
50.0 |
2800 |
|
1.21 |
6019-RS |
6019-2RS |
110.2 |
132.6 |
1.5 |
104 |
136 |
1.5 |
15.081 |
14 |
|
|
145 |
24 |
57.8 |
50.0 |
4000 |
5000 |
1.21 |
6019-RZ |
6019-2RZ |
110.2 |
132.6 |
1.5 |
104 |
136 |
1.5 |
15.081 |
14 |
|
|
170 |
32 |
110 |
82.8 |
2400 |
|
2.62 |
6219-RS |
6219-2RS |
118.1 |
149.7 |
2.1 |
107 |
158 |
2.1 |
24 |
10 |
|
|
170 |
32 |
110 |
82.8 |
3600 |
4500 |
2.62 |
6219-RZ |
6219-2RZ |
118.1 |
149.7 |
2.1 |
107 |
158 |
2.1 |
24 |
10 |
|
|
200 |
45 |
|
|
|
|
|
6319-RS |
6319-2RS |
|
|
3 |
|
|
|
|
|
|
|
200 |
45 |
|
|
|
|
|
6319-RZ |
6319-2RZ |
|
|
3 |
|
|
|
|
|
|
|
240 |
55 |
|
|
|
|
|
6419-RS |
6419-2RS |
|
|
4 |
|
|
|
|
|
|
|
240 |
55 |
|
|
|
|
|
6419-RZ |
6419-2RZ |
|
|
4 |
|
|
|
|
|
|
|
|
|
|
|
|
|
|
|
|
|
|
|
|
|
|
|
|
|
100 |
125 |
13 |
20.1 |
22.0 |
3200 |
|
0.283 |
61820-RS |
61820-2RS |
107.5 |
119.4 |
1 |
105 |
120 |
1 |
7.144 |
27 |
|
|
125 |
13 |
20.1 |
22.0 |
4300 |
5300 |
0.283 |
61820-RZ |
61820-2RZ |
107.5 |
119.4 |
1 |
105 |
120 |
1 |
7.144 |
27 |
|
|
140 |
20 |
42.7 |
41.9 |
3000 |
|
0.774 |
61920-RS |
61920-2RS |
112.3 |
130.1 |
1.1 |
107 |
133 |
1 |
11.906 |
18 |
|
|
140 |
20 |
42.7 |
41.9 |
4000 |
5000 |
0.774 |
61920-RZ |
61920-2RZ |
112.3 |
130.1 |
1.1 |
107 |
133 |
1 |
11.906 |
18 |
|
|
150 |
24 |
64.5 |
56.2 |
2600 |
|
1.25 |
6020-RS |
6020-2RS |
114.6 |
138.2 |
1.5 |
109 |
141 |
1.5 |
16 |
14 |
|
|
150 |
24 |
64.5 |
56.2 |
3800 |
4800 |
1.25 |
6020-RZ |
6020-2RZ |
114.6 |
138.2 |
1.5 |
109 |
141 |
1.5 |
16 |
14 |
|
|
180 |
34 |
122 |
92.8 |
2200 |
|
3.2 |
6220-RS |
6220-2RS |
124.8 |
158.0 |
2.1 |
112 |
168 |
2.1 |
25.4 |
10 |
|
|
180 |
34 |
122 |
92.8 |
3400 |
4300 |
3.2 |
6220-RZ |
6220-2RZ |
124.8 |
158.0 |
2.1 |
112 |
168 |
2.1 |
25.4 |
10 |
|
|
215 |
47 |
|
|
|
|
|
6320-RS |
6320-2RS |
|
|
3 |
|
|
|
|
|
|
|
215 |
47 |
|
|
|
|
|
6320-RZ |
6320-2RZ |
|
|
3 |
|
|
|
|
|
|
|
250 |
58 |
|
|
|
|
|
6420-RS |
6420-2RS |
|
|
4 |
|
|
|
|
|
|
|
250 |
58 |
|
|
|
|
|
6420-RZ |
6420-2RZ |
|
|
4 |
|
|
|
|
|
|
|
|
|
|
|
|
|
|
|
|
|
|
|
|
|
|
|
|
|
105 |
130 |
13 |
20.3 |
22.7 |
3000 |
|
0.295 |
61821-RS |
61821-2RS |
112.5 |
124.4 |
1 |
110 |
125 |
1 |
7.144 |
28 |
|
|
130 |
13 |
20.3 |
22.7 |
4000 |
5000 |
0.295 |
61821-RZ |
61821-2RZ |
112.5 |
124.4 |
1 |
110 |
125 |
1 |
7.144 |
28 |
|
|
145 |
20 |
43.9 |
44.3 |
2900 |
|
0.808 |
61921-RS |
61921-2RS |
117.3 |
135.1 |
1.1 |
112 |
138 |
1 |
11.906 |
19 |
|
|
145 |
20 |
43.9 |
44.3 |
3800 |
4500 |
0.808 |
61921-RZ |
61921-2RZ |
117.3 |
135.1 |
1.1 |
112 |
138 |
1 |
11.906 |
19 |
|
|
160 |
26 |
71.8 |
63.2 |
2400 |
|
1.52 |
6021-RS |
6021-2RS |
121.5 |
146.4 |
2 |
115 |
150 |
2 |
17 |
14 |
|
|
160 |
26 |
71.8 |
63.2 |
3600 |
4300 |
1.52 |
6021-RZ |
6021-2RZ |
121.5 |
146.4 |
2 |
115 |
150 |
2 |
17 |
14 |
|
|
190 |
36 |
|
|
|
|
|
6221-RS |
6221-2RS |
|
|
2.1 |
|
|
|
|
|
|
|
190 |
36 |
|
|
|
|
|
6221-RZ |
6221-2RZ |
|
|
2.1 |
|
|
|
|
|
|
|
225 |
49 |
|
|
|
|
|
6321-RS |
6321-2RS |
|
|
3 |
|
|
|
|
|
|
|
225 |
49 |
|
|
|
|
|
6321-RZ |
6321-2RZ |
|
|
3 |
|
|
|
|
|
|
|
|
|
|
|
|
|
|
|
|
|
|
|
|
|
|
|
|
|
110 |
140 |
16 |
28.1 |
30.7 |
2900 |
|
0.496 |
61822-RS |
61822-2RS |
119.3 |
133.0 |
1 |
115 |
135 |
1 |
8.731 |
25 |
|
|
140 |
16 |
28.1 |
30.7 |
3800 |
5000 |
0.496 |
61822-RZ |
61822-2RZ |
119.3 |
133.0 |
1 |
115 |
135 |
1 |
8.731 |
25 |
|
|
150 |
20 |
43.6 |
44.4 |
2700 |
|
0.835 |
61922-RS |
61922-2RS |
122.3 |
140.1 |
1.1 |
117 |
143 |
1 |
11.906 |
19 |
|
|
150 |
20 |
43.6 |
44.4 |
3600 |
4500 |
0.835 |
61922-RZ |
61922-2RZ |
122.3 |
140.1 |
1.1 |
117 |
143 |
1 |
11.906 |
19 |
|
|
170 |
28 |
81.8 |
72.8 |
2200 |
|
1.87 |
6022-RS |
6022-2RS |
129.1 |
155.7 |
2 |
120 |
160 |
2 |
18.256 |
14 |
|
|
170 |
28 |
81.8 |
72.8 |
3400 |
4300 |
1.87 |
6022-RZ |
6022-2RZ |
129.1 |
155.7 |
2 |
120 |
160 |
2 |
18.256 |
14 |
|
|
200 |
38 |
|
|
|
|
|
6222-RS |
6222-2RS |
|
|
2.1 |
|
|
|
|
|
|
|
200 |
38 |
|
|
|
|
|
6222-RZ |
6222-2RZ |
|
|
2.1 |
|
|
|
|
|
|
|
240 |
50 |
|
|
|
|
|
6322-RS |
6322-2RS |
|
|
3 |
|
|
|
|
|
|
|
240 |
50 |
|
|
|
|
|
6322-RZ |
6322-2RZ |
|
|
3 |
|
|
|
|
|
|
|
280 |
65 |
|
|
|
|
|
6422-RS |
6422-2RS |
|
|
4 |
|
|
|
|
|
|
|
280 |
65 |
|
|
|
|
|
6422-RZ |
6422-2RZ |
|
|
4 |
|
|
|
|
|
|
|
|
|
|
|
|
|
|
|
|
|
|
|
|
|
|
|
|
|
120 |
150 |
16 |
28.9 |
32.9 |
2600 |
|
0.536 |
61824-RS |
61824-2RS |
129.3 |
143.0 |
1 |
125 |
145 |
1 |
8.731 |
27 |
|
|
150 |
16 |
28.9 |
32.9 |
3400 |
4300 |
0.536 |
61824-RZ |
61824-2RZ |
129.3 |
143.0 |
1 |
125 |
145 |
1 |
8.731 |
27 |
|
|
165 |
22 |
55 |
56.9 |
2400 |
|
1.131 |
61924-RS |
61924-2RS |
133.7 |
153.6 |
1.1 |
127 |
158 |
1 |
13.494 |
19 |
|
|
165 |
22 |
55 |
56.9 |
3200 |
4000 |
1.131 |
61924-RZ |
61924-2RZ |
133.7 |
153.6 |
1.1 |
127 |
158 |
1 |
13.494 |
19 |
|
|
180 |
28 |
87.5 |
79.2 |
2000 |
|
2 |
6024-RS |
6024-2RS |
137.7 |
165.2 |
2 |
130 |
170 |
2 |
19 |
14 |
|
|
180 |
28 |
87.5 |
79.2 |
3000 |
3800 |
2 |
6024-RZ |
6024-2RZ |
137.7 |
165.2 |
2 |
130 |
170 |
2 |
19 |
14 |
|
|
215 |
40 |
|
|
|
|
|
6224-RS |
6224-2RS |
|
|
2.1 |
|
|
|
|
|
|
|
215 |
40 |
|
|
|
|
|
6224-RZ |
6224-2RZ |
|
|
2.1 |
|
|
|
|
|
|
|
260 |
55 |
|
|
|
|
|
6324-RS |
6324-2RS |
|
|
3 |
|
|
|
|
|
|
|
260 |
55 |
|
|
|
|
|
6324-RZ |
6324-2RZ |
|
|
3 |
|
|
|
|
|
|
|
|
|
|
|
|
|
|
|
|
|
|
|
|
|
|
|
|
|
130 |
165 |
18 |
|
|
|
|
|
61826-RS |
61826-2RS |
|
|
1.1 |
|
|
|
|
|
|
|
165 |
18 |
|
|
|
|
|
61826-RZ |
61826-2RZ |
|
|
1.1 |
|
|
|
|
|
|
|
180 |
24 |
|
|
|
|
|
61926-RS |
61926-2RS |
|
|
1.5 |
|
|
|
|
|
|
|
180 |
24 |
|
|
|
|
|
61926-RZ |
61926-2RZ |
|
|
1.5 |
|
|
|
|
|
|
|
200 |
33 |
|
|
|
|
|
6026-RS |
6026-2RS |
|
|
2 |
|
|
|
|
|
|
|
200 |
33 |
|
|
|
|
|
6026-RZ |
6026-2RZ |
|
|
2 |
|
|
|
|
|
|
|
230 |
40 |
|
|
|
|
|
6226-RS |
6226-2RS |
|
|
3 |
|
|
|
|
|
|
|
230 |
40 |
|
|
|
|
|
6226-RZ |
6226-2RZ |
|
|
3 |
|
|
|
|
|
|
|
|
|
|
|
|
|
|
|
|
|
|
|
|
|
|
|
|
|
140 |
175 |
18 |
|
|
|
|
|
61828-RS |
61828-2RS |
|
|
1.1 |
|
|
|
|
|
|
|
175 |
18 |
|
|
|
|
|
61828-RZ |
61828-2RZ |
|
|
1.1 |
|
|
|
|
|
|
|
190 |
24 |
|
|
|
|
|
61928-RS |
61928-2RS |
|
|
1.5 |
|
|
|
|
|
|
|
210 |
33 |
|
|
|
|
|
6028-RS |
6028-2RS |
|
|
2 |
|
|
|
|
|
|
|
210 |
33 |
|
|
|
|
|
6028-RZ |
6028-2RZ |
|
|
2 |
|
|
|
|
|
|
|
250 |
42 |
|
|
|
|
|
6228-RS |
6228-2RS |
|
|
3 |
|
|
|
|
|
|
|
250 |
42 |
|
|
|
|
|
6228-RZ |
6228-2RZ |
|
|
3 |
|
|
|
|
|
|
|
|
|
|
|
|
|
|
|
|
|
|
|
|
|
|
|
|
|
150 |
210 |
28 |
|
|
|
|
|
61930-RS |
61930-2RS |
|
|
2 |
|
|
|
|
|
|
|
225 |
35 |
|
|
|
|
|
6030-RS |
6030-2RS |
|
|
2.1 |
|
|
|
|
|
|
|
225 |
35 |
|
|
|
|
|
6030-RZ |
6030-2RZ |
|
|
2.1 |
|
|
|
|
|
|
|
|
|
|
|
|
|
|
|
|
|
|
|
|
|
|
|
|
|
160 |
220 |
28 |
|
|
|
|
|
61932-RS |
61932-2RS |
|
|
2 |
|
|
|
|
|
|
|
240 |
38 |
|
|
|
|
|
6032-RS |
6032-2RS |
|
|
2.1 |
|
|
|
|
|
|
|
240 |
38 |
|
|
|
|
|
6032-RZ |
6032-2RZ |
|
|
2.1 |
|
|
|
|
|
|
|
|
|
|
|
|
|
|
|
|
|
|
|
|
|
|
|
|
|
170 |
230 |
28 |
|
|
|
|
|
61934-RS |
61934-2RS |
|
|
2 |
|
|
|
|
|
|
|
|
|
|
|
|
|
|
|
|
|
|
|
|
|
|
|
|
|
180 |
250 |
33 |
|
|
|
|
|
61936-RS |
61936-2RS |
|
|
2 |
|
|
|
|
|
|
|
|
|
|
|
|
|
|
|
|
|
|
|
|
|
|
|
|
|
190 |
260 |
33 |
|
|
|
|
|
61938-RS |
61938-2RS |
|
|
2 |
|
|
|
|
|
|
|
|
|
|
|
|
|
|
|
|
|
|
|
|
|
|
|
|
|
200 |
280 |
38 |
|
|
|
|
|
61940-RS |
61940-2RS |
|
|
2.1 |
|
|
|
|
|
|
|
|
|
|
|
|
|
|
|
|
|
|
|
|
|
|
|
|
|
220 |
300 |
38 |
|
|
|
|
|
61944-RS |
61944-2RS |
|
|
2.1 |
|
|
|
|
|




