|
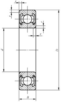
带密封圈的深沟球轴承 (GB/T 276—2013) |
|||||||||||||||||
|
一面带密封圈(接触式)的深沟球轴承60000-RS
两面带密封圈(接触式)的深沟球轴承60000-RS
一面带密封圈(非接触式)的深沟球轴承60000-RS
两面带密封圈(非接触式)的深沟球轴承60000-RS 符号含义与应用 RZ—轴承一面带骨架橡胶密封圈(非接触式) 2RZ—轴承两面带骨架橡胶密封圈(非接触式) RS—轴承一面带骨架橡胶密封圈(接触式) 2RS—轴承两面带骨架橡胶密封圈(接触式) 带密封圈的轴承的性能、填脂和用途与带防尘盖的轴承相同。不同的是防尘盖与内圈之间有较大间隙,而非接触式密封圈间隙很小,接触式密封圈没有间隙,各型密封效果不同,无间隙密封效果较好,但摩擦和噪声增加,极限转速较低。 |
|||||||||||||||||
|
基本尺寸 /mm |
基本额定 载荷/kN |
极限转速 /r·min-1 |
重量 /kg |
轴承代号 |
其他尺寸 /mm |
安装尺寸 /mm |
球径/mm |
球数 |
|||||||||
|
d |
D |
B |
Cr |
C0r |
脂 |
油 |
W ≈ |
60000-RZ型 60000-RS型 |
60000-2RZ型 60000-2RS型 |
d2 |
D3 |
r min |
da min |
Da max |
ra max |
Dw |
Z |
|
35 |
47 |
7 |
4.9 |
4.0 |
9000 |
|
0.023 |
61807-RS |
61807-2RS |
38.2 |
44.9 |
0.3 |
37.4 |
45 |
0.3 |
3.500 |
20 |
|
|
47 |
7 |
4.9 |
4.0 |
11000 |
15000 |
0.023 |
61807-RZ |
61807-2RZ |
38.2 |
44.9 |
0.3 |
37.4 |
45 |
0.3 |
3.500 |
20 |
|
|
55 |
10 |
9.5 |
6.8 |
7500 |
|
0.078 |
61907-RS |
61907-2RS |
41.1 |
50.3 |
0.6 |
40 |
51 |
0.6 |
5.556 |
14 |
|
|
55 |
10 |
9.5 |
6.8 |
10000 |
13000 |
0.078 |
61907-RZ |
61907-2RZ |
41.1 |
50.3 |
0.6 |
40 |
51 |
0.6 |
5.556 |
14 |
|
|
62 |
9 |
|
|
|
|
|
16007-RS |
16007-2RS |
|
|
0.3 |
|
|
|
|
|
|
|
62 |
14 |
16.2 |
10.5 |
6500 |
|
0.160 |
6007-RS |
6007-2RS |
43.3 |
55.9 |
1 |
41 |
56 |
1 |
8 |
11 |
|
|
62 |
14 |
16.2 |
10.5 |
9500 |
12000 |
0.160 |
6007-RZ |
6007-2RZ |
43.3 |
55.9 |
1 |
41 |
56 |
1 |
8 |
11 |
|
|
72 |
17 |
25.5 |
15.2 |
5800 |
|
0.270 |
6207-RS |
6207-2RS |
46.8 |
62.4 |
1.1 |
42 |
65 |
1 |
11.112 |
9 |
|
|
72 |
17 |
25.5 |
15.2 |
8500 |
11000 |
0.270 |
6207-RZ |
6207-2RZ |
46.8 |
62.4 |
1.1 |
42 |
65 |
1 |
11.112 |
9 |
|
|
80 |
21 |
33.4 |
19.2 |
5400 |
|
0.420 |
6307-RS |
6307-2RS |
50.4 |
68.8 |
1.5 |
44 |
71 |
1.5 |
13.494 |
8 |
|
|
80 |
21 |
33.4 |
19.2 |
8000 |
9500 |
0.420 |
6307-RZ |
6307-2RZ |
50.4 |
68.8 |
1.5 |
44 |
71 |
1.5 |
13.494 |
8 |
|
|
100 |
25 |
|
|
|
|
|
6407-RS |
6407-2RS |
|
|
1.5 |
|
|
|
|
|
|
|
100 |
25 |
|
|
|
|
|
6407-RZ |
6407-2RZ |
|
|
|
|
|
|
|
|
|
|
|
|
|
|
|
|
|
|
|
|
|
|
|
|
|
|
|
|
40 |
52 |
7 |
5.1 |
4.4 |
7500 |
|
0.026 |
61808-RS |
61808-2RS |
43.2 |
49.9 |
0.3 |
42.4 |
50 |
0.3 |
3.500 |
22 |
|
|
52 |
7 |
5.1 |
4.4 |
10000 |
13000 |
0.026 |
61808-RZ |
61808-2RZ |
43.2 |
49.9 |
0.3 |
42.4 |
50 |
0.3 |
3.500 |
22 |
|
|
62 |
12 |
13.7 |
9.9 |
7000 |
|
0.103 |
61908-RS |
61908-2RS |
46.3 |
57.1 |
0.6 |
45 |
58 |
0.6 |
6.747 |
14 |
|
|
62 |
12 |
13.7 |
9.9 |
9500 |
12000 |
0.103 |
61908-RZ |
61908-2RZ |
46.3 |
57.1 |
0.6 |
45 |
58 |
0.6 |
6.747 |
14 |
|
|
68 |
9 |
|
|
|
|
|
16008-RS |
16008-2RS |
|
|
0.3 |
|
|
|
|
|
|
|
68 |
15 |
17.0 |
11.8 |
6000 |
|
0.190 |
6008-RS |
6008-2RS |
48.8 |
61.4 |
1 |
46 |
62 |
1 |
8 |
12 |
|
|
68 |
15 |
17.0 |
11.8 |
9000 |
11000 |
0.190 |
6008-RZ |
6008-2RZ |
48.8 |
61.4 |
1 |
46 |
62 |
1 |
8 |
12 |
|
|
80 |
18 |
29.5 |
18.0 |
5400 |
|
0.370 |
6208-RS |
6208-2RS |
52.8 |
69.4 |
1.1 |
47 |
73 |
1 |
12 |
9 |
|
|
80 |
18 |
29.5 |
18.0 |
8000 |
10000 |
0.370 |
6208-RZ |
6208-2RZ |
52.8 |
69.4 |
1.1 |
47 |
73 |
1 |
12 |
9 |
|
|
90 |
23 |
40.8 |
24.0 |
4800 |
|
0.630 |
6308-RS |
6308-2RS |
56.5 |
77.0 |
1.5 |
49 |
81 |
1.5 |
15.081 |
8 |
|
|
90 |
23 |
40.8 |
24.0 |
7000 |
8500 |
0.630 |
6308-RZ |
6308-2RZ |
56.5 |
77.0 |
1.5 |
49 |
81 |
1.5 |
15.081 |
8 |
|
|
110 |
27 |
|
|
|
|
|
6408-RS |
6408-2RS |
|
|
2 |
|
|
|
|
|
|
|
110 |
27 |
|
|
|
|
|
6408-RZ |
6408-2RZ |
|
|
2 |
|
|
|
|
|
|
|
|
|
|
|
|
|
|
|
|
|
|
|
|
|
|
|
|
|
45 |
58 |
7 |
6.4 |
5.6 |
6800 |
|
0.030 |
61809-RS |
61809-2RS |
48.3 |
55.8 |
0.3 |
47.4 |
56 |
0.3 |
3.969 |
22 |
|
|
58 |
7 |
6.4 |
5.6 |
9000 |
12000 |
0.030 |
61809-RZ |
61809-2RZ |
48.3 |
55.8 |
0.3 |
47.4 |
56 |
0.3 |
3.969 |
22 |
|
|
68 |
12 |
14.1 |
10.9 |
6400 |
|
0.123 |
61909-RS |
61909-2RS |
51.8 |
62.6 |
0.6 |
50 |
63 |
0.6 |
6.747 |
15 |
|
|
68 |
12 |
14.1 |
10.9 |
8500 |
11000 |
0.123 |
61909-RZ |
61909-2RZ |
51.8 |
62.6 |
0.6 |
50 |
63 |
0.6 |
6.747 |
15 |
|
|
75 |
10 |
|
|
|
|
|
16009-RS |
16009-2RS |
|
|
0.6 |
|
|
|
|
|
|
|
75 |
16 |
21.0 |
14.8 |
5400 |
|
0.240 |
6009-RS |
6009-2RS |
54.2 |
68.1 |
1 |
51 |
69 |
1 |
9 |
12 |
|
|
75 |
16 |
21.0 |
14.8 |
8000 |
10000 |
0.240 |
6009-RZ |
6009-2RZ |
54.2 |
68.1 |
1 |
51 |
69 |
1 |
9 |
12 |
|
|
85 |
19 |
31.5 |
20.5 |
4800 |
|
0.420 |
6209-RS |
6209-2RS |
58.8 |
75.7 |
1.1 |
52 |
78 |
1 |
12 |
10 |
|
|
85 |
19 |
31.5 |
20.5 |
7000 |
9000 |
0.420 |
6209-RZ |
6209-2RZ |
58.8 |
75.7 |
1.1 |
52 |
78 |
1 |
12 |
10 |
|
|
100 |
25 |
52.8 |
31.8 |
4300 |
|
0.830 |
6309-RS |
6309-2RS |
63.0 |
86.5 |
1.5 |
54 |
91 |
1.5 |
17.462 |
8 |
|
|
100 |
25 |
52.8 |
31.8 |
6300 |
7500 |
0.830 |
6309-RZ |
6309-2RZ |
63.0 |
86.5 |
1.5 |
54 |
91 |
1.5 |
17.462 |
8 |
|
|
120 |
29 |
|
|
|
|
|
6409-RS |
6409-2RS |
|
|
2 |
|
|
|
|
|
|
|
120 |
29 |
|
|
|
|
|
6409-RZ |
6409-2RZ |
|
|
2 |
|
|
|
|
|
|
|
|
|
|
|
|
|
|
|
|
|
|
|
|
|
|
|
|
|
50 |
65 |
7 |
6.6 |
6.1 |
6400 |
|
0.043 |
61810-RS |
61810-2RS |
54.3 |
61.8 |
0.3 |
52.4 |
62.6 |
0.3 |
3.969 |
24 |
|
|
65 |
7 |
6.6 |
6.1 |
8500 |
10000 |
0.043 |
61810-RZ |
61810-2RZ |
54.3 |
61.8 |
0.3 |
52.4 |
62.6 |
0.3 |
3.969 |
24 |
|
|
72 |
12 |
14.5 |
11.7 |
6000 |
|
0.122 |
61910-RS |
61910-2RS |
56.3 |
67.1 |
0.6 |
55 |
68 |
0.6 |
6.747 |
16 |
|
|
72 |
12 |
14.5 |
11.7 |
8000 |
9500 |
0.122 |
61910-RZ |
61910-2RZ |
56.3 |
67.1 |
0.6 |
55 |
68 |
0.6 |
6.747 |
16 |
|
|
80 |
10 |
|
|
|
|
|
16010-RS |
16010-2RS |
|
|
0.6 |
|
|
|
|
|
|
|
80 |
16 |
22.0 |
16.2 |
4800 |
|
0.280 |
6010-RS |
6010-2RS |
59.2 |
73.1 |
1 |
56 |
74 |
1 |
9 |
13 |
|
|
80 |
16 |
22.0 |
16.2 |
7000 |
9000 |
0.280 |
6010-RZ |
6010-2RZ |
59.2 |
73.1 |
1 |
56 |
74 |
1 |
9 |
13 |
|
|
90 |
20 |
35.0 |
23.2 |
4600 |
|
0.470 |
6210-RS |
6210-2RS |
62.4 |
80.1 |
1.1 |
57 |
83 |
1 |
12.7 |
10 |
|
|
90 |
20 |
35.0 |
23.2 |
6700 |
8500 |
0.470 |
6210-RZ |
6210-2RZ |
62.4 |
80.1 |
1.1 |
57 |
83 |
1 |
12.7 |
10 |
|
|
110 |
27 |
61.8 |
38.0 |
4100 |
|
1.080 |
6310-RS |
6310-2RS |
69.1 |
94.4 |
2 |
60 |
100 |
2 |
19.05 |
8 |
|
|
110 |
27 |
61.8 |
38.8 |
6000 |
7000 |
1.080 |
6310-RZ |
6310-2RZ |
69.1 |
94.4 |
2 |
60 |
100 |
2 |
19.05 |
8 |
|
|
130 |
31 |
|
|
|
|
|
6410-RS |
6410-2RS |
|
|
2.1 |
|
|
|
|
|
|
|
130 |
31 |
|
|
|
|
|
6410-RZ |
6410-2RZ |
|
|
2.1 |
|
|
|
|
|
|
|
|
|
|
|
|
|
|
|
|
|
|
|
|
|
|
|
|
|
55 |
72 |
9 |
9.1 |
8.4 |
6000 |
|
0.070 |
61811-RS |
61811-2RS |
60.2 |
68.3 |
0.3 |
57.4 |
69.6 |
0.3 |
4.762 |
23 |
|
|
72 |
9 |
9.1 |
8.4 |
8000 |
9500 |
0.070 |
61811-RZ |
61811-2RZ |
60.2 |
68.3 |
0.3 |
57.4 |
69.6 |
0.3 |
4.762 |
23 |
|
|
80 |
13 |
15.9 |
13.2 |
5600 |
|
0.170 |
61911-RS |
61911-2RS |
62.9 |
73.6 |
1 |
61 |
75 |
1 |
7.144 |
16 |
|
|
80 |
13 |
15.9 |
13.2 |
7500 |
9000 |
0.170 |
61911-RZ |
61911-2RZ |
62.9 |
73.6 |
1 |
61 |
75 |
1 |
7.144 |
16 |
|
|
90 |
11 |
|
|
|
|
|
16011-RS |
16011-2RS |
|
|
0.6 |
|
|
|
|
|
|
|
90 |
18 |
30.2 |
21.8 |
4800 |
|
0.380 |
6011-RS |
6011-2RS |
65.4 |
82.2 |
1.1 |
62 |
83 |
1 |
11 |
12 |
|
|
90 |
18 |
30.2 |
21.8 |
7000 |
8500 |
0.380 |
6011-RZ |
6011-2RZ |
65.4 |
82.2 |
1.1 |
62 |
83 |
1 |
11 |
12 |
|
|
100 |
21 |
43.2 |
29.2 |
4100 |
|
0.580 |
6211-RS |
6211-2RS |
68.9 |
88.6 |
1.5 |
64 |
91 |
1.5 |
14.288 |
10 |
|
|
100 |
21 |
43.2 |
29.2 |
6000 |
7500 |
0.580 |
6211-RZ |
6211-2RZ |
68.9 |
88.6 |
1.5 |
64 |
91 |
1.5 |
14.288 |
10 |
|
|
120 |
29 |
71.5 |
44.8 |
3800 |
|
1.370 |
6311-RS |
6311-2RS |
76.1 |
103.4 |
2 |
65 |
110 |
2 |
20.638 |
8 |
|
|
120 |
29 |
71.5 |
44.8 |
5600 |
6700 |
1.370 |
6311-RZ |
6311-2RZ |
76.1 |
103.4 |
2 |
65 |
110 |
2 |
20.638 |
8 |
|
|
140 |
33 |
|
|
|
|
|
6411-RS |
6411-2RS |
|
|
2.1 |
|
|
|
|
|
|
|
140 |
33 |
|
|
|
|
|
6411-RZ |
6411-2RZ |
|
|
2.1 |
|
|
|
|
|
|
|
|
|
|
|
|
|
|
|
|
|
|
|
|
|
|
|
|
|
60 |
78 |
10 |
9.1 |
8.7 |
5300 |
|
0.093 |
61812-RS |
61812-2RS |
66.2 |
74.6 |
0.3 |
62.4 |
75.6 |
0.3 |
4.762 |
24 |
|
|
78 |
10 |
9.1 |
8.7 |
7000 |
8500 |
0.093 |
61812-RZ |
61812-2RZ |
66.2 |
74.6 |
0.3 |
62.4 |
75.6 |
0.3 |
4.762 |
24 |
|
|
85 |
13 |
16.4 |
14.2 |
5000 |
|
0.181 |
61912-RS |
61912-2RS |
67.9 |
78.6 |
1 |
66 |
80 |
1 |
7.144 |
17 |
|
|
85 |
13 |
16.4 |
14.2 |
6700 |
8000 |
0.181 |
61912-RZ |
61912-2RZ |
67.9 |
78.6 |
1 |
66 |
80 |
1 |
7.144 |
17 |
|
|
95 |
11 |
|
|
|
|
|
16012-RS |
16012-2RS |
|
|
0.6 |
|
|
|
|
|
|
|
95 |
18 |
31.5 |
24.2 |
4300 |
|
0.410 |
6012-RS |
6012-2RS |
71.4 |
88.2 |
1.1 |
67 |
89 |
1 |
11 |
13 |
|
|
95 |
18 |
31.5 |
24.2 |
6300 |
7500 |
0.410 |
6012-RZ |
6012-2RZ |
71.4 |
88.2 |
1.1 |
67 |
89 |
1 |
11 |
13 |
|
|
110 |
22 |
47.8 |
32.8 |
3800 |
|
0.770 |
6212-RS |
6212-2RS |
76.0 |
96.5 |
1.5 |
69 |
101 |
1.5 |
15.081 |
10 |
|
|
110 |
22 |
47.8 |
32.8 |
5600 |
7000 |
0.770 |
6212-RZ |
6212-2RZ |
76.0 |
96.5 |
1.5 |
69 |
101 |
1.5 |
15.081 |
10 |
|
|
130 |
31 |
81.8 |
51.8 |
3400 |
|
1.710 |
6312-RS |
6312-2RS |
81.7 |
111.1 |
2.1 |
72 |
118 |
2.1 |
22.225 |
8 |
|
|
130 |
31 |
81.8 |
51.8 |
5000 |
6000 |
1.710 |
6312-RZ |
6312-2RZ |
81.7 |
111.1 |
2.1 |
72 |
118 |
2.1 |
22.225 |
8 |
|
|
150 |
35 |
|
|
|
|
|
6412-RS |
6412-2RS |
|
|
2.1 |
|
|
|
|
|
|
|
150 |
35 |
|
|
|
|
|
6412-RZ |
6412-2RZ |
|
|
2.1 |
|
|
|
|
|
|
|
|
|
|
|
|
|
|
|
|
|
|
|
|
|
|
|
|
|
65 |
85 |
10 |
11.9 |
11.5 |
5000 |
|
0.130 |
61813-RS |
61813-2RS |
71.1 |
80.6 |
0.6 |
69 |
81 |
0.6 |
5.556 |
23 |
|
|
85 |
10 |
11.9 |
11.5 |
6700 |
8000 |
0.130 |
61813-RZ |
61813-2RZ |
71.1 |
80.6 |
0.6 |
69 |
81 |
0.6 |
5.556 |
23 |
|
|
90 |
13 |
17.4 |
16.0 |
4700 |
|
0.196 |
61913-RS |
61913-2RS |
72.9 |
83.6 |
1 |
71 |
85 |
1 |
7.144 |
19 |
|
|
90 |
13 |
17.4 |
16.0 |
6300 |
7500 |
0.196 |
61913-RZ |
61913-2RZ |
72.9 |
83.6 |
1 |
71 |
85 |
1 |
7.144 |
19 |
|
|
100 |
18 |
32.0 |
24.8 |
4100 |
|
0.410 |
6013-RS |
6013-2RS |
75.3 |
92.2 |
1.1 |
72 |
93 |
1 |
11.112 |
13 |
|
|
100 |
18 |
32.0 |
24.8 |
6000 |
7000 |
0.410 |
6013-RZ |
6013-2RZ |
75.3 |
92.2 |
1.1 |
72 |
93 |
1 |
11.112 |
13 |
|
|
120 |
23 |
57.2 |
40.0 |
3400 |
|
0.980 |
6213-RS |
6213-2RS |
82.5 |
105.0 |
1.5 |
74 |
111 |
1.5 |
16.669 |
10 |
|
|
120 |
23 |
57.2 |
40.0 |
5000 |
6300 |
0.980 |
6213-RZ |
6213-2RZ |
82.5 |
105.0 |
1.5 |
74 |
111 |
1.5 |
16.669 |
10 |
|
|
140 |
33 |
93.8 |
60.5 |
3000 |
|
2.090 |
6313-RS |
6313-2RS |
88.1 |
119.7 |
2.1 |
77 |
128 |
2.1 |
24 |
8 |
|
|
140 |
33 |
93.8 |
60.5 |
4500 |
5300 |
2.090 |
6313-RZ |
6313-2RZ |
88.1 |
119.7 |
2.1 |
77 |
128 |
2.1 |
24 |
8 |
|
|
160 |
37 |
|
|
|
|
|
6413-RS |
6413-2RS |
|
|
2.1 |
|
|
|
|
|
|
|
160 |
37 |
|
|
|
|
|
6413-RZ |
6413-2RZ |
|
|
2.1 |
|
|
|
|
|




