|
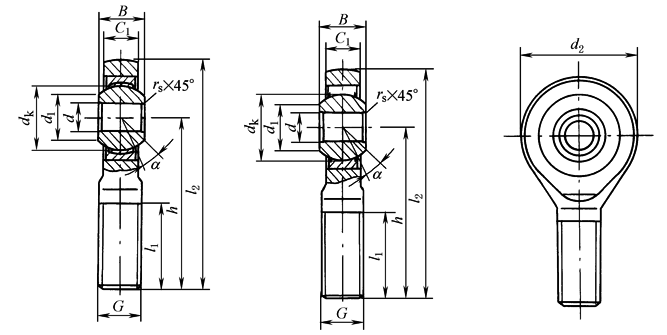
外螺纹自润滑杆端关节轴承 |
|||||||||||||||
|
SAJK…C SA…ET…2RS SA…C 1.轴承附有带外螺纹的伸出杆,螺纹有左、右旋之分。 2.由自润滑向心关节轴承和杆端体组装而成。 3.杆端体表面镀锌,内圈球面镀铬。 |
|||||||||||||||
|
轴承型号 |
尺 寸 /mm |
额定载荷/kN |
α /(°) ≈ |
质量 /kg ≈ |
|||||||||||
|
d |
B |
rs min |
C1 max |
d1 ≈ |
d2 max |
G |
dk |
h |
l1 min |
l2 max |
动 |
静 |
|||
|
JK 系 列 |
|||||||||||||||
|
SAJK5C |
5 |
8 |
0.3 |
7.5 |
7.7 |
18 |
M5 |
11.1 |
33 |
19 |
42 |
3.6 |
3.9 |
4 |
0.013 |
|
SAJK6C |
6 |
9 |
0.3 |
7.5 |
8.9 |
20 |
M6 |
12.7 |
36 |
21 |
46 |
4.7 |
5.2 |
9 |
0.015 |
|
SAJK8C |
8 |
12 |
0.3 |
9.5 |
10.3 |
24 |
M8 |
15.8 |
42 |
25 |
54 |
7.6 |
8.2 |
12 |
0.034 |
|
|
|
|
|
|
|
|
|
|
|
|
|
|
|
|
|
|
SAJK10C |
10 |
14 |
0.6 |
11.5 |
12.9 |
30 |
M10 |
19 |
48 |
28 |
63 |
12 |
15 |
10 |
0.071 |
|
SAJK12C |
12 |
16 |
0.6 |
12.5 |
15.4 |
34 |
M12 |
22.2 |
54 |
32 |
71 |
14 |
19 |
12 |
0.11 |
|
SAJK14C |
14 |
19 |
0.6 |
14.5 |
16.8 |
38 |
M14 |
25.4 |
60 |
36 |
79 |
19 |
24 |
14 |
0.13 |
|
|
|
|
|
|
|
|
|
|
|
|
|
|
|
|
|
|
SAJK16C |
16 |
21 |
0.6 |
15.5 |
19.3 |
42 |
M16 |
28.5 |
66 |
37 |
87 |
23 |
29 |
14 |
0.22 |
|
SAJK18C |
18 |
23 |
0.6 |
17.5 |
21.8 |
46 |
M18×1.5 |
31.7 |
72 |
41 |
95 |
29 |
34 |
13 |
0.29 |
|
SAJK20C |
20 |
25 |
0.6 |
18.5 |
24.3 |
50 |
M20×1.5 |
34.9 |
78 |
45 |
103 |
34 |
40 |
14 |
0.36 |
|
|
|
|
|
|
|
|
|
|
|
|
|
|
|
|
|
|
SAJK22C |
22 |
28 |
0.6 |
21 |
25.8 |
56 |
M22×1.5 |
38.1 |
84 |
48 |
112 |
42 |
50 |
14 |
0.49 |
|
SAJK25C |
25 |
31 |
0.6 |
23 |
29.5 |
60 |
M24×2 |
42.8 |
94 |
55 |
124 |
52 |
57 |
14 |
0.65 |
|
SAJK30C |
30 |
37 |
0.6 |
27 |
34.8 |
70 |
M30×2 |
50.8 |
110 |
66 |
145 |
73 |
77 |
15 |
1.1 |
|
E 系 列 |
|||||||||||||||
|
SA5C |
5 |
6 |
0.3 |
4.5 |
7 |
21 |
M5 |
10 |
36 |
16 |
46.5 |
3.6 |
3.9 |
13 |
0.011 |
|
SA6C |
6 |
6 |
0.3 |
4.5 |
8 |
21 |
M6 |
10 |
36 |
16 |
46.5 |
3.6 |
5.5 |
13 |
0.013 |
|
SA8C |
8 |
8 |
0.3 |
6.5 |
10 |
24 |
M8 |
13 |
42 |
21 |
54 |
5.8 |
10 |
15 |
0.026 |
|
|
|
|
|
|
|
|
|
|
|
|
|
|
|
|
|
|
SA10C |
10 |
9 |
0.3 |
7.5 |
13 |
29 |
M10 |
16 |
48 |
26 |
62.5 |
8.6 |
16 |
12 |
0.044 |
|
SA12C |
12 |
10 |
0.3 |
8.5 |
15 |
34 |
M12 |
18 |
54 |
28 |
71 |
11 |
23 |
10 |
0.066 |
|
SA15C |
15 |
12 |
0.3 |
10.5 |
18 |
40 |
M14 |
22 |
63 |
34 |
83 |
18 |
32 |
8 |
0.12 |
|
|
|
|
|
|
|
|
|
|
|
|
|
|
|
|
|
|
SA17C |
17 |
14 |
0.3 |
11.5 |
20 |
46 |
M16 |
25 |
69 |
36 |
92 |
22 |
44 |
10 |
0.17 |
|
SA20C |
20 |
16 |
0.3 |
13.5 |
24 |
53 |
M20×1.5 |
29 |
78 |
43 |
104.5 |
31 |
60 |
9 |
0.28 |
|
SA25C |
25 |
20 |
0.6 |
18 |
29 |
64 |
M24×2 |
35 |
94 |
53 |
126 |
51 |
83 |
7 |
0.51 |
|
|
|
|
|
|
|
|
|
|
|
|
|
|
|
|
|
|
SA30C |
30 |
22 |
0.6 |
20 |
34 |
73 |
M30×2 |
40 |
110 |
65 |
146.5 |
65 |
110 |
6 |
0.84 |
|
SA35ET-2RS |
35 |
25 |
0.6 |
22 |
39 |
82 |
M36×3 |
47 |
140 |
82 |
181 |
112 |
146 |
6 |
1.4 |
|
SA40ET-2RS |
40 |
28 |
0.6 |
24 |
45 |
92 |
M39×3 |
53 |
150 |
86 |
196 |
140 |
180 |
7 |
1.8 |
|
|
|
|
|
|
|
|
|
|
|
|
|
|
|
|
|
|
SA45ET-2RS |
45 |
32 |
0.6 |
28 |
50 |
102 |
M42×3 |
60 |
163 |
92 |
214 |
180 |
240 |
7 |
2.5 |
|
SA50ET-2RS |
50 |
35 |
0.6 |
31 |
55 |
112 |
M45×3 |
66 |
185 |
104 |
241 |
220 |
290 |
6 |
3.6 |
|
SA60ET-2RS |
60 |
44 |
1.0 |
39 |
66 |
135 |
M52×3 |
80 |
210 |
115 |
277.5 |
345 |
450 |
6 |
5.7 |
|
|
|
|
|
|
|
|
|
|
|
|
|
|
|
|
|
|
SA70ET-2RS |
70 |
49 |
1.0 |
43 |
77 |
160 |
M56×4 |
92 |
235 |
125 |
315 |
440 |
610 |
6 |
7.9 |
|
SA80ET-2RS |
80 |
55 |
1.0 |
48 |
88 |
180 |
M64×4 |
105 |
270 |
140 |
360 |
567 |
750 |
6 |
12 |
|
注:1.若是左旋螺纹,轴承型号和螺纹标记需加“L”和“左”,例如:SAL JK10C M10左-6g,SAL35ET-2RS M36×3左-6g。 2.表中K、E系列的d2、l2以及K系列的rs、α尺寸与GB/T 9161—2001规定的尺寸稍有差别,选用时与生产厂家联系。 |
|||||||||||||||

