|
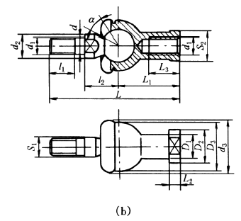
弯杆形和直杆形球头杆端关节轴承 |
|||||||||||||||||||||
|
球头座为附有带内螺纹的“L”向伸出杆,用锌基合金制造,螺纹有左、右旋之分。
球头座为附有带内螺纹的轴向伸出杆,螺纹有左、右旋之分,用锌基合金制造。 |
|||||||||||||||||||||
|
弯 杆 形 球 头 杆 端 关 节 轴 承 ︵ 图 a ︶ |
轴承型号 |
尺 寸 /mm |
额定 静载荷 /kN |
α≈ /(°) |
重量 ≈/kg |
||||||||||||||||
|
d |
d1 |
d2 min |
d3 max |
l max |
l1 min |
l2 |
l3 max |
S1 |
L max |
L1 |
L2 max |
L3 min |
D1 max |
D2 max |
D3 max |
S2 |
|||||
|
SQ5-RS |
5 |
M5 |
9 |
19 |
29 |
8 |
10 |
21 |
7 |
35 |
27 |
4 |
14 |
9 |
11 |
16 |
9 |
2.2 |
25 |
0.026 |
|
|
SQ6-RS |
6 |
M6 |
10 |
20 |
35.5 |
11 |
11 |
26 |
8 |
40 |
30 |
5 |
14 |
10 |
13 |
19 |
11 |
3.5 |
25 |
0.039 |
|
|
SQ8-RS |
8 |
M8 |
12 |
24 |
42.5 |
12 |
14 |
31 |
10 |
48 |
36 |
5 |
17 |
12.5 |
16 |
23 |
14 |
6.6 |
25 |
0.068 |
|
|
SQ10-RS |
10 |
M10×1.25 |
14 |
30 |
50.5 |
15 |
17 |
37 |
11 |
57 |
43 |
6.5 |
21 |
15 |
19 |
27 |
17 |
10 |
25 |
0.112 |
|
|
SQ12-RS |
12 |
M12×1.25 |
17 |
32 |
57.5 |
17 |
19 |
42 |
15 |
66 |
50 |
6.5 |
25 |
17.5 |
22 |
31 |
19 |
16 |
25 |
0.164 |
|
|
SQ14-RS |
14 |
M14×1.5 |
19 |
38 |
73.5 |
22 |
21.5 |
56 |
17 |
75 |
57 |
8 |
26 |
20 |
25 |
35 |
22 |
19 |
25 |
0.254 |
|
|
SQ16-RS |
16 |
M16×1.5 |
22 |
44 |
79.5 |
23 |
23.5 |
60 |
19 |
84 |
64 |
8 |
32 |
22 |
27 |
39 |
22 |
6 |
20 |
0.336 |
|
|
SQ18-RS |
18 |
M18×1.5 |
23 |
45 |
90 |
23 |
26.5 |
68 |
20 |
93 |
71 |
10 |
34 |
25 |
31 |
44 |
27 |
3 |
20 |
0.464 |
|
|
SQ20-RS |
20 |
M20×1.5 |
27 |
50 |
90 |
25 |
27 |
68 |
24 |
99 |
77 |
10 |
35 |
27.5 |
34 |
44 |
30 |
45 |
20 |
0.538 |
|
|
SQ22-RS |
22 |
M22×1.5 |
27 |
52 |
95 |
26 |
28 |
70 |
24 |
109 |
84 |
12 |
41 |
30 |
37 |
50 |
32 |
48 |
16 |
0.713 |
|
|
直 杆 形 球 头 杆 端 关 节 轴 承 ︵ 图 b ︶ |
SQZ5-RS |
5 |
M5 |
9 |
20 |
|
8 |
11 |
|
7 |
46 |
24 |
4 |
12 |
9 |
11 |
17 |
9 |
2.8 |
15 |
0.025 |
|
SQZ6-RS |
6 |
M6 |
10 |
20 |
|
11 |
12.2 |
|
8 |
55.2 |
28 |
5 |
15 |
10 |
13 |
20 |
11 |
3.7 |
15 |
0.041 |
|
|
SQZ8-RS |
8 |
M8 |
12 |
24 |
|
12 |
16 |
|
10 |
65 |
32 |
5 |
16 |
12.5 |
16 |
24 |
14 |
5.8 |
15 |
0.075 |
|
|
SQZ10-RS |
10 |
M10×1.25 |
14 |
30 |
|
15 |
19.5 |
|
11 |
74.5 |
35 |
6.5 |
18 |
15 |
19 |
28 |
17 |
8.4 |
15 |
0.12 |
|
|
SQZ12-RS |
12 |
M12×1.25 |
17 |
32 |
|
17 |
21 |
|
15 |
84 |
40 |
6.5 |
20 |
17.5 |
22 |
32 |
19 |
11 |
15 |
0.18 |
|
|
SQZ14-RS |
14 |
M14×1.5 |
19 |
38 |
|
22 |
23.5 |
|
17 |
103 |
45 |
8 |
25 |
20 |
25 |
36 |
22 |
15 |
11 |
0.27 |
|
|
SQZ16-RS |
16 |
M16×1.5 |
22 |
44 |
|
23 |
25.5 |
|
19 |
112 |
50 |
8 |
27 |
22 |
27 |
40 |
22 |
15 |
11 |
0.36 |
|
|
SQZ18-RS |
18 |
M18×1.5 |
23 |
45 |
|
25 |
31 |
|
20 |
130.5 |
58 |
10 |
32 |
25 |
31 |
45 |
27 |
19 |
11 |
0.54 |
|
|
SQZ20-RS |
20 |
M20×1.5 |
27 |
50 |
|
25 |
29 |
|
24 |
133 |
63 |
10 |
38 |
27.5 |
34 |
45 |
30 |
19 |
7.5 |
0.57 |
|
|
SQZ22-RS |
22 |
M22×1.5 |
27 |
52 |
|
26 |
33 |
|
24 |
145 |
70 |
12 |
43 |
30 |
37 |
50 |
32 |
23 |
7.5 |
0.76 |
|
|
注:球头座杆螺纹也可为左旋,若是左旋,轴承型号需加“L”,螺纹标记应加“左”。 例如:SQL6-RS M6左-6H,不带密封罩产品型号为SQ…;SQZL5-RS M5左-6H,不带密封罩产品型号为SQZ…。 |
|||||||||||||||||||||


