|
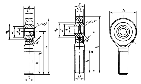
外螺纹组装和镶垫杆端关节轴承 |
||
|
SA…E SA…ES |
1.轴承附有带螺纹的伸出杆,螺纹有左、右旋之分。 2.由向心关节轴承GE…E或GE…ES和杆端体组装而成。 3.杆端体表面镀锌,SA…ES型有润滑油孔或油杯。 |
|
|
SABP…S |
1.轴承附有带螺纹的伸出杆,螺纹有左、右旋之分。 2.外滑动面镶有青铜衬垫,内圈球面镀铬。 3.杆端体表面镀锌,有润滑油孔或油杯。 |
|
|
轴承型号 |
尺 寸 /mm |
额定载荷/kN |
α /(°) ≈ |
重量 /kg ≈ |
|||||||||||
|
d |
B |
rs min |
C1 max |
d1 ≈ |
d2 max |
G |
dk |
h |
l1 min |
l2 max |
动 |
静 |
|||
|
E 系 列 |
|||||||||||||||
|
SA5E |
5 |
6 |
0.3 |
4.5 |
7 |
21 |
M5 |
10 |
36 |
16 |
46.5 |
3.4 |
3.9 |
13 |
0.011 |
|
SA6E |
6 |
6 |
0.3 |
4.5 |
8 |
21 |
M6 |
10 |
36 |
16 |
46.5 |
3.4 |
5.5 |
13 |
0.013 |
|
SA8E |
8 |
8 |
0.3 |
6.5 |
10 |
24 |
M8 |
13 |
42 |
21 |
54 |
5.5 |
10 |
15 |
0.026 |
|
|
|
|
|
|
|
|
|
|
|
|
|
|
|
|
|
|
SA10E |
10 |
9 |
0.3 |
7.5 |
13 |
29 |
M10 |
16 |
48 |
26 |
62.5 |
8.1 |
16 |
12 |
0.044 |
|
SA12E |
12 |
10 |
0.3 |
8.5 |
15 |
34 |
M12 |
18 |
54 |
28 |
71 |
10 |
23 |
10 |
0.066 |
|
SA15ES |
15 |
12 |
0.3 |
10.5 |
18 |
40 |
M14 |
22 |
63 |
34 |
83 |
16 |
32 |
8 |
0.121 |
|
|
|
|
|
|
|
|
|
|
|
|
|
|
|
|
|
|
SA17ES |
17 |
14 |
0.3 |
11.5 |
20 |
46 |
M16 |
25 |
69 |
36 |
92 |
21 |
44 |
10 |
0.172 |
|
SA20ES |
20 |
16 |
0.3 |
13.5 |
24 |
53 |
M20×1.5 |
29 |
78 |
43 |
104.5 |
29 |
60 |
9 |
0.283 |
|
SA25ES |
25 |
20 |
0.6 |
18 |
29 |
64 |
M24×2 |
35 |
94 |
53 |
126 |
48 |
83 |
7 |
0.504 |
|
|
|
|
|
|
|
|
|
|
|
|
|
|
|
|
|
|
SA30ES |
30 |
22 |
0.6 |
20 |
34 |
73 |
M30×2 |
40 |
110 |
65 |
146.5 |
62 |
110 |
6 |
0.835 |
|
SA35ES |
35 |
25 |
0.6 |
22 |
39 |
82 |
M36×3 |
47 |
140 |
82 |
181 |
79 |
146 |
6 |
1.41 |
|
SA40ES |
40 |
28 |
0.6 |
24 |
45 |
92 |
M39×3 |
53 |
150 |
86 |
196 |
99 |
180 |
7 |
1.86 |
|
|
|
|
|
|
|
|
|
|
|
|
|
|
|
|
|
|
SA45ES |
45 |
32 |
0.6 |
28 |
50 |
102 |
M42×3 |
60 |
163 |
92 |
214 |
127 |
240 |
7 |
2.57 |
|
SA50ES |
50 |
35 |
0.6 |
31 |
55 |
112 |
M45×3 |
66 |
185 |
104 |
241 |
156 |
290 |
6 |
3.58 |
|
SA60ES |
60 |
44 |
1.0 |
39 |
66 |
135 |
M52×3 |
80 |
210 |
115 |
277.5 |
245 |
450 |
6 |
5.73 |
|
|
|
|
|
|
|
|
|
|
|
|
|
|
|
|
|
|
SA70ES |
70 |
49 |
1.0 |
43 |
77 |
160 |
M56×4 |
92 |
235 |
125 |
315 |
313 |
610 |
6 |
7.94 |
|
SA80ES |
80 |
55 |
1.0 |
48 |
88 |
180 |
M64×4 |
105 |
270 |
140 |
360 |
400 |
750 |
6 |
12.06 |
|
P 系 列 |
|||||||||||||||
|
SABP5S |
5 |
8 |
0.3 |
6 |
7.7 |
16 |
M5 |
|
33 |
20 |
41 |
3.3 |
3.9 |
13 |
0.016 |
|
SABP6S |
6 |
9 |
0.3 |
6.75 |
9 |
18 |
M6 |
|
36 |
22 |
45 |
4.3 |
5.3 |
13 |
0.026 |
|
SABP8S |
8 |
12 |
0.3 |
9 |
10.4 |
22 |
M8 |
|
42 |
25 |
53 |
6.8 |
8.5 |
14 |
0.044 |
|
|
|
|
|
|
|
|
|
|
|
|
|
|
|
|
|
|
SABP10S |
10 |
14 |
0.6 |
10.5 |
12.9 |
26 |
M10 |
|
48 |
29 |
61 |
10 |
11 |
14 |
0.072 |
|
SABP12S |
12 |
16 |
0.6 |
12 |
15.4 |
30 |
M12 |
|
54 |
33 |
69 |
13 |
14 |
13 |
0.108 |
|
SABP14S |
14 |
19 |
0.6 |
13.5 |
16.9 |
34 |
M14 |
|
60 |
36 |
77 |
17 |
20 |
16 |
0.161 |
|
|
|
|
|
|
|
|
|
|
|
|
|
|
|
|
|
|
SABP16S |
16 |
21 |
0.6 |
15 |
19.4 |
38 |
M16 |
|
66 |
40 |
85 |
21 |
25 |
15 |
0.225 |
|
SABP18S |
18 |
23 |
0.6 |
16.5 |
21.9 |
42 |
M18×1.5 |
|
72 |
44 |
93 |
26 |
30 |
15 |
0.295 |
|
SABP20S |
20 |
25 |
0.6 |
18 |
24.4 |
46 |
M20×1.5 |
|
78 |
47 |
101 |
31 |
35 |
15 |
0.382 |
|
|
|
|
|
|
|
|
|
|
|
|
|
|
|
|
|
|
SABP22S |
22 |
28 |
0.6 |
20 |
25.8 |
50 |
M22×1.5 |
|
84 |
51 |
109 |
38 |
43 |
15 |
0.488 |
|
SABP25S |
25 |
31 |
0.6 |
22 |
29.6 |
60 |
M24×2 |
|
94 |
57 |
124 |
47 |
65 |
15 |
0.749 |
|
SABP28S |
28 |
35 |
0.6 |
25 |
32.3 |
66 |
M27×2 |
|
103 |
62 |
136 |
59 |
77 |
15 |
0.949 |
|
|
|
|
|
|
|
|
|
|
|
|
|
|
|
|
|
|
SABP30S |
30 |
37 |
0.6 |
25 |
34.8 |
70 |
M30×2 |
|
110 |
66 |
145 |
63 |
86 |
17 |
1.13 |
|
注:1.若是左旋螺纹,轴承型号和螺纹标记需加“L”和“左”,例如:SAL30ES M30×2左-6g。d≥15mm也可制造成-2RS结构,例如:SA25ES-2RS,SALBP8S M8左-6g。 2.表中E系列的d2、l2尺寸与GB/T 9161—2001规定的尺寸稍有差别,选用时与生产厂家联系。 |
|||||||||||||||


