|
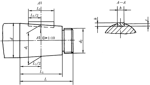
圆锥形轴伸直径220以上的轴伸型式与尺寸(GB/T 1570—2005) mm |
||||||||
|
|
||||||||
|
d |
L |
L1 |
L2 |
b |
h |
d1 |
t |
d2 |
|
240 |
410 |
330 |
280 |
50 |
28 |
223.5 |
17 |
M180×6 |
|
250 |
233.5 |
|||||||
|
260 |
243.5 |
M200×6 |
||||||
|
280 |
470 |
380 |
320 |
56 |
32 |
261 |
20 |
M220×6 |
|
300 |
63 |
281 |
||||||
|
320 |
301 |
M250×6 |
||||||
|
340 |
550 |
450 |
400 |
70 |
36 |
317.5 |
22 |
M280×6 |
|
360 |
337.5 |
|||||||
|
380 |
357.5 |
M300×6 |
||||||
|
400 |
650 |
540 |
450 |
80 |
40 |
373 |
25 |
M320×6 |
|
420 |
393 |
|||||||
|
440 |
413 |
M350×6 |
||||||
|
450 |
90 |
45 |
423 |
28 |
||||
|
460 |
433 |
M380×6 |
||||||
|
480 |
453 |
|||||||
|
500 |
473 |
M420×6 |
||||||
|
530 |
800 |
680 |
500 |
100 |
50 |
496 |
31 |
M420×6 |
|
560 |
526 |
M450×6 |
||||||
|
600 |
566 |
M500×6 |
||||||
|
630 |
596 |
M550×6 |
||||||
|
注:1.L2 可根据需要选取小于表中的数值。 2.本标准规定了1∶10 圆锥形轴伸的型式和尺寸,适用于一般机器之间的连接并传递转矩的场合。 |
||||||||

