|
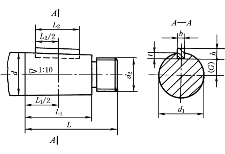
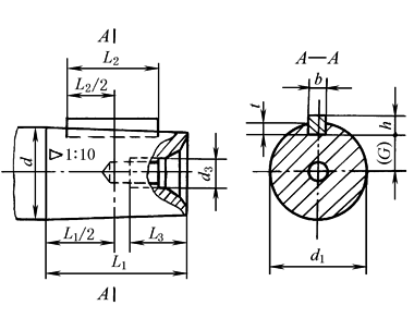
圆锥形轴伸直径220以下的轴伸型式与尺寸(GB/T 1570—2005) mm |
|||||||||||||||
|
|
|
||||||||||||||
|
d |
L |
L1 |
L2 |
b |
h |
d1 |
t |
(G) |
d2 |
d3 |
L3 |
||||
|
长 系 列 |
|||||||||||||||
|
6 |
16 |
10 |
6 |
— |
— |
5.5 |
— |
— |
M4 |
— |
— |
||||
|
7 |
6.5 |
||||||||||||||
|
8 |
20 |
12 |
8 |
7.4 |
M6 |
||||||||||
|
9 |
8.4 |
||||||||||||||
|
10 |
23 |
15 |
12 |
9.25 |
|||||||||||
|
11 |
2 |
2 |
10.25 |
1.2 |
3.9 |
||||||||||
|
12 |
30 |
18 |
16 |
2 |
2 |
11.1 |
4.3 |
M8×1 |
M4 |
10 |
|||||
|
14 |
3 |
3 |
13.1 |
1.8 |
4.7 |
||||||||||
|
16 |
40 |
28 |
25 |
14.6 |
5.5 |
M10×1.25 |
|||||||||
|
18 |
4 |
4 |
16.6 |
2.5 |
5.8 |
M5 |
13 |
||||||||
|
19 |
17.6 |
6.3 |
|||||||||||||
|
20 |
50 |
36 |
32 |
18.2 |
6.6 |
M12×1.25 |
M6 |
16 |
|||||||
|
22 |
20.2 |
7.6 |
|||||||||||||
|
24 |
5 |
5 |
22.2 |
8.1 |
|||||||||||
|
25 |
60 |
42 |
36 |
22.9 |
3 |
8.4 |
M16×1.5 |
M8 |
19 |
||||||
|
28 |
25.9 |
9.9 |
|||||||||||||
|
30 |
80 |
58 |
50 |
27.1 |
10.5 |
M20×1.5 |
M10 |
22 |
|||||||
|
32 |
6 |
6 |
29.1 |
3.5 |
11.0 |
||||||||||
|
35 |
32.1 |
12.5 |
|||||||||||||
|
38 |
35.1 |
14.0 |
|||||||||||||
|
40 |
110 |
82 |
70 |
10 |
8 |
35.9 |
5 |
12.9 |
M24×2 |
M12 |
28 |
||||
|
42 |
37.9 |
13.9 |
|||||||||||||
|
45 |
12 |
8 |
40.9 |
15.4 |
|||||||||||
|
48 |
43.9 |
16.9 |
M30×2 |
M16 |
36 |
||||||||||
|
50 |
45.9 |
17.9 |
|||||||||||||
|
55 |
14 |
9 |
50.9 |
5.5 |
19.9 |
M36×3 |
M20 |
42 |
|||||||
|
56 |
51.9 |
20.4 |
|||||||||||||
|
60 |
140 |
105 |
100 |
16 |
10 |
54.75 |
6 |
21.4 |
M42×3 |
||||||
|
63 |
57.75 |
22.9 |
|||||||||||||
|
65 |
59.75 |
23.9 |
|||||||||||||
|
70 |
18 |
11 |
64.75 |
7 |
25.4 |
M48×3 |
M24 |
50 |
|||||||
|
71 |
65.75 |
25.9 |
|||||||||||||
|
75 |
69.75 |
27.9 |
|||||||||||||
|
80 |
170 |
130 |
110 |
20 |
12 |
73.5 |
7.5 |
29.2 |
M56×4 |
— |
— |
||||
|
85 |
78.5 |
31.7 |
|||||||||||||
|
90 |
22 |
14 |
83.5 |
9 |
32.7 |
M64×4 |
|||||||||
|
95 |
88.5 |
35.2 |
|||||||||||||
|
100 |
210 |
165 |
140 |
25 |
14 |
91.75 |
36.9 |
M72×4 |
|||||||
|
110 |
101.75 |
41.9 |
M80×4 |
||||||||||||
|
120 |
210 |
165 |
140 |
28 |
16 |
111.75 |
10 |
45.9 |
M90×4 |
— |
— |
||||
|
125 |
116.75 |
48.3 |
|||||||||||||
|
130 |
250 |
200 |
180 |
32 |
18 |
120 |
50 |
M100×4 |
|||||||
|
140 |
130 |
11 |
54 |
||||||||||||
|
150 |
140 |
59 |
M110×4 |
||||||||||||
|
160 |
300 |
240 |
220 |
36 |
20 |
148 |
12 |
62 |
|||||||
|
M125×4 |
|||||||||||||||
|
170 |
158 |
67 |
|||||||||||||
|
40 |
22 |
M140×6 |
|||||||||||||
|
180 |
168 |
13 |
71 |
||||||||||||
|
190 |
350 |
280 |
250 |
40 |
22 |
176 |
13 |
75 |
M140×6 |
— |
— |
||||
|
200 |
186 |
80 |
N160×6 |
||||||||||||
|
220 |
45 |
25 |
206 |
15 |
88 |
||||||||||
|
短 系 列 |
|||||||||||||||
|
16 |
28 |
16 |
14 |
3 |
3 |
15.2 |
1.8 |
5.8 |
M10×1.25 |
M4 |
10 |
||||
|
18 |
4 |
4 |
17.2 |
2.5 |
6.1 |
M5 |
13 |
||||||||
|
19 |
18.2 |
6.6 |
|||||||||||||
|
20 |
36 |
22 |
20 |
18.9 |
6.9 |
M12×1.25 |
M6 |
16 |
|||||||
|
22 |
20.9 |
7.9 |
|||||||||||||
|
24 |
5 |
5 |
22.9 |
3 |
8.4 |
||||||||||
|
25 |
42 |
24 |
22 |
23.8 |
8.9 |
M16×1.5 |
M8 |
19 |
|||||||
|
28 |
26.8 |
10.4 |
|||||||||||||
|
30 |
58 |
36 |
32 |
28.2 |
11.1 |
M20×1.5 |
M10 |
22 |
|||||||
|
32 |
6 |
6 |
30.2 |
3.5 |
11.6 |
||||||||||
|
35 |
33.2 |
13.1 |
|||||||||||||
|
38 |
36.2 |
14.6 |
M24×2 |
M12 |
28 |
||||||||||
|
40 |
82 |
54 |
50 |
10 |
8 |
37.3 |
5 |
13.6 |
|||||||
|
42 |
39.3 |
14.6 |
|||||||||||||
|
45 |
12 |
8 |
42.3 |
16.1 |
M30×2 |
M16 |
36 |
||||||||
|
48 |
45.3 |
17.6 |
|||||||||||||
|
50 |
47.3 |
18.6 |
M36×3 |
||||||||||||
|
55 |
14 |
9 |
52.3 |
5.5 |
20.6 |
M20 |
42 |
||||||||
|
56 |
53.3 |
21.1 |
|||||||||||||
|
60 |
105 |
70 |
63 |
16 |
10 |
56.5 |
6 |
22.2 |
M42×3 |
||||||
|
63 |
59.5 |
23.7 |
|||||||||||||
|
65 |
61.5 |
24.7 |
|||||||||||||
|
70 |
18 |
11 |
66.5 |
7 |
26.2 |
M48×3 |
M24 |
50 |
|||||||
|
71 |
67.5 |
26.7 |
|||||||||||||
|
75 |
71.5 |
28.7 |
|||||||||||||
|
80 |
130 |
90 |
80 |
20 |
12 |
75.5 |
7.5 |
30.2 |
M56×4 |
— |
— |
||||
|
85 |
80.5 |
32.7 |
|||||||||||||
|
90 |
22 |
14 |
85.5 |
9 |
33.7 |
M64×4 |
|||||||||
|
95 |
90.5 |
36.2 |
|||||||||||||
|
100 |
165 |
120 |
110 |
25 |
14 |
94 |
38 |
M72×4 |
|||||||
|
110 |
104 |
43 |
M80×4 |
||||||||||||
|
120 |
28 |
16 |
114 |
10 |
47 |
M90×4 |
|||||||||
|
125 |
119 |
49.5 |
|||||||||||||
|
130 |
200 |
150 |
125 |
122.5 |
51.2 |
M100×4 |
|||||||||
|
140 |
32 |
18 |
132.5 |
11 |
55.2 |
||||||||||
|
150 |
142.5 |
60.2 |
M110×4 |
||||||||||||
|
160 |
240 |
180 |
160 |
36 |
20 |
151 |
12 |
63.5 |
M125×4 |
— |
— |
||||
|
170 |
161 |
68.5 |
|||||||||||||
|
180 |
40 |
22 |
171 |
13 |
72.5 |
M140×6 |
|||||||||
|
190 |
280 |
210 |
180 |
40 |
22 |
179.5 |
13 |
76.7 |
M140×6 |
— |
— |
||||
|
200 |
189.5 |
81.7 |
M160×6 |
||||||||||||
|
220 |
45 |
25 |
209.5 |
15 |
89.7 |
||||||||||
|
注:1.键槽深度 t,可用测量 G 来代替,或按表圆锥形轴伸大端处键槽深度尺寸 (参考)的规定。 2.L2 可根据需要选取小于表中的数值。 |
|||||||||||||||
|
|||||||||||||||


