|
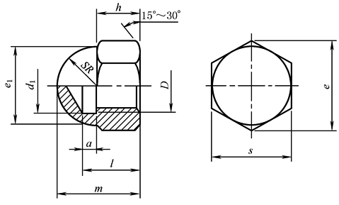
施必牢盖形螺母(SPL 923—2004) mm |
|||||||||
|
|
|||||||||
|
标记示例 螺纹规格D=M10、性能等级6级、表面氧化的盖形螺母,标记为:螺母 SPL 923 M10-6 F9 |
|||||||||
|
螺纹规格D |
M10 |
M12 |
M14 |
M16 |
M18 |
M20 |
M22 |
M24 |
|
|
h |
8 |
10 |
11 |
13 |
14 |
16 |
18 |
19 |
|
|
e(最小) |
17.77 |
20.03 |
23.35 |
26.75 |
29.56 |
32.95 |
37.29 |
39.55 |
|
|
e1(最大) |
16 |
18 |
20 |
22 |
25 |
28 |
30 |
34 |
|
|
a(最小) |
4 |
4.5 |
5 |
5 |
6 |
6 |
6 |
7 |
|
|
m |
18 |
22 |
24 |
26 |
29 |
32 |
35 |
38 |
|
|
d1 |
10.5 |
1 |
15 |
17 |
19 |
21 |
23 |
25 |
|
|
l |
13 |
16 |
17 |
19 |
22 |
25 |
26 |
28 |
|
|
s |
最大 |
16 |
18 |
21 |
24 |
27 |
30 |
34 |
36 |
|
最小 |
15.73 |
17.73 |
20.67 |
23.67 |
26.16 |
29.16 |
33 |
35 |
|
|
SR≈ |
8 |
9 |
10 |
11.5 |
12.5 |
14 |
15 |
17 |
|
|
每1000个的质量/kg |
12.88 |
17.46 |
24.66 |
39.84 |
48.78 |
71.96 |
102 |
127.8 |
|
|
技术条件 |
材料 |
螺纹标准 |
性能等级 |
产品等级 |
表面处理 |
||||
|
钢 |
美国施必牢螺纹标准 |
5、6 |
D≤16:A D>16:B |
氧化、电镀,或由供需双方协议 |
|||||

