|
视图(GB/T 17451—1998、GB/T 4458.1—2002) |
||||||||||
|
基 本 视 图 |
基本视图是物体向基本投影面投射所得的视图。六个基本视图的配置关系如图1所示。在同一张图纸内按图1配置时,可不标注视图名称 图样表示方法有第一角画法和第三角画法,见GB/T 14692,优先采用第一角画法。本图所示为第一角画法,即将物体置于第一分角内,使其处于观察者与投影面之间得到的多面正投影。第三分角画法为将物体置于第三分角内,使投影面处于观察者和物体之间得到的多面正投影 |
图1 |
||||||||
|
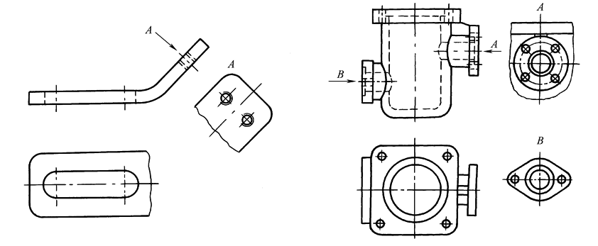
向 视 图 |
向视图是可自由配置的视图。在向视图的上方标注“×”(“×”为大写拉丁字母),在相应视图的附近用箭头指明投射方向,并标明相同的字母。向视图的投射方向应与基本视图的投射方向一一对应,如图2所示。也可在视图的下方(或上方)标注图名,如正立面图、平面图、底面图、背立面图等 |
图2 |
||||||||
|
局 部 视 图 |
局部视图是将物体的某一部分向基本投影面投射所得的视图。局部视图可按基本视图的配置形式配置(图3的俯视图);也可按向视图的形式配置并标注(图4)。画局部视图时,其断裂边界用波浪线或双折线绘制,见图3和图4中的A向视图。当所表示的外轮廓成封闭时,则不必画出其断裂边界线,见图4中B向视图
图3 图4 |
|||||||||
|
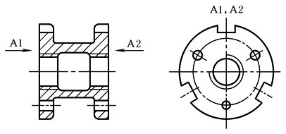
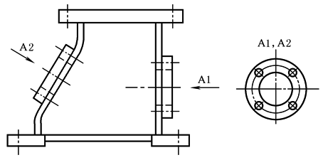
为了节省绘图时间和图幅,对称构件或零件的视图可只画一半或四分之一,并在对称中心线的两端画出两条与其垂直的平行细实线(图5~图7)
图5 图6 图7 |
||||||||||
|
︵ 摘 自
︶ |
按第三角画法(见GB/T 14692)配置在视图上所需表示物体局部结构的附近,并用细点画线将两者相连(图8~图11)
图8 图9 图10
图11 |
|||||||||
|
标注局部视图时,通常在其上方用大写的拉丁字母标出视图的名称,在相应视图附近用箭头指明投射方向,并注上相同的字母(图4)。当局部视图按基本视图配置,中间又没有其他图形隔开时,则不必标注(图3) |
||||||||||
|
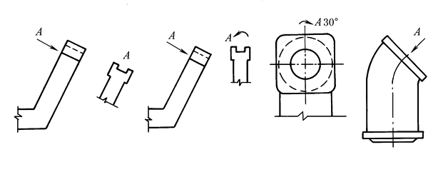
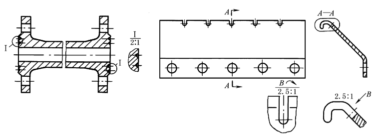
斜 视 图 |
斜视图是物体向不平行于基本投影面的平面投射所得的视图。斜视图通常按向视图的配置形式配置并标注(图12)。必要时,允许将斜视图旋转配置,并标注旋转符号,表示该视图名称的大写拉丁字母应靠近旋转符号的箭头端(图13),也允许将旋转角度标注在字母之后(图14) |
图12 图13 图14 |
||||||||
|
视 图 其 他 表 示 法 ︵ 摘 自
︶ |
相 邻 的 辅 助 零 件 与 特 定 区 域 |
相邻的辅助零件与特定区域 相邻的辅助零件用细双点画线绘制。相邻的辅助零件不应覆盖主要零件,而可以被主要零件遮挡(图15、图16),相邻的辅助零件的剖面区域不画剖面线
图15 图16 |
当轮廓线无法明确绘制时,则其特定的封闭区域应用细双点画线绘制(图17)平面画法
图17 |
|||||||
|
表 面 交 线 |
过渡线应用细实线绘制,且不宜与轮廓线相连(图18)
图18 |
相贯线用粗实线绘制,不可见相贯线用细虚线绘制。相贯线若按简化画法,按GB/T 166751的规定,如图19中的细虚线。当使用简化画法会影响对图形的理解时,则应避免使用
图19 |
||||||||
|
平 面 画 法 |
为了避免增加视图、剖视图或断面图,可用细实线绘出对角线表示平面(图20、图21)
图20 图21 |
|||||||||
|
断 裂 画 法 |
较长的机件(轴、杆、型材、连杆等)沿长度方向的形状一致或按一定规律变化时,可断开绘制,其断裂边界用波浪线绘制(图22、图23)。断裂边界也可用双折线或细双点画线绘制
图22 图23 |
|||||||||
|
重 复 结 构 要 素 |
重复结构要素 零件中成规律分布的重复结构,允许只绘制出其中一个或几个完整的结构,并反映其分布情况。重复结构的数量和类型的表示应遵循GB/T4458.4中的有关要求 对称的重复结构用细点画线表示各对称结构要素的位置(图24、图25)。不对称的重复结构则用相连的细实线代替(图26)局部放大图
图24
图25 图26 |
|||||||||
|
局 部 放 大 图 |
局部放大图是将机件的部分结构用大于原图形的比例所画出的图形。局部放大图可画成视图,也可画成剖视图、断面图,它与被放大部分的表达方式无关(图27)。局部放大图应尽量配置在被放大部位的附近。绘制局部放大图时,除螺纹牙型、齿轮和链轮的齿形外,应用细实线圈出被放大的部位。当机件上被放大的部分仅一个时,在局部放大图上方只需注明所采用的比例(图28)。同一机件上不同部位的局部放大图,当图形相同或对称时,只需画出一个(图29)。必要时可用几个图形来表达同一个被放大部分的结构(图30)
图27
图28
图29 图30 |
|||||||||
|
初 始 轮 廓 与 弯 折 线 |
当有必要表示零件成形前的初始轮廓时,应用细双点画线绘制(图31)
图31 |
弯折线在展开图中应用细实线绘制(图32)透明件与运动件
图32 |
||||||||
|
较 小 斜 度 和 锥 度 结 构 |
机件上斜度和锥度等较小的结构,如在一个图形中已表达清楚时,其他图形可按小端画出(图33、图34)
图33 图34 |
|||||||||
|
透 明 件 与 运 动 件 |
透明材料制成的零件应按不透明绘制(图35) 在装配图中、供观察用的透明材料后的零件按可见轮廓线绘制(图36)
图35 图36 |
在装配图中,运动零件的变动和极限状态,用细双点画线表示(图37)
图37 |
||||||||
|
成 形 零 件 和 毛 坯 件 |
允许用细双点画线在毛坯图中画出完工零件的形状(图38)或者在完工零件图上画出毛坯的形状(图39)
图38 图39 |
|||||||||
|
分 隔 的 相 同 元 素 的 制 成 件 和 网 状 结 构 |
分隔的相同元素的制成件,可局部地用细实线表示其组合情况(图40)
图40
|
滚花、槽沟等网状结构应用粗实线完全或部分地表示出来(图41)零件图中有两个或两个
图41 |
||||||||
|
纤 维 方 向 |
材质的纤维方向和轧制方向,一般不必示出,必要时,应用带箭头的细实线表示(图42、图43)
图42 图43 |
|||||||||
|
零 件 图 中 有 两 个 或 两 个 以 上 相 同 视 图 的 表 示 |
一个零件上有两个或两个以上图形相同的视图,可以只画一个视图,并用箭头、字母和数字表示其投射方向和位置(图44、图45)
图44
图45 |
镜 像 零 件 |
对于左右手零件或装配件,可用一个视图表示(图46),并按GB/T 16675.1在图形下方注写必要的说明
零件1(LH)如图; 零件2(RH)对称 图46 |
|||||||
|
注:1.GB/T 4458.1—2002规定,本部分适用于在机械制图中用正投影法(见GB/T 14692)绘制的技术图样,图样画法为第一角画法。在GB/T 17451中规定优先采用第一角画法,必要时可按GB/T 14692—1993的规定选用第三角画法,二者不矛盾。 2.视图的简化画法见GB/T 16675.1。 |
||||||||||






























