|
齿轮、花键表示法(GB/T 4459.2—2003、GB/T 4459.3—2000) |
|||
|
齿 轮 、 齿 条 、 蜗杆 、 蜗 轮 及 链 轮 的 画 法 |
齿顶圆和齿顶线用粗实线绘制,分度圆和分度线用细点画线绘制,齿根圆和齿根线用细实线绘制,也可省略不画;在剖视图中,齿根线用粗实线绘制。表示齿轮、蜗轮一般用两个视图,或者用一个视图和一个局部视图(图1~图3)。在剖视图中,当剖切平面通过齿轮的轴线时,轮齿一律按不剖处理(图1~图3、图5、图6)。如需表明齿形,可在图形中用粗实线画出一个或两个齿;或用适当比例的局部放大图表示(图4~图6)。当需要表示齿线的特征时,可用三条与齿线方向一致的细实线表示(图4、图5、图7),直齿则不需表示。如需要注出齿条的长度时,可在画出齿形的图中注出,并在另一视图中用粗实线画出其范围线(图5)
图1 圆柱齿轮 图2 锥齿轮 图3 蜗轮
图4 圆弧齿轮 图5 齿条
图6 链轮 图7 齿线 |
||
|
齿 轮 、 蜗 轮 、 蜗 杆 啮 合 画 法 |
在垂直于圆柱齿轮轴线的投影面的视图中,啮合区内的齿顶圆均用粗实线绘制(图8、图12),其省略画法如图9所示。在平行于圆柱齿轮、锥齿轮轴线的投影面的视图中,啮合区的齿顶线不需画出,节线用粗实线绘制;其他处的节线用细点画线绘制(图10、图14)。在啮合的剖视图中,当剖切平面通过两啮合齿轮的轴线时,在啮合区内,将一个齿轮的轮齿用粗实线绘制,另一个齿轮的轮齿被遮挡的部分用细虚线绘制(图8、图11、图16)。也可省略不画(图12、图13、图15)。在剖视图中,当剖切平面不通过啮合齿轮的轴线时,齿轮一律按不剖绘制 |
||
|
圆 柱 齿 轮 啮 合 |
图8 外啮合 图9 外啮合 图10 外啮合
图11 内啮合 图12 齿轮齿条啮合 |
||
|
锥 齿 轮 啮 合 |
图13 轴线成正交的锥齿轮啮合 图14 轴线成正交的锥齿轮啮合
图15 轴线成斜交的锥齿轮啮合 图16 轴线成斜交的平面齿轮与锥齿轮啮合
图17 准双曲面齿轮副的啮合 图18 “8”字啮合锥齿轮副的啮合 |
||
|
螺 旋 齿 轮 啮 合 |
图19 轴线成垂直交错的啮合 图20 轴线成不垂直交错的啮合 |
||
|
蜗 轮 蜗 杆 啮 合 |
图21 圆柱蜗杆啮合 图22 环面蜗杆啮合 |
||
|
圆 弧 齿 轮 啮 合 |
图23 圆弧齿轮啮合 |
||
|
花 键 画 法 及 尺 寸 标 注 |
矩 形 花 键 |
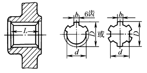
外花键大径用粗实线、小径用细实线绘制,并在断面图中画出一部分或全部齿形(图24),外花键工作长度的终止端和尾部长度的末端均用细实线绘制,并与轴线垂直,尾部则画成斜线,其倾斜角度一般与轴线成30°,必要时,可按实际情况画出(图24) |
图24 外花键 |
|
内花键大径及小径均用粗实线绘制,并在局部视图中画出一部分或全部齿形(图25) |
图25 内花键 |
||
|
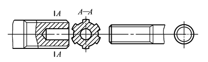
外花键局部剖视的画法见图26,垂直于花键轴线的投影面的视图的画法见图27。大径、小径及键宽采用一般尺寸标注时,其注法见图24、图25。花键长度应采用以下三种形式之一标注:标注工作长度图24、图25、图28;标注工作长度和尾部长度图29;标注工作长度及全长图30 |
图26 图27
图28 图29 图30 |
||
|
渐 开 线 花 键 |
除分度圆及分度线用细点划线绘制外,其余部分与矩形花键画法相同(图31) |
图31 |
|
|
花 键 联 结 |
花键连接用剖视图或断面图表示时,其连接部分按外花键的绘制,矩形花键的连接画法见图32,渐开线花键的连接画法见图33 |
图32 矩形花键 图33 渐开线花键 |
|
|
花 键 的 标 注 |
花键的类型由图形符号表示,矩形花键(GB/T 1144)的图形符号见图34,渐开线花键(GB/T 3478.1)的图形符号见图35
图34 图35 花键的标记应注写在指引线的基准线上,标注方法如图36~图39所示。当所注花键标记不能全部满足要求时,则其必要的数据可在图中列表表示或在其他相关文件中说明 矩形花键及花键副的表示见图36、图38。标记顺序为:N(键数)×d(小径)×D(大径)×B(键宽)。字母代号为大写时为内花键,小写时为外花键 渐开线花键及花键副的表示见图37、图39。标记中代号(含义):INT(内花键)、EXT(外花键)、INT/EXT(花键副)、Z(齿数符号)、m(模数符号)、30P(30°平齿根)、30R(30°圆齿根)、45(45°圆齿根)、5H/5h(内、外花键公差等级均为5级、配合类别为H/h)
图36 图37
图38 图39 |
||


















