|
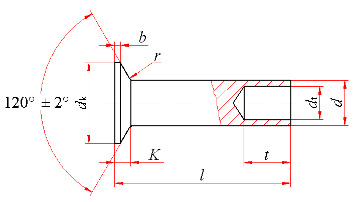
120°沉头半空心铆钉(GB/T 874—1986) mm |
||||||||||||||
|
|
||||||||||||||
|
标记示例: 公称直径d=5mm、公称长度l=30mm、材料为BL2、不经表面处理的120°沉头半空心铆钉的标记: 铆钉 GB/T 874 5×30 |
||||||||||||||
|
d |
dk |
dt |
t |
r max |
b max |
K≈ |
l的范围 |
|||||||
|
黑色 |
有色 |
|||||||||||||
|
公称 |
max |
min |
max |
min |
max |
min |
max |
min |
max |
min |
||||
|
(1.2) |
1.26 |
1.14 |
2.83 |
2.57 |
0.66 |
0.56 |
0.66 |
0.56 |
1.44 |
0.96 |
0.1 |
0.2 |
0.5 |
1.5~6 |
|
1.4 |
1.46 |
1.34 |
3.45 |
3.15 |
0.77 |
0.65 |
0.77 |
0.65 |
1.64 |
1.16 |
0.1 |
0.2 |
0.6 |
2.5~8 |
|
(1.6) |
1.66 |
1.54 |
3.95 |
3.65 |
0.87 |
0.75 |
0.87 |
0.75 |
1.84 |
1.36 |
0.1 |
0.2 |
0.7 |
2.5~10 |
|
2 |
2.06 |
1.94 |
4.75 |
4.45 |
1.12 |
0.94 |
1.12 |
0.94 |
2.24 |
1.76 |
0.1 |
0.2 |
0.8 |
3~10 |
|
2.5 |
2.56 |
2.44 |
5.35 |
5.05 |
1.62 |
1.44 |
1.62 |
1.44 |
2.74 |
2.26 |
0.1 |
0.2 |
0.9 |
4~15 |
|
3 |
3.06 |
2.94 |
6.28 |
5.92 |
2.12 |
1.94 |
2.12 |
1.94 |
3.24 |
2.76 |
0.1 |
0.2 |
1 |
5~20 |
|
(3.5) |
3.58 |
3.42 |
7.08 |
6.72 |
2.32 |
2.14 |
2.32 |
2.14 |
3.79 |
3.21 |
0.3 |
0.4 |
1.1 |
6~36 |
|
4 |
4.08 |
3.92 |
7.98 |
7.62 |
2.62 |
2.44 |
2.52 |
2.34 |
4.29 |
3.71 |
0.3 |
0.4 |
1.2 |
6~42 |
|
5 |
5.08 |
4.92 |
9.68 |
9.32 |
3.66 |
3.42 |
3.46 |
3.22 |
5.29 |
4.71 |
0.3 |
0.4 |
1.4 |
7~50 |
|
6 |
6.08 |
5.92 |
11.72 |
11.28 |
4.66 |
4.42 |
4.16 |
3.92 |
6.29 |
5.71 |
0.3 |
0.4 |
1.7 |
8~50 |
|
8 |
8.1 |
7.9 |
15.82 |
15.38 |
6.16 |
5.92 |
4.66 |
4.42 |
8.35 |
7.65 |
0.3 |
0.4 |
2.3 |
10~50 |
|
注:① 尽可能不采用括号内的规格。 ② dt栏内“黑色”适用于由钢材制成的铆钉,“有色”适用于由铝或铜材制成的铆钉。 |
||||||||||||||
|
公称长度l的通用规格系列: mm |
|||||||||||||
|
公称 |
1.5 |
2 |
2.5 |
3 |
3.5 |
4 |
5 |
6 |
7 |
8 |
9 |
10 |
11 |
|
min |
1.3 |
1.8 |
2.3 |
2.8 |
3.26 |
3.76 |
4.76 |
5.76 |
6.71 |
7.71 |
8.71 |
9.71 |
10.65 |
|
max |
1.7 |
2.2 |
2.7 |
3.2 |
3.74 |
4.24 |
5.24 |
6.24 |
7.29 |
8.29 |
9.29 |
10.29 |
11.35 |
|
公称 |
12 |
13 |
14 |
15 |
16 |
17 |
18 |
19 |
20 |
22 |
24 |
26 |
28 |
|
min |
11.65 |
12.65 |
13.65 |
14.65 |
15.65 |
16.65 |
17.65 |
18.58 |
19.58 |
21.58 |
23.58 |
25.58 |
27.58 |
|
max |
12.35 |
13.35 |
14.35 |
15.35 |
16.35 |
17.35 |
18.35 |
19.42 |
20.42 |
22.42 |
24.42 |
26.42 |
28.42 |
|
公称 |
30 |
32 |
34 |
36 |
38 |
40 |
42 |
44 |
46 |
48 |
50 |
|
|
|
min |
29.58 |
31.5 |
33.5 |
35.5 |
37.5 |
39.5 |
41.5 |
43.5 |
45.5 |
47.5 |
49.5 |
||
|
max |
30.42 |
32.5 |
34.5 |
36.5 |
38.5 |
40.5 |
42.5 |
44.5 |
46.5 |
48.5 |
50.5 |
||
|
质量 kg |
|||||||||||
|
公称直径/mm |
1.2 |
1.4 |
1.6 |
2 |
2.5 |
3 |
3.5 |
4 |
5 |
6 |
8 |
|
公称长度/mm |
每1000件钢制品的质量 ≈ |
||||||||||
|
1.5 |
0.02 |
|
|
|
|
|
|
|
|
|
|
|
2 |
0.03 |
|
|
|
|
|
|
|
|
|
|
|
2.5 |
0.03 |
0.04 |
0.06 |
|
|
|
|
|
|
|
|
|
3 |
0.03 |
0.05 |
0.07 |
0.11 |
|
|
|
|
|
|
|
|
3.5 |
0.04 |
0.06 |
0.08 |
0.12 |
|
|
|
|
|
|
|
|
4 |
0.04 |
0.06 |
0.09 |
0.14 |
0.19 |
|
|
|
|
|
|
|
5 |
0.05 |
0.07 |
0.10 |
0.16 |
0.23 |
0.32 |
|
|
|
|
|
|
6 |
0.06 |
0.09 |
0.12 |
0.19 |
0.27 |
0.37 |
0.51 |
0.67 |
|
|
|
|
7 |
|
0.10 |
0.13 |
0.21 |
0.31 |
0.43 |
0.59 |
0.77 |
1.12 |
|
|
|
8 |
|
0.11 |
0.15 |
0.23 |
0.35 |
0.48 |
0.66 |
0.87 |
1.27 |
1.75 |
|
|
9 |
|
|
0.16 |
0.26 |
0.38 |
0.54 |
0.74 |
0.97 |
1.42 |
1.97 |
|
|
10 |
|
|
0.18 |
0.28 |
0.42 |
0.59 |
0.81 |
1.07 |
1.58 |
2.19 |
3.97 |
|
11 |
|
|
|
|
0.46 |
0.65 |
0.89 |
1.16 |
1.73 |
2.41 |
4.36 |
|
12 |
|
|
|
|
0.50 |
0.70 |
0.96 |
1.26 |
1.88 |
2.63 |
4.76 |
|
13 |
|
|
|
|
0.54 |
0.76 |
1.04 |
1.36 |
2.04 |
2.85 |
5.15 |
|
14 |
|
|
|
|
0.58 |
0.81 |
1.11 |
1.46 |
2.19 |
3.07 |
5.54 |
|
15 |
|
|
|
|
0.61 |
0.87 |
1.19 |
1.56 |
2.34 |
3.29 |
5.93 |
|
16 |
|
|
|
|
|
0.92 |
1.27 |
1.65 |
2.50 |
3.51 |
6.32 |
|
17 |
|
|
|
|
|
0.98 |
1.34 |
1.75 |
2.65 |
3.73 |
6.72 |
|
18 |
|
|
|
|
|
1.03 |
1.42 |
1.85 |
2.80 |
3.95 |
7.11 |
|
19 |
|
|
|
|
|
1.09 |
1.49 |
1.95 |
2.96 |
4.17 |
7.50 |
|
20 |
|
|
|
|
|
1.15 |
1.57 |
2.05 |
3.11 |
4.39 |
7.89 |
|
22 |
|
|
|
|
|
|
1.72 |
2.24 |
3.42 |
4.83 |
8.68 |
|
24 |
|
|
|
|
|
|
1.87 |
2.44 |
3.72 |
5.28 |
9.46 |
|
26 |
|
|
|
|
|
|
2.02 |
2.63 |
4.03 |
5.72 |
10.24 |
|
28 |
|
|
|
|
|
|
2.17 |
2.83 |
4.33 |
6.16 |
11.03 |
|
30 |
|
|
|
|
|
|
2.32 |
3.03 |
4.64 |
6.60 |
11.81 |
|
32 |
|
|
|
|
|
|
2.47 |
3.22 |
4.95 |
7.04 |
12.60 |
|
34 |
|
|
|
|
|
|
2.62 |
3.42 |
5.25 |
7.48 |
13.38 |
|
36 |
|
|
|
|
|
|
2.77 |
3.61 |
5.56 |
7.92 |
14.16 |
|
38 |
|
|
|
|
|
|
|
3.81 |
5.87 |
8.36 |
14.95 |
|
40 |
|
|
|
|
|
|
|
4.01 |
6.17 |
8.80 |
15.73 |
|
42 |
|
|
|
|
|
|
|
4.20 |
6.48 |
9.24 |
16.52 |
|
44 |
|
|
|
|
|
|
|
|
6.78 |
9.69 |
17.30 |
|
46 |
|
|
|
|
|
|
|
|
7.09 |
10.13 |
18.09 |
|
48 |
|
|
|
|
|
|
|
|
7.40 |
10.57 |
18.87 |
|
50 |
|
|
|
|
|
|
|
|
7.70 |
11.01 |
19.65 |

