|
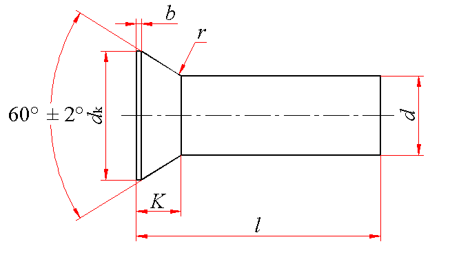
沉头铆钉(粗制)(GB/T 865—1986) mm |
||||||||
|
|
||||||||
|
标记示例: 公称直径d=12mm、公称长度l=50mm、材料为BL2、不经表面处理的沉头铆钉的标记: 铆钉 GB/T 865 12×50 |
||||||||
|
d |
dk |
r max |
b max |
K ≈ |
l的范围 |
|||
|
公称 |
max |
min |
max |
min |
||||
|
12 |
12.3 |
11.7 |
19.6 |
17.6 |
0.5 |
0.6 |
6 |
20~75 |
|
(14) |
14.3 |
13.7 |
22.5 |
20.6 |
0.5 |
0.6 |
7 |
20~100 |
|
16 |
16.3 |
15.7 |
25.7 |
23.7 |
0.5 |
0.6 |
8 |
24~100 |
|
(18) |
18.30 |
17.7 |
29 |
27 |
0.5 |
0.8 |
9 |
28~150 |
|
20 |
20.35 |
19.65 |
33.4 |
30.6 |
0.8 |
0.8 |
11 |
30~150 |
|
(22) |
22.35 |
21.65 |
37.4 |
34.6 |
0.8 |
0.8 |
12 |
38~180 |
|
24 |
24.35 |
23.65 |
40.4 |
37.6 |
0.8 |
0.8 |
13 |
50~180 |
|
(27) |
27.35 |
26.65 |
44.4 |
41.6 |
0.8 |
0.8 |
14 |
55~180 |
|
30 |
30.35 |
29.65 |
51.4 |
48.6 |
0.8 |
0.8 |
17 |
60~200 |
|
36 |
36.4 |
35.6 |
59.8 |
56.2 |
0.8 |
0.8 |
19 |
65~200 |
|
注:尽可能不采用括号内的规格。 |
||||||||
|
公称长度l的商品规格系列: mm |
||||||||||||
|
公称 |
20 |
22 |
24 |
26 |
28 |
30 |
32 |
35 |
38 |
40 |
42 |
45 |
|
min |
19.35 |
21.35 |
23.35 |
25.35 |
27.35 |
29.35 |
31.2 |
34.2 |
37.2 |
39.2 |
41.2 |
44.2 |
|
max |
20.65 |
22.65 |
24.65 |
26.65 |
28.65 |
30.65 |
32.8 |
35.8 |
38.8 |
40.8 |
42.8 |
45.8 |
|
公称 |
48 |
50 |
52 |
55 |
58 |
60 |
65 |
70 |
75 |
80 |
85 |
90 |
|
min |
47.2 |
49.2 |
51.05 |
24.05 |
57.05 |
59.05 |
64.05 |
69.05 |
74.05 |
79.05 |
83.9 |
88.9 |
|
max |
48.8 |
50.8 |
52.95 |
55.95 |
58.95 |
60.95 |
65.95 |
70.95 |
75.95 |
80.95 |
86.1 |
91.1 |
|
公称 |
95 |
100 |
110 |
120 |
130 |
140 |
150 |
160 |
170 |
180 |
190 |
200 |
|
min |
93.9 |
98.9 |
108.9 |
118.9 |
128.7 |
138.7 |
148.7 |
158.7 |
168.7 |
178.7 |
188.55 |
198.55 |
|
max |
96.1 |
101.1 |
111.1 |
121.1 |
131.3 |
141.3 |
151.3 |
161.3 |
171.3 |
181.3 |
191.45 |
201.45 |
|
质量 kg |
||||||||||
|
公称直径/mm |
12 |
14 |
16 |
18 |
20 |
22 |
24 |
27 |
30 |
36 |
|
公称长度/mm |
每1000件钢制品的质量 ≈ |
|||||||||
|
20 |
25.14 |
36.01 |
|
|
|
|
|
|
|
|
|
22 |
26.90 |
38.41 |
|
|
|
|
|
|
|
|
|
24 |
28.66 |
40.81 |
55.83 |
|
|
|
|
|
|
|
|
26 |
30.43 |
43.21 |
58.97 |
|
|
|
|
|
|
|
|
29 |
32.19 |
45.61 |
62.10 |
82.28 |
|
|
|
|
|
|
|
30 |
33.96 |
48.01 |
65.24 |
86.25 |
114.0 |
|
|
|
|
|
|
32 |
35.72 |
50.41 |
68.38 |
90.22 |
119.0 |
|
|
|
|
|
|
35 |
38.37 |
54.02 |
73.08 |
96.18 |
126.3 |
|
|
|
|
|
|
38 |
41.01 |
57.62 |
77.79 |
102.1 |
133.7 |
170.1 |
|
|
|
|
|
40 |
42.78 |
60.02 |
80.92 |
106.1 |
138.6 |
176.1 |
|
|
|
|
|
42 |
44.54 |
62.42 |
84.06 |
110.1 |
143.5 |
182.0 |
|
|
|
|
|
45 |
47.19 |
66.02 |
88.76 |
116.0 |
150.8 |
190.9 |
|
|
|
|
|
48 |
49.84 |
69.63 |
93.47 |
122.0 |
158.2 |
199.8 |
|
|
|
|
|
50 |
51.6 |
72.03 |
96.61 |
126.0 |
163.1 |
205.7 |
250.1 |
|
|
|
|
52 |
53.36 |
74.43 |
99.74 |
129.9 |
168.0 |
211.7 |
257.1 |
|
|
|
|
55 |
56.01 |
78.03 |
104.5 |
135.9 |
175.3 |
220.5 |
267.7 |
343.8 |
|
|
|
58 |
58.66 |
81.63 |
109.2 |
141.8 |
182.7 |
229.4 |
278.3 |
357.2 |
|
|
|
60 |
60.42 |
84.03 |
112.3 |
145.8 |
187.6 |
235.4 |
285.3 |
366.2 |
490.8 |
|
|
65 |
64.83 |
90.04 |
120.1 |
155.7 |
199.8 |
250.2 |
303.0 |
388.5 |
518.4 |
758.9 |
|
70 |
69.24 |
96.04 |
128.0 |
165.7 |
212.1 |
265.0 |
320.6 |
410.8 |
546.0 |
798.6 |
|
75 |
73.65 |
102.0 |
135.8 |
175.6 |
224.3 |
279.8 |
338.3 |
433.2 |
573.5 |
838.3 |
|
80 |
|
108.1 |
143.7 |
185.5 |
236.6 |
294.7 |
355.9 |
455.5 |
601.1 |
877.9 |
|
85 |
|
114.1 |
151.5 |
195.4 |
248.8 |
309.5 |
373.6 |
477.8 |
628.7 |
917.6 |
|
90 |
|
120.1 |
159.3 |
205.3 |
261.1 |
324.3 |
391.2 |
500.2 |
656.2 |
957.3 |
|
95 |
|
126.1 |
167.2 |
215.3 |
273.3 |
339.2 |
408.8 |
522.5 |
683.8 |
997.0 |
|
100 |
|
132.1 |
175.0 |
225.2 |
285.6 |
354.0 |
426.5 |
544.8 |
711.4 |
1037 |
|
110 |
|
|
|
245.0 |
310.1 |
383.6 |
461.8 |
589.5 |
766.5 |
1116 |
|
120 |
|
|
|
264.9 |
334.6 |
413.3 |
497.1 |
634.1 |
821.6 |
1196 |
|
130 |
|
|
|
284.7 |
359.1 |
442.9 |
532.4 |
678.8 |
876.8 |
1275 |
|
140 |
|
|
|
304.6 |
383.6 |
472.6 |
567.6 |
723.5 |
931.9 |
1354 |
|
150 |
|
|
|
324.4 |
408.1 |
502.2 |
602.9 |
768.1 |
987.0 |
1434 |
|
160 |
|
|
|
|
|
531.9 |
638.2 |
812.8 |
1042 |
1513 |
|
170 |
|
|
|
|
|
561.5 |
673.5 |
857.4 |
1097 |
1593 |
|
180 |
|
|
|
|
|
591.2 |
708.8 |
902.1 |
1152 |
1672 |
|
190 |
|
|
|
|
|
|
|
|
1208 |
1751 |
|
200 |
|
|
|
|
|
|
|
|
1263 |
1831 |

