|
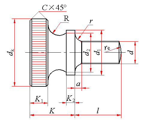
滚花高头螺钉(GB/T 834—1988) mm |
|||||||||||||
|
|
|||||||||||||
|
末端按GB 2规定 |
|||||||||||||
|
标记示例: 螺纹规格d=M5、公称长度l=20mm、性能等级为4.8级、不经表面处理的滚花高头螺钉的标记: 螺钉 GB 834 M5×20 |
|||||||||||||
|
螺纹规格 d |
dk (滚花前) |
K |
K1 |
K2 |
R ≥ |
r min |
re ≈ |
C |
d1 |
d2 |
l的范围 |
||
|
max |
min |
max |
min |
||||||||||
|
M1.6 |
7 |
6.78 |
4.7 |
4.52 |
2 |
0.8 |
1.25 |
0.1 |
2.24 |
0.2 |
4 |
3.6 |
2~8 |
|
M2 |
8 |
7.78 |
5 |
4.82 |
2 |
1 |
1.25 |
0.1 |
2.8 |
0.2 |
4.5 |
3.8 |
2.5~10 |
|
M2.5 |
9 |
8.78 |
5.5 |
5.32 |
2.2 |
1 |
1.5 |
0.1 |
3.5 |
0.2 |
5 |
4.4 |
3~12 |
|
M3 |
11 |
10.73 |
7 |
6.78 |
2.8 |
1.2 |
2 |
0.1 |
4.2 |
0.3 |
6 |
5.2 |
4~16 |
|
M4 |
12 |
11.73 |
8 |
7.78 |
3 |
1.5 |
2 |
0.2 |
5.6 |
0.3 |
8 |
6.4 |
5~16 |
|
M5 |
16 |
15.73 |
10 |
9.78 |
4 |
2 |
2.5 |
0.2 |
7 |
0.5 |
10 |
9 |
6~20 |
|
M6 |
20 |
19.67 |
12 |
11.57 |
5 |
2.5 |
3 |
0.25 |
8.4 |
0.5 |
12 |
11 |
8~25 |
|
M8 |
24 |
23.67 |
16 |
15.57 |
6 |
3 |
4 |
0.4 |
11.2 |
0.8 |
16 |
13 |
10~30 |
|
M10 |
30 |
29.67 |
20 |
19.48 |
8 |
3.8 |
5 |
0.4 |
14 |
0.8 |
20 |
17.5 |
12~35 |
|
技术条件 |
材料 |
螺纹公差 |
机械性能等级 |
公差产品等级 |
表面处理 |
||||||||
|
钢 |
6g |
4.8 |
A级 |
1.不经处理;2.镀锌钝化 |
|||||||||
|
不锈钢 |
A1-50、C4-50 |
不经处理 |
|||||||||||
|
公称长度l的商品规格系列: mm |
|||||||||||||||
|
公称 |
2 |
2.5 |
3 |
4 |
5 |
6 |
8 |
10 |
12 |
(14) |
16 |
20 |
25 |
30 |
35 |
|
min |
1.80 |
2.30 |
2.80 |
3.76 |
4.76 |
5.76 |
7.71 |
9.71 |
11.65 |
13.65 |
15.65 |
19.58 |
24.58 |
29.58 |
34.50 |
|
max |
2.20 |
2.70 |
3.20 |
4.24 |
5.24 |
6.24 |
8.29 |
10.29 |
12.35 |
14.35 |
16.35 |
20.42 |
25.42 |
30.42 |
35.50 |
|
注:尽可能不采用括号内的规格。 |
|||||||||||||||
|
质量 kg |
|||||||||
|
螺纹规格 |
M1.6 |
M2 |
M2.5 |
M3 |
M4 |
M5 |
M6 |
M8 |
M10 |
|
公称长度/mm |
每1000件钢制品的质量 ≈ |
||||||||
|
2 |
0.80 |
|
|
|
|
|
|
|
|
|
2.5 |
0.81 |
1.07 |
|
|
|
|
|
|
|
|
3 |
0.81 |
1.08 |
1.53 |
|
|
|
|
|
|
|
4 |
0.82 |
1.10 |
1.56 |
2.87 |
|
|
|
|
|
|
5 |
0.83 |
1.12 |
1.59 |
2.91 |
4.31 |
|
|
|
|
|
6 |
0.84 |
1.13 |
1.62 |
2.95 |
4.39 |
9.88 |
|
|
|
|
8 |
0.87 |
1.17 |
1.67 |
3.04 |
4.54 |
10.13 |
18.44 |
|
|
|
10 |
|
1.20 |
1.73 |
3.12 |
4.69 |
10.37 |
18.79 |
35.21 |
|
|
12 |
|
|
1.79 |
3.21 |
4.84 |
10.61 |
19.13 |
35.83 |
72.76 |
|
14 |
|
|
|
3.29 |
4.99 |
10.85 |
19.47 |
36.45 |
73.74 |
|
16 |
|
|
|
3.38 |
5.14 |
11.09 |
19.82 |
37.08 |
74.72 |
|
20 |
|
|
|
|
|
11.57 |
20.50 |
38.32 |
76.69 |
|
25 |
|
|
|
|
|
|
21.36 |
39.88 |
79.14 |
|
30 |
|
|
|
|
|
|
|
41.43 |
81.60 |
|
35 |
|
|
|
|
|
|
|
|
84.05 |

