|
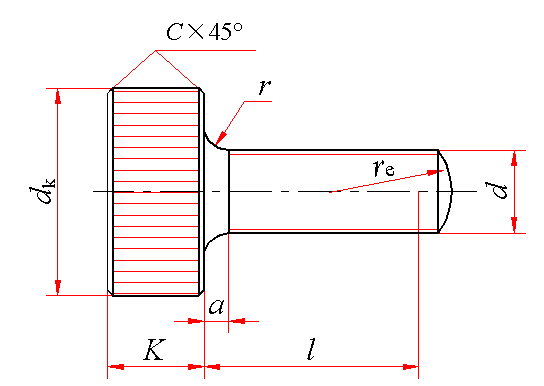
滚花平头螺钉(GB/T 835—1988) mm |
||||||||
|
|
||||||||
|
末端按GB2规定 |
||||||||
|
标记示例: 螺纹规格d=M5、公称长度l=20、性能等级为4.8级、不经表面处理的滚花平头螺钉的标记: 螺钉 GB 835 M5×20 |
||||||||
|
螺纹规格 d |
dk (滚花前) |
K |
r min |
re ≈ |
C |
l的范围 |
||
|
max |
min |
max |
min |
|||||
|
M1.6 |
7 |
6.78 |
4.7 |
4.52 |
0.1 |
2.24 |
0.2 |
2~12 |
|
M2 |
8 |
7.78 |
5 |
4.82 |
0.1 |
2.8 |
0.2 |
4~16 |
|
M2.5 |
9 |
8.78 |
5.5 |
5.32 |
0.1 |
3.5 |
0.2 |
5~16 |
|
M3 |
11 |
10.73 |
7 |
6.78 |
0.1 |
4.2 |
0.3 |
6~20 |
|
M4 |
12 |
11.73 |
8 |
7.78 |
0.2 |
5.6 |
0.3 |
8~25 |
|
M5 |
16 |
15.73 |
10 |
9.78 |
0.2 |
7 |
0.5 |
10~25 |
|
M6 |
20 |
19.67 |
12 |
11.57 |
0.25 |
8.4 |
0.5 |
12~30 |
|
M8 |
24 |
23.67 |
16 |
15.57 |
0.4 |
11.2 |
0.8 |
16~35 |
|
M10 |
30 |
29.67 |
20 |
19.48 |
0.4 |
14 |
0.8 |
20~45 |
|
技术条件 |
材料 |
螺纹公差 |
机械性能等级 |
公差产品等级 |
表面处理 |
|||
|
钢 |
6g |
4.8 |
A级 |
1.不经处理;2.镀锌钝化 |
||||
|
不锈钢 |
A1-50、C4-50 |
不经处理 |
||||||
|
公称长度l的商品规格系列: mm |
|||||||||||||||||
|
公称 |
2 |
2.5 |
3 |
4 |
5 |
6 |
8 |
10 |
12 |
(14) |
16 |
20 |
25 |
30 |
35 |
40 |
45 |
|
min |
1.80 |
2.30 |
2.80 |
3.76 |
4.76 |
5.76 |
7.71 |
9.71 |
11.65 |
13.65 |
15.65 |
19.58 |
24.58 |
29.58 |
34.50 |
39.50 |
44.50 |
|
max |
2.20 |
2.70 |
3.20 |
4.24 |
5.24 |
6.24 |
8.29 |
10.29 |
12.35 |
14.35 |
16.35 |
20.42 |
25.42 |
30.42 |
35.50 |
40.50 |
45.50 |
|
注:尽可能不采用括号内的规格。 |
|||||||||||||||||
|
质量 kg |
|||||||||
|
螺纹规格 |
M1.6 |
M2 |
M2.5 |
M3 |
M4 |
M5 |
M6 |
M8 |
M10 |
|
公称长度/mm |
每1000件钢制品的质量 ≈ |
||||||||
|
2 |
1.29 |
|
|
|
|
|
|
|
|
|
2.5 |
1.30 |
|
|
|
|
|
|
|
|
|
3 |
1.31 |
|
|
|
|
|
|
|
|
|
4 |
1.32 |
1.86 |
|
|
|
|
|
|
|
|
5 |
1.33 |
1.88 |
2.66 |
|
|
|
|
|
|
|
6 |
1.34 |
1.89 |
2.68 |
5.04 |
|
|
|
|
|
|
8 |
1.36 |
1.93 |
2.74 |
5.12 |
7.16 |
|
|
|
|
|
10 |
1.38 |
1.96 |
2.80 |
5.21 |
7.31 |
16.03 |
|
|
|
|
12 |
1.40 |
2.00 |
2.86 |
5.29 |
7.46 |
16.27 |
29.48 |
|
|
|
14 |
|
2.04 |
2.92 |
5.38 |
7.61 |
16.51 |
29.82 |
|
|
|
16 |
|
2.07 |
2.97 |
5.46 |
7.76 |
16.75 |
30.17 |
58.42 |
|
|
20 |
|
|
|
5.63 |
8.06 |
17.23 |
30.85 |
59.66 |
117.7 |
|
25 |
|
|
|
|
8.43 |
17.83 |
31.71 |
61.22 |
120.1 |
|
30 |
|
|
|
|
|
|
32.57 |
62.77 |
122.6 |
|
35 |
|
|
|
|
|
|
|
64.33 |
125.1 |
|
40 |
|
|
|
|
|
|
|
|
127.5 |
|
45 |
|
|
|
|
|
|
|
|
130.0 |

