|
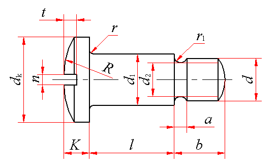
开槽球面圆柱头轴位螺钉(GB/T 946—1988) mm |
|||||||||||||||||
|
|
|||||||||||||||||
|
末端按GB 2规定 |
|||||||||||||||||
|
标记示例: 螺纹规格d=M5、公称长度l=10mm、性能等级为4.8级、不经表面处理的开槽球面圆柱头轴位螺钉的标记: 螺钉 GB 946 M5×10 d1按f9制造时应加标记f9: 螺钉 GB 946 M5 f9×10 |
|||||||||||||||||
|
螺纹规格 d |
d1 |
dk |
K |
n |
t min |
r min |
r1 ≤ |
d2 |
a ≈ |
R ≈ |
b |
l的范围 |
|||||
|
max |
min |
max |
min |
max |
min |
公称 |
min |
max |
|||||||||
|
M1.6 |
2.48 |
2.42 |
3.5 |
3.2 |
1.2 |
1.06 |
0.4 |
0.46 |
0.6 |
0.6 |
0.2 |
0.3 |
1.1 |
1 |
3.5 |
2.5 |
1~6 |
|
M2 |
2.98 |
2.92 |
4 |
3.7 |
1.6 |
1.46 |
0.5 |
0.56 |
0.7 |
0.7 |
0.2 |
0.3 |
1.4 |
1 |
4 |
3 |
1~8 |
|
M2.5 |
3.47 |
3.395 |
5 |
4.7 |
1.8 |
1.66 |
0.6 |
0.66 |
0.8 |
0.9 |
0.2 |
0.3 |
1.8 |
1 |
5 |
3.5 |
1~8 |
|
M3 |
3.97 |
3.895 |
6 |
5.7 |
2 |
1.86 |
0.8 |
0.86 |
1 |
1 |
0.2 |
0.3 |
2.2 |
1 |
6 |
4 |
1~10 |
|
M4 |
4.97 |
4.895 |
8 |
7.64 |
2.8 |
2.66 |
1.2 |
1.26 |
1.51 |
1.4 |
0.4 |
0.5 |
3 |
1.5 |
8 |
5 |
1~10 |
|
M5 |
5.97 |
5.895 |
10 |
9.64 |
3.5 |
3.32 |
1.2 |
1.26 |
1.51 |
1.7 |
0.4 |
0.5 |
3.8 |
1.5 |
10 |
6 |
1~12 |
|
M6 |
7.96 |
7.87 |
12 |
11.57 |
4 |
3.82 |
1.6 |
1.66 |
1.91 |
2 |
0.4 |
0.5 |
4.5 |
2 |
12 |
8 |
1~14 |
|
M8 |
9.96 |
9.87 |
15 |
14.57 |
5 |
4.82 |
2 |
2.06 |
2.31 |
2.5 |
0.4 |
0.5 |
6.2 |
2 |
15 |
10 |
2~16 |
|
M10 |
11.95 |
11.84 |
20 |
19.48 |
6 |
5.82 |
2.5 |
2.56 |
2.81 |
3 |
0.5 |
1 |
7.8 |
3 |
20 |
12 |
2~20 |
|
技术条件 |
材料 |
螺纹公差 |
机械性能等级 |
公差产品等级 |
表面处理 |
||||||||||||
|
钢 |
6g |
4.8 |
A级 |
1.不经处理;2.镀锌钝化 |
|||||||||||||
|
不锈钢 |
A1-50、C4-50 |
不经处理 |
|||||||||||||||
|
注:① 尽可能不采用括号内的规格。 ② 轴位直径d1亦可按f9制造。 |
|||||||||||||||||
|
公称长度l的商品规格系列: mm |
|||||||||||||||
|
公称 |
1 |
1.2 |
1.6 |
2 |
2.5 |
3 |
4 |
5 |
6 |
8 |
10 |
12 |
(14) |
16 |
20 |
|
min |
0.80 |
1.00 |
1.40 |
1.80 |
2.30 |
2.80 |
3.76 |
4.76 |
5.76 |
7.71 |
9.71 |
11.65 |
13.65 |
15.65 |
19.58 |
|
max |
1.20 |
1.40 |
1.80 |
2.20 |
2.70 |
3.20 |
4.24 |
5.24 |
6.24 |
8.29 |
10.29 |
12.35 |
14.35 |
16.35 |
20.42 |
|
l公称+b |
基本尺寸 |
>3~6 |
>6~10 |
>10~18 |
>18~30 |
>30 |
|
极限偏差 |
±0.24 |
±0.29 |
±0.35 |
±0.42 |
±0.50 |
|
质量 kg |
|||||||||
|
螺纹规格 |
M1.6 |
M2 |
M2.5 |
M3 |
M4 |
M5 |
M6 |
M8 |
M10 |
|
公称长度/mm |
每1000件钢制品的质量 ≈ |
||||||||
|
1 |
0.10 |
0.19 |
0.31 |
0.48 |
1.11 |
2.11 |
3.64 |
|
|
|
1.2 |
0.11 |
0.20 |
0.33 |
0.50 |
1.14 |
2.15 |
3.71 |
|
|
|
1.6 |
0.13 |
0.22 |
0.35 |
0.54 |
1.20 |
2.23 |
3.86 |
|
|
|
2 |
0.14 |
0.24 |
0.38 |
0.58 |
1.26 |
2.32 |
4.02 |
8.04 |
15.30 |
|
2.5 |
0.16 |
0.27 |
0.42 |
0.62 |
1.33 |
2.43 |
4.21 |
8.34 |
15.72 |
|
3 |
0.18 |
0.29 |
0.45 |
0.67 |
1.40 |
2.53 |
4.40 |
8.64 |
16.15 |
|
4 |
0.21 |
0.34 |
0.52 |
0.76 |
1.55 |
2.74 |
4.78 |
9.23 |
17.01 |
|
5 |
0.25 |
0.40 |
0.59 |
0.85 |
1.70 |
2.96 |
5.15 |
9.83 |
17.87 |
|
6 |
0.28 |
0.45 |
0.67 |
0.95 |
1.84 |
3.17 |
5.53 |
10.43 |
18.73 |
|
8 |
|
0.55 |
0.81 |
1.13 |
2.14 |
3.60 |
6.29 |
11.62 |
20.45 |
|
10 |
|
|
|
1.32 |
2.43 |
4.02 |
7.05 |
12.81 |
22.17 |
|
12 |
|
|
|
|
|
4.45 |
7.81 |
14.01 |
23.88 |
|
14 |
|
|
|
|
|
|
8.57 |
15.20 |
25.60 |
|
16 |
|
|
|
|
|
|
|
16.40 |
27.32 |
|
20 |
|
|
|
|
|
|
|
|
30.75 |

