|
滚花高螺母(GB/T 806—1988) mm |
||||||||||||||
|
|
||||||||||||||
|
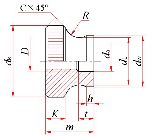
标记示例: 螺纹规格D=M5、机械性能为5级、不经表面处理的滚花高螺母的标记: 螺母 GB 806 M5 |
||||||||||||||
|
螺纹规格 D |
dk(滚花前) |
m |
K |
dw |
da |
t max |
R min |
h |
d1 |
C |
||||
|
max |
min |
max |
min |
max |
min |
max |
min |
|||||||
|
M1.6 |
7 |
6.78 |
4.7 |
4.4 |
2 |
4 |
3.7 |
2.05 |
1.8 |
1.5 |
1.25 |
0.8 |
3.6 |
0.2 |
|
M2 |
8 |
7.78 |
5 |
4.7 |
2 |
4.5 |
4.2 |
2.45 |
2.2 |
1.5 |
1.25 |
1 |
3.8 |
0.2 |
|
M2.5 |
9 |
8.78 |
5.5 |
5.2 |
2.2 |
5 |
4.7 |
2.95 |
2.7 |
2 |
1.5 |
1 |
4.4 |
0.2 |
|
M3 |
11 |
10.73 |
7 |
6.64 |
2.8 |
6 |
5.7 |
3.5 |
3.2 |
2 |
2 |
1.2 |
5.2 |
0.3 |
|
M4 |
12 |
11.73 |
8 |
7.64 |
3 |
8 |
7.64 |
4.5 |
4.2 |
2.5 |
2 |
1.5 |
6.4 |
0.3 |
|
M5 |
16 |
15.73 |
10 |
9.64 |
4 |
10 |
9.64 |
5.5 |
5.2 |
3 |
2.5 |
2 |
9 |
0.5 |
|
M6 |
20 |
19.67 |
12 |
11.57 |
5 |
12 |
11.57 |
6.56 |
6.2 |
4 |
3 |
2.5 |
11 |
0.5 |
|
M8 |
24 |
23.67 |
16 |
15.57 |
6 |
16 |
15.57 |
8.86 |
8.5 |
5 |
4 |
3 |
13 |
0.8 |
|
M10 |
30 |
29.67 |
20 |
19.48 |
8 |
20 |
19.48 |
10.93 |
10.5 |
6.5 |
5 |
3.8 |
17.5 |
0.8 |
|
技术条件 |
材料 |
螺纹公差 |
机械性能等级 |
滚花 |
公差产品等级 |
表面处理 |
||||||||
|
钢 |
6H |
5 |
直纹 |
A级 |
1.不经处理;2.镀锌钝化 |
|||||||||
|
质量 kg |
|||||||||
|
螺纹规格 |
M1.6 |
M2 |
M2.5 |
M3 |
M4 |
M5 |
M6 |
M8 |
M10 |
|
每1000件钢制品的质量≈ |
0.71 |
0.91 |
1.26 |
2.36 |
3.26 |
7.82 |
14.89 |
26.92 |
56.66 |
