|
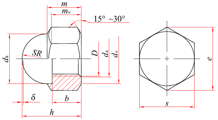
组合式盖形螺母(GB/T 802.1—2008) mm |
||||||||||||||||
|
|
||||||||||||||||
|
标记示例: 螺纹规格D=M12、性能等级为6级、表面氧化的组合式盖形螺母的标记: 螺母 GB/T 802.1 M12 |
||||||||||||||||
|
螺纹规格 Da |
Pb |
da |
dk ≈ |
dw min |
e min |
h |
m ≈ |
b ≈ |
mw min |
SR ≈ |
S |
δ ≈ |
||||
第1系列 |
第2系列 |
第3系列 |
max |
min |
公称 |
min |
||||||||||
|
M4 |
— |
— |
0.7 |
4.6 |
4 |
6.2 |
5.9 |
7.66 |
7 |
4.5 |
2.5 |
3.6 |
3.2 |
7 |
6.78 |
0.5 |
|
M5 |
— |
— |
0.8 |
5.75 |
5 |
7.2 |
6.9 |
8.79 |
9 |
5.5 |
4 |
4.4 |
3.6 |
8 |
7.78 |
0.5 |
|
M6 |
— |
— |
1 |
6.75 |
6 |
9.2 |
8.9 |
11.05 |
11 |
6.5 |
5 |
5.2 |
4.6 |
10 |
9.78 |
0.8 |
|
M8 |
M8×1 |
— |
1.25 |
8.75 |
8 |
13 |
11.6 |
14.38 |
15 |
8 |
6 |
6.4 |
6.5 |
13 |
12.73 |
0.8 |
|
M10 |
M10×1 |
M10×1.25 |
1.5 |
10.8 |
10 |
16 |
14.6 |
17.77 |
18 |
10 |
8 |
8 |
8 |
16 |
15.73 |
0.8 |
|
M12 |
M12×1.5 |
M12×1.25 |
1.75 |
13 |
12 |
18 |
16.6 |
20.03 |
22 |
12 |
10 |
9.6 |
9 |
18 |
17.73 |
1 |
|
(M14) |
(M14×1.5) |
— |
2 |
15.1 |
14 |
20 |
19.6 |
23.35 |
24 |
13 |
11 |
10.4 |
10 |
21 |
20.67 |
1 |
|
M16 |
M16×1.5 |
— |
2 |
17.3 |
16 |
22 |
22.5 |
26.75 |
26 |
15 |
13 |
12 |
11.5 |
24 |
23.67 |
1 |
|
(M18) |
(M18×1.5) |
(M18×2) |
2.5 |
19.5 |
18 |
25 |
24.9 |
29.56 |
30 |
17 |
14 |
13.6 |
12.5 |
27 |
26.16 |
1.2 |
|
M20 |
M20×2 |
M20×1.5 |
2.5 |
21.6 |
20 |
28 |
27.7 |
32.95 |
35 |
19 |
16 |
15.2 |
14 |
30 |
29.16 |
1.2 |
|
(M22) |
(M22×1.5) |
(M22×2) |
2.5 |
23.7 |
22 |
30 |
31.4 |
37.29 |
38 |
21 |
18 |
16.8 |
15 |
34 |
33 |
1.2 |
|
M24 |
M24×2 |
— |
3 |
25.9 |
24 |
34 |
33.3 |
39.55 |
40 |
22 |
19 |
17.6 |
17 |
36 |
35 |
1.2 |
|
技术条件 |
材料 |
螺纹公差 |
机械性能等级 |
公差产品等级 |
表面处理 |
|||||||||||
|
钢 |
6H |
6、8 |
D≤16 mm:A;D>16 mm:B |
氧化; 电镀技术要求按GB/T 5267.1; 非电解锌片涂层技术要求按GB/T 5267.2; 热浸镀锌技术要求按GB/T 5267.3 |
||||||||||||
|
不锈钢 |
A2-50、A2-70、 A4-50、A4-70 |
简单处理 |
||||||||||||||
|
有色金属 |
CU2、CU3、AL4 |
简单处理 |
||||||||||||||
|
注:a 尽可能不采用括号内的规格;按螺纹规格第1至第3系列,依次优先选用。 b P—粗牙螺纹螺距 |
||||||||||||||||

