|
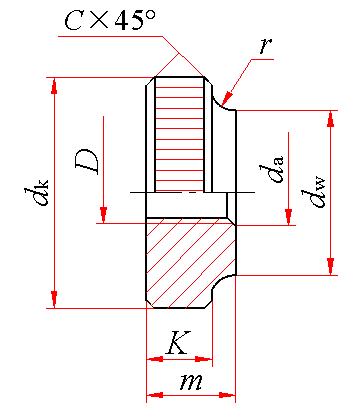
滚花薄螺母 (GB/T 807—1988) mm |
|||||||||||
|
|
|||||||||||
|
标记示例: 螺纹规格D=M5、性能等级为5级、不经表面处理的滚花薄螺母的标记: 螺母 GB 807 M5 |
|||||||||||
|
螺纹规格 D |
dk(滚花前) |
m |
K |
dw |
r |
C |
da |
||||
|
max |
min |
max |
min |
max |
min |
max |
min |
||||
|
M1.4 |
6 |
5.78 |
2 |
1.75 |
1.5 |
3.5 |
3.2 |
0.5 |
0.2 |
1.64 |
1.4 |
|
M1.6 |
7 |
6.78 |
2.5 |
2.25 |
2 |
4 |
3.7 |
0.5 |
0.2 |
1.84 |
1.6 |
|
M2 |
8 |
7.78 |
2.5 |
2.25 |
2 |
4.5 |
4.2 |
0.5 |
0.2 |
2.3 |
2 |
|
M2.5 |
9 |
8.78 |
2.5 |
2.25 |
2 |
5 |
4.7 |
0.5 |
0.2 |
2.9 |
2.5 |
|
M3 |
11 |
10.73 |
3 |
2.75 |
2.5 |
6 |
5.7 |
0.5 |
0.3 |
3.45 |
3 |
|
M4 |
12 |
11.73 |
3 |
2.75 |
2.5 |
8 |
7.64 |
0.5 |
0.3 |
4.6 |
4 |
|
M5 |
16 |
15.73 |
4 |
3.7 |
3.5 |
10 |
9.64 |
0.5 |
0.5 |
5.75 |
5 |
|
M6 |
20 |
19.67 |
5 |
4.7 |
4 |
12 |
11.57 |
1 |
0.5 |
6.75 |
6 |
|
M8 |
24 |
23.67 |
6 |
5.7 |
5 |
16 |
15.57 |
1 |
0.8 |
8.75 |
8 |
|
M10 |
30 |
29.67 |
8 |
7.64 |
6 |
20 |
19.48 |
2 |
0.8 |
10.8 |
10 |
|
技术条件 |
材料 |
螺纹公差 |
滚花 |
机械性能等级 |
公差产品等级 |
表面处理 |
|||||
|
钢 |
6H |
直纹 |
5 |
A级 |
1.不经处理;2.镀锌钝化 |
||||||
|
质量 kg |
||||||||||
|
螺纹规格 |
M1.4 |
M1.6 |
M2 |
M2.5 |
M3 |
M4 |
M5 |
M6 |
M8 |
M10 |
|
每1000件钢制品的质量≈ |
0.31 |
0.56 |
0.73 |
0.91 |
1.69 |
1.98 |
4.96 |
9.23 |
16.40 |
32.36 |
