|
内六角圆柱端紧定螺钉(GB/T 79—2007) mm |
||||||||||||||||||||||||||
|
|
||||||||||||||||||||||||||
|
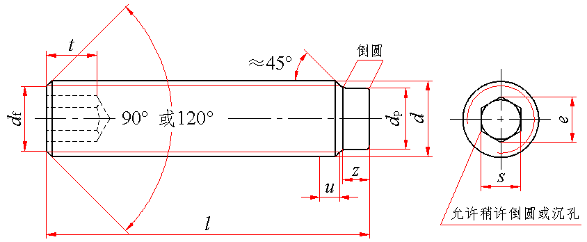
注:对切制内六角,当尺寸达到最大极限时,由于钻孔造成的过切不应超过内六角任何一面长度(t)的20%。 1)公称长度在表中的短螺钉应制成120°; 2)45°角仅适用于螺纹小径以内的末端部分; 3)不完整螺纹的长度u≤2P。
|
||||||||||||||||||||||||||
|
标记示例: 螺纹规格d=M6、公称长度l=12mm、性能等级为45H级、表面氧化的A级内六角圆柱端紧定螺钉的标记: 螺钉 GB/T 79 M6×12 |
||||||||||||||||||||||||||
|
螺纹 规格 d |
螺距 P |
dp |
df |
e min |
s |
z |
l的范围 |
t |
||||||||||||||||||
|
max |
min |
公称 |
max |
min |
max |
min |
||||||||||||||||||||
|
M1.6 |
0.35 |
0.80 |
0.55 |
≈
螺
纹
小
径 |
0.809 |
0.7 |
0.724 |
0.710 |
0.65 |
0.40 |
2~2.5 |
0.7 |
||||||||||||||
|
1.05 |
0.80 |
3~8 |
1.5 |
|||||||||||||||||||||||
|
M2 |
0.4 |
1.00 |
0.75 |
1.011 |
0.9 |
0.913 |
0.887 |
0.75 |
0.50 |
2.5~3 |
0.8 |
|||||||||||||||
|
1.25 |
1.00 |
4~10 |
1.7 |
|||||||||||||||||||||||
|
M2.5 |
0.45 |
1.50 |
1.25 |
1.454 |
1.3 |
1.300 |
1.275 |
0.88 |
0.63 |
3~4 |
1.2 |
|||||||||||||||
|
1.50 |
1.25 |
5~12 |
2 |
|||||||||||||||||||||||
|
M3 |
0.5 |
2.00 |
1.75 |
1.733 |
1.5 |
1.58 |
1.52 |
1.00 |
0.75 |
4~5 |
1.2 |
|||||||||||||||
|
1.75 |
1.50 |
6~16 |
2 |
|||||||||||||||||||||||
|
M4 |
0.7 |
2.50 |
2.25 |
2.303 |
2 |
2.08 |
2.02 |
1.25 |
1.00 |
5~6 |
1.5 |
|||||||||||||||
|
2.25 |
2.00 |
8~20 |
2.5 |
|||||||||||||||||||||||
|
M5 |
0.8 |
3.5 |
3.2 |
2.873 |
2.5 |
2.58 |
2.52 |
1.50 |
1.25 |
6 |
2 |
|||||||||||||||
|
2.75 |
2.50 |
8~25 |
3 |
|||||||||||||||||||||||
|
M6 |
1 |
4.0 |
3.7 |
3.443 |
3 |
3.08 |
3.02 |
1.75 |
1.50 |
8 |
2 |
|||||||||||||||
|
3.25 |
3.00 |
10~30 |
3.5 |
|||||||||||||||||||||||
|
M8 |
1.25 |
5.5 |
5.2 |
4.583 |
4 |
4.095 |
4.02 |
2.25 |
2.00 |
8~10 |
3 |
|||||||||||||||
|
4.3 |
4.0 |
12~40 |
5 |
|||||||||||||||||||||||
|
M10 |
1.5 |
7.00 |
6.64 |
5.723 |
5 |
5.14 |
5.02 |
2.75 |
2.50 |
10~12 |
4 |
|||||||||||||||
|
5.3 |
5.0 |
16~50 |
6 |
|||||||||||||||||||||||
|
M12 |
1.75 |
8.50 |
8.14 |
6.863 |
6 |
6.14 |
6.02 |
3.25 |
3.00 |
12~16 |
4.8 |
|||||||||||||||
|
6.3 |
6.0 |
20~60 |
8 |
|||||||||||||||||||||||
|
M16 |
2 |
12.00 |
11.57 |
9.149 |
8 |
8.175 |
8.025 |
4.3 |
4.0 |
16~20 |
6.4 |
|||||||||||||||
|
8.36 |
8.00 |
25~60 |
10 |
|||||||||||||||||||||||
|
M20 |
2.5 |
15.00 |
14.57 |
11.429 |
10 |
10.175 |
10.025 |
5.3 |
5.0 |
20~25 |
8 |
|||||||||||||||
|
10.36 |
10.00 |
30~60 |
12 |
|||||||||||||||||||||||
|
M24 |
3 |
18.00 |
17.57 |
13.716 |
12 |
12.212 |
12.032 |
6.3 |
6.0 |
25~30 |
10 |
|||||||||||||||
|
12.43 |
12.00 |
35~60 |
15 |
|||||||||||||||||||||||
|
技术条件 |
材料 |
螺纹公差 |
机械性能等级 |
产品公差等级 |
表面处理 |
|||||||||||||||||||||
|
钢 |
6g |
45H |
A |
不经处理; 氧化; 电镀; 非电解锌片涂层 |
||||||||||||||||||||||
|
不锈钢 |
A1-12H、A2-21H、A3-21H A4-21H、A5-21H |
简单处理 |
||||||||||||||||||||||||
|
有色金属 |
CU2、CU3、AL4 |
简单处理; 电镀 |
||||||||||||||||||||||||
|
公称长度l的商品规格系列: mm |
||||||||||||||||||||||||||
|
公称 |
2 |
2.5 |
3 |
4 |
5 |
6 |
8 |
10 |
12 |
16 |
20 |
25 |
30 |
35 |
40 |
45 |
50 |
55 |
60 |
|||||||
|
min |
1.8 |
2.3 |
2.8 |
3.76 |
4.76 |
5.76 |
7.71 |
9.71 |
11.65 |
15.65 |
19.58 |
24.58 |
29.58 |
34.5 |
39.5 |
44.5 |
49.5 |
54.4 |
59.4 |
|||||||
|
max |
2.2 |
2.7 |
3.2 |
4.24 |
5.24 |
6.24 |
8.29 |
10.29 |
12.35 |
16.35 |
20.42 |
25.42 |
30.42 |
35.5 |
40.5 |
45.5 |
50.5 |
55.6 |
60.6 |
|||||||
|
质量 kg |
|||||||||||||
|
螺纹规格 |
M1.6 |
M2 |
M2.5 |
M3 |
M4 |
M5 |
M6 |
M8 |
M10 |
M12 |
M16 |
M20 |
M24 |
|
公称长度/mm |
每1000件钢制品的质量≈ |
||||||||||||
|
2 |
0.024 |
|
|
|
|
|
|
|
|
|
|
|
|
|
2.5 |
0.028 |
0.046 |
|
|
|
|
|
|
|
|
|
|
|
|
3 |
0.029 |
0.053 |
0.085 |
|
|
|
|
|
|
|
|
|
|
|
4 |
0.037 |
0.059 |
0.110 |
0.120 |
|
|
|
|
|
|
|
|
|
|
5 |
0.046 |
0.074 |
0.125 |
0.161 |
0.239 |
|
|
|
|
|
|
|
|
|
6 |
0.054 |
0.089 |
0.150 |
0.186 |
0.319 |
0.528 |
|
|
|
|
|
|
|
|
8 |
0.070 |
0.119 |
0.199 |
0.266 |
0.442 |
0.708 |
1.07 |
1.68 |
|
|
|
|
|
|
10 |
|
0.148 |
0.249 |
0.346 |
0.602 |
0.948 |
1.29 |
2.31 |
3.60 |
|
|
|
|
|
12 |
|
|
0.299 |
0.427 |
0.763 |
1.19 |
1.63 |
2.68 |
4.58 |
6.06 |
|
|
|
|
16 |
|
|
|
0.586 |
1.08 |
1.67 |
2.31 |
3.94 |
6.05 |
8.94 |
15.0 |
|
|
|
20 |
|
|
|
|
1.40 |
2.15 |
2.99 |
5.20 |
8.02 |
11.0 |
20.3 |
28.3 |
|
|
25 |
|
|
|
|
|
2.75 |
3.84 |
6.78 |
10.5 |
14.6 |
25.1 |
38.6 |
55.4 |
|
30 |
|
|
|
|
|
|
4.69 |
8.35 |
13.0 |
18.2 |
31.7 |
45.5 |
69.9 |
|
35 |
|
|
|
|
|
|
|
9.93 |
15.5 |
21.8 |
38.3 |
55.8 |
78.4 |
|
40 |
|
|
|
|
|
|
|
11.5 |
18.0 |
25.4 |
44.9 |
66.10 |
92.9 |
|
45 |
|
|
|
|
|
|
|
|
20.5 |
29.0 |
51.5 |
76.4 |
107 |
|
50 |
|
|
|
|
|
|
|
|
23.0 |
32.6 |
58.1 |
86.7 |
122 |
|
55 |
|
|
|
|
|
|
|
|
|
36.2 |
64.7 |
97.0 |
136 |
|
60 |
|
|
|
|
|
|
|
|
|
39.8 |
71.3 |
107 |
151 |

