|
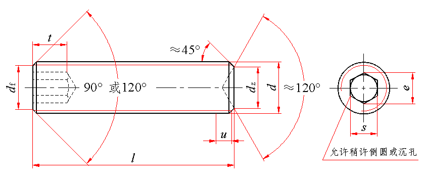
内六角凹端紧定螺钉(GB/T 80—2007) mm |
||||||||||||||||||||||||||
|
|
||||||||||||||||||||||||||
|
注:对切制内六角,当尺寸达到最大极限时,由于钻孔造成的过切不应超过内六角任何一面长度(t)的20%。 1)公称长度在表中的短螺钉应制成120°; 2)45°角仅适用于螺纹小径以内的末端部分; 3)不完整螺纹的长度u≤2P;
|
||||||||||||||||||||||||||
|
标记示例: 螺纹规格d=M6、公称长度l=12mm、性能等级为45H级、表面氧化的A级内六角凹端紧定螺钉的标记: 螺钉 GB/T 80 M6×12 |
||||||||||||||||||||||||||
|
螺纹规格 d |
螺距 P |
dz |
df |
e |
s |
l的范围 |
t |
|||||||||||||||||||
|
max |
min |
min |
公称 |
max |
min |
|||||||||||||||||||||
|
M1.6 |
0.35 |
0.80 |
0.55 |
≈
螺
纹
小
径 |
0.809 |
0.7 |
0.724 |
0.710 |
2 |
0.7 |
||||||||||||||||
|
2.5~8 |
1.5 |
|||||||||||||||||||||||||
|
M2 |
0.4 |
1.00 |
0.75 |
1.011 |
0.9 |
0.913 |
0.887 |
2~2.5 |
0.8 |
|||||||||||||||||
|
3~10 |
1.7 |
|||||||||||||||||||||||||
|
M2.5 |
0.45 |
1.20 |
0.95 |
1.454 |
1.3 |
1.300 |
1.275 |
2~3 |
1.2 |
|||||||||||||||||
|
4~12 |
2 |
|||||||||||||||||||||||||
|
M3 |
0.5 |
1.40 |
1.15 |
1.733 |
1.5 |
1.58 |
1.52 |
2.5~4 |
1.2 |
|||||||||||||||||
|
5~16 |
2 |
|||||||||||||||||||||||||
|
M4 |
0.7 |
2.00 |
1.75 |
2.303 |
2 |
2.08 |
2.02 |
3~5 |
1.5 |
|||||||||||||||||
|
6~20 |
2.5 |
|||||||||||||||||||||||||
|
M5 |
0.8 |
2.50 |
2.25 |
2.873 |
2.5 |
2.58 |
2.52 |
4~5 |
2 |
|||||||||||||||||
|
6~25 |
3 |
|||||||||||||||||||||||||
|
M6 |
1.0 |
3.00 |
2.75 |
3.443 |
3 |
3.08 |
3.02 |
5~6 |
2 |
|||||||||||||||||
|
8~30 |
3.5 |
|||||||||||||||||||||||||
|
M8 |
1.25 |
5.0 |
4.7 |
4.583 |
4 |
4.095 |
4.02 |
6~8 |
3 |
|||||||||||||||||
|
10~40 |
5 |
|||||||||||||||||||||||||
|
M10 |
1.5 |
6.0 |
5.7 |
5.723 |
5 |
5.14 |
5.02 |
8~10 |
4 |
|||||||||||||||||
|
12~50 |
6 |
|||||||||||||||||||||||||
|
M12 |
1.75 |
8.00 |
7.64 |
6.863 |
6 |
6.14 |
6.02 |
10~12 |
4.8 |
|||||||||||||||||
|
16~60 |
8 |
|||||||||||||||||||||||||
|
M16 |
2.0 |
10.00 |
9.64 |
9.149 |
8 |
8.175 |
8.025 |
12~16 |
6.4 |
|||||||||||||||||
|
20~60 |
10 |
|||||||||||||||||||||||||
|
M20 |
2.5 |
14.00 |
13.57 |
11.429 |
10 |
10.175 |
10.025 |
16~20 |
8 |
|||||||||||||||||
|
25~60 |
12 |
|||||||||||||||||||||||||
|
M24 |
3.0 |
16.00 |
15.57 |
13.716 |
12 |
12.212 |
12.032 |
20~25 |
10 |
|||||||||||||||||
|
30~60 |
15 |
|||||||||||||||||||||||||
|
技术条件 |
材料 |
螺纹公差 |
机械性能等级 |
产品公差等级 |
表面处理 |
|||||||||||||||||||||
|
钢 |
6g |
45H |
A |
不经处理; 氧化; 电镀; 非电解锌片涂层 |
||||||||||||||||||||||
|
不锈钢 |
A1-12H、A2-21H、A3-21H A4-21H、A5-21H |
简单处理 |
||||||||||||||||||||||||
|
有色金属 |
CU2、CU3、AL4 |
简单处理; 电镀 |
||||||||||||||||||||||||
|
公称长度l的商品规格系列: mm |
||||||||||||||||||||||||||
|
公称 |
2 |
2.5 |
3 |
4 |
5 |
6 |
8 |
10 |
12 |
16 |
20 |
25 |
30 |
35 |
40 |
45 |
50 |
55 |
60 |
|||||||
|
min |
1.8 |
2.3 |
2.8 |
3.76 |
4.76 |
5.76 |
7.71 |
9.71 |
11.65 |
15.65 |
19.58 |
24.58 |
29.58 |
34.5 |
39.5 |
44.5 |
49.5 |
54.4 |
59.4 |
|||||||
|
max |
2.2 |
2.7 |
3.2 |
4.24 |
5.24 |
6.24 |
8.29 |
10.29 |
12.35 |
16.35 |
20.42 |
25.42 |
30.42 |
35.5 |
40.5 |
45.5 |
50.5 |
55.6 |
60.6 |
|||||||
|
质量 kg |
|||||||||||||
|
螺纹规格 |
M1.6 |
M2 |
M2.5 |
M3 |
M4 |
M5 |
M6 |
M8 |
M10 |
M12 |
M16 |
M20 |
M24 |
|
公称长度/mm |
每1000件钢制品的质量≈ |
||||||||||||
|
2 |
0.019 |
0.029 |
0.050 |
|
|
|
|
|
|
|
|
|
|
|
2.5 |
0.025 |
0.037 |
0.063 |
0.079 |
|
|
|
|
|
|
|
|
|
|
3 |
0.029 |
0.044 |
0.075 |
0.100 |
0.155 |
|
|
|
|
|
|
|
|
|
4 |
0.037 |
0.059 |
0.100 |
0.140 |
0.230 |
0.30 |
|
|
|
|
|
|
|
|
5 |
0.046 |
0.074 |
0.125 |
0.180 |
0.305 |
0.420 |
0.565 |
|
|
|
|
|
|
|
6 |
0.054 |
0.089 |
0.150 |
0.220 |
0.380 |
0.540 |
0.740 |
1.25 |
|
|
|
|
|
|
8 |
0.070 |
0.119 |
0.199 |
0.300 |
0.530 |
0.780 |
1.09 |
1.88 |
2.71 |
|
|
|
|
|
10 |
|
0.148 |
0.249 |
0.380 |
0.680 |
1.02 |
1.44 |
2.51 |
3.72 |
5.30 |
|
|
|
|
12 |
|
|
0.299 |
0.460 |
0.830 |
1.26 |
1.79 |
3.14 |
4.73 |
6.70 |
10.5 |
|
|
|
16 |
|
|
|
0.620 |
1.13 |
1.74 |
2.49 |
4.40 |
6.73 |
9.50 |
15.7 |
22.9 |
|
|
20 |
|
|
|
|
1.42 |
2.22 |
3.19 |
5.66 |
8.72 |
12.3 |
20.9 |
31.1 |
40.2 |
|
25 |
|
|
|
|
|
2.82 |
4.07 |
7.24 |
11.2 |
15.8 |
27.4 |
41.4 |
55.2 |
|
30 |
|
|
|
|
|
|
4.94 |
8.81 |
13.7 |
19.3 |
33.9 |
51.7 |
70.3 |
|
35 |
|
|
|
|
|
|
|
10.4 |
16.2 |
22.7 |
40.4 |
62.0 |
85.3 |
|
40 |
|
|
|
|
|
|
|
12.0 |
18.7 |
26.2 |
46.9 |
72.3 |
100 |
|
45 |
|
|
|
|
|
|
|
|
21.2 |
29.7 |
53.3 |
82.6 |
115 |
|
50 |
|
|
|
|
|
|
|
|
23.6 |
33.2 |
59.8 |
92.6 |
130 |
|
55 |
|
|
|
|
|
|
|
|
|
36.6 |
66.3 |
103 |
145 |
|
60 |
|
|
|
|
|
|
|
|
|
40.1 |
72.8 |
114 |
160 |

