|
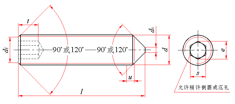
内六角锥端紧定螺钉(GB/T 78—2007) mm |
|||||||||||||||||||||||||||||
|
|
|||||||||||||||||||||||||||||
|
不完整螺纹的长度u≤2P |
|||||||||||||||||||||||||||||
|
标记示例: 螺纹规格d=M6、公称长度l=12mm、性能等级为45H级、表面氧化的A级内六角锥端紧定螺钉的标记: 螺钉 GB/T 78 M6×12 |
|||||||||||||||||||||||||||||
|
螺纹规格 d |
螺距 P |
dt max |
df |
e min |
s |
l的范围 |
t |
||||||||||||||||||||||
|
公称 |
max |
min |
|||||||||||||||||||||||||||
|
M1.6 |
0.35 |
0.4 |
≈
螺
纹
小
径 |
0.809 |
0.7 |
0.724 |
0.710 |
2~2.5 |
0.7 |
||||||||||||||||||||
|
3~8 |
1.5 |
||||||||||||||||||||||||||||
|
M2 |
0.4 |
0.5 |
1.011 |
0.9 |
0.913 |
0.887 |
2~2.5 |
0.8 |
|||||||||||||||||||||
|
3~10 |
1.7 |
||||||||||||||||||||||||||||
|
M2.5 |
0.45 |
0.65 |
1.454 |
1.3 |
1.300 |
1.275 |
2.5~3 |
1.2 |
|||||||||||||||||||||
|
4~12 |
2 |
||||||||||||||||||||||||||||
|
M3 |
0.5 |
0.75 |
1.733 |
1.5 |
1.58 |
1.52 |
2.5~3 |
1.2 |
|||||||||||||||||||||
|
4~16 |
2 |
||||||||||||||||||||||||||||
|
M4 |
0.7 |
1 |
2.303 |
2 |
2.08 | 2.02 |
3~4 |
1.5 |
|||||||||||||||||||||
|
5~20 |
2.5 |
||||||||||||||||||||||||||||
|
M5 |
0.8 |
1.25 |
2.873 |
2.5 |
2.58 | 2.52 |
4~5 |
2 |
|||||||||||||||||||||
|
6~25 |
3 |
||||||||||||||||||||||||||||
|
M6 |
1 |
1.5 |
3.443 |
3 |
3.08 | 3.02 |
5~6 |
2 |
|||||||||||||||||||||
|
8~30 |
3.5 |
||||||||||||||||||||||||||||
|
M8 |
1.25 |
2 |
4.583 |
4 |
4.095 | 4.02 |
6~8 |
3 |
|||||||||||||||||||||
|
10~40 |
5 |
||||||||||||||||||||||||||||
|
M10 |
1.5 |
2.5 |
5.723 |
5 |
5.14 | 5.02 |
8~10 |
4 |
|||||||||||||||||||||
|
12~50 |
6 |
||||||||||||||||||||||||||||
|
M12 |
1.75 |
3 |
6.863 |
6 |
6.14 | 6.02 |
10~12 |
4.8 |
|||||||||||||||||||||
|
16~60 |
8 |
||||||||||||||||||||||||||||
|
M16 |
2 |
4 |
9.149 |
8 |
8.175 | 8.025 |
12~16 |
6.4 |
|||||||||||||||||||||
|
20~60 |
10 |
||||||||||||||||||||||||||||
|
M20 |
2.5 |
5 |
11.429 |
10 |
10.175 | 10.025 |
16~20 |
8 |
|||||||||||||||||||||
|
25~60 |
12 |
||||||||||||||||||||||||||||
|
M24 |
3 |
6 |
13.716 |
12 |
12.212 | 12.032 |
20~25 |
10 |
|||||||||||||||||||||
|
30~60 |
15 |
||||||||||||||||||||||||||||
|
技术条件 |
材料 |
螺纹公差 |
机械性能等级 |
产品公差等级 |
表面处理 |
||||||||||||||||||||||||
|
钢 |
6g |
45H |
A |
不经处理; 氧化; 电镀; 非电解锌片涂层 |
|||||||||||||||||||||||||
|
不锈钢 |
A1-12H、A2-21H、A3-21H A4-21H、A5-21H |
简单处理 |
|||||||||||||||||||||||||||
|
有色金属 |
CU2、CU3、AL4 |
简单处理; 电镀 |
|||||||||||||||||||||||||||
|
公称长度l的商品规格系列: mm |
|||||||||||||||||||||||||||||
|
公称 |
2 |
2.5 |
3 |
4 |
5 |
6 |
8 |
10 |
12 |
16 |
20 |
25 |
30 |
35 |
40 |
45 |
50 |
55 |
60 |
||||||||||
|
min |
1.8 |
2.3 |
2.8 |
3.76 |
4.76 |
5.76 |
7.71 |
9.71 |
11.65 |
15.65 |
19.58 |
24.58 |
29.58 |
34.5 |
39.5 |
44.5 |
49.5 |
54.4 |
59.4 |
||||||||||
|
max |
2.2 |
2.7 |
3.2 |
4.24 |
5.24 |
6.24 |
8.29 |
10.29 |
12.35 |
16.35 |
20.42 |
25.42 |
30.42 |
35.5 |
40.5 |
45.5 |
50.5 |
55.6 |
60.6 |
||||||||||
|
质量 kg |
|||||||||||||
|
螺纹规格 |
M1.6 |
M2 |
M2.5 |
M3 |
M4 |
M5 |
M6 |
M8 |
M10 |
M12 |
M16 |
M20 |
M24 |
|
公称长度/mm |
每1000件钢制品的质量≈ |
||||||||||||
|
2 |
0.021 |
0.029 |
|
|
|
|
|
|
|
|
|
|
|
|
2.5 |
0.025 |
0.037 |
0.063 |
0.070 |
|
|
|
|
|
|
|
|
|
|
3 |
0.029 |
0.044 |
0.075 |
0.090 |
0.100 |
|
|
|
|
|
|
|
|
|
4 |
0.037 |
0.059 |
0.100 |
0.130 |
0.180 |
0.250 |
|
|
|
|
|
|
|
|
5 |
0.046 |
0.074 |
0.125 |
0.170 |
0.260 |
0.370 |
0.515 |
|
|
|
|
|
|
|
6 |
0.054 |
0.089 |
0.150 |
0.210 |
0.340 |
0.490 |
0.690 |
1.09 |
|
|
|
|
|
|
8 |
0.070 |
0.119 |
0.199 |
0.290 |
0.500 |
0.730 |
1.04 |
1.72 |
2.40 |
|
|
|
|
|
10 |
|
0.148 |
0.249 |
0.370 |
0.660 |
0.970 |
1.39 |
2.35 |
3.41 |
4.70 |
|
|
|
|
12 |
|
|
0.299 |
0.450 |
0.820 |
1.21 |
1.74 |
2.98 |
4.42 |
6.10 |
9.70 |
|
|
|
16 |
|
|
|
0.610 |
1.14 |
1.69 |
2.44 |
4.24 |
6.43 |
8.90 |
14.9 |
22.2 |
|
|
20 |
|
|
|
|
1.46 |
2.17 |
3.14 |
5.50 |
8.44 |
11.7 |
20.1 |
30.4 |
39.7 |
|
25 |
|
|
|
|
|
2.77 |
4.02 |
7.08 |
10.9 |
15.3 |
26.6 |
40.7 |
54.2 |
|
30 |
|
|
|
|
|
|
4.89 |
8.65 |
13.5 |
18.8 |
33.1 |
51.0 |
68.7 |
|
35 |
|
|
|
|
|
|
|
10.2 |
16.0 |
22.3 |
39.6 |
61.3 |
83.2 |
|
40 |
|
|
|
|
|
|
|
11.8 |
18.5 |
25.8 |
46.1 |
71.6 |
97.7 |
|
45 |
|
|
|
|
|
|
|
|
21.0 |
29.3 |
52.6 |
81.9 |
112 |
|
50 |
|
|
|
|
|
|
|
|
23.5 |
32.8 |
59.1 |
92.2 |
127 |
|
55 |
|
|
|
|
|
|
|
|
|
36.3 |
65.6 |
103 |
141 |
|
60 |
|
|
|
|
|
|
|
|
|
39.8 |
72.2 |
113 |
156 |

